Menu Home

Бесплатная техническая библиотека для любителей и профессионалов Бесплатная техническая библиотека


Видеоразветвители мощности. Энциклопедия радиоэлектроники и электротехники

Бесплатная техническая библиотека

Энциклопедия радиоэлектроники и электротехники / Телевидение

Комментарии к статье Комментарии к статье

В технике кабельного телевидения (КТВ) широко используются делители мощности (сплиттеры) сигналов. Они используются для внешней и внутридомовой разводки сетей КТВ и имеют различную конфигурацию. Обычно мощность, подаваемая на вход делителя, равномерно распределяется между несколькими выходами. Однако имеется обособленный класс делителей, именуемых ответвителями, которые ответвляют часть мощности, передаваемой по магистральному кабелю.

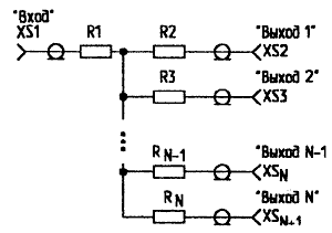
Схема на рис.1 представляет собой широкополосный делитель, равномерно распределяющий входной сигнал между N выходами. Коэффициент затухания сигнала К3 на любом выходе рассчитывается по формуле

Кз = 20*lg(N) (дБ) (1)

Видеоразветвители мощности. Широкополосный делитель

Рис.1. Широкополосный делитель

Как можно заметить из данной формулы, сигнал на любом выходе ослабляется. Если усилить сигнал на выходе делителя до уровня входного, то получим активный делитель, или разветвитель. Конструктивно усилитель включают до делителя, а коэффициент его усиления выбирают равным коэффициенту затухания делителя (Кз). Резисторы R1...RN равны и вычисляются по формуле

Расчетная формула для делителя (рис.1)    (2)

Сопротивления входа и выходов должны быть равными Zн (условие согласования нагрузки).

В таблице1 приведены данные делителей, имеющих N выходов, работающих на нагрузку 75 Ом.

Таблица 1
R1...RN, Ом Кз, дБ
2 25 6,02
3 37,5 9,54
4 45 12,04
5 50 13,98
6 53,6 15,56
7 56,3 16,90
8 58,3 18,06
9 60 19,08
10 61,4 20
16 66,2 24,08
  Zн=5 Ом  

Основным достоинством этих устройств является их широкополосность и равномерность АЧХ в полосе пропускания. На рис.2 изображена конструкция делителя с тремя выходами. Все резисторы имеют сопротивление 37,5 Ом. Делитель собирается в латунной или дюралюминиевой коробке. Входной и выходные разъемы - типа "F" или "SMA". Первые предпочтительнее, т.к. предусматривают подключение коаксиальных кабелей без использования пайки.

Видеоразветвители мощности. Конструкция делителя с тремя выходами

Рис.2. Конструкция делителя с тремя выходами

Видеоразветвители мощности. Печатная плата делителя с тремя выходами

Рис.3. Печатная плата делителя с тремя выходами

Теоретически полоса пропускания такой схемы не ограничена. Однако при использовании монтажа, приведенного на рис.2, на высоких частотах (выше 800 МГц) АЧХ становится неравномерной и имеет спад (сказывается влияние паразитных емкостей и индуктивностей выводов резисторов).

Для устранения данного нежелательного явления используют безвыводные резисторы, монтируемые на поверхность печатных плат. Печатная плата (рис.3) выполнена из двустороннего фольгированного стеклотекстолита марки СТНФ толщиной 1,5 мм. Ширина дорожек - 1,2 мм. Резисторы впаиваются в разрывы дорожек. Применение данного метода позволяет получать отличные результаты работы делителей на частотах вплоть до 3 ГГц. При использовании делителей на более высоких частотах, печатную плату изготавливают из фторопласта.

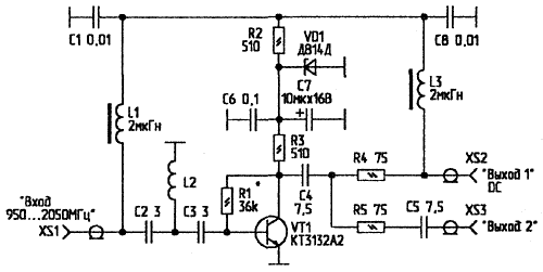
На практике широкополосные делители используются для распределения сигналов от конвертора приемника спутниковых ТВ-программ между несколькими тюнерами (внутренними блоками). Для компенсации затухания сигнала в делителе используется компенсирующий усилитель.

Принципиальная схема разветвителя сигналов первой ПЧ в приемниках СТВ-программ изображена на рис.4, а монтажная схема, выполненная по SMD-технологии - на рис.5.

Видеоразветвители мощности. Разветвитель сигналов первой ПЧ в приемниках

Рис.4. Разветвитель сигналов первой ПЧ в приемниках СТВ-программ

Видеоразветвители мощности. Монтажная схема разветвителя

Рис.5. Монтажная схема разветвителя

Крестики на чертеже платы указывают сквозные отверстия, через которые соответствующие печатные дорожки соединяются с общей шиной (второй стороной). Общая шина имеет электрический контакт с корпусом разветвителя. XS1.. .XS3 - "F"-разъемы. Все элементы (в том числе L1 и L3) - SMD-типа (можно применить обычные элементы, откусив полностью их выводы и припаяв непосредственно к печатным дорожкам). Катушка L2 - бескаркасная, с внутренним диаметром 3 мм, имеет 4 витка провода ПЭВТЛ диаметром 0,47 мм.

Как можно видеть из схемы, компенсирующий усилитель питается постоянным напряжением (одновременно питающим и наружный конвертор), которое поступает от тюнера, включенного на "Выход 1". Прохождение напряжения питания от второго тюнера и колебания частотой 22 кГц блокируются развязывающей емкостью С5. Таким образом, ведущим тюнером оказывается тот, который подключен к разъему XS2 "Выход 1".

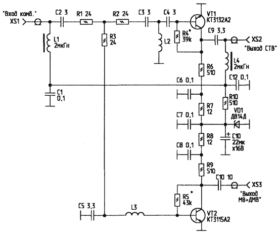
На рис.6 изображена принципиальная схема делителя-ответвителя, который, в отличие от схемы на рис.1, имеет меньшее затухание. Ответвители широко используются в сетях КТВ при подъездной разводке. Сигнал от магистрального кабеля через магистральный ответвитель подается на подъездный кабель (более тонкий, чем магистральный). На каждом этаже в разрыв кабеля включаются ответвители, показанные на рис.6. При этом неважно, какой из разъемов, XS1 или XS8, является входом (выходом).

Видеоразветвители мощности. Делитель-ответвитель

Рис.6. Принципиальная схема делителя-ответвителя

На последнем этаже, где оканчивается подъездный кабель, устанавливают либо ответвитель, к выходу которого подключают заглушку 75 Ом ("терминатор"), либо разветвитель, показанный на рис.7.

Видеоразветвители мощности. Разветвитель

Рис.7. Принципиальная схема разветвителя

Подъездные разветвители собирают в латунных или дюралюминиевых корпусах соответствующих размеров. Все индуктивности - бескаркасные, диаметр 5 мм. L1, L4 (рис.6) и L1, L2 (рис.7) - 2,5 витка; 12, L3 (рис.6) - 6 витков, намотанных проводом ПЭВТЛ диаметр 0,8 мм, шаг намотки - 1,5 мм. Все разъемы - типа "F".

Для ответвления сигналов от магистральных кабелей используют ответвители, собранные по аналогичным схемам (рис.8,9). В связи с тем, что пассивные компоненты передают в данном случае более высокую мощность, нагрузочные резисторы должны иметь допустимую рассеиваемую мощность не менее 2 Вт. Соответственно изменен тип разъемов, через которые ответвитель подключается к магистральному кабелю. В качестве XS1, XS2 используют СВЧ-разъемы типа СР-75-66ФВ. Катушки L1, L2 наматываются проводом ПЭВТЛ диаметр 1,2 мм (при настройке уточняют шаг витков).

Видеоразветвители мощности. Магистральный ответвитель

Видеоразветвители мощности. Магистральный ответвитель

Рис.8,9. Магистральные ответвители

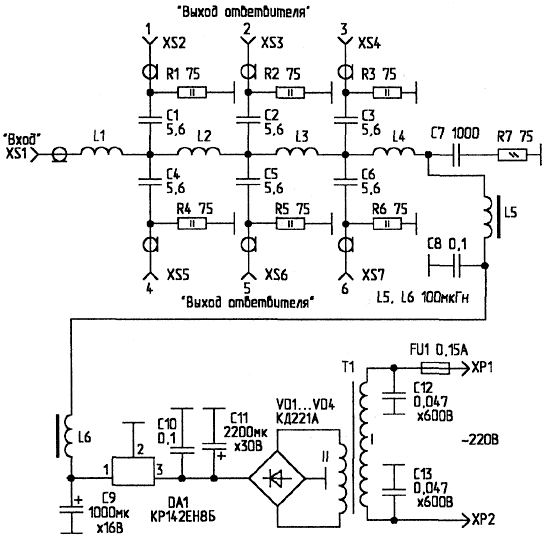
В принципе, возможно изготовление магистральных ответвителей со сколь угодно большим количеством отводящих выходов, однако на практике достаточно иметь два отвода. На конце магистрального кабеля устанавливают либо ответвитель (рис.8), к выходу которого подключается 75-омный терминатор, либо разветвитель (рис.7). Описанные ответвители хорошо работают на частотах до 300 МГц и достаточно прилично - в диапазоне 300...800 МГц. Если подъездный ответвитель используется для разводки сигнала от коллективной ДМВ- или MMDS-антенны, которые имеют наружный усилитель и конвертор, на этажах устанавливают ответвители, изображенные на рис.6, а на конце кабеля - разветвитель-инжектор питания (рис.10). Индуктивности L1 ...L4 идентичны применяемым в схеме на рис.6. L5 и L6 - типа Д-0,1. В качестве Т1 используют любой малогабаритный трансформатор с выходным напряжением 15 В и допустимым током 0,5...0,7 А. Устройство собрано в дюралюминиевом корпусе; элементы блока питания отделяются от схемы разветвителя перегородкой. DA1 крепится непосредственно к корпусу, играющему роль теплоотвода.

Видеоразветвители мощности. Разветвитель-инжектор питания

Рис.10. Разветвитель-инжектор питания

На рис.11 изображена типичная схема разводки сигнала от одной MMDS-антенны (2,5...2,7 ГГц) [1]. В качестве подъездного кабеля используют RG-6U, абонентского - RG-6. При отладке системы необходимо уточнить требуемое напряжение питания конвертора MMDS. Если оно отличается от 12 В, необходимо заменить DA1 (рис.10) на соответствующую (например, для Uп=15 В используется КР142ЕН8В).

Видеоразветвители мощности. Схема разводки сигнала от одной MMDS-антенны

Рис.11. Схема разводки сигнала от одной MMDS-антенны

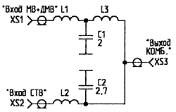
Нельзя обойти вниманием класс устройств, называемый "комбайнерами-сплиттерами" СТВ/ТВ сигналов. Принцип их работы поясняется на рис.12. Комбайнер складывает сигналы ПЧ1 СТВ от конвертора (полоса частот, занимаемых сигналом - 950...2050 МГц) и усиленные антенным усилителем сигналы MB и ДМВ ТВ-программ (48...800 МГц). Результирующий сигнал по кабелю снижения подается на сплиттер-разветвитель, где снова выделяются сигналы ПЧ1 СТВ (подаются на СТВ-тюнер) и МВ/ДМВ-сигналы ТВ (подаются на антенный вход ТВ-приемника). На рис.13 приведена схема комбайнера. XS1...XS3 - "F"-разъемы. Схема монтируется в дюралюминиевом корпусе. Индуктивности - бескаркасные, d2,5 мм. Они намотаны посеребренным проводом d0,31 мм и имеют: L1 - 2 витка, L2 - 3 витка, a L3 - 2,5 витка.

Видеоразветвители мощности. Принцип работы комбайнеров-сплиттеров

Рис.12. Принцип работы комбайнеров-сплиттеров

Видеоразветвители мощности. Схема комбайнера

Рис.13. Схема комбайнера

Антенный усилитель МВ/ДМВ питается от постоянного напряжения, поступающего с СТВ-тюнера. Ток потребления усилителя не должен превышать 50...70 мА.

На рис.14 изображена схема активного сплиттера, который разделяет сигналы, объединенные комбайнером, а также компенсирует затухание, вносимое делителем, входящим в состав сплиттера. Компенсирующий усилитель питается от СТВ-тюнера через кабель снижения. L2 и L3 - бескаркасные, d3 мм, намотаны посеребренным проводом d0,31 мм и имеют: L2 - 3,5 витка, a L3 - 3 витка соответственно. Сплиттер монтируется SMD-методом и заключается в латунный или дюралюминиевый корпус.

Видеоразветвители мощности. Схема активного сплиттера

Рис.14. Схема активного сплиттера

В заключение следует отметить, что при настройке вышеописанных устройств желательно использовать ГКЧ с полосой качания от 30 до 3000 МГц. После настройки устройств необходимо снять их точные АЧХ и нанести их на верхние крышки устройств, для наглядного представления характеристик используемых схем.

Во избежание поражения плавающими потенциалами необходимо предусмотреть заземление корпусов всех описанных устройств.

Литература

  1. Федоров В. Микроволновые системы распределения ТВ-программ. - Радиолюбитель, 1999, N11, С.5-7

Автор: В.Федоров, 398046, г.Липецк-46, а/я 1341; Публикация: radioradar.net

Смотрите другие статьи раздела Телевидение.

Читайте и пишите полезные комментарии к этой статье.

<< Назад

Последние новости науки и техники, новинки электроники:

Токсичность интернета преувеличена 07.01.2026

Социальные сети нередко воспринимаются как арена постоянной агрессии, оскорблений и распространения фейковой информации. Новое исследование Стэнфордского университета показывает, что реальность значительно отличается от популярного представления: интернет гораздо менее токсичен, чем многие пользователи считают. Ученые опросили более тысячи американцев, попросив их оценить долю пользователей соцсетей, которые ведут себя агрессивно или распространяют ненависть. Оказалось, что впечатления людей сильно преувеличивают масштабы проблемы. Например, респонденты считали, что почти половина пользователей Reddit хотя бы раз оставляла оскорбительные комментарии, тогда как фактические данные платформы показывают, что таких людей не более 3%. Аналогичная ситуация наблюдается с дезинформацией. Опрос показал, что большинство участников считали почти половину аудитории Facebook распространителями фейковых новостей, однако статистика говорит об обратном: фактическая доля таких пользователей состав ...>>

Процессоры Ryzen AI 400 07.01.2026

Современные вычисления все больше ориентируются на интеграцию искусственного интеллекта и высокую производительность в компактных устройствах, таких как ноутбуки и мини-ПК. Новая линейка процессоров AMD Ryzen AI 400 демонстрирует, как разработчики объединяют мощные центральные ядра, графику и нейросетевые ускорители в одном чипе, чтобы удовлетворять растущие потребности пользователей в играх, контенте и ИИ-приложениях. AMD представила процессоры серии Gorgon Point, которые включают до 12 ядер Zen 5 и до 24 потоков вычислений. Чипы поддерживают интегрированную графику RDNA 3.5, обеспечивают максимальную тактовую частоту до 5,2 ГГц и имеют энергопотребление от 15 Вт до 54 Вт. Особое внимание уделено NPU, способному обрабатывать до 60 триллионов операций в секунду (TOPS), что делает эти процессоры эффективными для задач с искусственным интеллектом. Конструкция Ryzen AI 400 сочетает ядра Zen 5 и Zen 5c, обеспечивая высокую гибкость и производительность. Несмотря на то, что архитектур ...>>

Женщины лучше распознают признаки болезни по лицу 06.01.2026

Способность распознавать, что кто-то нездоров, часто проявляется интуитивно: бледная кожа, опущенные веки, уставшее выражение лица могут сигнализировать о недомогании. Новое исследование международной группы ученых показало, что женщины в среднем точнее мужчин улавливают такие тонкие невербальные признаки болезни, что может иметь эволюционные и социальные объяснения. В отличие от предыдущих работ, где использовались отредактированные фотографии или имитация больных лиц, ученые решили проверить, насколько люди способны распознавать естественные признаки недомогания. Такой подход позволил оценить реальную чувствительность к изменениям в лицах, возникающим при болезни. В исследовании приняли участие 280 студентов, поровну мужчин и женщин. Участникам предложили оценить 24 фотографии, на которых изображены люди как в здоровом состоянии, так и во время болезни. Это дало возможность сравнить восприятие естественных признаков недомогания в реальных лицах. Для анализа состояния каждого ...>>

Случайная новость из Архива

Искусственный фотосинтез для получения топлива 07.12.2014

Корпорация Toshiba заявила о разработке высокоэффективного искусственного фотосинтеза - технологии получения углеродных соединений из углекислого газа и воды при участии солнечной энергии. Технология была представлена публике на Международной конференции по искусственному фотосинтезу ICARP2014 в Японии.

Аналогичные технологии широко используются в растительном царстве для производства из тех же компонентов органических веществ (как правило, сахаров). В случае с Toshiba ожидается, что с помощью искусственного фотосинтеза удастся вырабатывать как топливо, так и сырье для химической промышленности.

По заявлениям корпорации, представленная технология искусственного фотосинтеза показывает КПД преобразования энергии солнечного света в углеродное топливо равный 1,5%, что, как говорят в Toshiba, является на нынешний день лучшим показателем среди аналогичных разработок (для получения соединений, которые можно использовать в качестве химического сырья или топлива).

Другие попытки реализации искусственного фотосинтеза, основаны обычно на использовании ультрафиолетовой части спектра солнечного света и отличаются невысоким уровнем эффективности, не подходящим для практического применения.

В разработке Toshiba итогом фотосинтетической реакции воды (H2O) и углекислого газа (CO2) является окись углерода (CO), компонент для получения так называемого "синтез-газа", (смеси CO и H2). Обогатив синтез-газ водородом, можно получить метанол (метиловый спирт).

Производство метанола само по себе не является новостью. Это вещество широко применяется как сырье в современной химической промышленности (в частности, для производства формальдегидных смол и пластиков). Кроме того, существуют работающие на метаноле двигатели внутреннего сгорания и топливные элементы для автомобилей и электроники.

Технология, предложенная японцами, призвана исключить из цепочки производства метанола одно дорогостоящее и энергозатратное звено - производство CO, в котором напрямую используется природный газ (метан). Теоретически, полагают в Toshiba, ее фотосинтез поможет решить проблемы как растущей концентрации углекислого газа в атмосфере, так и возможного исчерпания ископаемого топлива.

В химическом реакторе Toshiba для преобразования воды и углекислоты в метанол применена золотая каталитическая решетка с наноразмерными ячейками. Как замечает компания в своем сообщении, целью ее дальнейших исследований станет повышение эффективности фотосинтеза за счет увеличения активности катализатора. Компания надеется обеспечить практическую реализацию своей технологии в 2020-х гг.

Другие интересные новости:

▪ Гибрид нанотрубки и золота

▪ Кремниевая фольга

▪ Склонность наступать на грабли заложена генетически

▪ Модули флэш-памяти eMMC

▪ Дисплеи Mirasol нового поколения от Qualcomm

Лента новостей науки и техники, новинок электроники

 

Интересные материалы Бесплатной технической библиотеки:

▪ раздел сайта Телефония. Подборка статей

▪ статья Роберт Браунинг. Знаменитые афоризмы

▪ статья Что такое блуждающий огонек? Подробный ответ

▪ статья Лобия. Легенды, выращивание, способы применения

▪ статья Простая карманная радиостанция для села. Энциклопедия радиоэлектроники и электротехники

▪ статья Всего один шанс. Секрет фокуса

Оставьте свой комментарий к этой статье:

Имя:


E-mail (не обязательно):


Комментарий:





Главная страница | Библиотека | Статьи | Карта сайта | Отзывы о сайте

www.diagram.com.ua

www.diagram.com.ua
2000-2026