Бесплатная техническая библиотека
Простой блок Антиреклама. Энциклопедия радиоэлектроники и электротехники

Энциклопедия радиоэлектроники и электротехники / Телевидение
Комментарии к статье
В статье речь пойдет о борьбе с рекламой в телевизионных передачах. Автор публикуемого ниже материала предлагает еще один вариант простого устройства для такой цели.
Реклама, как известно, - "двигатель" торговли. Но особенно над ней начинаешь задумываться только вечером, когда сядешь к телевизору посмотреть заинтересовавший фильм. Однако он часто прерывается рекламой повышенной громкости. Некоторые раздраженные зрители могут даже выключить телевизор. Самые стойкие остаются у экранов, убавляя громкость пультом ДУ. Если же его нет, то приходится каждый раз вставать и регулировать на панели управления телевизора. Неудобства всего этого очевидны.
Для того чтобы убавление громкости звука во время рекламы происходило автоматически, а затем также автоматически она прибавлялась, автор и разработал предлагаемое для повторения простое устройство. Оно отслеживает уровень сигнала звукового сопровождения телевизионного изображения. При превышении максимально установленного уровня громкости устройство уменьшает ее или совсем выключает звук.

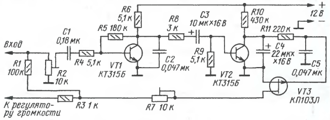
Рис. 1 Принципиальная схема устройства
Подключение рассматриваемого блока очень простое: в разрыв цепи подачи сигнала 34 на регулятор громкости. В авторском варианте оно встроено в четырехканальный усилитель 34, подсоединенный к линейному выходу телевизора. Сигнал с выхода усилителя ПЧ звука (УП43) поступает на блок, а с него - на регулятор громкости и дальше на усилитель 34.
Схема устройства изображена на рисунке. После включения телевизора на блок поступает сигнал 34. Через резисторы R1 и R3 он проходит на регулятор громкости аппарата. Каскад на транзисторе VT1, представляющий собой одно-полупериодный детектор, отслеживает изменения сигнала, причем в отсутствие рекламы он открыт. При этом транзистор V3 закрыт и не влияет (с резистором R7) на цепь прохождения сигнала 34.
Транзистор VT1 начинает закрываться только при увеличении сигнала 34, что и происходит во время рекламы, выше установленного подстроечным резистором R2 значения, причем закрывается он отрицательными "полуволнами" сигнала. При этом конденсатор C3 заряжается через резисторы R6, R8 и эмиттерный переход транзистора VT2, открывая его.Через него разряжается конденсатор С4 (довольно быстро), а затем и конденсатор С5. В то время, когда транзистор VT1 открыт, конденсатор C3 разряжается через него и резисторы R8, R9.
При разряженных конденсаторах С4, С5 транзистор VT3 перейдет в открытое состояние и подключит резистор R7 к цепи прохождения сигнала 34. В результате уровень звукового сигнала, поступающего на усилитель 34, резко упадет и громкость воспроизведения звука значительно уменьшится. Уровень убавления громкости можно изменять подстроечным резистором R7.
Скорость нарастания звука при восстановлении можно изменять подбором конденсатора С5. Время, в течение которого устройство держит звук пониженной громкости, устанавливают подбором конденсатора С4. В авторском варианте после пиковой громкости звука блок удерживает его пониженным еще 20 с, а нарастание происходит в течение 1 с. Если емкость конденсатора С5 выбрать меньше С 01 мкФ, то при восстановлении звука слышен характерный (негромкий) щелчок.
Необходимо заметить, что устройство четко "вырезает" рекламу только на тех каналах, на которых изменение громкости звука заметно на слух. При этом настройка блока сводится к тому, чтобы обеспечить надежное определение рекламы по уровню звукового сопровождения подстройкой резистора R2. Если уровень звука зависит и от принимаемого канала, рекомендуется вместо R2 установить переключатель с подобранными резисторами для каждого канала.
В случае, когда некоторую рекламу хочется все же послушать, можно предусмотреть кнопку с фиксацией для восстановления громкости. Ее подключают параллельно резистору R10 с последовательно включенным ограничительным резистором сопротивлением 1 кОм. Рекомендуется установить и кнопку (с фиксацией) для выключения блока по цепи +12 В.
Сопротивление резистора R1 может быть и меньше. Главное, не перегрузить линейный выход большим током.
Автор: В. Носов, г. Пермь; Публикация: radioradar.net
Смотрите другие статьи раздела Телевидение.
Читайте и пишите полезные комментарии к этой статье.
<< Назад
Последние новости науки и техники, новинки электроники:
Хорошо управляемые луга могут компенсировать выбросы от скота
15.02.2026
Животноводство, особенно разведение крупного рогатого скота, часто обвиняют в значительном вкладе в глобальное потепление из-за мощного парникового газа - метана, который выделяется при пищеварении у жвачных животных. Это вызывает острые политические споры и призывы к сокращению потребления мяса. Однако ученые напоминают, что полная картина климатического воздействия отрасли не ограничивается только выбросами от животных: огромную роль играет окружающая экосистема - пастбища, почва и растительность, которые способны активно поглощать углекислый газ из атмосферы.
Исследователи из Университета Небраски-Линкольна решили глубже изучить этот баланс. Группа под руководством профессора Галена Эриксона сосредоточилась на том, как правильно организованные пастбища накапливают углерод в растениях и грунте благодаря естественным процессам, стимулируемым выпасом скота. Ученые подчеркивают, что при достаточном уровне осадков и грамотном управлении такие луга превращаются в мощные природные погло ...>>
NASA тестирует инновационную технологию крыла
15.02.2026
Коммерческая авиация ежегодно расходует колоссальные объемы керосина, что сказывается не только на бюджете авиакомпаний, но и на состоянии окружающей среды. В 2024 году глобальные затраты на авиационное топливо достигли 291 миллиарда долларов, и эта сумма продолжает расти. Чтобы справиться с этими вызовами, NASA активно работает над технологиями, способными заметно повысить аэродинамическую эффективность самолетов. Одним из самых перспективных направлений стало создание специальной конструкции крыла, которая максимизирует естественный ламинарный поток воздуха и минимизирует сопротивление.
В январе 2026 года специалисты NASA Armstrong Flight Research Center успешно провели важный этап наземных испытаний концепции Crossflow Attenuated Natural Laminar Flow (CATNLF). Для эксперимента под фюзеляж исследовательского самолета F-15B закрепили вертикально ориентированную масштабную модель высотой около 0,9 м (3 фута), напоминающую узкий киль. Такая компоновка позволила подвергнуть прототип р ...>>
Забота о внуках очень полезна для здоровья мозга
14.02.2026
Общение между поколениями приносит радость всей семье, но мало кто задумывается, насколько активно бабушки и дедушки, заботящиеся о внуках, поддерживают свою умственную форму. Регулярное взаимодействие с детьми стимулирует мозг пожилых людей, помогая сохранять память, скорость мышления и общую когнитивную активность.
Новые научные данные подтверждают, что такая добровольная помощь не только важна для общества, но и может замедлять возрастные изменения в мозге.
Исследователи из Тилбургского университета в Нидерландах провели анализ, чтобы понять, приносит ли уход за внуками реальную пользу здоровью пожилых людей. Ведущий автор работы Флавия Черечес отметила, что многие бабушки и дедушки регулярно присматривают за детьми, и оставался открытым вопрос, насколько это положительно сказывается на их собственном благополучии, особенно в плане когнитивных функций.
Ученые поставили цель выяснить, способен ли регулярный уход за внуками замедлить снижение памяти и других умственных способ ...>>
Случайная новость из Архива Технология глубинного обучения для анализа временных рядов данных
20.03.2016
Компания Fujitsu Laboratories Ltd. объявила о разработке технологии глубинного обучения, способной с высокой точностью анализировать временные ряды данных. В перспективных приложениях для интернета вещей временные ряды данных могут значительно варьироваться, поэтому выявление закономерностей их изменения оказывается для человека очень сложной задачей.
"Машинное обучение является центральной технологией искусственного интеллекта. В последние годы в этой области все внимание было приковано к технологии глубинного обучения как способу автоматического извлечения характерных значений, необходимых для интерпретации и оценки явлений, - отметили в компании. - Огромные объемы временных рядов данных собираются с устройств, особенно в эру интернета вещей. Применяя глубинное обучение к этим данным и классифицируя их с высокой степенью точности, можно проводить дальнейший анализ с перспективой создания новых продуктов и решений и открытия новых направлений бизнеса".
Технология глубинного обучения, которая воспринимается как прорыв в развитии искусственного интеллекта, обеспечивает высокую точность распознавания изображений и речи, однако она по-прежнему применима лишь к ограниченным типам данных, пояснили в Fujitsu. В частности, до сих пор было трудно точно классифицировать в автоматическом режиме изменчивые временные ряды данных, поступающих от устройств, подключенных к интернету вещей.
Компания разработала технологию глубинного обучения на основе теории хаоса и топологии для автоматической точной классификации изменчивых временных рядов данных. Эта технология позволяет точно обрабатывать даже комплексные временные данные с большой амплитудой изменений.
Новейшая технология использует следующие процедуры для обучения и классификации: графическое представление временных рядов данных с использованием теории хаоса; количественное описание диаграмм с помощью топологии; обучение и классификация с использованием сверточных нейронных сетей.
|
Другие интересные новости:
▪ Экологичный парогенератор для опреснения и очистки воды
▪ 72-кубитный квантовый процессор Bristlecone
▪ Найдены гены растений, сигнализирующие об опасности
▪ Аттосекундные импульсы света - с помощью обычного промышленного лазера
▪ Комета Неовайз максимально приближается к Земле
Лента новостей науки и техники, новинок электроники
Интересные материалы Бесплатной технической библиотеки:
▪ раздел сайта Электрические счетчики. Подборка статей
▪ статья Риск как категория безопасности жизнедеятельности. Приемлемый риск. Основы безопасной жизнедеятельности
▪ статья Что происходит с параллельными прямыми в геометрии Лобачевского? Подробный ответ
▪ статья Параплан Альфа-29. Личный транспорт
▪ статья Программируемый генератор уровней напряжения. Энциклопедия радиоэлектроники и электротехники
▪ статья Ручка-самописка. Секрет фокуса
Оставьте свой комментарий к этой статье:
Главная страница | Библиотека | Статьи | Карта сайта | Отзывы о сайте

www.diagram.com.ua
2000-2026