Бесплатная техническая библиотека
Схема MULTIVOX для трансивера. Энциклопедия радиоэлектроники и электротехники

Энциклопедия радиоэлектроники и электротехники / Узлы радиолюбительской техники
Комментарии к статье
Традиционная система VOX [1] содержит микрофонный усилитель, сигнал с которого подается на усилитель низкой частоты (УНЧ), фильтры, балансный модулятор и т.д., а также на преобразователь речевого сигнала, работающий по принципу: есть на входе звуковой надпороговый сигнал - на выходе - "логическая единица"; нет сигнала - "логический ноль" (рис.1).
Рис. 1
При наличии звукового сигнала срабатывает реле К, коммутируя контактами цепи радиостанции на прием или передачу. Иногда в схему преобразователя для исключения срабатывания системы VOX от динамика вводят сигнал с УНЧ приемной части. В подобных схемах обычно используют электромеханические реле, к недостаткам которых следует отнести дребезг контактов, запаздывание срабатывания, высокий уровень помех при коммутации, высокое энергопотребление и низкую надежность.
Система MultiVOX (рис.2 - 5) имеет высокое быстродействие и надежность, малое энергопотребление и может быть использована на коллективных радиостанциях для подготовки операторов. Особенно эффективно применение системы MulliVOX в соревнованиях (много операторов - один передатчик, много операторов - много передатчиков).
Рис.2 (нажмите для увеличения)
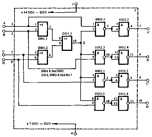
Схема (рис.3) состоит из n одинаковых каналов VOX (рис.2, блок 1), сигналы с которых поступают на блок коммутации (рис.3, 5, блок 2). Блок коммутации 2 пропускает управляющие сигналы лишь с того канала, который задействован на текущий момент.
Рис.3
При случайном появлении сигнала по любому другому каналу прохождение управляющих сигналов запрещается блоком коммутации и радиостанция работает только на прием. Так, если на радиостанции работают четыре оператора, трое из них прослушивают эфир, отыскивая корреспондентов по диапазону (диапазонам); а один ведет радиообмен с очередным корреспондентом. После окончания радиосвязи другой оператор вызывает следующего корреспондента, а остальные работают на прием. Предполагается, что каждый оператор имеет свой генератор плавного диапазона (VFO), свою часть приемного тракта. При работе на передачу в передающий тракт включается только один из генераторов и одновременная работа в эфире двух операторов (работа на двух частотах) исключается.
Блок 1 (рис.2, 3) представляет собой обычный VOX, состоящий из микрофонного предусилителя на транзисторе КТ315 (или его малошумящем аналоге) , с выхода которого (контакт 3) низкочастотный (НЧ) сигнал поступает на формирователь однополосного сигнала. С предусилителя сигнал НЧ поступает также на компаратор, выполненный на микросхеме К554САЗ. Вместо резистора нагрузки R7 может быть включено реле, например, РЭС-9, параллельно обмотке которого следует подключить конденсатор емкостью до 100 мкФ. Для индивидуальных радиостанций управляющий сигнал можно снимать с вывода 5 блока 1 без использования блока коммутации 2.
Потенциометром R2 устанавливают чувствительность устройства VOX к речевому сигналу, R6 - порога срабатывания компаратора. Для повышения уровня выходного управляющего сигнала (вывод 5 блока 1) за счет увеличения постоянной составляющей в выходном сигнале с 0 до 3 - 4В точка А блока схемы может быть отсоединена от общего провода и соединена с движком потенциометра R10.
Схема MultiVOX (рис.3) позволяет работать с любого пульта управления (микрофоны BMa...BMd). Схема коммутатора сигналов VFO (DA.1...DA1.4) приведена условно. Каналы коммутатора могут быть использованы для коммутации аналоговых сигналов, в том числе достаточно высокочастотных, с амплитудой (от пика до пика) до 50% от напряжения питания микросхемы (3-15 В - для К561, К564), либо коммутации буферных каскадов или мощных релейных схем по постоянному току.
Количество одновременно переключаемых цепей может быть увеличено при параллельном включении управляющих электродов коммутаторов (рис.3, дополнительные выходы a...d). Между управляющими входами коммутаторов Х и Y могут быть включены RC - элементы и диоды, что позволит реализовать различное по времени срабатывание соответствующих коммутаторов.
Варианты блоков коммутации 2 приведены на рис.4а (для двух операторов) и рис.4б (для четырех операторов).
Рис.4а
Рис.4б
При работе телеграфом управляющие сигналы с ключей (электронных ключей) можно подавать непосредственно на соответствующие входы блока 2.
Литература
1.Бунимович С.Г., Яйленко Л.П. Техника любительской однополосной радиосвязи. - М.: ДОСААФ, 1970.-312с.
2. Аналоговые и цифровые интегральные микросхемы: Справочное пособие/ С.В.Якубовский и др. - М.: Радио и связь, 1984. -432 с.
Автор: Шустов М., г.Томск; Публикация: Н. Большаков, rf.atnn.ru
Смотрите другие статьи раздела Узлы радиолюбительской техники.
Читайте и пишите полезные комментарии к этой статье.
<< Назад
Последние новости науки и техники, новинки электроники:
Власть является ключевым фактором счастья в отношениях
11.03.2026
Исследования семейных и романтических отношений показывают, что длительное счастье пары зависит не только от привычных факторов, таких как доверие, уважение и преданность, но и от более тонких психологических аспектов. Современные ученые ищут закономерности, которые отличают действительно счастливые пары от остальных, чтобы понять, какие механизмы поддерживают гармонию в отношениях.
Группа исследователей из Университета Мартина Лютера в Галле-Виттенберге и Бамбергского университета провела опрос среди 181 пары, которые состояли в совместных отношениях более восьми лет и прожили вместе хотя бы месяц. Участники заполняли анкету, описывая различные аспекты своих отношений, включая распределение обязанностей, эмоциональную поддержку и степень вовлеченности в совместные решения.
Анализ данных показал интересный паттерн: пары, где оба партнера ощущали высокий уровень личной власти, оказывались наиболее счастливыми и удовлетворенными. В данном контексте под властью понимается способност ...>>
Защищенная колонка-повербанк Anker Soundcore Boom Go 3i
11.03.2026
Компания Anker представила новую модель линейки Soundcore - колонку Soundcore Boom Go 3i, ориентированную на активное использование на улице.
Новинка отличается высокой степенью защиты: корпус соответствует стандарту IP68, что обеспечивает водо- и пыленепроницаемость, а ударопрочный дизайн выдерживает падение с высоты до одного метра. За качество звука отвечает 15-ваттный драйвер, обеспечивающий пик громкости до 92 дБ, а технология BassUp 2.0 усиливает низкие частоты, делая звучание более насыщенным.
Колонка обладает автономностью до 24 часов, а LED-индикатор позволяет контролировать уровень заряда батареи. Кроме того, Soundcore Boom Go 3i может выполнять функцию павербанка: согласно внутренним тестам, устройство способно зарядить iPhone 17 с нуля до 40% за один час, что делает его полезным аксессуаром в походах и поездках.
Среди функциональных особенностей модели стоит выделить технологию Auracast, которая улучшает подключение и позволяет создавать стереопару из двух колонок ...>>
Раннее воздержание от алкоголя перестраивает мозг и иммунитет
10.03.2026
Алкогольная зависимость - хроническое расстройство с компульсивным употреблением спиртного, которое влияет не только на поведение, но и на функционирование мозга и иммунной системы. Недавние исследования показали, что даже на ранних этапах воздержания организм начинает перестраиваться, открывая новые возможности для терапии зависимости.
Ученые сосредоточились на пациентах, находящихся в первые недели абстиненции, и зафиксировали значительные изменения в мозговой активности. С помощью функциональной магнитно-резонансной томографии они выявили перестройку сетей нейронных связей, отвечающих за контроль импульсов и принятие решений. Эти изменения могут быть ключевыми для восстановления самоконтроля и снижения риска рецидива.
Одновременно с нейронной перестройкой исследователи наблюдали колебания иммунной системы. В крови повышался уровень цитокинов - сигнальных белков, регулирующих воспалительные процессы. Эти данные свидетельствуют о существовании нейроиммунного взаимодействия, при ...>>
Случайная новость из Архива Биоэлектронные пластыри для лечения кожи
08.06.2024
Ученые разработали гибкий пластырь, который можно адаптировать и хранить, сочетающий бактерии и датчики для взаимодействия с телом.
Исследователи создали "живую биоэлектронику" - устройство, сочетающее клетки, гель и электронику для мониторинга и лечения заболеваний кожи. Протестированное на мышах устройство уменьшает воспаление и имеет потенциал для более широкого применения в медицине. Команда работает над коммерциализацией технологии.
В течение многих лет лаборатория профессора Божьи Тяня исследовала, как соединить сферу электроники - как правило, жесткую, металлическую и громоздкую - с мягкой, гибкой и щекотливой природой человеческого тела. В последних исследованиях они создали прототип того, что они называют "живой биоэлектроникой": сочетание живых клеток, геля и электроники, которая может интегрироваться с живой тканью.
Пластыри состоят из сенсоров, бактериальных клеток и геля из крахмала и желатина. Испытания на мышах показали, что устройства могут постоянно контролировать и улучшать симптомы, похожие на псориаз без раздражения кожи.
Лаборатория Тиана специализируется на раскрытии фундаментальных принципов взаимодействия живых клеток и тканей с синтетическими материалами; их предыдущая работа включала крошечный кардиостимулятор, которым можно управлять с помощью легких и крепких, но гибких материалов, которые могли бы стать основой костных имплантатов. В этом исследовании они применили новый подход. Как правило, биоэлектроника состоит из самой электроники, а также мягкого слоя, чтобы она не раздражала организм.
Группа Тиана задавалась вопросом, могут ли они добавить новые возможности, интегрировав третий компонент: самые живые клетки. Группу заинтересовали целебные свойства определенных бактерий, таких как S. epidermidis , микроба, который естественным образом обитает на коже человека и, как было показано, уменьшает воспаление.
Исследователи создали устройство из трех компонентов. Каркас представляет собой тонкую гибкую электронную схему с датчиками. Он покрыт гелем, созданным из крахмала тапиоки и желатина, который является мягким и имитирует состав самой ткани. Наконец, микробы S. epidermidis заправлены в гель. Когда устройство помещается на кожу, бактерии выделяют соединения, которые уменьшают воспаление и датчик контролирует кожу на предмет таких сигналов, как температура и влажность кожи.
|
Другие интересные новости:
▪ Выращивание морепродуктов в биореакторах
▪ Конденсатор с высокой плотностью энергии
▪ Смартфон Samsung Galaxy A7
▪ Видеоочки
▪ 5-нм чип IBM
Лента новостей науки и техники, новинок электроники
Интересные материалы Бесплатной технической библиотеки:
▪ раздел сайта Электрику. Подборка статей
▪ статья Танк. История изобретения и производства
▪ статья Что такое вакцина? Подробный ответ
▪ статья Работа с электрокранбалкой, управляемой с пола. Типовая инструкция по охране труда
▪ статья Мыла из жировых отбросов. Простые рецепты и советы
▪ статья Два десятка яиц изо рта помощника. Секрет фокуса
Оставьте свой комментарий к этой статье:
Главная страница | Библиотека | Статьи | Карта сайта | Отзывы о сайте

www.diagram.com.ua
2000-2026