Menu Home

Бесплатная техническая библиотека для любителей и профессионалов Бесплатная техническая библиотека


Согласующие устройства. Энциклопедия радиоэлектроники и электротехники

Бесплатная техническая библиотека

Энциклопедия радиоэлектроники и электротехники / Узлы радиолюбительской техники. Фильтры и согласующие устройства

Комментарии к статье Комментарии к статье

Еще лет 10...15 назад проблемы использования согласующих устройств (СУ) практически не было, соответственно почти не встречались и описания подобных устройств в радиолюбительской литературе.

Дело, вероятно, в том, что раньше в СССР практически все использовали самодельную ламповую аппаратуру, выходной каскад которой можно было согласовать практически с чем угодно.

Транзисторные РА выдают гораздо больше гармоник, чем ламповые. И часто низкодобротный П-контур на выходе транзисторного РА не справляется с их фильтрацией. К тому же, надо учесть, что количество телеканалов по сравнению с тем, что было еще несколько лет назад, выросло во много раз!

Назначение согласующего устройства

СУ обеспечивает трансформацию выходного сопротивления передатчика в сопротивление антенны. Использовать СУ с ламповым усилителем мощности, имеющим П-контур со всеми тремя плавно перестраиваемыми элементами, нерационально, так как П-контур обеспечивает согласование в широком диапазоне выходных сопротивлений. Только в случаях, когда элементы П-контура исключат подстройку, использование СУ приносит пользу.

В любом случае СУ заметно снижает уровень гармоник, и его использование как фильтра вполне оправдано.

При наличии хороших настроенных резонансных антенн и хорошего РА нет необходимости использовать согласующее устройство. Но когда и антенна одна работает на нескольких диапазонах, и РА не всегда выдает то что надо, использование СУ дает хорошие результаты.

Принципы построения согласующего устройства

Классическое СУ имеет вид, показанный на рис. 1. Как видно, оно состоит из цепи согласования (ЦС), которая выполнена по одной из известных схем (собственно ЦС часто и носит название "согласующее устройство", "ATU"), измерителя КСВ, ВЧ моста, показывающего степень рассогласования антенны, эквивалента антенны R 1, и контрольных нагрузок R2, R3. Без всего этого "окружения" СУ является лишь цепью согласования, не более того.

Согласующие устройства
Рис.1

Разберем принцип работы устройства. В положении S 1 "Обход" выход передатчика подключен к S2, что дает возможность или напрямую подключить антенну, или включить на выход один из эквивалентов нагрузки (R2 или R3) и проверить возможность согласования передатчика с ним. В положении "Настройка" передатчик работает на согласованную нагрузку. Также через сопротивление R4 включается ВЧ мост. По балансу этого моста цепью согласования и производится настройка антенны. Резисторы R2 и R3 дают возможность проверить, возможна ли настройка цепи согласования на них. Настроив ЦС, включают режим "Работа". В этом режиме еще немного подстраивают цепь согласования по минимуму показаний КСВ-метра.

Ниже рассмотрим используемые на практике основные ЦС.

Цепь согласования на параллельном контуре

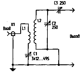
Одна из самых эффективных и просто выполнимых ЦС показана на рис.2. Передатчик подключается через катушку L1 и конденсатор С1. L1 составляет от четверти до шестой части от количества витков L2 и наматывается в нижней ее части. L1 должна быть отделена от L2 качественной изоляцией.

Согласующие устройства
Рис.2

В данной схеме передатчик связан с ЦС только магнитным потоком, и здесь автоматически решен вопрос грозозащиты выходного каскада. Конденсатор С1 для работы на 1,8 МГц. должен иметь максимальную емкость - 1500 пФ, а для работы на 28 МГц - 500 пФ. С2 и С1 должны иметь максимально возможный зазор между пластинами. Диапазон сопротивлений нагрузки - от 10 Ом до нескольких килоом. Работа с высоким КПД обеспечивается в двух смежных диапазонах, например 1,8 и 3,5 МГц. Для эффективной работы в нескольких диапазонах необходимо переключать L1 и L2. При небольших мощностях (до 100 Вт) наиболее эффективно и просто изготовить комплект сменных катушек и производить их установку с помощью цокольных панелей от старых радиоламп. Любые эксперименты, связанные с подключением параллельно L1 и L2 катушек для уменьшения их индуктивности для работы на ВЧ диапазонах, подключением к отводам этих катушек "хитрое" параллельное включение катушек значительно снижают эффективность работы этой ЦС на ВЧ. Данные катушек для схемы рис.2 приведены в табл.1.

Таблица 1
Диапазон, МГц 1,9 3,5...3,8 7 10 14 18 21 24 27...30
Диаметр катушки, мм 50 30 25 25 25 25 25 25 25
Длина намотки, мм 50 30 40 40 40 40 30 30 30
Кол-во витков 100 30 20 15 11,5 10 8,5 7,5 6,5

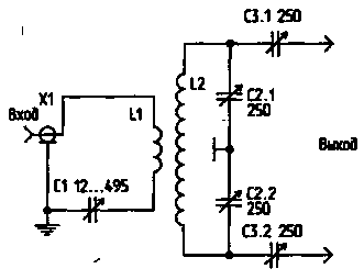
Хотя в настоящее время симметричные антенны используются редко, стоит рассмотреть возможность работы этой ЦС на симметричную нагрузку (рис.3).

Согласующие устройства
Рис.3

Единственное ее отличие от схемы рис.2 в том, что напряжение для нагрузки снимается симметрично. L1 должна быть расположена симметрично относительно L2. Конденсаторы С 1 и С2 должны находиться на одной оси. Необходимо принять меры по уменьшению влияния емкостного эффекта на L2, т.е. она должна находиться достаточно далеко от металлических стенок. Данные L2 для схемы рис.3 приведены в табл.2.

Таблица 2
Диапазон, МГц 1,9 3,5...3,8 7 10 14 18 21 24 27...30
Диаметр катушки, мм 50 40 25 25 25 25 25 25 25
Длина намотки, мм 60 40 40 50 40 40 40 40 35
Кол-во витков 130 35 28 20 15 11,5 11 9,5 8,5

Встречаются и конструкции упрощенного варианта этой ЦС.

Согласующие устройства
Рис.4

На рис.4 приведена несимметричная цепь, на рис.5 - симметричная. Но, к сожалению, как показывает опыт, эти схемы не могут дать такого тщательного согласования, как в случае использования конденсаторов С3 (рис.2) или С3.1, С3.2 (рис.3).

Согласующие устройства
Рис.5

Особенно тщательно надо подходить к постройке многодиапазонных ЦС, работающих на таком принципе (рис.6). За счет снижения добротности катушки и большой емкости отводов "на землю" КПД такой системы на ВЧ диапазонах низок, но использование такой системы в диапазонах 1,8...7 МГц вполне допустимо.

Согласующие устройства
Рис.6

Настраивают ЦС, изображенную на рис.2, просто. Конденсатор С1 ставят в максимальное положение, С2 и C3 - в минимальное, затем с помощью С2 настраивают контур в резонанс, и потом, увеличивая связь с антенной с помощью С3, добиваются максимальной отдачи мощности в антенну, при этом все время подстраивая С2 и, по возможности, С1. Следует стремиться к тому, чтобы после настройки ЦС C3 имел максимальную емкость.

Т-образная цепь согласования

Эта схема (рис.7) получила широкое распространение при работе с несимметричными антеннами.

Согласующие устройства
Рис.7

Для нормальной работы этой ЦС необходима плавная регулировка индуктивности. Иногда даже половина витка имеет решающее значение для согласования. Это ограничивает использование индуктивности с отводами или требует индивидуального подбора количества витков для конкретной антенны. Необходимо, чтобы емкость С1 и С2 на "землю" была не более 25 пФ, в противном случае возможно снижение КПД на 24...28 МГц. Необходимо, чтобы "холодный" конец катушки L1 был тщательно заземлен. Данная ЦС обладает хорошими параметрами: КПД - до 80% при трансформации 75 Ом в 750 Ом, возможность согласования нагрузки от 10 Ом до нескольких килоом. С помощью только одной переменной индуктивности 30 мкГн можно перекрыть весь диапазон от 3,5 до 30 МГц, а подключив параллельно C1, C2 постоянные конденсаторы по 200 пФ, можно работать и на 1,8 МГц.

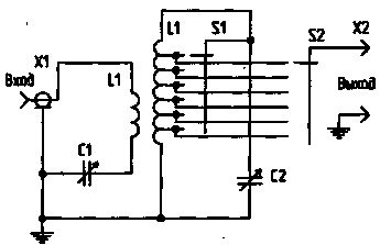
К сожалению, переменная индуктивность дорога и сложна конструктивно. W3TS предложил переключаемую "цифровую индуктивность" (рис.8). Используя такую индуктивность, с помощью переключателей можно наглядно выставить нужное ее значение.

Согласующие устройства
Рис.8 (нажмите для увеличения)

Еще одну попытку упростить конструктивное исполнение предприняла фирма АЕА, выполнив согласующее устройство по схеме, приведенной на рис.9. Действительно, схемы на рис.7 и рис.9 равнозначны. Но конструктивно гораздо проще использовать один заземленный высококачественный конденсатор вместо двух изолированных, а дорогую переменную индуктивность заменить на дешевые постоянные катушки индуктивности с отводами. Эта ЦС хорошо работала от 1,8 до 30 МГц, трансформируя 75 Ом в 750 Ом и в 15 Ом. Но при работе с реальными антеннами иногда сказывалась дискретность переключения индуктивности. При наличии 18, а лучше 22 позиционных переключателей эту ЦС можно рекомендовать к практическому исполнению. При этом необходимо до минимума уменьшить длину отводов катушки к переключателю. Переключатели на 11 АЕА АТ-30 TUNER L1-L2-25 Витков, диам. катушки 45 мм шаг намотки 4 мм отводы от каждого витка по длине 10 витков затем через 2 витка положений дают возможность сделать ЦС только для работы на часть любительских диапазонов - от 1,8 до 7 или от 10 до 28 МГц.

Согласующие устройства
Рис.9

Катушку конструктивно удобно выполнить как показано на рис.10. Каркас ее представляет собой планку из двустороннего стеклотекстолита с пропилами под витки катушки. На этой планке установлен переключатель (например 11П1Н). Отводы от катушки идут к переключателю по обеим сторонам стеклотекстолитовой планки.

Согласующие устройства
Рис.10

При работе с симметричными антеннами совместно с Т-образным согласующим устройством используют симметрирующий трансформатор 1:4 или 1:6 на выходе ЦС. Такое решение нельзя признать эффективным, т.к. многие симметричные антенны имеют большую реактивную составляющую, а трансформаторы на феррите очень плохо работают при реактивной нагрузке. В этом случае необходимо применять меры по компенсации реактивной составляющей или использовать ЦС (рис.3).

П-образная схема согласования

П-образная ЦС (или П-контур), схема которой дана на рис. 11, широко используется в радиолюбительской практике.

Согласующие устройства
Рис.11

В реальных условиях, когда выход передатчика составляет 50...75 Ом, и согласование необходимо производить в широком диапазоне сопротивлений нагрузки, параметры П-контура меняются в десятки раз. Например на 3,5 МГц при Rвх=Rн=75 Ом индуктивность L1 составляет примерно 2 мкГн, a C1, C2 - по 2000 пФ, а при Rвх=75 Ом и RH в несколько килоом индуктивность L1 составляет примерно 20 мкГн, емкость C1 - около 2000 пФ, а C2 - десятки пикофарад. Такие большие разбросы в величинах используемых элементов и ограничивают использование П-контура в качестве ЦС.

Желательно использовать переменную индуктивность. Конденсатор Cl может иметь небольшой зазор, а C2 должен иметь зазор не менее 2 мм на каждые 200 Вт мощности.

Повышение эффективности работы согласующего устройства

Увеличить эффективность работы передатчика, особенно при использовании случайных антенн, помогает устройство, называемое "искусственная земля". Эффективно это устройство при использовании именно случайных антенн и при плохом радиотехническом заземлении. Это устройство доводит до резонансного состояния систему заземления радиостанции (в простейшем случае - кусок провода). Так как параметры земли входят в параметры антенной системы, улучшение эффективности заземления улучшает работу антенны.

Заключение

Согласующее устройство следует использовать не чаще, чем оно действительно нужно. Следует выбрать тот тип СУ, который вам необходим. Например нет смысла изготавливать широкополосное устройство для работы в диапазоне 1,8...30 МГц, если реально у вас не "строятся" антенны на 1...2 диапазона, или на этих диапазонах используются суррогатные антенны. Здесь гораздо эффективнее выполнить на каждый диапазон свое отдельное СУ. Но конечно, если вы используете трансивер с неподстраиваемым выходом, а большинство ваших антенн - суррогатные, то здесь необходимо вседиапазонное СУ.

Все вышеупомянутое относится и к устройству "искусственная земля".

Согласующие устройства
Рис.12

Литература

1. Подгорный И. (EW1MM). ВЧ-заземление/ Радиолюбитель KB и УКВ. - 1995. - №9.
2. Григоров И. (RK3ZK). Согласующее устройство на коаксиальном кабеле/ Радиолюбитель. - 1995. - №7.
3. Подгорный И. (UC2AGL). Антенный тюнер/ Радиолюбитель. -1994.-№2.
4. Подгорный И. (UC2AGL). Антенный тюнер/ Радиолюбитель. -1991.-№1.
5. Григоров И. (UZ3ZK). Универсальное согласующее устройство// Радиолюбитель. - 1993. - №11.
6. Падалко С. (RA6LEW). Антенное коммутационно-согласующее устройство/ Радиолюбитель. - 1991. - №12.
7. Орлов В. (UT5JAM). Вседиапазонное согласующее устройство к LW/ Радиолюбитель. -1992. - №10.
8. Виллемань П. (F9HY). Согласующее устройство для антенн типа LEVY/ /Радиолюбитель. - 1992. - №10.
9. Подгорный И. (EW1MM). Универсальное антенное согласующее устройство/ Радиолюбитель. - 1994. - №8.

Автор: И.Григоров (RK32ZK), г.Белгород; Публикация: Н. Большаков, rf.atnn.ru

Смотрите другие статьи раздела Узлы радиолюбительской техники. Фильтры и согласующие устройства.

Читайте и пишите полезные комментарии к этой статье.

<< Назад

Последние новости науки и техники, новинки электроники:

Питомцы как стимулятор разума 06.10.2025

Помимо эмоциональной поддержки, домашние питомцы могут оказывать заметное воздействие на когнитивные процессы, особенно у пожилых людей. Новое масштабное исследование показало, что общение с кошками и собаками не просто улучшает настроение - оно действительно способствует замедлению возрастного снижения умственных способностей. Работа проводилась в рамках проекта Survey of Health, Ageing and Retirement in Europe (SHARE), охватывающего период с 2004 по 2022 год. В исследовании приняли участие тысячи европейцев старше 50 лет. Анализ показал, что владельцы домашних животных демонстрируют более устойчивые когнитивные функции по сравнению с теми, кто не держит питомцев. Особенно выражен эффект оказался у владельцев кошек и собак. Согласно данным ученых, владельцы собак дольше сохраняют хорошую память, в то время как хозяева кошек медленнее теряют способность к быстрому речевому взаимодействию. Исследователи связывают это с тем, что ежедневное взаимодействие с животными требует внимани ...>>

Мини-ПК ExpertCenter PN54-S1 06.10.2025

Компания ASUSTeK Computer презентовала новый мини-компьютер ASUS ExpertCenter PN54-S1. Устройство ориентировано на пользователей, которым важно сочетание производительности, энергоэффективности и универсальности - от офисных задач до мультимедийных проектов. В основе ExpertCenter PN54-S1 лежит современная аппаратная платформа AMD Hawk Point, использующая архитектуру Zen 4. Это поколение чипов отличается улучшенным управлением энергопотреблением и повышенной вычислительной мощностью. Новинка доступна в конфигурациях с процессорами Ryzen 7260, Ryzen 5220 и Ryzen 5210, представленных AMD в начале 2025 года. Таким образом, устройство охватывает широкий диапазон задач - от базовых офисных до ресурсоемких вычислений. Корпус мини-ПК выполнен из прочного алюминия и имеет размеры 130&#215;130&#215;34 мм, что делает его практически незаметным на рабочем столе или за монитором. Несмотря на компактность, внутренняя компоновка позволяет установить два модуля оперативной памяти SO-DIMM ...>>

Глазные капли, возвращающие молодость зрению 05.10.2025

С возрастом человеческий глаз постепенно теряет способность четко видеть на близком расстоянии - развивается пресбиопия, или возрастная дальнозоркость. Этот естественный процесс связан с утратой эластичности хрусталика и ослаблением цилиарной мышцы, отвечающей за фокусировку. Миллионы людей по всему миру сталкиваются с необходимостью носить очки для чтения или прибегают к хирургическим методам коррекции. Однако исследователи из Центра передовых исследований пресбиопии в Буэнос-Айресе представили решение, которое может стать удобной и неинвазивной альтернативой - специальные глазные капли, способные улучшать зрение на длительный срок. Разработку возглавила Джованна Беноцци, директор Центра. По ее словам, цель исследования состояла в том, чтобы предоставить пациентам с пресбиопией эффективный и безопасный способ коррекции зрения без хирургического вмешательства. Новые капли, созданные на основе пилокарпина и диклофенака, показали убедительные результаты: уже через час после первого пр ...>>

Случайная новость из Архива

Чистый воздух помогает думать 13.11.2015

Низкая производительность труда может быть связана с воздухом, которым нам приходится дышать на работе. И речь не о химическом производстве, а об обычном офисе: во-первых, в помещении увеличивается концентрация углекислого газа, выдыхаемого тем, кто там находится; во-вторых, атмосферу портят разнообразные летучие вещества, которые уходят в воздух с офисной мебели, пластика и т. д. Очевидно, исправить ситуацию можно с помощью вентиляции и озеленения рабочего места.

Исследователи из Гарварда, Университета штата Нью-Йорк и Сиракузского университета попробовали оценить, как зависят умственные способности человека от того, каким воздухом он дышит. В течение шести они дней наблюдали за несколькими добровольцами, которые работали архитекторами, дизайнерами, программистами, менеджерами, инженерами, и которым по работе приходилось постоянно что-то анализировать, взвешивать разные "за" и "против" и принимать решения. Однако работали они эти шесть дней в специальных условиях: кто-то в обычной обстановке с обычным уровнем СО2 и вышеупомянутых летучих органических веществ, кто-то - в офисе с растениями, понижавшими уровень загрязнителей в атмосфере, у кого-то к растениям добавлялась еще и вентиляция, а у кого-то в помещении был повышенный уровень углекислого газа, несмотря на усиленную вентиляцию. Соответственно, когнитивные способности оценивали по девяти параметрам, среди которых были стратегическое планирование, использование и анализ информации, реакция на кризисные обстоятельства.

В статье в Environmental Health Perspectives авторы пишут, что вентиляция и растения примерно вдвое улучшали мыслительные способности, если сравнивать с обычной обстановкой; если же на рабочем месте были только растения, то мыслительные способности повышались на 61% (что тоже не так уж мало). По отдельным же параметрам картина оказалась следующая: реакция на кризисную ситуацию улучшалась на 131% в условиях озеленения и усиленной вентиляции, и на 97% - если только с озеленением; стратегическое мышление улучшалось, соответственно, на 288% и 183%, эффективность использования информации - на 299% и 172%. Отдельного упоминания заслуживает ситуация с углекислым газом: если его концентрацию в воздухе понижали, то семь из девяти когнитивных показателей шли вверх.

Стоит подчеркнуть, что под обычными офисными условиями здесь подразумеваются действительно обычные условия: в эксперименте исследователи использовали концентрации углекислого газа и летучих веществ, характерные для среднестатистического офиса, где мало или почти нет растений и который плохо вентилируется. И тут сам собой возникает риторический вопрос: насколько же можно увеличить производительность труда, если хотя бы просто озеленить собственное рабочее место?

Другие интересные новости:

▪ Игровые мыши Elecom позволяют настраивать разрешение по двум осям независимо

▪ Яблоки полезны для мозга

▪ Пиво на орбите

▪ Создана искусственная поджелудочная железа

▪ Модуль памяти Samsung Compute Express Link (CXL) 512 ГБ

Лента новостей науки и техники, новинок электроники

 

Интересные материалы Бесплатной технической библиотеки:

▪ раздел сайта Параметры радиодеталей. Подборка статей

▪ статья Косилка из электродрели. Чертеж, описание

▪ статья Какое психическое заболевание носит имя Алисы в Стране чудес? Подробный ответ

▪ статья Врач-детский хирург. Должностная инструкция

▪ статья Устройство управления погружным электронасосом. Энциклопедия радиоэлектроники и электротехники

▪ статья Кристаллы металлической меди. Химический опыт

Оставьте свой комментарий к этой статье:

Имя:


E-mail (не обязательно):


Комментарий:




Комментарии к статье:

Владимир
Хорошая статья, пригодилась для настройки усилителя мощности.

Вася
Спасибо автору


Главная страница | Библиотека | Статьи | Карта сайта | Отзывы о сайте

www.diagram.com.ua

www.diagram.com.ua
2000-2025