Menu Home

Бесплатная техническая библиотека для любителей и профессионалов Бесплатная техническая библиотека


Схема твоего приемника. Энциклопедия радиоэлектроники и электротехники

Бесплатная техническая библиотека

Энциклопедия радиоэлектроники и электротехники / Начинающему радиолюбителю

Комментарии к статье Комментарии к статье

Чтобы правильно соединить детали приемника, ты пользовался рисунками. На них катушку, телефоны, детектор и другие детали и соединения ты видел такими, какими они выглядят в натуре. Это очень удобно для начала, пока приходится иметь дело с совсем простыми радиоконструкциями, в которые входит мало деталей. Но если попытаться изобразить таким способом устройство современного приемника, то получилась бы такая "паутина" проводов, в которой невозможно было бы разобраться. Чтобы этого избежать, любой электроприбор или радиоаппарат изображают схематически, т. е. при помощи упрощенного чертежа - схемы. Так делают не только в электро- и радиотехнике. Посмотри, например, на географическую карту. Судоходная могучая красавица Волга со всеми ее грандиозными сооружениям изображена на карте извивающейся змейкой. Такие крупные города, как Москва, Ленинград, Куйбышев, Владивосток и др., показаны всего лишь кружками. Леса, равнины, горы, моря, каналы изображены на географической карте тоже упрощенно - схематически.

Различают два вида схем: принципиальные электрические и монтажные. Принципиальные электрические схемы обычно называют просто принципиальными схемами. На принципиальной схеме условными знаками изображают все детали радиотехнического устройства и порядок их соединения. "Читая" принципиальную схему, как географическую карту или чертеж какого-то механизма, легко разобраться в цепях и работе устройства. Но она не дает представления о размерах и размещении его деталей.

Монтажная схема в отличие от принципиальной показывает, как расположены в конструкции детали и соединительные проводники. Собирая приемник, усилитель или любой другой радиоаппарат или прибор, радиолюбитель располагает детали и проводники примерно так, как на монтажной схеме. Но монтаж и проверку правильности всех соединений производит по принципиальной схеме.

Уметь читать радиосхемы совершенно обязательно для каждого, кто хочет стать радиолюбителем. На рис. 33 ты видишь уже знакомые тебе детали и устройства и некоторые другие, с которыми придется иметь дело в дальнейшем. А рядом в кружках - их символические графические изображения на принципиальных схемах. Любую катушку без сердечника, которым может быть металлический или ферритовых стержень, независимо от ее конструкции и числа витков на схеме изображают в виде волнистой линии. Отводы катушек показывают черточками. Если катушка имеет неподвижный ферритовых сердечник, увеличивающий ее индуктивность, его обозначают жирной линией вдоль всей. катушки. Если таким сердечником настраивают контур приемника, как это было в опытном приемнике, его на схеме обозначают так же, но вместе с катушкой пересекают стрелкой.

Схема твоего приемника
Рис. 33. Условные графические обозначения некоторых радиотехнических деталей и устройств на принципиальных схемах

Любой конденсатор постоянной емкости изображают двумя короткими параллельными линиями, символизирующими две изолированные одна от другой пластины. Конденсаторы переменной емкости изображают так же, как и конденсаторы постоянной емкости, но пересеченными наискось стрелкой, что символизирует переменность емкости этого прибора. Гнезда для подключения провода антенны, головных телефонов или каких-то других устройств или деталей обозначают значками в виде вилки, а зажимы (разборные контакты) - кружками.

Новым для тебя является переключатель. Вместо того чтобы при настройке приемника раскручивать и скручивать проводники, как ты это делал, проводя опыты с первым приемником, выводы и отводы катушки можно соединить с металлическими контактами, размещенными на панели приемника, и в дальнейшем переключение их производить простой перестановкой ползунка переключателя.

Проводники, которыми соединяют детали, обозначают прямыми линиями. Если линии сходятся и в месте их пересечения стоит точка, значит проводники соединены. Отсутствие точки в месте пересечения проводников говорит о том, что они не соединены.

На принципиальных схемах рядом с символическими обозначениями ставят буквы, присвоенные этим деталям или устройствам. Конденсаторам присвоена латинская буква С, резисторам (их раньше называли сопротивлениями) - латинская буква R, катушкам - латинская буква L, головным телефонам - русские буквы Тф, переключателям и выключателям источников тока - буква В, батареям - буква Б, лампам - Л и т. д. Если на схеме несколько конденсаторов, катушек, резисторов или других деталей, то их нумеруют: рядом с буквой ставят цифру, например С1, С2, L1, L2, R1, R2.

На схемах иногда не показывают антенну, заземление, телефоны, ограничиваясь только обозначениями зажимов или гнезд для их подключения. Тогда возле этих зажимов или гнезд ставят соответствующие буквы: АН, Тф. Вот теперь, зная условные обозначения деталей, все варианты детекторного приемника, с которыми ты экспериментировал, можно изобразить их принципиальными схемами.

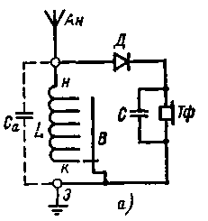
Принципиальная схема первого варианта опытного приемника показана на рис, 34, а. Ты настраивал приемник переключением заземленного проводника. Поэтому в схему введен переключатель В. Вспомни нашу "прогулку" по цепям приемника и соверши ее еще раз, но уже по принципиальной схеме. От начала катушки L ты попадешь к диоду Д и через него - к телефонам Тф, далее через телефоны по заземленному проводнику, переключатель В и витки катушки L - к исходной точке н. Это - детекторная цепь. Для токов высокой частоты путь из антенны в землю проходит через витки катушки и переключатель В. Это - антенный контур. Настройка контура приемника на радиостанции осуществляется переключателем скачкообразным изменением числа витков, включаемых в контур. Параллельно телефонам подключен блокировочный конденсатор С.

Схема твоего приемника Схема твоего приемника Схема твоего приемника
Рис. 34. Принципиальные схемы опытных вариантов детекторного приемника
а-с настройкой переключением отводов катушки;
б - с настройкой конденсатором переменной емкости;
в - с настройкой ферритовым стержнем.

На схеме штриховыми линиями показав еще конденсатор Са В приемнике такой детали не было. Но символизирующая его электрическая емкость присутствовала - она образовывалась антенной н заземлением и как бы подключалась к настраиваемому контуру.

Принципиальная схема второго варианта опытного, приемника показана на рис. 34, б. Его входной настраиваемый контур состоит из катушки L, имеющей один отвод, введенного тобой конденсатора переменной емкости С2 антенного устройства и антенного конденсатора С1. Включение в контур верхней секции катушки соответствует приему радиостанций средневолнового диапазона, а обеих секций - приему радиостанций длинноволнового диапазона. Таким образом, в приемнике переход с одного диапазона на другой осуществляется переключателем В, а плавная настройка в каждом диапазоне - конденсатором переменной емкости С2.

Третьим вариантом был приемник, настраиваемый ферритовым стержнем. Принципиальная схема такого приемника изображена на рис. 34, в. Он, как видишь, однодиапазонный. Для приема радиостанций другого диапазона катушку L надо заменить, что ты и делал при проведения опытов с этим приемником. Для подключения головных телефонов предусмотрены гнезда Тф.

Публикация: Н. Большаков, rf.atnn.ru

Смотрите другие статьи раздела Начинающему радиолюбителю.

Читайте и пишите полезные комментарии к этой статье.

<< Назад

Последние новости науки и техники, новинки электроники:

Оптимальная продолжительность сна 12.11.2025

Сон играет ключевую роль в поддержании здоровья, когнитивных функций и общего самочувствия. Несмотря на широко распространенный стереотип о восьмичасовом сне, последние исследования показывают, что оптимальная продолжительность сна для большинства здоровых взрослых ближе к семи часам. Эволюционный биолог из Гарварда, Дэниел Э. Либерман, утверждает, что традиционная норма восьми часов сна - это скорее культурное наследие индустриальной эпохи, чем биологическая необходимость. По его словам, полевые исследования, проведенные в сообществах, не использующих электричество, показывают, что средняя продолжительность сна составляет 6-7 часов, что значительно отличается от общепринятого стандарта. Современные эпидемиологические данные подтверждают этот взгляд. Исследования выявили так называемую "U-образную кривую" зависимости между продолжительностью сна и рисками для здоровья. Минимальные показатели заболеваемости и смертности наблюдаются именно у людей, спящих около семи часов в сутки. ...>>

Дефицит кислорода усиливает выброс закиси азота 12.11.2025

Парниковые газы играют ключевую роль в изменении климата, а закись азота (N2O) - один из наиболее опасных среди них. Этот газ не только втрое сильнее углекислого газа в удержании тепла, но и разрушает озоновый слой. Недавнее исследование американских ученых показало, что микробы в зонах с низким содержанием кислорода активно производят N2O, усиливая глобальные климатические риски. Команда из Университета Пенсильвании изучала прибрежные воды у Сан-Диего и провела наблюдения на глубинах от 40 до 120 метров в Восточной тропической северной части Тихого океана - одной из крупнейших зон дефицита кислорода. Исследователи сосредоточились на том, как морские микроорганизмы превращают нитраты в закись азота. В ходе работы выяснилось, что существует два пути образования N2O. Один путь начинается с нитрата, другой - с нитрита. На первый взгляд более короткий путь должен быть эффективнее, однако микробы, использующие нитрат, продуцируют больше газа, поскольку этот "сырьевой" источник более д ...>>

Омега-3 помогают молодым кораллам выживать 11.11.2025

Сохранение коралловых рифов становится все более актуальной задачей в условиях глобального изменения климата. Молодые кораллы особенно уязвимы на ранних стадиях развития, когда стрессовые условия и нехватка питательных веществ могут привести к высокой смертности. Недавнее исследование ученых из Технологического университета Сиднея показывает, что специальные пищевые добавки способны существенно повысить выживаемость личинок кораллов. В ходе работы исследователи разработали особый состав "детского питания" для коралловых личинок. В него вошли масла, богатые омега-3 жирными кислотами, а также важные стерины, необходимые для формирования клеточных мембран. Личинки, получавшие эти добавки, развивались быстрее, становились крепче и демонстрировали более высокую устойчивость к стрессовым факторам. Особое внимание ученые уделили липидам. Анализ показал, что личинки активно усваивают эти вещества, что напрямую влияет на их жизнеспособность. Стерины, содержащиеся в корме, повышают устойчи ...>>

Случайная новость из Архива

Улучшение перовскитных солнечных панелей 26.11.2020

Перовскитные солнечные панели постепенно становятся все более интересными и необычными для большинства пользователей и организаций, нуждающихся в альтернативных источниках электричества - более того, именно перовскит в качестве основного композитного материала теперь постепенно обходит по популярности и актуальности более традиционные кремниевые солнечные панели и площадки, несмотря на то, что он все еще отличается чуть более высоким уровнем стоимости для своего создания, а также значительно более медленным процессом оформления.

Команда специалистов по физическому инжинирингу из Стэнфордского Университета представила результаты своего интересного эксперимента, направленного на увеличение скорости и плотности производства перовскитных солнечных панелей - для этого они воспользовались своим новым методом, заключающийся в применении специального спрея, наносимого на первый слой перовскитной панели, а затем загустителя для спрея, наносимого на второй слой панели. При таком комплексном и многослойном подходе удалось увеличить удельную плотность нового формата перовскитного покрытия на 5%, а также увеличить скорость разработки большего количества панелей при сохранении прежней стоимости.

Таким образом, команда специалистов по физическому инжинирингу из Стэнфордского Университета, по сути, предложила концептуально новый способ улучшения и расширения коммерческого и практического подхода использования перовскитных солнечных панелей, при этом не забывая о том, что необходимо также как следует поработать над дополнительным набором свойств и особенностей их.

Пока еще сложно говорить о том, насколько финальным и окончательным является представленный вариант солнечной панели, поскольку специалистам необходимо провести дополнительное количество исследований на этот счет - а с учетом того, что разные форматы и варианты перовскитных солнечных панелей применяются для разных задач, становится понятно, что скорее всего специалисты сосредоточат свое внимание исключительно на каком-то одном формате, ведь в противном случае исследование затянется на неопределенное время.

Другие интересные новости:

▪ Наука гладить кошку

▪ Курение отупляет

▪ Сверхдешевый компьютер на флешке от Dell

▪ Индикатор свежести продуктов

▪ Электрический карьерный самосвал 793 Electric

Лента новостей науки и техники, новинок электроники

 

Интересные материалы Бесплатной технической библиотеки:

▪ раздел сайта Сварочное оборудование. Подборка статей

▪ статья В надежде славы и добра. Крылатое выражение

▪ статья В какой стране зрители выбирали участника реалити-шоу, которому достанется донорская почка? Подробный ответ

▪ статья Остров Шри-Ланка. Чудо природы

▪ статья Электронный пылеуловитель. Энциклопедия радиоэлектроники и электротехники

▪ статья УКВ приставка к приемнику прямого усиления. Энциклопедия радиоэлектроники и электротехники

Оставьте свой комментарий к этой статье:

Имя:


E-mail (не обязательно):


Комментарий:




Комментарии к статье:

Кузнецов Игорь Николаевич
Библиотека прекрасная. Пожелание есть - хорошо бы закачки делать через торрент. [!]


Главная страница | Библиотека | Статьи | Карта сайта | Отзывы о сайте

www.diagram.com.ua

www.diagram.com.ua
2000-2025