Бесплатная техническая библиотека
УМЗЧ. Энциклопедия радиоэлектроники и электротехники

Энциклопедия радиоэлектроники и электротехники / Усилители мощности транзисторные
Комментарии к статье
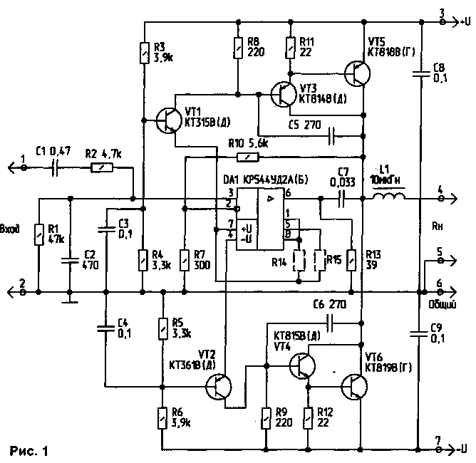
Предлагаемый УМЗЧ (рис.1) построен на базе операционного усилителя КР544УД2.
Параметры УМЗЧ
Рабочий диапазон частот, Гц, не менее 15...30000
Нелинейность амплитудно-частотной характеристики, дБ, не более 2
Номинальная мощность на нагрузке:
- 4 Ом, Вт 40
- 8 Ом, Вт 20
Коэффициент гармоник, при Рном, % не более 0,01
Номинальное входное напряжение, В 0,7
Входное сопротивление, кОм, не менее 47
Выходное сопротивление, Ом, не более 0,03
Относительный уровень шумов и фона, дБ, не более -86
Номинальные напряжения питания, В ±30
Операционный усилитель DA1 питается через транзисторы VT1 и VT2, которые снижают напряжения питания до значений, задаваемых делителями R3, R4 и R5, R6. Напряжения смещения транзисторов VT3, VT4 определяются падением напряжения на резисторах R8, R9. В случае необходимости DA1 может быть отбалансирован при помощи делителя R14, R15.
(нажмите для увеличения)
Ток покоя предоконечных транзисторов VT3, VT4 определяет напряжение смещения на резисторах R11, R12 (0,35...0,4 В), которое при малых уровнях сигналов поддерживает транзисторы VT5, VT6 в закрытом состоянии даже при повышении напряжения питания на 10...15% или перегреве на 60...80°. Резисторы R11, R12 одновременно стабилизируют режим работы предоконечного каскада VT3, VT4, создавая местные отрицательные обратные связи (ООС) по току. Общая ООС по напряжению формируется делителем R7, R10.
Фильтры низких частот R2, С2 и R13, С7 с частотами среза в области 60 кГц предотвращают самовозбуждение усилителя на высоких частотах. Конденсаторы С5, С6 корректируют фазочастотную характеристику предоконечного и оконечного каскадов. Катушка L1 повышает стабильность работы усилителя при работе на нагрузку, обладающую повышенной реактивностью.
Сборка и монтаж. При сборке конструкции необходимо пользоваться паяльником с хорошей изоляцией и мощностью не более 40 Вт. Чертеж печатной платы УМЗЧ приведен на рис.2, а сборочный чертеж - на рис.3.
Порядок сборки следующий: перемычка S1, резисторы, конденсаторы, катушка L1, операционный усилитель (DA1), транзисторы VT1...VT4, после предварительной регулировки - транзисторы VT5, VT6. Бескаркасная катушка L1 содержит 10 витков любого медного обмоточного провода диаметром 1...2 мм. Ее наматывают на временной оправке диаметром 4...6 мм, например на тонкой шариковой ручке или карандаше.
С целью минимизации нелинейных искажений транзисторы VT3...VT6 должны подключаться к печатной плате проводниками длиной не более 50 мм.
Оптимальная конструкция УМЗЧ приведена на рис.3. С помощью двух уголков плату привинчивают к теплоотводу, а транзисторы впаивают непосредственно в плату. Удобнее всего это делать в следующей последовательности:
- разметьте теплоотвод, просверлите необходимые отверстия и нарежьте в них резьбу М3. Конструкция теплоотвода может быть произвольной, однако площадь его поверхности для максимальной выходной мощности 60 Вт должна быть не менее 500 см2;
- привинтите плату к теплоотводу;
- установите транзисторы VT3, VT4 в соответствующие отверстия платы, после чего привинтите их к теплоотводу, а затем припаяйте их;
- после предварительной регулировки аналогично смонтируйте транзисторы VT5, VT6;
- после этого припаяйте провода для подключения питания и нагрузки сечением не менее 0,5 мм2.
Наладка. Для наладки усилителя необходимы осциллограф, низкочастотный генератор, тестер, эквивалент нагрузки и биполярный источник питания с выходным напряжением ±30 В при токе нагрузки не менее 4 А.

Высокая стабильность УМЗЧ позволяет питать его от простейшего нестабилизированного источника питания. Питание на усилитель при его регулировке и эксплуатации подают через предохранители на 5 А. Регулировку начинают при отключенных транзисторах VT5, VT6 и закороченном входе (точки 1 и 2 соединены).
К выходу УМЗЧ без нагрузки подключите осциллограф в режиме максимальной чувствительности и кратковременно подайте питание. Если на выходе нет переменного напряжения, т.е. усилитель не возбуждается, замерьте режимы работы VT3, VT4; напряжения на выводах 7 и 4 DA1. Они должны быть в пределах 13,4...14 В и отличаться между собой не более чем на 0,3 В. Падения напряжения на резисторах R11, R12 должны быть в пределах 0,35...0,4 В. Если они отличаются больше чем на 10%, необходимо подобрать резисторы R8, R9. При этом их новые значения по-прежнему должны быть примерно равны между собой.
В случае самовозбуждения усилителя следует увеличить емкости конденсаторов С5, С6, либо, разрезав до-рожку, соединяющую выводы 1 и 8
DA1 подпаять к ним конденсатор типа КМ-5 емкостью 5...10 пФ.
Измерьте постоянное напряжение на выходе и, если оно превышает 30 мВ, отбалансируйте DA1. Для этого впаяйте переменный резистор сопротивлением 100...200 кОм вместо резисторов R14 и R15 (средним выводом в точку их соединения с выводом 7 DA1). Вращением оси этого резистора добейтесь нужного значения выходного напряжения, замерьте полученные величины сопротивлений и впаяйте соответствующие постоянные резисторы R14 и R15. Нежелательно использовать в качестве балансировочного подстроечный резистор - вследствие старения этого резистора возможно нарушение балансировки усилителя в процессе его эксплуатации.
Установите на теплоотвод и на плату транзисторы VT5, VT6. Кратковременно подав питание, убедитесь, что УМЗЧ не возбуждается.
Подключите к выходу УМЗЧ резистор сопротивлением 16 Ом мощностью 10...15 Вт, и подайте от генератора на вход (точки 1 и 2 разъедините) сигнал с уровнем 0,05 В частотой 1 кГц.
Проверьте симметричность ограничения обеих полуволн синусоиды.
При необходимости, окончательной балансировкой DA1 добейтесь минимального постоянного напряжения на выходе УМЗЧ.
Подключите номинальную нагрузку - резистор сопротивлением 4...8 Ом мощностью не менее 50 Вт (например реостат) - и еще раз измерьте основные характеристики УМЗЧ.
После окончательной регулировки подключите источник музыкального сигнала и реальную акустическую систему.
Для работы усилителя мощности от источников сигнала со стандартным линейным выходом 250 мВ (магнитофон, проигрыватель и т.п.) следует использовать предварительный усилитель с возможностью регулировки громкости и тембра.
Если источник входного сигнала собран по схеме с однополярным питанием, при включении усилителя могут прослушиваться "щелчки" в акустических системах. Для устранения этого явления можно собрать схему задержки подключения акустической системы и защиты динамиков от короткого замыкания, например по схемам, приведенным в [1...3].
Литература
- Радио, 1990, №8. с.63
- Радио, 1991, №1, с.59
- Радио, 1992, №4, с.37
Автор: А.Фефелов, г.Белокуриха; Публикация: Н. Большаков, rf.atnn.ru
Смотрите другие статьи раздела Усилители мощности транзисторные.
Читайте и пишите полезные комментарии к этой статье.
<< Назад
Последние новости науки и техники, новинки электроники:
Хорошо управляемые луга могут компенсировать выбросы от скота
15.02.2026
Животноводство, особенно разведение крупного рогатого скота, часто обвиняют в значительном вкладе в глобальное потепление из-за мощного парникового газа - метана, который выделяется при пищеварении у жвачных животных. Это вызывает острые политические споры и призывы к сокращению потребления мяса. Однако ученые напоминают, что полная картина климатического воздействия отрасли не ограничивается только выбросами от животных: огромную роль играет окружающая экосистема - пастбища, почва и растительность, которые способны активно поглощать углекислый газ из атмосферы.
Исследователи из Университета Небраски-Линкольна решили глубже изучить этот баланс. Группа под руководством профессора Галена Эриксона сосредоточилась на том, как правильно организованные пастбища накапливают углерод в растениях и грунте благодаря естественным процессам, стимулируемым выпасом скота. Ученые подчеркивают, что при достаточном уровне осадков и грамотном управлении такие луга превращаются в мощные природные погло ...>>
NASA тестирует инновационную технологию крыла
15.02.2026
Коммерческая авиация ежегодно расходует колоссальные объемы керосина, что сказывается не только на бюджете авиакомпаний, но и на состоянии окружающей среды. В 2024 году глобальные затраты на авиационное топливо достигли 291 миллиарда долларов, и эта сумма продолжает расти. Чтобы справиться с этими вызовами, NASA активно работает над технологиями, способными заметно повысить аэродинамическую эффективность самолетов. Одним из самых перспективных направлений стало создание специальной конструкции крыла, которая максимизирует естественный ламинарный поток воздуха и минимизирует сопротивление.
В январе 2026 года специалисты NASA Armstrong Flight Research Center успешно провели важный этап наземных испытаний концепции Crossflow Attenuated Natural Laminar Flow (CATNLF). Для эксперимента под фюзеляж исследовательского самолета F-15B закрепили вертикально ориентированную масштабную модель высотой около 0,9 м (3 фута), напоминающую узкий киль. Такая компоновка позволила подвергнуть прототип р ...>>
Забота о внуках очень полезна для здоровья мозга
14.02.2026
Общение между поколениями приносит радость всей семье, но мало кто задумывается, насколько активно бабушки и дедушки, заботящиеся о внуках, поддерживают свою умственную форму. Регулярное взаимодействие с детьми стимулирует мозг пожилых людей, помогая сохранять память, скорость мышления и общую когнитивную активность.
Новые научные данные подтверждают, что такая добровольная помощь не только важна для общества, но и может замедлять возрастные изменения в мозге.
Исследователи из Тилбургского университета в Нидерландах провели анализ, чтобы понять, приносит ли уход за внуками реальную пользу здоровью пожилых людей. Ведущий автор работы Флавия Черечес отметила, что многие бабушки и дедушки регулярно присматривают за детьми, и оставался открытым вопрос, насколько это положительно сказывается на их собственном благополучии, особенно в плане когнитивных функций.
Ученые поставили цель выяснить, способен ли регулярный уход за внуками замедлить снижение памяти и других умственных способ ...>>
Случайная новость из Архива Секрет крепких зубов бобра
21.02.2015
Пугающий звук бормашины известен практически всем. В отличие от акул, у которых зубы обновляются в течение всей их рыбьей жизни, у человека и большинства млекопитающих они меняются только один раз - с молочных на коренные. Хотя вот у грызунов зубы растут всю жизнь. Связано это с тем, что, как бы банально это не звучало, но грызуны грызут, чем и стачивают равномерно свои зубы. Чтобы эти животные не остались без основного инструмента к существованию, природа дала им механизм постоянного роста зубов, компенсирующий истирание. Но что делать тем, кому зубы даются один раз и на всю жизнь? Исследователи с факультета материаловедения и инженерии Северо-Западного университета определили, какие элементы повышают стойкость зубной эмали и выяснили, почему бобры могут расправляться с деревьями не хуже бензопилы.
Зубная эмаль - самая твердая ткань в нашем организме. Основу ее составляют тонкие длинные нити из гидроксиапатита. Толщина одной такой нити всего лишь 50 нанометров, а длина в тысячу раз больше. Для наглядности, если бы у березы высота была в тысячу раз больше диаметра ствола, то дерево имело бы высоту порядка километра. Тысячи таких нитей объединяются в пучки, но все равное еще очень тонкие - в двадцать раз тоньше волоса. Эти пучки располагаются в определенном направлении, образуя нечто вроде армирующего каркаса зубной эмали, а пространство между ними заполняется кристаллическим гидроксиапатитом.
Гидроксиапатит - это минерал, содержащий ионы кальция, фосфат и гидроксил ионы. И хотя эмаль практически полностью состоит из минеральной основы, даже очень маленькие количества других ионов могут сильно менять ее свойства. Например, если часть кальция, пусть даже самую малую, заменят ионы магния, эмаль станет больше подвержена действию кислот. Попросту говоря, она будет быстрее растворяться. Тот же эффект вызовет замена фосфат-ионов на карбонат. А вот если фосфат-ионы заменят ионы фтора - эмаль заметно улучшит свои свойства. Именно по этому в состав зубной пасты входят фторсодержащие вещества.
Откуда во рту берется кислота, которая так губительно действует на зубы и почему вредно есть сладкое, хотя оно совсем не кислое? Дело в том, что во рту живут бактерии, и хоть для организма они и не представляют угрозы, но навредить зубной эмали могут. Остатки сахара служат пищей для этих бактерий. Все было бы хорошо, если бы эти самые микроорганизмы не перерабатывали сахар в молочную кислоту, тем самым повышая кислотность среды. Чем более кислая среда - тем быстрее будет разрушаться зубная эмаль. Да-да, тот самый кислотно-основной баланс. Бобры сладким, насколько известно, не злоупотребляют, однако природа все равно наградила их дополнительным механизмом, который делает их зубы крепче. Все суть заключается в тех самых ионах, которые меняют свойства эмали.
Исследователи взяли образцы эмали зубов мыши, кролика, крысы и бобра и подвергли их тщательному анализу на сложнейшем оборудовании. Они буквально атом за атомом изучили строение нитей, из которых состоит эмаль, и выяснили интересную вещь. Оказывается, что на прочность и сопротивляемость действию кислот главным образом влияет аморфное вещество, которое содержит минералы, богатые железом или магнием. Несмотря на то, что доля такого вещества крайне мала, оно кардинально меняет защитные свойства эмали. Например, эмаль с зубов бобра оказалась в шесть раз более устойчива к кислоте, чем зубная эмаль кролика. Все это за счет соединений железа, в основном ферригидрита. Он придает не только химическую стойкость, но и повышает механическую прочность зубной эмали. Можно сказать что да, у бобра действительно железные зубы!
Однако, почему же еще не сделали зубную пасту с железосодержащими минералами? Пусть нам не нужно грызть осиновые ветки, но сократить посещения стоматологов было бы весьма приятно. Если вы посмотрите на зубы бобра, то увидите, что они далеко не белые - желтого, или даже коричневого цвета. Это абсолютно здоровые крепкие зубы, а цвет им придают как раз соединения железа. С человеческой точки зрения не очень эстетично, но бобры, кажется, не очень переживают по этому поводу.
|
Другие интересные новости:
▪ Микросхемы Aquantia Multi-Gig Ethernet для самоуправляемых автомобилей
▪ Модуль инфракрасных светодиодов Lextar PR88
▪ SONY представила пишущий DVD-проигрыватель с доступом в Интернет
▪ Литиевые батарейки Fanso для эксплуатации во взрывоопасных зонах
▪ Глушилка мобильников
Лента новостей науки и техники, новинок электроники
Интересные материалы Бесплатной технической библиотеки:
▪ раздел сайта Радиоэлектроника и электротехника. Подборка статей
▪ статья Сравнительная анатомия. История и суть научного открытия
▪ статья Какие рыбы сбивают насекомых плевками? Подробный ответ
▪ статья Кайюпутовое дерево. Легенды, выращивание, способы применения
▪ статья Транзисторный конвертер на 144 МГц. Энциклопедия радиоэлектроники и электротехники
▪ статья Источник питания с плавным изменением полярности, +12/-12 вольт. Энциклопедия радиоэлектроники и электротехники
Оставьте свой комментарий к этой статье:
Главная страница | Библиотека | Статьи | Карта сайта | Отзывы о сайте

www.diagram.com.ua
2000-2026