Menu Home

Бесплатная техническая библиотека для любителей и профессионалов Бесплатная техническая библиотека


Еще раз об Урал 84М. Энциклопедия радиоэлектроники и электротехники

Бесплатная техническая библиотека

Энциклопедия радиоэлектроники и электротехники / Гражданская радиосвязь

Комментарии к статье Комментарии к статье

После неоднократного повторения трансивера "Урал 84М" пришлось немного видоизменить некоторые его узлы. Улучшилось качество работы трансивера, его надежность и облегчилась настройка.

1. Блок питания

Блок питания, предложенный автором "Урал 84м", не повторялся, т.к. я не вижу смысла использования ВЧ и СВЧ транзисторов в этом узле. Использую два раздельных источника для получения +12 В и +40 В. Стабилизатор +12 В проще всего выполнить на МС КРЕН8Б. Стабилизатор +40 В выполнен по схеме, показанной на рис. 1. Он не боится коротких замыканий в нагрузке и очень удобен тем, что регулирующий транзистор непосредственно без изолирующих прокладок крепится к шасси.

Еще раз об Урал 84М
Рис.1 (нажмите для увеличения)

f срезаL1.2С1.3С2Диам. провода
32МГц6912201.8
22.5МГц81003001.3
15МГц101804701,2

Некоторые радиолюбители жалуются на фон переменного тока, который возникает от наводки силового трансформатора на ТОТ13. Этого дефекта легко избежать, применив в силовом трансформаторе сердечник на ТОРе. Немного худшими параметрами обладают сердечники типа ПЛ, а самые плохие результаты дают сердечники, собранные из Ш-образных пластин.

Практически можно применять трансформаторы любого типа, но не нужно забывать, что в связи с нашей "экономной экономикой" обычно при промышленной намотке экономится провод и не доматывается сетевая обмотка. Из-за этого растет ток холостого хода и увеличивается поле рассеяния трансформатора. Растет и наводка на ТОТ13. Качество сетевой обмотки легко проверить измерив ток холостого хода. Приемлемым считается ток трансформатора габаритной мощностью 60...90 Вт в пределах 10 мА. Если он больше, доматывается сетевая обмотка. Иногда немного уменьшить фон удается с помощью экранировки жестью.

2. Выходной каскад

Часто слышу в эфире жалобы и нарекания по поводу ненадежности выходного каскада на КП904. В большинстве случаев это происходит из-за неаккуратного и неграмотного обращения с этим транзистором. Не нужно забывать, что это не лампа и по "покраснению анода" (как это делают некоторые НАМы) подобрать П-контур не удастся.

Чаще всего транзистор пробивается статикой, которая наводится в антенне во время грозы, или зимой, когда идет снег. Чтобы избавиться от этой неприятности, нужно сделать антенный коммутатор, в котором неработающие антенны заземлены и вход трансивера заземлен через дроссель индуктивностью не менее 500 мкГн. Полезно и в самом трансивере антенное гнездо заземлить через подобный дроссель. По затвору транзистор выходит из строя из-за возбуждения драйвера. Не нужно стараться "выкачать" максимальное напряжение с драйвера. Здесь лучше ограничиться напряжением на выходе драйвера 7...10 В эфф., но добиться устойчивой его работы и подъема АЧХ на ВЧ диапазонах. Для этого подбираются С15, R14 в узле А2. Работа будет более устойчивой если в качестве VT4 применить КТ922А Вместо "бинокля" L3,4 я применяю трансформатор с объемным витком. Кольца-1000 НН (НМ) К10х6х3; L3 - 12 витков диаметром 0,3...05 мм; L4 - 6 витков диаметром 0,5...0,6 мм.

Вместо T1 можно установить трансформатор на кольце 1000HH(HM) K10x6x3 L2-7 витков в два провода диаметром 0,3...0,35 мм; L1 -5 витков диаметром 0,5...0,6 мм. Если все же драйвер склонен к возбуждению, можно ограничить ВЧ напряжение в затворе КП904, установив на корпус цепочку из последовательно включенных высокочастотных диодов (КД503; КД514 и тд.) и стабилитрона на напряжение 10В. Выходной каскад на КП904А надежно работает при напряжении литания 38 В с выходной мощностью 25...30 Вт. В таком режиме он выдерживает практически любой КСВ и обрывы нагрузки. Не нужно огорчаться, если нет возможности найти кольцо 300 НН в выходной каскад.

Можно применить кольцо другой проницаемости диаметром не менее 20 мм, потребуется только подобрать количество витков для выравнивания АЧХ. Например, на кольце 1000 НН (НМ) достаточно скруткой (один виток на 5...7 мм) из шести проводов ПЭВ 0,35 мм намотать 5 витков. L7 и L8 нужно получить разделив скрутку на две обмотки по три провода. Можно в качестве этого трансформатора применить "бинокль" из колец 2000...1000НН (НМ) К10х6хЗ, в каждом столбике - по 4...5 колен. Обмотка в цепи нагрузки имеет 3...4 витка, трубка - в цепи стока. И еще раз повторю, что не следует ожидать от транзисторного выходного каскада такой же надежности, как у лампового. 3.ГПД При повторении трансивера в этом узле использовались самые различные варианты - от ГПД с делением частоты на базе блока от P107M до варианта от трансивера "Роса". Какой-либо заметной разницы в качестве работы трансивера не замечено. Умножение частоты в ГПД не применялось. Здесь следует обратить внимание на то, что для того чтобы получить идеальную синусоиду на выходе ГПД, нужно снимать сигнал не с какого-либо электрода транзистора задающего генератора, а непосредственно через емкость с контура генератора. В этом случае в качестве буферного каскада нужно использовать полевой транзистор. Для того чтобы уменьшить начальный выбег частоты при переходе с диапазона на диапазон, нужно использовать минимально возможный ток через транзистор задающего генератора.

Действенной мерой для уменьшения начального выбега частоты оказалось использование радиатора для транзисторов задающих генераторов. Для этих целей использовалась боковая стенка блока ГПД из алюминия толщиной 5 мм, в ней высверливались углубления, куда туго вдавливаются колпачки транзисторов задающих генераторов, с которых предварительно сдиралась краска, Колпачки транзисторов для лучшей теплоотдачи можно смазать термопроводящей смазкой. В таком исполнении ГПД выбег частоты наблюдается только в первые 2...3 минуты.

Еще раз об Урал 84М
Рис.2 (нажмите для увеличения). Реле К1 К5 РЭС49 РЭК23. КПЕ - трехсекционный, от Р105Д,
L1, L2 - керамические ребристые каркасы, установленные внутри КПЕ,
L1 - 9 витков. L2 - 7 витков посеребренного провода диам. 0.8 мм.
L3 - керамический каркас диам.14 мм. 32 витка провода ПЭЛ диам 0.44-0.5 мм

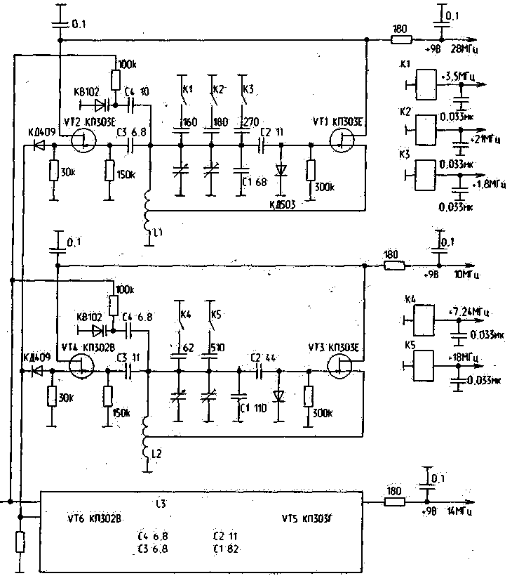
Привожу данные одного из вариантов ГПД (рис.2), на мой взгляд, с неплохими параметрами. Здесь используется трехсекционный КПЕ от радиостанции Р105Д с теми же катушками, которые установлены внутри КПЕ. Возможно использование трехсекционного КПЕ от вещательных приемников, следует только проредить секции, чтобы максимальная емкость составляла не более 50 пФ. Для получения требуемых частот девяти диапазонов с помощью реле подключаются дополнительные конденсаторы. Применение контактов реле в частотозадающих цепях практически стабильность не ухудшило. Одна секция КПЕ используется для построения генератора 20 м диапазона. Вторая секция объединяет "узкие" диапазоны -10, 7,24,18 МГц, третья секция используется для генератора "широких" диапазонов - 28; 3,5; 21:1,8 МГц. Это разделение конечно условно, но при таком раскладе уменьшается"лишнее" перекрытие по частоте.

Предлагаю вариант введения дополнительных диапазонов в уже работающий трансивер. Для получения требуемых частот в ГПД устанавливают реле (РЭС49; РЭС55), которые подключают дополнительные конденсаторы новых диапазонов. Здесь следует отметить, что для наименьшего влияния контактов реле на стабильность генераторов следует коммутировать "холодные" выводы конденсаторов. Дополнительные полосовые фильтры и выходные П-фильтры можно не делать. Все диапазоны можно обеспечить, используя ту же плату А2 и П-фильтров выходного каскада на 6 диапазонов.

Еще раз об Урал 84М
Рис.3 (нажмите для увеличения)

Еще раз об Урал 84М
Рис.4

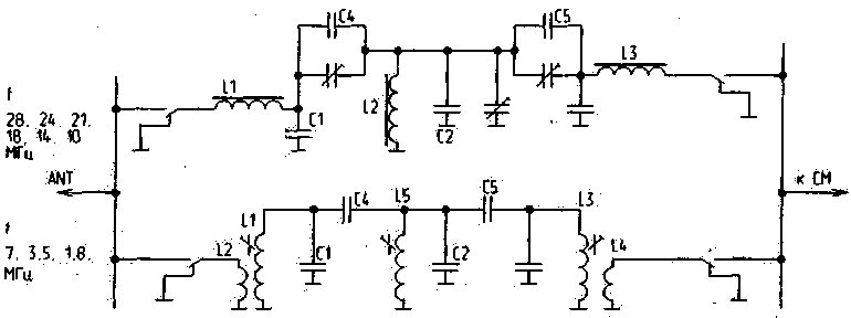
Для получения дополнительных диапазонов расширяются полосы пропускания полосовых фильтров (рис. 3-4). Теперь "полосовик" 28 МГц диапазона пропускает частоты 24 МГц диапазона, следующий - частоты 21 и 18 МГц диапазонов, третий - частоты 14 и 10 МГц диапазонов. Данные фильтров заимствованы из книги Рэда "Высокочастотная схемотехника...". Но так как наша промышленность не выпускает колец, аналогичных по параметрам приведенным в книге, пришлось искать подходящую замену. После многочисленных экспериментов приемлемый вариант был получен при использовании половинок сердечников СБ9А и СБ12А. Половинка сердечника используется как кольцо, без всяких переделок. При отсутствии измерителя емкости желательно устанавливать подстроечные емкости, как показано на схеме ДПФ. В табл. 1, 2 даны количество витков и емкости в пФ без "подстроечников".

Таблица 1

МГцL1L2L3С1С2C3С4С5ZQ
23..3091194040411313Z6
18...221111113918411010Z5
9.7...14.81212127056793939Z4


Таблица 2

ML1L2L3L4L5С1С2C3С4С5Диаметр
провода
L1-4/L5
160S5855945680120068047470,18/0,22
804074073043082043039390,22/0,3
402232241727056027018180,44/0,56

По своему качеству фильтры имеют хорошие параметры. По затуханию в полосе прозрачности они аналогичны двухконтурным фильтрам на сердечниках диаметром 12 мм. Исходные полосовики имеют затухание в полосе прозрачности на 3 дБ больше. В табл.2 даны уточненные данные полосовых фильтров низкочастотных диапазонов. П-фильтры "верхних" диапазонов также переделываются. В авторском варианте они имеют Чебышевосую характеристику, поэтому "заваливают" новые диапазоны. Фильтры переделываются на двухзвенные с Батервортовской характеристикой. В сравнении с авторскими они обеспечивают больше затухания за полосой пропускания.

4. Плата А6

Неоднократные попытки улучшить параметры трансивера простой заменой диодов в смесителе на какие-либо "супердиоды" положительных результатов не дали. В смесителе были опробованы самые различные диоды - КД512, КД514, АА112, АД516, КД522, КД503,КД922,Д18,Д9 и т.д.

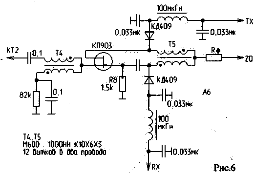
Ухудшение чувствительности и динамического диапазона наблюдалось только когда с кремниевых диодов переходили на германиевые. Чувствительность при различных диодах колебалась в пределах 0,4...0,5 мкВ. Интермодуляционная помеха второго порядка D3=-86...91дБ. Измерения проводились прибором и методикой, предложенной UY5DJ, в диапазоне 20 м. Лучшие параметры получаются при использовании подобранных диодов (КД922) и тщательно, симметрично выполненных трансформаторов. Попытки сбалансировать смеситель с помощью введения подстроечных конденсаторов, включенных в какое-либо плечо моста, улучшения качества работы смесителя не дают. Балансировка достигается, но только на какой-либо определенной частоте. При переходе на другой диапазон эти конденсаторы еще более разбалансируют смеситель и ухудшают его параметры. Хорошие параметры получаются при использовании обычных КД503, подобранных хотя бы тестером по прямому и обратному сопротивлениям. На рис.6 показано включение "диплексера" на КП903 с дополнительным согласующим трансформатором Т4. В таком варианте включения увеличивается коэффициент передачи этого каскада как на прием, так и на передачу.

Еще раз об Урал 84М

Для качественной работы каскодного усилителя на КП312...КП303 требуется подбор этих транзисторов по крутизне. Они должны быть примерно равны по этому параметру. Многие радиолюбители пытаются заменить К224УР4 на якобы менее шумящую другого типа. На мой взгляд, нет никакого смысла этого делать, т.к. предельную чувствительность должен определять первый каскад приемника, т.е. в нашем случае - первый смеситель, а чувствительность УПЧ - его первый каскад. Не нужно добиваться максимально возможного коэффициента усиления от этой МС, здесь чувствительность трансивера нужно "искать" на первых каскадах. Эксперименты с использованием ИС различных годов выпуска 2УС248 и 224УР4 (они абсолютно идентичны) показали их равноценность по Кш и Ку. Целесообразно уменьшить полосу пропускания МС. Для этого с 3-го вывода МС на корпус устанавливается конденсатор емкостью 68...100пФ. Не нужно увеличивать напряжение питания этой МС более 9В.

Ощутимо повысить Кус. усилителя низкой частоты можно, включив С1 как показано на рис.7.

Для качественной работы АРУ нужно использовать КП303Е усилителя АРУ с минимальной крутизной. Для того чтобы выбрать транзистор с требуемой крутизной, я пользуюсь простейшим сравнительным измерением. Через

Еще раз об Урал 84М

Через миллиамперметр (тестер) подаю положительное напряжение 10... 12 В на сток измеряемого транзистора, а "минус" - на соединенные вместе затвор и исток. Зависимость прямо пропорциональная - транзисторы с большим током имеют большую крутизну н наоборот.

5. Плата А4

Здесь следует увеличить номиналы резисторов R12 н R6 до 47...56К. Тем самым уменьшается ток через варикапы и мы избавляемся от постоянного разбаланса модулятора. Можно поднять амплитуду опорного генератора на модулятор, сделав каскад на VT3 резонансным. Для этого в L2 используется дроссель на 1...5 мкГн, который в резонанс настраивается конденсатором С1 как показано на рис.8.

Еще раз об Урал 84М

6. Плата А7

Иногда не запускается стабилизатор +9В. Для более устойчивой работы нужно установить резистор R1, как показано на рис.9.

Еще раз об Урал 84М

Нужно еще заметить, что качественная работа плат А6 и А4 возможна, когда со стороны установки деталей оставлена фольга, используемая как общий провод.

Сравнение работы на прием таких "аппаратов" как RA3AO, Урал 84М, UA1FA ("Я строю KB станцию"), приемника "Катран", UW3DI показало, что на НЧ диапазонах при максимальных уровнях помех "Урал 84М" уступает лишь трансиверу RA3AO. Любителям "вытягивания" слабых телеграфных сигналов на ВЧ диапазонах, особенно если в качестве антенны используются случайные "веревки", больше подойдет приемник "Катран". Но это преимущество заметно только при условии, если диапазон "тихий". Во время соревнований лучше пользоваться трансиверами RA3AO и "Урал 84М".

Автор: А.Тарасов (UT2FW), Одесская обл., г. Рени; Публикация: Н. Большаков, rf.atnn.ru

Смотрите другие статьи раздела Гражданская радиосвязь.

Читайте и пишите полезные комментарии к этой статье.

<< Назад

Последние новости науки и техники, новинки электроники:

Власть является ключевым фактором счастья в отношениях 11.03.2026

Исследования семейных и романтических отношений показывают, что длительное счастье пары зависит не только от привычных факторов, таких как доверие, уважение и преданность, но и от более тонких психологических аспектов. Современные ученые ищут закономерности, которые отличают действительно счастливые пары от остальных, чтобы понять, какие механизмы поддерживают гармонию в отношениях. Группа исследователей из Университета Мартина Лютера в Галле-Виттенберге и Бамбергского университета провела опрос среди 181 пары, которые состояли в совместных отношениях более восьми лет и прожили вместе хотя бы месяц. Участники заполняли анкету, описывая различные аспекты своих отношений, включая распределение обязанностей, эмоциональную поддержку и степень вовлеченности в совместные решения. Анализ данных показал интересный паттерн: пары, где оба партнера ощущали высокий уровень личной власти, оказывались наиболее счастливыми и удовлетворенными. В данном контексте под властью понимается способност ...>>

Защищенная колонка-повербанк Anker Soundcore Boom Go 3i 11.03.2026

Компания Anker представила новую модель линейки Soundcore - колонку Soundcore Boom Go 3i, ориентированную на активное использование на улице. Новинка отличается высокой степенью защиты: корпус соответствует стандарту IP68, что обеспечивает водо- и пыленепроницаемость, а ударопрочный дизайн выдерживает падение с высоты до одного метра. За качество звука отвечает 15-ваттный драйвер, обеспечивающий пик громкости до 92 дБ, а технология BassUp 2.0 усиливает низкие частоты, делая звучание более насыщенным. Колонка обладает автономностью до 24 часов, а LED-индикатор позволяет контролировать уровень заряда батареи. Кроме того, Soundcore Boom Go 3i может выполнять функцию павербанка: согласно внутренним тестам, устройство способно зарядить iPhone 17 с нуля до 40% за один час, что делает его полезным аксессуаром в походах и поездках. Среди функциональных особенностей модели стоит выделить технологию Auracast, которая улучшает подключение и позволяет создавать стереопару из двух колонок ...>>

Раннее воздержание от алкоголя перестраивает мозг и иммунитет 10.03.2026

Алкогольная зависимость - хроническое расстройство с компульсивным употреблением спиртного, которое влияет не только на поведение, но и на функционирование мозга и иммунной системы. Недавние исследования показали, что даже на ранних этапах воздержания организм начинает перестраиваться, открывая новые возможности для терапии зависимости. Ученые сосредоточились на пациентах, находящихся в первые недели абстиненции, и зафиксировали значительные изменения в мозговой активности. С помощью функциональной магнитно-резонансной томографии они выявили перестройку сетей нейронных связей, отвечающих за контроль импульсов и принятие решений. Эти изменения могут быть ключевыми для восстановления самоконтроля и снижения риска рецидива. Одновременно с нейронной перестройкой исследователи наблюдали колебания иммунной системы. В крови повышался уровень цитокинов - сигнальных белков, регулирующих воспалительные процессы. Эти данные свидетельствуют о существовании нейроиммунного взаимодействия, при ...>>

Случайная новость из Архива

Марс меняет структуру околоземных астероидов 27.11.2013

Долгое время астрономы не могли ответить на вопрос: почему цвет поверхности большинства астероидов сдвинут в красную область спектра и отличается от остатков астероидов, которые рухнули на Землю?

В 2010 году профессор планетарных наук в Массачусетском технологическом институте Ричард Бинзел выдвинул гипотезу, объясняющую это явление. Бинзен считает, что астероиды, которые вращаются в поясе астероидов между Марсом и Юпитером, подвергаются воздействию космического излучения, которое меняет химический состав поверхности и заставляет ее краснеть. В свою очередь, астероиды, которые приближаются к Земле, попадают под воздействие гравитации Земли и сотрясаются, в результате чего зерна грунта на поверхности астероида сдвигаются и обнажают более "свежие" породы. Когда эти астероиды подходят слишком близко к нашей планете, они разрушаются и падают на поверхность Земли. Таким образом, перед учеными предстают два типа астероидов: облученные "красные" старожилы космоса, и метеориты, попавшие к нам из астероидов, переживших "омолаживающее" сотрясение.

С 2010 года ученые считали, что близкие контакты с Землей играют ключевую роль в "омоложении" астероидов. Но теперь Бинзел и его коллега Франческа Де Мео обнаружили, что поверхность астероидов может меняться и под воздействием Марса. Команда ученых рассчитала орбиты 60 "обновленных" астероидов и обнаружила, что 10% из них никогда не пересекают орбиту Земли. Вместо этого они сближаются с Марсом, который, судя по всему, и "освежает" поверхность астероидов.

На первый взгляд, Марс не способен оказывать такое сильное воздействие на астероиды, ведь диаметр Марса составляет 0,53 диаметра Земли, а масса - 10,7% массы Земли. Следовательно, Марс оказывает гораздо более слабое гравитационное воздействие на окружающие небесные тела. Тем не менее, Марс занимает уникальное положение в Солнечной системе. Он находится в непосредственной близости от Пояса астероидов, что увеличивает шансы "перехвата" астероидов.

Ученые подозревали, что Марс может иметь отношение к изменению поверхности астероидов, и поэтому решили обратиться к базе данных Minor Planet Center Международного астрономического союза. База данных в настоящее время содержит данные наблюдений 300 000 астероидов и их орбит, причем 10 000 из них считаются околоземными астероидов.

Другие интересные новости:

▪ Обнаружена новая стабильная форма плутония

▪ Деревья помогают с городской жарой

▪ Новый литографический процесс для выращивания полупроводниковых кристаллов

▪ Сверхкомпактный светодиод

▪ Нейронный шум помогает учиться

Лента новостей науки и техники, новинок электроники

 

Интересные материалы Бесплатной технической библиотеки:

▪ раздел сайта Электромонтажные работы. Подборка статей

▪ статья Над схваткой. Крылатое выражение

▪ статья Когда появилась драма? Подробный ответ

▪ статья Асфальтобетонщик-варильщик. Типовая инструкция по охране труда

▪ статья Подготовительные работы перед монтажом электропроводок. Разметочные работы. Энциклопедия радиоэлектроники и электротехники

▪ статья Возможные неисправности. Энциклопедия радиоэлектроники и электротехники

Оставьте свой комментарий к этой статье:

Имя:


E-mail (не обязательно):


Комментарий:





Главная страница | Библиотека | Статьи | Карта сайта | Отзывы о сайте

www.diagram.com.ua

www.diagram.com.ua
2000-2026