Menu Home

Бесплатная техническая библиотека для любителей и профессионалов Бесплатная техническая библиотека


Антенные усилители для широкополосных антенн. Энциклопедия радиоэлектроники и электротехники

Бесплатная техническая библиотека

Энциклопедия радиоэлектроники и электротехники / Антенные усилители

Комментарии к статье Комментарии к статье

В статье подробно рассматривается устройство и принципы работы усилительных модулей широкополосных телевизионных антенн.

Усилитель в телевизионной приемной антенне предназначен, главным образом, для увеличения чувствительности, ограниченную шумами, а во вторую очередь для компенсации потерь принимаемого сигнала в коаксиальном кабеле. Сами телевизоры обладают весьма большим запасом собственного усиления, т.е. имеют высокую чувствительность, ограниченную усилением. Несколько хуже у них чувствительность, ограниченная синхронизацией. И наконец, наиболее низкая - чувствительность, ограниченная шумами. Следовательно, фактором, определяющим дальний прием, следует принять уровень собственных шумов линейного тракта, а не коэффициент усиления.

Влияние шума оценивают по отношению сигнал/шум, минимальное значение которого принято равным 20. Для телевизоров третьего - пятого поколения чувствительность, ограниченная шумами, равна 50-100 мкВ. Однако при отношении сигнал/шум (с/ш) равном 20, наблюдаются плохое качество изображения и разборчивость только крупных деталей. Для получения изображения хорошего качества следует подать на вход телевизора полезный сигнал примерно в 4 раза больший, т.е. обеспечить отношение с/ш около 80.

Используемые в настоящее время кабели с волновым сопротивлением 75 Ом в зависимости от конструкции и качества диэлектрика имеют погонное затухание 0,07 - 0,18 дБ/м в метровом и 0,25 - 0,6 дБ/м в дециметровом диапазоне волн. При длине кабеля 2…4 м общее затухание может составлять 1,2 - 2,4 дБ. В связи с этим усилитель должен иметь коэффициент усиления порядка 3 дБ для типичных условий приема. К нему прибавляют запас в 12…14 дБ для усиления слабых сигналов, что необходимо из-за низкой эффективности широкополосных малогабаритных приемных антенн.

Любой усилитель имеет собственные шумы, которые усиливаются вместе с полезным сигналом и ухудшают отношение сигнал/шум. Поэтому важнейшим параметром усилительного элемента следует считать его коэффициент шума Кш.

Для единой оценки шумов многокаскадного тракта существует показатель приведенного коэффициента шума Кш, который равен уровню шума на выходе, поделенному на общий коэффициент усиления, т.е. Кш = Кш.вых / КУ. Так как выходной уровень шума Кш.вых зависит в наибольшей степени от уровня шума первого транзистора, усиливаемого всеми последующими каскадами, шумами остальных каскадов можно пренебречь. Тогда Кш.вых= Кш1КУ, где Кш1 - коэффициент шума первого транзистора. Следовательно, получим Кш= Кш1, т.е. приведенный коэффициент шума усилительной части в основном определяется коэффициентом шума первого транзистора. Отсюда вытекает вывод - применение активной части может дать положительный результат тогда, когда коэффициент шума первого транзистора усилителя меньше коэффициента шума первого каскада телевизора. Коэффициент шума зависит также от качества согласования на входе усилителя и режима работы первого транзистора.

Частотный диапазон усилителя должен обеспечить усиление сигнала в полосе частот вещательного телевидения f = 48-790 МГц. Для увеличения динамического диапазона усилитель должен иметь отрицательную обратную связь.

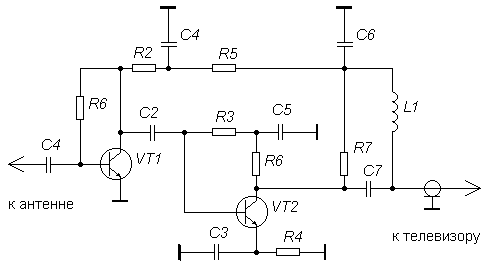
На рисунке 1 представлена схема однокаскадного усилителя с трансформаторным входом и открытым асимметричным выходом, обеспечивающим возможность дистанционной запитки усилительного модуля по сигнальному кабелю. Такая однокаскадная схема обладает высокой устойчивостью и легко каскадируется.

Антенные усилители для широкополосных антенн. Однокаскадный усилитель
Рис. 1. Однокаскадный усилитель

Точки возбуждения антенны подключаются непосредственно в балансное сечение трансформатора Тр1, который обеспечивает широкополосное согласование входа антенны с входом усилительного каскада. Усилительный элемент VT1 включен по схеме с общим эмиттером. Это позволяет реализовать большее полосовое усиление и лучшие шумовые свойства схемы сравнительно с другими вариантами включения. Эффекты влияния граничной частоты транзистора по крутизне на изменение коэффициента усиления и входного сопротивления в диапазоне рабочих частот компенсируются за счет использования в схеме комбинированных частотно-зависимых обратных связей параллельного и последовательного типа. Параллельная обратная связь выполнена на элементах R3, C1, L1. Резистор R3 определяет согласование усилительного модуля в присоединительных стыках в метровом и нижней части дециметрового диапазона.

В верхней части рабочего диапазона, где усиление спадает на 2-4 дБ, индуктивность L1 ослабляет действие этой обратной связи, выравнивая амплитудно-частотную характеристику (АЧХ). Конденсатор C1 обеспечивает развязку цепи обратной связи с контуром питания и одновременно формирует низкочастотный срез передаточной характеристики устройства. Цепь R4, C3 является элементом последовательной обратной связи по току, определяющей основные параметры каскада в малосигнальном режиме: резистор R4 задает номинальный коэффициент усиления каскада, а настройкой C3 регулируется подъем АЧХ в верхней части рабочего диапазона. Заданные параметры динамического диапазона обеспечиваются выбором типа транзистора и его режимом работы. В представленной схеме режим работы каскада по постоянному току задается R4 совместно с элементами базового делителя R1 и R2. Конденсатор С2 шунтирует R1 и обеспечивает асимметричность подключения Тр1 в схему модуля. Усилительный модуль, реализованный на среднемощном транзисторе третьего поколения, обеспечивает коэффициент усиления 15 дБ в полосе частот 40-800 МГц, коэффициент шума устройства не превышает 3,5 дБ, а динамический диапазон для телевизионных сигналов составляет 75 дБ. Снижение коэффициента шума и реализация большей линейности устройства возможны при использовании в схеме сложных активных элементов с каскодным включением либо при переходе к двухтранзисторным каскадам.

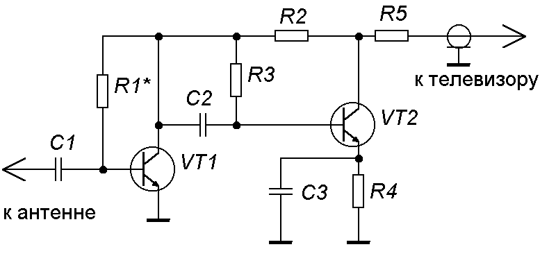
Две принципиальные схемы, представляющие собой двухкаскадный апериодический усилитель на биполярных транзисторах СВЧ, включенных по схеме с ОЭ представлены на рис. 2.

Усилитель на рис. 2,а содержит два широкополосных каскада усиления на транзисторах VT1 и VT2. Сигнал с собственно антенны через согласующий трансформатор (на схеме не показан) и конденсатор С1 поступает на базу транзистора VT1, включенного по схеме с ОЭ.

Антенные усилители для широкополосных антенн. Двухкаскадный усилитель
Рис. 2,а. Двухкаскадный усилитель

Рабочая точка транзистора задана напряжением смещения, определяемым резистором R1. Действующая при этом отрицательная обратная связь (ООС) по напряжению линеаризует характеристику первого каскада, стабилизирует положение рабочей точки, но уменьшает его усиление. Частотная коррекция в первом каскаде отсутствует. Второй каскад также выполнен на транзисторе по схеме с ОЭ и ООС по напряжению через резисторы R2 и R3, но имеет еще и токовую ООС через резистор R4 в эмиттерной цепи, стабилизирующую режим транзистора VT2. Во избежание большой потери усиления резистор R4 зашунтирован по переменному току конденсатором С3, емкость которого выбрана относительно малой (10 пФ). В результате на нижних частотах диапазона емкостное сопротивление конденсатора С3 оказывается существенным и возникающая ООС по переменному току уменьшает усиление, корректируя тем самым АЧХ усилителя. К недостаткам такой схемы усилителя можно отнести пассивные потери в выходной цепи на резисторе R5, который включен так, что на нем падает как постоянное напряжение питания, так и напряжение сигнала.

Аналогично построен и усилитель на рис. 2,б, который также имеет два каскада, собранные по схеме с ОЭ. Он отличается от предыдущего усилителя лучшей развязкой по цепям питания через Г-образные фильтры L1 C6, R5 C4 и повышенным коэффициентом усиления за счет наличия конденсатора С5 в цепи ООС (R3 C5 R6) второго каскада и переходного конденсатора С7 на выходе.

Антенные усилители для широкополосных антенн. Двухкаскадный усилитель
Рис. 2,б. Двухкаскадный усилитель

В каскадах на транзисторах, включенных по схеме с ОЭ, наиболее велико влияние внутренних связей и емкостей переходов транзисторов. Оно проявляется в ограничении полосы пропускания и склонности усилителя к самовозбуждению, вероятность которого тем больше, чем выше коэффициент усиления. Для его оценки известно понятие порога устойчивости - предельного значения коэффициента усиления, при превышении которого усилитель превращается в генератор. В качестве мер повышения устойчивости можно предложить включение транзисторов по каскодной схеме с ОЭ-ОБ.

Каскодное включение транзисторов VT1 и VT2 (рис. 3) позволяет реализовать хорошую однонаправленность и получить большую широкополосность усилительного модуля. Это дает возможность отказаться от использования сигнальных обратных связей, стабилизирующих и корректирующих амплитудно-частотную характеристику а также входной и выходной импедансы звена. Здесь коэффициент передачи и присоединительные параметры схемы задаются режимно. Для уменьшения влияния паразитных индуктивностей общих выводов, снижающих коэффициент усиления каскада на верхних частотах, эмиттерные выводы входных танзисторов соединяются непосредственно с корпусом, а режим работы стабилизируется фиксированным током базы. Высокочастотный срез регулируется индуктивностью L1, включенной в коллекторную цепь оконечного транзистора.

Антенные усилители для широкополосных антенн. Усилитель с каскодным включением VT
Рис. 3. Усилитель с каскодным включением VT

Диапазонная корректировка и стабилизация выходного сопротивления модуля производятся резистивно-емкостными цепями. Каскодная схема при реализации оптимального режима работы транзисторов позволяет получить пониженные интермодуляционные искажения.

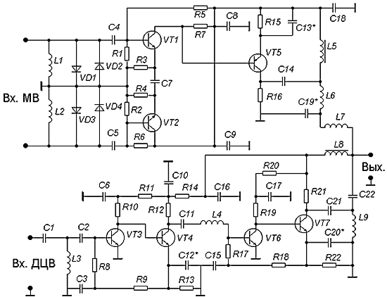
При наличии антенны МВ-ДМВ, конструктивно выполненной в виде двух электрически не соединенных антенн возможно использовать усилительный модуль, который усиливает сигналы от каждой из них, суммирует и передает к ТВ-приемнику по одному кабелю. Питание усилителя подается по этому же кабелю. Принципиальная схема такого усилительного модуля изображена на рисунке 4. Он содержит два независимых канала усиления. Сигнал с антенны МВ поступает на контакты ХТ1, ХТ2, к которым подключен входной каскад канала МВ, собранного на транзисторах VT1, VT2 по схеме дифференциального усилителя. Это позволяет получить хорошее согласование с высокоомными антеннами, а также подавить синфазные помехи.

Антенные усилители для широкополосных антенн. Усилитель с раздельными входами МВ и ДЦВ
Рис. 4. Усилитель с раздельными входами МВ и ДЦВ

На входе каскада установлены катушки L1, L2, устраняющие накопление зарядов статического электричества на некоторых антеннах, а также диоды VD1 - VD4, защищающие усилитель от грозовых разрядов. На транзисторе VT5 собран дополнительный усилительный каскад. Коэффициент передачи канала равен 15…20 дБ. Сигналы МВ проходят на кабель через фильтр НЧ L6 C19 L7 с частотой среза 250 МГц. Через этот же фильтр и дроссель L5 на канал приходит питающее напряжение с кабеля снижения. Кроме того, фильтр не пропускает сигналы ДЦВ.

Канал усиления ДМВ представляет собой два последовательно включенных однотипных усилительных каскада. Первый из них собран на транзисторах VT3, VT4 по схеме с гальванической связью, благодаря чему происходит автоматический выход на заданный рабочий режим и его поддержание при изменении температуры и питающего напряжения. На входе каскада установлен фильтр ВЧ C1 L3 C2 с частотой среза 450 МГц, который подавляет низкочастотные сигналы и помехи. Аналогичный фильтр ВЧ C21 L9 C22 на выходе второго каскада пропускает сигналы ДМВ и не пропускает сигналы МВ. Следовательно, фильтры на выходах каналов взаимно их развязывают. Катушка L4 обеспечивает согласование между каскадами канала ДМВ и коррекцию суммарной АЧХ. Общее усиление канала равно 32…36 дБ. Канал ДМВ питается через дроссель L8 с кабеля снижения. Усилительный модуль питается напряжением 12 В при токе не менее 70 мА.

Важно отметить, что модули с каскадно-цепочечной структурой обычно обеспечивают большую линейность передаточной характеристики, что связано, в первую очередь, с возможностью раздельной настройки каскадов (оптимизация передаточной характеристики, режимов согласования и параметров динамического диапазона), при которой пороги перегрузки наращиваются эстафетно и пропорционально увеличению коэффициента передачи.

Сравнительный анализ технических решений и функционально-энергетических характеристик модулей показывает, что в качестве базовых структур при проектировании усилительных модулей для активных широкополосных антенн целесообразно выбирать схемы с цепочечным включением каскадов с комбинированными частотно-зависимыми обратными связями. Причем, в первом каскаде глубина обратной связи выбирается исходя из требуемого значения коэффициента шума и стабильности присоединительного импеданса. Режим работы и тип транзистора выходного каскада в основном определяются требуемой нагрузочной способностью модуля.

Публикация: library.espec.ws

Смотрите другие статьи раздела Антенные усилители.

Читайте и пишите полезные комментарии к этой статье.

<< Назад

Последние новости науки и техники, новинки электроники:

Лабораторная модель прогнозирования землетрясений 30.11.2025

Предсказание землетрясений остается одной из самых сложных задач геофизики. Несмотря на развитие сейсмологии, ученые все еще не могут точно определить момент начала разрушительного движения разломов. Недавние эксперименты американских исследователей открывают новые горизонты: впервые удалось наблюдать микроскопические изменения в контактной зоне разломов, которые предшествуют землетрясению. Группа под руководством Сильвена Барбота обнаружила, что "реальная площадь контакта" - участки, где поверхности разлома действительно соприкасаются - изменяется за миллисекунды до высвобождения накопленной энергии. "Мы открыли окно в сердце механики землетрясений", - отмечает Барбот. Эти изменения позволяют фиксировать этапы зарождения сейсмического события еще до появления традиционных сейсмических волн. Для наблюдений ученые использовали прозрачные акриловые материалы, через которые можно было отслеживать световые изменения в зоне контакта. В ходе искусственного моделирования примерно 30% ко ...>>

Музыка как естественный анальгетик 30.11.2025

Ученые все активнее исследуют немедикаментозные способы облегчения боли. Одним из перспективных направлений становится использование музыки, которая способна воздействовать на эмоциональное состояние и когнитивное восприятие боли. Новое исследование международной группы специалистов демонстрирует, что даже кратковременное прослушивание любимых композиций может значительно снижать болевые ощущения у пациентов с острой болью в спине. В эксперименте участвовали пациенты, обратившиеся за помощью в отделение неотложной помощи с выраженной болью в спине. Им предлагалось на протяжении десяти минут слушать свои любимые музыкальные треки. Уже после этой короткой сессии врачи фиксировали заметное уменьшение интенсивности боли как в состоянии покоя, так и при движениях. Авторы исследования подчеркивают, что музыка не устраняет саму причину боли. Тем не менее, она воздействует на эмоциональный фон пациента, снижает уровень тревожности и отвлекает внимание, что в сумме приводит к субъективном ...>>

Алкоголь может привести к слобоумию 29.11.2025

Проблема влияния алкоголя на стареющий мозг давно вызывает интерес как у врачей, так и у исследователей когнитивного старения. В последние годы стало очевидно, что границы "безопасного" употребления спиртного размываются, и новое крупное исследование, проведенное международной группой ученых, вновь указывает на это. Работы Оксфордского университета, выполненные совместно с исследователями из Йельского и Кембриджского университетов, показывают: даже небольшие дозы алкоголя способны ускорять когнитивный спад. Команда проанализировала данные более чем 500 тысяч участников из британского биобанка и американской Программы миллионов ветеранов. Дополнительно был выполнен метаанализ сорока пяти исследований, в общей сложности включавших сведения о 2,4 миллиона человек. Такой масштаб позволил оценить не только прямую связь между употреблением спиртного и развитием деменции, но и влияние генетической предрасположенности. Один из наиболее тревожных результатов касается людей с повышенным ге ...>>

Случайная новость из Архива

Влияние женского голоса на мужское поведение 26.09.2024

Новое исследование американских и китайских ученых показало, что женский голос может существенно влиять на мужское поведение, особенно в контексте риска. Мужчины, как выяснилось, с большей готовностью идут на риск под влиянием высоких женских голосов. Результаты экспериментов доказывают, что рискованное поведение мужчин может быть не только результатом эволюционных механизмов, но также зависеть от культурных и социальных факторов.

В исследовании было проведено два основных эксперимента с участием молодых мужчин.

Тест с вождением. В этом эксперименте участники должны были следовать навигационным подсказкам, озвученным женским голосом. Голос мог быть высоким или низким, и задача заключалась в том, чтобы оценить, насколько рискованным было поведение мужчин за рулем под влиянием этих голосов.

Тест с маркетинговым предложением. Мужчинам было предложено прослушать маркетинговое предложение, озвученное женским голосом, и оценить его привлекательность. После этого они проходили виртуальный тест, где должны были пройти по доске на высоте в три метра в виртуальной реальности. Скорость выполнения задания использовалась как индикатор уровня рискованного поведения.

Результаты показали, что мужчины были склонны рисковать больше, если голос был высоким и женственным. Виртуальный эксперимент подтвердил, что мужчины быстрее проходили опасную "доску", если слышали высокий женский голос.

Однако, важным аспектом исследования стало влияние социальных ожиданий. Когда участникам второго эксперимента говорили, что женщины предпочитают мужчин, избегающих риска (добрых, семейных, терпеливых), эффект высокого голоса исчезал. Мужчины в этой группе вели себя более осторожно, несмотря на воздействие голоса.

Это показывает, что мужчины не всегда автоматически реагируют на женский голос в пользу риска - их поведение также определяется социальными нормами и тем, как они воспринимают ожидания со стороны женщин.

Исследование демонстрирует, что рискованное поведение мужчин под влиянием женского голоса имеет сложный характер и зависит от контекста. В условиях, где предполагается, что женщинам нравятся смелые и рискованные мужчины, высокий женский голос действительно провоцирует более дерзкое поведение. Однако, если социальные нормы подсказывают обратное, то мужчины склонны избегать риска, даже если голос остается привлекательным.

Таким образом, на поведение мужчин влияют не только эволюционные механизмы, но и социальные установки, что подчеркивает важность социокультурных факторов в межличностных взаимодействиях.

Другие интересные новости:

▪ Прионы перепрыгивают с животных на человека

▪ STEVAL-SMARTAG1 - NFC-плата для контроля параметров окружающей среды

▪ Пластик автоматически разлагается после использования

▪ Запущен новый инструмент поиска экзопланет

▪ Миниатюрные микросхемы логики single-gate

Лента новостей науки и техники, новинок электроники

 

Интересные материалы Бесплатной технической библиотеки:

▪ раздел сайта Афоризмы знаменитых людей. Подборка статей

▪ статья Моральное перевооружение. Крылатое выражение

▪ статья Что такое кольца Сатурна? Подробный ответ

▪ статья Сердечник горький. Легенды, выращивание, способы применения

▪ статья Выбор системы телевизионного наблюдения. Энциклопедия радиоэлектроники и электротехники

▪ статья Ремонт и доработка зарядных устройств Сонар УЗ 205. Энциклопедия радиоэлектроники и электротехники

Оставьте свой комментарий к этой статье:

Имя:


E-mail (не обязательно):


Комментарий:





Главная страница | Библиотека | Статьи | Карта сайта | Отзывы о сайте

www.diagram.com.ua

www.diagram.com.ua
2000-2025