Menu Home

Бесплатная техническая библиотека для любителей и профессионалов Бесплатная техническая библиотека


Корректор цветовой четкости. Энциклопедия радиоэлектроники и электротехники

Бесплатная техническая библиотека

Энциклопедия радиоэлектроники и электротехники / Телевидение

Комментарии к статье Комментарии к статье

Для правильного воспроизведения цветного изображения в телевизоре необходимо, чтобы яркостный и цветоразностные сигналы приходили на катоды и управляющие электроды кинескопа одновременно. Известно, что время прохождения сигнала по каналу обратно пропорционально его полосе пропускания. Чем меньше полоса пропускания канала, тем больше задержка сигнала. Поскольку полоса пропускания канала яркостного сигнала составляет 6 МГц, а канала цветности - 1,5 МГц, возникает задержка сигналов цветности примерно на 0,6...0,8 мкс. До недавнего времени в качестве линий задержки использовались нерегулируемые линии типа ЛЗЯС-0,3/1000 (300 нс, 1000 Ом) или ЛЗЦТ-0,7-1500 (700 нс, 1500 Ом), которые требуют тщательного согласования как по входу, так и по выходу.

Если ширина вертикальных цветовых переходов, как правило, не превышает 2 мм даже в системе SECAM (из-за особенностей кодирования), то из-за несовпадения середин передних и задних фронтов цветоразностных импульсов с серединами перепадов яркостного сигнала зона цветовых переходов по горизонтали при приеме сигнала с эфира достигает 4...6 мм, а при работе с видеомагнитофоном может растягиваться до 10 мм [1], что проявляется как "размазывание" контуров ярко окрашенных объектов, появление окантовок из искаженного цвета, "непрорисовка" мелких деталей и т.п.

Для устранения этого дефекта в телевизорах пятого поколения используется корректор цветовой четкости Philips TDA4565, структурная схема которого представлена на рис. 1. Использовав его в телевизоре четвертого поколения "Горизонт 51ТЦ412", можно существенно улучшить качество "картинки". Корректор состоит из двух функциональных узлов:

- регулируемой гираторной линии задержки яркостного сигнала Y;

- "обострителя" цветоразностных импульсов R-Y, B-Y.

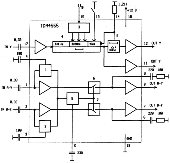
Корректор цветовой четкости. Структурная схема корректора цветовой четкости TDA4565
Рис. 1. Структурная схема корректора цветовой четкости TDA4565

Гираторная линия задержки 4 состоит из 10 ячеек с задержкой по 90 нс каждая, и одной ячейки с задержкой 45 нс. 6 ячеек по 90 нс объединены в общий блок с временем задержки 6x90=540 нс. За ними следуют три ячейки по 90 нс, которые включаются последовательно с входным блоком электронным коммутатором 3 (три пороговых компаратора с порогами переключения 4,5±1 В, 7,5±1 В и 10,5±1 В), управляемым по выводу 15. Таким образом, увеличивая напряжение на выводе 15, можно пошагово увеличивать время задержки сигнала до 270 мс. Дополнительная задержка 45 нс включается замыканием вывода 13 на общий провод. Между выводом 11 и выводом 12 включена фиксированная задержка 8 еще на 180 нс. Таким образом можно регулировать задержку яркостного сигнала с шагом 45 не с вывода 11 от 540 до 855 не (540 + 270 + 45 = 855), а с вывода 12 - от 720 нс до 1035 нс. Выходные каскады (выводы 11 и 12) выполнены в виде эмиттерных повторителей с генераторами тока в эмиттерной цепи.

В обостритель цветоразностных импульсов входят детекторы фронта импульсов 1, 2; формирователь импульсов 5 и коммутаторы 6, 7. Задержка в канале обработки цветоразностных сигналов составляет примерно 150 нс (от 100 до 200 нс). В моменты фронтов и спадов цветоразностных сигналов, путем их дифференцирования и выпрямления на выходах детекторов формируются импульсы положительной полярности, амплитуда которых пропорциональна скорости изменения исходных сигналов. После фильтра ВЧ и ограничителя 5 эти импульсы управляют двумя одинаковыми каналами-обострителями цветоразностных сигналов, выполненными в виде электронных ключей 6 и 7. Они коммутируют тракты R-Y и B-Y. К выходам ключей подсоединены запоминающие конденсаторы. "Суммарное" управление ключами обеспечивает одновременную смену цветов в обоих каналах при коротких цветовых переходах. Конденсаторы на выводах 1 и 3 ИМС предназначены для подавления составляющих за пределами полосы частот цветоразностных сигналов, в том числе и остатков поднесущих сигналов цветности, что улучшает отношение сигнал/помеха. Выходные каскады (выводы 7 и 8) выполнены в виде эмиттерных повторителей с каскодными генераторами тока в эмиттерной цепи.

Номиналы внешних элементов обвязки указаны в соответствии с типовой схемой включения. Более подробно о работе корректора можно прочитать в [2].

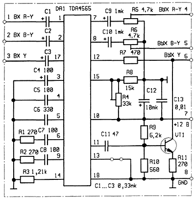
Схема включения корректора (рис. 2) заимствована из телевизоров "Горизонт". Она отличается наличием подстроечных резисторов R5, R6 [3] по выходам сигналов B-Y и R-Y, с помощью которых настраивают цветовой баланс. В современных телевизорах необходимость в таких регуляторах отпадает, т.к. в них баланс белого осуществляется автоматически. От типовой приведенная схема включения отличается номиналами RC-це-пей, постоянная времени которых определяет длительность фронта, и наличием активного источника тока (АИТ) на транзисторе VT1. На вход АИТ через дифференцирующий конденсатор емкостью 47 пФ поступает яркостный сигнал с опережением на 180 нс. АИТ включен параллельно внутреннему генератору тока в эмиттерной цепи выходного каскада. При таких номиналах RC-цепей длительность цветовых переходов (около 150 нс) примерно соответствует длительности яркостных перепадов в канале яркости (около 6 МГц).

Корректор цветовой четкости Схема включения корректора
Рис. 2. Схема включения корректора

Резистор R3 должен быть подобран с точностью ±1%, т.к. время задержки пропорционально его сопротивлению. В случае использования микросхем TDA4565A сопротивление R3 - 1,15 кОм (параллельно резистору 1,21 кОм включается 27 кОм).

Когда движок резистора R4 находится в крайнем верхнем положении, включена одна дополнительная линия задержки 90 нс, в среднем положении - две по 90 нс (суммарная задержка - 180 нс), в крайнем нижнем положении - три (270 нс).

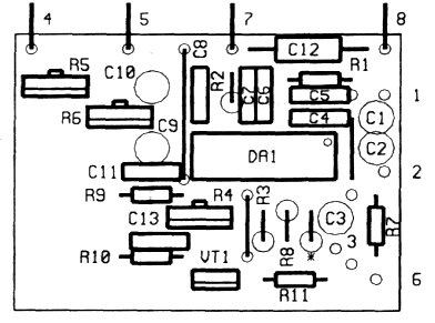
Конструкция и детали. Чертеж печатной платы дополнительного субмодуля размерами 60x45 мм изображен на рис. 3, а сборочный чертеж - на рис. 4. Электролитический конденсатор С12 - типа К53-4 на напряжение 20 В, остальные - К50-35. Неполярные конденсаторы - типа К22-5. Подстроечные резисторы - СПЗ-38а.

Корректор цветовой четкости. Плата печатная
Рис. 3. Печатная плата

Корректор цветовой четкости. Сборочный чертеж
Рис. 4. Сборочный чертеж

Перед монтажом субмодуля необходимо впаять в точки 4, 5, 7 и 8 проволочные выводы длиной около 10 мм и выпаять из основной платы элементы R38, R39, R42, R55, С31, С32, C3З, VT2, VT3, а также линию задержки ВТ2 (ЛЗЯС-0,3/1000) и элементы ее согласования R63 и R88. Резистор R60 сопротивлением 150 Ом необходимо заменить на резистор сопротивлением 10 Ом, конденсатор С48 емкостью 22 мкФ - на 0,047 мкФ. Рядом с точкой соединения R60 и С28, а также на краю платы в "общем проводе" на одной линии с верхними выводами (правыми по схеме) конденсаторов С31 и C3З просверливаются отверстия для подключения цепей питания (выводов 4 и 7) субмодуля.

Перед монтажом субмодуля вывод KN4 необходимо укоротить на 2...3 мм, а конденсатор С28 пригнуть к плате. Выводы 4 и 5 субмодуля впаивают непосредственно в основную плату вместо верхних выводов демонтированных конденсаторов С31 и C3З, а точки 1 и 2 соединяют гибкими проводами (длиной 55 и 70 мм соответственно) с нижними выводами этих конденсаторов. Вывод 3 субмодуля подключают экранированным проводом (150 мм) вместо правого вывода демонтированного резистора R88, а вывод 6 - гибким проводом (55 мм) на место вывода 2 демонтированной линии задержки.

Наладка. При наладке подают сигнал "цветные полосы" с выхода соответствующего генератора на контакт 1 XN2(A1), предварительно сняв перемычку. Подавать сигнал на ВЧ-вход (из-за возможных помех), а также использовать сигнал телецентра (из-за повторов изображения) не рекомендуется. Линию задержки регулируют с помощью резистора R4 и перемычки между выводом 13 DA1 и общим проводом по минимальной зоне цветовых переходов по горизонтали. Цветовой баланс устанавливается резисторами R5 и R6. Оптимальный размах сигнала R-Y - около 1,05 В (максимальный - 1,5 В), сигнала B-Y - около 1,33 В (1,9 В максимум).

В некоторых телевизорах, возможно, субмодуль декодера СД-41 заменен на более современный, например, "Электроника 016" или аналогичный с регуляторами уровней сигналов по выходам. В таких блоках эти регуляторы необходимо выставить в положение, соответствующее максимальному выходному сигналу, а оптимальные уровни выставлять с выходов корректора цветовой четкости.

При тщательной настройке корректора наблюдается четко выраженный эффект повышения четкости и чистоты изображения, оно приобретает рельефность и чистоту. При недостаточной яркости может понадобиться подстройка режима входного каскада гираторной линии задержки с помощью резистора сопротивлением 220...510 кОм, включенного между выводами 17 и 16 DA1. Это определяется по наилучшему воспроизведению крайней левой белой полосы [3]. Указанный резистор на схеме не показан, но на плате предусмотрено место для его установки.

Литература

  1. К.Филатов. Корректор цветовых переходов. - Радио, 1990, N9 С.41.
  2. Л.Кевеш, А.Пескин.Модуль цветности МЦ-501. - Радио, 1992, N5 С.28.
  3. А.Пахомов. Корректор цветовой четкости. - Радио, 1999, N2 С.10.

Автор: А.Петров, Д.Петров, г.Могилев; Публикация: cxem.net

Смотрите другие статьи раздела Телевидение.

Читайте и пишите полезные комментарии к этой статье.

<< Назад

Последние новости науки и техники, новинки электроники:

Токсичность интернета преувеличена 07.01.2026

Социальные сети нередко воспринимаются как арена постоянной агрессии, оскорблений и распространения фейковой информации. Новое исследование Стэнфордского университета показывает, что реальность значительно отличается от популярного представления: интернет гораздо менее токсичен, чем многие пользователи считают. Ученые опросили более тысячи американцев, попросив их оценить долю пользователей соцсетей, которые ведут себя агрессивно или распространяют ненависть. Оказалось, что впечатления людей сильно преувеличивают масштабы проблемы. Например, респонденты считали, что почти половина пользователей Reddit хотя бы раз оставляла оскорбительные комментарии, тогда как фактические данные платформы показывают, что таких людей не более 3%. Аналогичная ситуация наблюдается с дезинформацией. Опрос показал, что большинство участников считали почти половину аудитории Facebook распространителями фейковых новостей, однако статистика говорит об обратном: фактическая доля таких пользователей состав ...>>

Процессоры Ryzen AI 400 07.01.2026

Современные вычисления все больше ориентируются на интеграцию искусственного интеллекта и высокую производительность в компактных устройствах, таких как ноутбуки и мини-ПК. Новая линейка процессоров AMD Ryzen AI 400 демонстрирует, как разработчики объединяют мощные центральные ядра, графику и нейросетевые ускорители в одном чипе, чтобы удовлетворять растущие потребности пользователей в играх, контенте и ИИ-приложениях. AMD представила процессоры серии Gorgon Point, которые включают до 12 ядер Zen 5 и до 24 потоков вычислений. Чипы поддерживают интегрированную графику RDNA 3.5, обеспечивают максимальную тактовую частоту до 5,2 ГГц и имеют энергопотребление от 15 Вт до 54 Вт. Особое внимание уделено NPU, способному обрабатывать до 60 триллионов операций в секунду (TOPS), что делает эти процессоры эффективными для задач с искусственным интеллектом. Конструкция Ryzen AI 400 сочетает ядра Zen 5 и Zen 5c, обеспечивая высокую гибкость и производительность. Несмотря на то, что архитектур ...>>

Женщины лучше распознают признаки болезни по лицу 06.01.2026

Способность распознавать, что кто-то нездоров, часто проявляется интуитивно: бледная кожа, опущенные веки, уставшее выражение лица могут сигнализировать о недомогании. Новое исследование международной группы ученых показало, что женщины в среднем точнее мужчин улавливают такие тонкие невербальные признаки болезни, что может иметь эволюционные и социальные объяснения. В отличие от предыдущих работ, где использовались отредактированные фотографии или имитация больных лиц, ученые решили проверить, насколько люди способны распознавать естественные признаки недомогания. Такой подход позволил оценить реальную чувствительность к изменениям в лицах, возникающим при болезни. В исследовании приняли участие 280 студентов, поровну мужчин и женщин. Участникам предложили оценить 24 фотографии, на которых изображены люди как в здоровом состоянии, так и во время болезни. Это дало возможность сравнить восприятие естественных признаков недомогания в реальных лицах. Для анализа состояния каждого ...>>

Случайная новость из Архива

Микроводоросли сделают дороги надежнее 28.12.2025

Автомобильные дороги подвергаются серьезным испытаниям: резкие перепады температуры, воздействие влаги и постоянная нагрузка от транспорта делают традиционный асфальт уязвимым. Особенно остро эта проблема проявляется в зимний период, когда битум, основа большинства дорожных покрытий, теряет эластичность и трескается под тяжестью автомобилей. Новые исследования показывают, что биотехнологии способны кардинально изменить подход к строительству дорог.

Группа ученых из Университета штата Аризона предложила частично заменить нефтяной битум в асфальте на специальное растительное связующее, получаемое из пресноводных микроводорослей. Традиционный битум хорошо работает при высоких температурах, однако на морозе он становится хрупким и подвержен разрушению, что сокращает срок службы покрытия.

В лабораторных экспериментах исследователи смоделировали интенсивное движение транспорта и циклы замерзания-оттаивания. Образцы с биобитумом показали впечатляющие результаты: способность материала восстанавливать форму оказалась на 70% выше по сравнению с обычным асфальтом. Новый состав сохраняет эластичность при низких температурах и устойчив к воздействию влаги, что существенно повышает долговечность дорожного покрытия.

Особое внимание ученые уделили экологическому аспекту технологии. Микроводоросли при росте поглощают углекислый газ, и даже небольшое добавление такого биоматериала в асфальт способно значительно снизить общий углеродный след производства. По расчетам исследователей, замена хотя бы 22% нефтяного компонента биобитумом может сделать дорожное покрытие практически углеродно-нейтральным.

Кроме улучшенной прочности и устойчивости к влаге, биобитум на основе микроводорослей обладает самовосстановительными свойствами. Это означает, что небольшие трещины и деформации покрытия могут частично устраняться без дополнительного ремонта, что снижает затраты на обслуживание и продлевает срок службы дорог.

По словам Элхама Фини из Университета штата Аризона, новые соединения из водорослей повышают гибкость асфальта и его влагостойкость, что открывает перспективы для создания более надежных и долговечных дорог. Кроме того, использование возобновляемого растительного материала делает такие покрытия экологически безопасными и устойчивыми к изменению климата.

Технология находится на стадии лабораторных испытаний, однако первые результаты уже демонстрируют значительный потенциал. Она может стать частью комплексного подхода к модернизации дорожной инфраструктуры, сочетая долговечность, экономичность и заботу об окружающей среде.

Другие интересные новости:

▪ Долгий стресс стирает память

▪ Сотовый кубик

▪ Программируемый процессор на базе молекул ДНК

▪ Вечный имплант размером с песчинку

▪ Высоковольтный генератор в космосе

Лента новостей науки и техники, новинок электроники

 

Интересные материалы Бесплатной технической библиотеки:

▪ раздел сайта Детекторы напряженности поля. Подборка статей

▪ статья Элберт Грин Хаббард. Знаменитые афоризмы

▪ статья Где новорожденных сбрасывают с 15-метровой высоты, чтобы они росли здоровыми? Подробный ответ

▪ статья Рами. Легенды, выращивание, способы применения

▪ статья Установка для экспонирования фоторезиста в домашних условиях. Энциклопедия радиоэлектроники и электротехники

▪ статья Встающий коробок. Секрет фокуса

Оставьте свой комментарий к этой статье:

Имя:


E-mail (не обязательно):


Комментарий:





Главная страница | Библиотека | Статьи | Карта сайта | Отзывы о сайте

www.diagram.com.ua

www.diagram.com.ua
2000-2026