Бесплатная техническая библиотека
Просмотр телевидения семьей. Энциклопедия радиоэлектроники и электротехники

Энциклопедия радиоэлектроники и электротехники / Телевидение
Комментарии к статье
"На вкус и цвет - товарищей нет". Просмотр телевидения в семье может вызвать раздоры. Для одновременного просмотра различных программ необходима одновременная работа нескольких телевизоров в квартире. Однако, работа телевизоров, подключенных к одному фидеру общей антенны (индивидуальной или коллективной), без разветвителя вызывает взаимную помеху за счет биений частот гетеродинов приемников (современные приемники - все супергетеродинные). Эта помеха проявляется в виде стоящих или медленно перемещающихся по экрану косых темных линий. Публикуемая ниже статья поможет найти выход в такой ситуации.
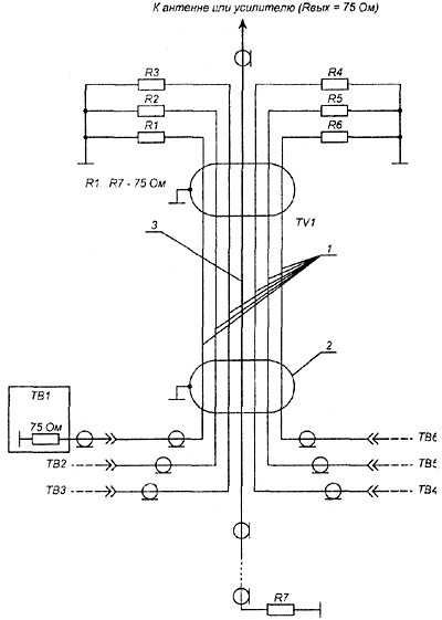
В коллективной антенне многоэтажного здания помехи исключаются установкой в разрыве фидера коаксиального кабеля этажных разветвителей (рис. 1а), по сути представляющих собой ВЧ трансформаторы Т1 с распределенными вдоль объединенных коаксиальных линий индуктивностью и емкостью каждый. Причем выходы и входы каждой линии нагружены на сопротивление, равное волновому (обычно 75 Ом). Последним обеспечивается в линиях режим бегущей электромагнитной волны, а отсутствие гальванической связи отдельных внутренних проводников 1 при общей оплетке 2 обеспечивает взаимную развязку сигналов (в цепи нет общих нелинейных элементов, обязательных в каждом супергетеродине).
Рис. 1a. Схема коллективной разводки ТВ-фидера
Попутно следует отметить, что тот, кто подключает коаксиальный кабель к "стволу" 3 (жиле толстого коаксиального кабеля, соединяющего этажи), создает помеху всем телевизором, подключенным к этой коллективной антенне. Поэтому, если у вас на экране появилась подобная помеха, а сигнал ослаб, то некий "умелец" подключился на "ствол". Немедленно обращайтесь к владельцу коллективной антенны (организации, обслуживающей антенну). Он призовет нарушителя к порядку, опечатает этажные разветвители. Ни в коем случае не ищите нарушителя сами, если не хотите нажить себе врага в доме.
Подключение добавочных (внутрисемейных) телевизоров к свободным выходам этажного/ых разветвителя/ей отдельными коаксиальными кабелями обеспечит от взаимных помех и никому из соседей не создаст неудобств, но, наверняка, внутри квартиры дополнительные коаксиальные кабели через всю квартиру к каждому телевизору - большое неудобство (как исключение - комнаты по обе стороны центрального входа в квартиру).
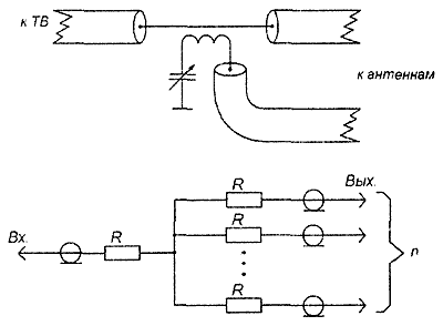
Радиолюбители предлагали [1,2] простые разветвители телевизионного сигнала, как подобные [1] этажному (рис. 1б), но по сути резонансные (не широкополосные, на 1,2 канала), так и частотно-независимые на резисторах (рис. 2а), где

a Zв (обычно 75 Ом) - волновое сопротивление всех применяемых кабелей, n - число подключаемых телевизоров.
Рис. 1б. Резонансный этажный разветвитель
Рис. 2а. Частотно-независимый разветвитель
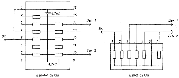
Чтобы укоротить соединения (уменьшить паразитные емкости и индуктивности), удобно использовать не отдельные резисторы, а резистивные блоки Б20 [3], соединяя резисторы в них попарно-параллельно (рис. 2б,в) или по три (рис. 2г). Такие разветвители хорошо применять, если сигнал сильный (антенна ТВЦ рядом или стоит мощный усилитель, конвертер).
Рис. 2б. Разветвитель на основе резистивного блока Б20 с попарно-параллельным соединением резисторов для выхода на два телевизора
Рис. 2в. Разветвитель на основе резистивного блока Б20 с попарно-параллельным соединением резисторов для выхода на три телевизора
Рис. 2г. Разветвитель на основе резистивного блока Б20 с соединением резисторов по три для выхода на два телевизора
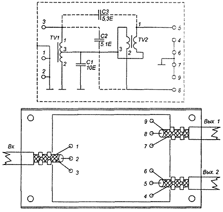
Не нарушая авторских прав, для собственного использования радиолюбители могут повторить промышленное телевизионное устройство разветвителя УТР-2.Н2 [2] (рис. За), явным достоинством которого является отсутствие потерь и наличие электрической развязки (переходного затухания) между выходами, сигналы на которых в противофазе, а широкополосность (1...12 каналы) в сторону 21 ...60 каналов можно продолжить, установив конденсаторы С2, C3 КД-1 5,1 пФ Переходное затухание между выходами составляет не менее 18 дБ.
Рис. 3a. Схема разветвителя УТР-2.Н2
Трансформаторы Т1 и Т2 идентичны и наматываются двумя проводами по 5 витков проводом ПЭВ-2 диаметром 0,47 мм непосредственно на кольцах с закругленными гранями (обтачиваются круглым надфилем) из феррита 30ВН К7х4х2 (применялись в компьютерах БЭСМ-4, в трансформаторах блокинг-генераторов делителей частоты) [4].
Оплетки всех кабелей (входа и выходов) разветвителя должны быть надежно соединены между собой и металлическим корпусом разветителя, а их центральные жилы непосредственно на выводы блока Б20 Резистор R1 типа МЛТ-0,125 150 Ом.
Если телевизор имеет два отдельных антенных входа MB и ДМВ, то к ним подключаются отдельные выходы УТР самостоятельными кабелями с волновым сопротивлением 75 Ом.
Недостатком УТР-2.Н2 является то, что для разветвителя на 3 выхода потребуется два разветвителя УТР; 4-3; 8-7 (рис. 3б)
Рис. 3б. Схемы разветвителей на 3, 4, 8 выходов
Примечание: емкости в блоках Б20-4-4 не используются, но при очень слабом сигнале могут быть присоединены, как указано пунктиром (рис. 2б) Схема Б20-4-4 для всех номиналов резисторов идентична. Ферритовые кольца могут быть типа 7ВН любого диаметра, диаметр провода некритичен, просто такой удобнее при монтаже и намотке. В качестве корпуса для разветвителя УТР можно применить часть корпуса конденсатора [5] КБГ-МН 8 мкФ 200 В или подобного по размерам. Естественно, в одном корпусе можно поместить 2 и 3 схемы (рис. За), когда необходим разветвитель на 3, 4 выхода и разветвление кабелей из одного места удобно.
Литература
- Боркуняев А. А. и др. Справочная книга радиолюбителя-конструктора. - М.: Радио и связь, 1990, с. 602.
- Применение интегральных МС в электронной вычислительной технике. - М.: Радио и связь, 1986, с. 186...188.
- Справочник по схемотехнике для радиолюбителя. - Киев, Техника, 1987, с. 33.
- Ивашин Н. Вторичное использование конденсаторов. - Радиолюбитель, 2003, №6, с. 37.
Автор: Н. Ивашин, г. Минск; Публикация: cxem.net
Смотрите другие статьи раздела Телевидение.
Читайте и пишите полезные комментарии к этой статье.
<< Назад
Последние новости науки и техники, новинки электроники:
Токсичность интернета преувеличена
07.01.2026
Социальные сети нередко воспринимаются как арена постоянной агрессии, оскорблений и распространения фейковой информации. Новое исследование Стэнфордского университета показывает, что реальность значительно отличается от популярного представления: интернет гораздо менее токсичен, чем многие пользователи считают.
Ученые опросили более тысячи американцев, попросив их оценить долю пользователей соцсетей, которые ведут себя агрессивно или распространяют ненависть. Оказалось, что впечатления людей сильно преувеличивают масштабы проблемы. Например, респонденты считали, что почти половина пользователей Reddit хотя бы раз оставляла оскорбительные комментарии, тогда как фактические данные платформы показывают, что таких людей не более 3%.
Аналогичная ситуация наблюдается с дезинформацией. Опрос показал, что большинство участников считали почти половину аудитории Facebook распространителями фейковых новостей, однако статистика говорит об обратном: фактическая доля таких пользователей состав ...>>
Процессоры Ryzen AI 400
07.01.2026
Современные вычисления все больше ориентируются на интеграцию искусственного интеллекта и высокую производительность в компактных устройствах, таких как ноутбуки и мини-ПК. Новая линейка процессоров AMD Ryzen AI 400 демонстрирует, как разработчики объединяют мощные центральные ядра, графику и нейросетевые ускорители в одном чипе, чтобы удовлетворять растущие потребности пользователей в играх, контенте и ИИ-приложениях.
AMD представила процессоры серии Gorgon Point, которые включают до 12 ядер Zen 5 и до 24 потоков вычислений. Чипы поддерживают интегрированную графику RDNA 3.5, обеспечивают максимальную тактовую частоту до 5,2 ГГц и имеют энергопотребление от 15 Вт до 54 Вт. Особое внимание уделено NPU, способному обрабатывать до 60 триллионов операций в секунду (TOPS), что делает эти процессоры эффективными для задач с искусственным интеллектом.
Конструкция Ryzen AI 400 сочетает ядра Zen 5 и Zen 5c, обеспечивая высокую гибкость и производительность. Несмотря на то, что архитектур ...>>
Женщины лучше распознают признаки болезни по лицу
06.01.2026
Способность распознавать, что кто-то нездоров, часто проявляется интуитивно: бледная кожа, опущенные веки, уставшее выражение лица могут сигнализировать о недомогании. Новое исследование международной группы ученых показало, что женщины в среднем точнее мужчин улавливают такие тонкие невербальные признаки болезни, что может иметь эволюционные и социальные объяснения.
В отличие от предыдущих работ, где использовались отредактированные фотографии или имитация больных лиц, ученые решили проверить, насколько люди способны распознавать естественные признаки недомогания. Такой подход позволил оценить реальную чувствительность к изменениям в лицах, возникающим при болезни.
В исследовании приняли участие 280 студентов, поровну мужчин и женщин. Участникам предложили оценить 24 фотографии, на которых изображены люди как в здоровом состоянии, так и во время болезни. Это дало возможность сравнить восприятие естественных признаков недомогания в реальных лицах.
Для анализа состояния каждого ...>>
Случайная новость из Архива Электроны текут подобно жидкости
20.09.2017
В ходе своих последних экспериментов ученые из Института изучения графена Манчестерского университета обнаружили условия, при которых электроны, двигающиеся по графену, ведут себя весьма необычным способом. Такое специфическое движение электронов дает ученым лучшее понимание физических процессов в электропроводящих материалах, а в недалеком будущем эти самые процессы можно будет использовать при разработке наноэлектронных схем быстрых и высокоэффективных компьютерных чипов следующего поколения.
У большинства металлов электрическая проводимость ограничена количеством дефектов их кристаллической решетки, которые заставляют электроны рассеиваться, ударяясь об них, словно бильярдные шары. Поэтому графен, благодаря его "двухмерной" структуре, проводит электрический ток гораздо лучше любого металла. Кроме того, в некоторых чистых металлах и других материалах с упорядоченной кристаллической структурой, в том числе и в графене, электроны могут без рассеивания преодолевать расстояния, исчисляющиеся микронами, за счет так называемого баллистического движения. Параметры такого движения определяют максимально возможную электрическую проводимость материала, которая называется фундаментальным пределом Ландауэра (Landauer's fundamental limit).
Однако, полученные в ходе экспериментов данные, позволили ученым сделать выводы, что закон, определяющий фундаментальный предел Ландауэра, в среде графена не соблюдается при определенных условиях. А несет за это ответственность один весьма необычный механизм, который имеет непосредственное отношение к относительно новой области физики, называемой электронной гидродинамикой (electron hydrodynamics).
Область электронной гидродинамики появилась в буквально в прошлом году после того, как ученые из Манчестерского университета и других научных организаций продемонстрировали, что при определенной температуре материала двигающиеся в нем электроны начинают сталкиваться друг с другом столь часто, что поток электронов начинает течь, словно поток жидкости, имеющей не самый маленький коэффициент вязкости. А в новых исследованиях ученые показали, что наличие этой вязкой "электронной жидкости" придает материалу более высокую электрическую проводимость, нежели баллистическое движение электронов.
Обнаруженное учеными явление достаточно парадоксально. Ведь при столкновениях электронов они взаимодействуют и рассеиваются, что, по идее, должно ослаблять электрическую проводимость материала. Но увеличение проводимости материала возникает за счет того, что электроны разбиваются на две условные части, подобно потоку воды, текущему в реке. Те электроны, которые двигаются в непосредственной близости от ребер кристаллической решетки, теряют свой импульс и замедляются. Но, одновременно с этим, они выступают в качестве защиты, ограждающей от столкновений электроны, двигающиеся в середине потока. И эти электроны движутся уже по сверхбаллистической траектории внутри "канала", созданного крайними электронами.
"Из школьного курса физики нам известно, что чем беспорядочней структура материала, тем больше его электрическое сопротивление" - рассказывает сэр Андрей Гейм, - "Но в нашем случае беспорядок, вызванный рассеиванием в результате столкновений электронов, уменьшает, а не увеличивает электрическое сопротивление материала. При этом, электроны начинают течь как жидкость и скорость движения этой жидкости превышает скорость движения электронов с такой же энергией в вакууме".
Ученые провели ряд экспериментов, в которых проводимость графена измерялась при различной температуре. Сравнение проводимости чистого графена и легированного графена, который обладает явными металлическими проводниковыми свойствами, позволило ученым с высокой точностью вычислить новую физическую величину, получившую название вязкой проводимости. И что является самым примечательным, собранные экспериментальные данные практически совпали с данными, полученными в ходе расчетов соответствующих математических моделей.
|
Другие интересные новости:
▪ 7-нм процессоры Ryzen Pro 4000 для бизнес-ноутбуков
▪ Двухпроцессорный ускоритель AMD FirePro S9300 x2
▪ Jennie продемонстрирует беспроводное near video по IEEE802.15.4
▪ Защищенный ноутбук Gigabyte U4
▪ Долгожители в фокусе внимания
Лента новостей науки и техники, новинок электроники
Интересные материалы Бесплатной технической библиотеки:
▪ раздел сайта Личный транспорт: наземный, водный, воздушный. Подборка статей
▪ статья Демосфен. Крылатое выражение
▪ статья Сколько существует галактик? Подробный ответ
▪ статья Электромеханик. Должностная инструкция
▪ статья Сенсорное реле, срабатывающее от прикосновения пальца, 10-12 вольт 120 ватт. Энциклопедия радиоэлектроники и электротехники
▪ статья Предварительный усилитель на двух лампах ЕСС83. Энциклопедия радиоэлектроники и электротехники
Оставьте свой комментарий к этой статье:
Главная страница | Библиотека | Статьи | Карта сайта | Отзывы о сайте

www.diagram.com.ua
2000-2026