Áåñïëàòíàÿ òåõíè÷åñêàÿ áèáëèîòåêà
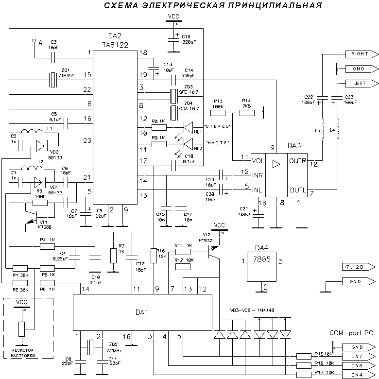
FM òþíåð äëÿ êîìïüþòåðà. Ýíöèêëîïåäèÿ ðàäèîýëåêòðîíèêè è ýëåêòðîòåõíèêè

Ýíöèêëîïåäèÿ ðàäèîýëåêòðîíèêè è ýëåêòðîòåõíèêè / Ðàäèîïðèåì
Êîììåíòàðèè ê ñòàòüå
(íàæìèòå äëÿ óâåëè÷åíèÿ)

Ïóáëèêàöèÿ: cxem.net
Ñìîòðèòå äðóãèå ñòàòüè ðàçäåëà Ðàäèîïðèåì.
×èòàéòå è ïèøèòå ïîëåçíûå êîììåíòàðèè ê ýòîé ñòàòüå.
<< Íàçàä
Ïîñëåäíèå íîâîñòè íàóêè è òåõíèêè, íîâèíêè ýëåêòðîíèêè:
Âëàñòü ÿâëÿåòñÿ êëþ÷åâûì ôàêòîðîì ñ÷àñòüÿ â îòíîøåíèÿõ
11.03.2026
Èññëåäîâàíèÿ ñåìåéíûõ è ðîìàíòè÷åñêèõ îòíîøåíèé ïîêàçûâàþò, ÷òî äëèòåëüíîå ñ÷àñòüå ïàðû çàâèñèò íå òîëüêî îò ïðèâû÷íûõ ôàêòîðîâ, òàêèõ êàê äîâåðèå, óâàæåíèå è ïðåäàííîñòü, íî è îò áîëåå òîíêèõ ïñèõîëîãè÷åñêèõ àñïåêòîâ. Ñîâðåìåííûå ó÷åíûå èùóò çàêîíîìåðíîñòè, êîòîðûå îòëè÷àþò äåéñòâèòåëüíî ñ÷àñòëèâûå ïàðû îò îñòàëüíûõ, ÷òîáû ïîíÿòü, êàêèå ìåõàíèçìû ïîääåðæèâàþò ãàðìîíèþ â îòíîøåíèÿõ.
Ãðóïïà èññëåäîâàòåëåé èç Óíèâåðñèòåòà Ìàðòèíà Ëþòåðà â Ãàëëå-Âèòòåíáåðãå è Áàìáåðãñêîãî óíèâåðñèòåòà ïðîâåëà îïðîñ ñðåäè 181 ïàðû, êîòîðûå ñîñòîÿëè â ñîâìåñòíûõ îòíîøåíèÿõ áîëåå âîñüìè ëåò è ïðîæèëè âìåñòå õîòÿ áû ìåñÿö. Ó÷àñòíèêè çàïîëíÿëè àíêåòó, îïèñûâàÿ ðàçëè÷íûå àñïåêòû ñâîèõ îòíîøåíèé, âêëþ÷àÿ ðàñïðåäåëåíèå îáÿçàííîñòåé, ýìîöèîíàëüíóþ ïîääåðæêó è ñòåïåíü âîâëå÷åííîñòè â ñîâìåñòíûå ðåøåíèÿ.
Àíàëèç äàííûõ ïîêàçàë èíòåðåñíûé ïàòòåðí: ïàðû, ãäå îáà ïàðòíåðà îùóùàëè âûñîêèé óðîâåíü ëè÷íîé âëàñòè, îêàçûâàëèñü íàèáîëåå ñ÷àñòëèâûìè è óäîâëåòâîðåííûìè.  äàííîì êîíòåêñòå ïîä âëàñòüþ ïîíèìàåòñÿ ñïîñîáíîñò ...>>
Çàùèùåííàÿ êîëîíêà-ïîâåðáàíê Anker Soundcore Boom Go 3i
11.03.2026
Êîìïàíèÿ Anker ïðåäñòàâèëà íîâóþ ìîäåëü ëèíåéêè Soundcore - êîëîíêó Soundcore Boom Go 3i, îðèåíòèðîâàííóþ íà àêòèâíîå èñïîëüçîâàíèå íà óëèöå.
Íîâèíêà îòëè÷àåòñÿ âûñîêîé ñòåïåíüþ çàùèòû: êîðïóñ ñîîòâåòñòâóåò ñòàíäàðòó IP68, ÷òî îáåñïå÷èâàåò âîäî- è ïûëåíåïðîíèöàåìîñòü, à óäàðîïðî÷íûé äèçàéí âûäåðæèâàåò ïàäåíèå ñ âûñîòû äî îäíîãî ìåòðà. Çà êà÷åñòâî çâóêà îòâå÷àåò 15-âàòòíûé äðàéâåð, îáåñïå÷èâàþùèé ïèê ãðîìêîñòè äî 92 äÁ, à òåõíîëîãèÿ BassUp 2.0 óñèëèâàåò íèçêèå ÷àñòîòû, äåëàÿ çâó÷àíèå áîëåå íàñûùåííûì.
Êîëîíêà îáëàäàåò àâòîíîìíîñòüþ äî 24 ÷àñîâ, à LED-èíäèêàòîð ïîçâîëÿåò êîíòðîëèðîâàòü óðîâåíü çàðÿäà áàòàðåè. Êðîìå òîãî, Soundcore Boom Go 3i ìîæåò âûïîëíÿòü ôóíêöèþ ïàâåðáàíêà: ñîãëàñíî âíóòðåííèì òåñòàì, óñòðîéñòâî ñïîñîáíî çàðÿäèòü iPhone 17 ñ íóëÿ äî 40% çà îäèí ÷àñ, ÷òî äåëàåò åãî ïîëåçíûì àêñåññóàðîì â ïîõîäàõ è ïîåçäêàõ.
Ñðåäè ôóíêöèîíàëüíûõ îñîáåííîñòåé ìîäåëè ñòîèò âûäåëèòü òåõíîëîãèþ Auracast, êîòîðàÿ óëó÷øàåò ïîäêëþ÷åíèå è ïîçâîëÿåò ñîçäàâàòü ñòåðåîïàðó èç äâóõ êîëîíîê ...>>
Ðàííåå âîçäåðæàíèå îò àëêîãîëÿ ïåðåñòðàèâàåò ìîçã è èììóíèòåò
10.03.2026
Àëêîãîëüíàÿ çàâèñèìîñòü - õðîíè÷åñêîå ðàññòðîéñòâî ñ êîìïóëüñèâíûì óïîòðåáëåíèåì ñïèðòíîãî, êîòîðîå âëèÿåò íå òîëüêî íà ïîâåäåíèå, íî è íà ôóíêöèîíèðîâàíèå ìîçãà è èììóííîé ñèñòåìû. Íåäàâíèå èññëåäîâàíèÿ ïîêàçàëè, ÷òî äàæå íà ðàííèõ ýòàïàõ âîçäåðæàíèÿ îðãàíèçì íà÷èíàåò ïåðåñòðàèâàòüñÿ, îòêðûâàÿ íîâûå âîçìîæíîñòè äëÿ òåðàïèè çàâèñèìîñòè.
Ó÷åíûå ñîñðåäîòî÷èëèñü íà ïàöèåíòàõ, íàõîäÿùèõñÿ â ïåðâûå íåäåëè àáñòèíåíöèè, è çàôèêñèðîâàëè çíà÷èòåëüíûå èçìåíåíèÿ â ìîçãîâîé àêòèâíîñòè. Ñ ïîìîùüþ ôóíêöèîíàëüíîé ìàãíèòíî-ðåçîíàíñíîé òîìîãðàôèè îíè âûÿâèëè ïåðåñòðîéêó ñåòåé íåéðîííûõ ñâÿçåé, îòâå÷àþùèõ çà êîíòðîëü èìïóëüñîâ è ïðèíÿòèå ðåøåíèé. Ýòè èçìåíåíèÿ ìîãóò áûòü êëþ÷åâûìè äëÿ âîññòàíîâëåíèÿ ñàìîêîíòðîëÿ è ñíèæåíèÿ ðèñêà ðåöèäèâà.
Îäíîâðåìåííî ñ íåéðîííîé ïåðåñòðîéêîé èññëåäîâàòåëè íàáëþäàëè êîëåáàíèÿ èììóííîé ñèñòåìû. Â êðîâè ïîâûøàëñÿ óðîâåíü öèòîêèíîâ - ñèãíàëüíûõ áåëêîâ, ðåãóëèðóþùèõ âîñïàëèòåëüíûå ïðîöåññû. Ýòè äàííûå ñâèäåòåëüñòâóþò î ñóùåñòâîâàíèè íåéðîèììóííîãî âçàèìîäåéñòâèÿ, ïðè ...>>
Ñëó÷àéíàÿ íîâîñòü èç Àðõèâà Ðîáîò-ïîëèöåéñêèé
10.01.2001
Íå ïðîøëî è ïîëóâåêà ñ òåõ ïîð, êàê ïîä ïåðîì Àéçåêà Àçèìîâà ðîäèëñÿ Ð. Äýíèýë Îëèâî - ðîáîò-ïîëèöåéñêèé, ó÷àñòíèê ñëîæíûõ ðàññëåäîâàíèé, íå ðàç ñïàñàâøèé â ïåðåäåëêàõ æèçíü ñâîèõ ÷åëîâå÷åñêèõ êîëëåã, - è âîò ñîçäàí âîîðóæåííûé ðîáîò-îõðàííèê.
Ðîáîò, íàçâàííûé Ðîáîãàðäîì, ïîÿâèëñÿ â Òåõíîëîãè÷åñêîì èíñòèòóòå èìåíè êîðîëÿ Ìîíãêóòà â Áàíãêîêå è ïðåäñòàâëÿåò ñîáîé íå ñïîñîáíóþ ïåðåäâèãàòüñÿ êîìáèíàöèþ êîìïüþòåðà, âèäåîêàìåðû è ïèñòîëåòà, ñìîíòèðîâàííîãî íà ìåõàíè÷åñêîé ðóêå. Ïèñòîëåò ïîêà äåòñêèé, ïíåâìàòè÷åñêèé. Ïèñòîëåò ñíàáæåí ëàçåðíûì ïðèöåëîì, îòáðàñûâàþùèì êðàñíîå ñâåòîâîå ïÿòíî íà ìèøåíü.
Ðîáîãàðä ìîæåò öåëèòüñÿ è ñòðåëÿòü ïî ñâîåé èíèöèàòèâå, çàìå÷àÿ ïåðåäâèæåíèÿ âòîðãíóâøåãîñÿ â îõðàíÿåìîå ïîìåùåíèå ÷åëîâåêà ïîñðåäñòâîì èíôðàêðàñíûõ äàò÷èêîâ. Íî õîçÿèí ýëåêòðîííîãî îõðàííèêà ìîæåò è ñàì óïðàâëÿòü ñòðåëüáîé ÷åðåç Èíòåðíåò, íàõîäÿñü â ëþáîé òî÷êå ìèðà. Äëÿ òîãî ÷òîáû ðîáîò íàæàë íà êóðîê, íàäî ââåñòè ïàðîëü.
Èçîáðåòàòåëè õîòÿò ïðåäëîæèòü ñâîå ñîçäàíèå òàèëàíäñêîé àðìèè è ÷àñòíûì êîìïàíèÿì. Íî êðèòèêè óêàçûâàþò, ÷òî èíôðàêðàñíàÿ ñèñòåìà íàâåäåíèÿ ïîäâåðæåíà ïîìåõàì (íàïðèìåð, åñëè èç-çà òó÷ âûãëÿíåò òàêîé ìîùíûé èñòî÷íèê èíôðàêðàñíûõ ëó÷åé, êàê Ñîëíöå), ÷òî óïðàâëåíèå ðîáîòîì-îõðàííèêîì ïî Èíòåðíåòó áóäåò íåóäîáíûì è ñëèøêîì èíåðöèîííûì, à ãëàâíîå - ÷òî íåëüçÿ äîâåðÿòü ðîáîòó ðåøåíèå îá îòêðûòèè îãíÿ.
 òàêîì ñëó÷àå íåïîíÿòíî, ÷åì ñòðåëÿþùèé ðîáîò ëó÷øå îáûêíîâåííîé íåâîîðóæåííîé îõðàííîé ñèãíàëèçàöèè?
|
Äðóãèå èíòåðåñíûå íîâîñòè:
▪ Ðàçðóøåíèå îïóõîëè èçíóòðè
▪ DPP-3 - òðåõôàçíûå èñòî÷íèêè ïèòàíèÿ TDK-Lambda íà DIN-ðåéêó
▪ Çàùèòà ýëåêòðîñåòåé îò êèáåðàòàê
▪ Êðîìàíüîíåö áûë óìíåå íàñ
▪ Êàðòà ðàñøèðåíèÿ SilverStone ECU04 2õUSB 3.0
Ëåíòà íîâîñòåé íàóêè è òåõíèêè, íîâèíîê ýëåêòðîíèêè
Èíòåðåñíûå ìàòåðèàëû Áåñïëàòíîé òåõíè÷åñêîé áèáëèîòåêè:
▪ ðàçäåë ñàéòà Çâîíêè è àóäèî-èìèòàòîðû. Ïîäáîðêà ñòàòåé
▪ ñòàòüÿ Ýðíñò Ôåéõòåðñëåáåí. Çíàìåíèòûå àôîðèçìû
▪ ñòàòüÿ Ãäå æèëè ëþäè â êàìåííîì âåêå? Ïîäðîáíûé îòâåò
▪ ñòàòüÿ Ñëåñàðü ïî èçãîòîâëåíèþ è ñáîðêå ìåòàëëîêîíñòðóêöèé. Òèïîâàÿ èíñòðóêöèÿ ïî îõðàíå òðóäà
▪ ñòàòüÿ Óñèëèòåëü íèçêîé ÷àñòîòû íà ìèêðîñõåìå LA4182. Ýíöèêëîïåäèÿ ðàäèîýëåêòðîíèêè è ýëåêòðîòåõíèêè
▪ ñòàòüÿ Íîðìû ïðèåìî-ñäàòî÷íûõ èñïûòàíèé. Ðàçúåäèíèòåëè, îòäåëèòåëè è êîðîòêîçàìûêàòåëè. Ýíöèêëîïåäèÿ ðàäèîýëåêòðîíèêè è ýëåêòðîòåõíèêè
Îñòàâüòå ñâîé êîììåíòàðèé ê ýòîé ñòàòüå:
Ãëàâíàÿ ñòðàíèöà | Áèáëèîòåêà | Ñòàòüè | Êàðòà ñàéòà | Îòçûâû î ñàéòå

www.diagram.com.ua
2000-2026