Бесплатная техническая библиотека
Цифровой FM стерео приемник 60-110 МГц с микропроцессорным управлением. Энциклопедия радиоэлектроники и электротехники

Энциклопедия радиоэлектроники и электротехники / Радиоприем
Комментарии к статье
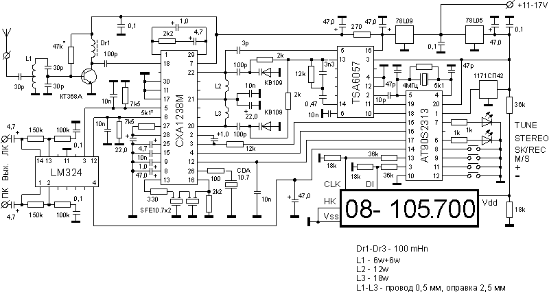
Краткие технические характеристики:
Габариты: 106х36х20 мм;
Напряжение питания 11-15 В;
Ток потребления 45 мА;
Чувствительность 1 мкВ;
Амплитуда выходного НЧ сигнала 1 В (линейный выход);
- 60 каналов долговременной памяти;
- переключение по каналам памяти;
- запись в канал требуемой частоты;
- режим моно/стерео;
- режим сканирования;
- индикация номера канала и частоты на экране ЖКИ дисплея;
- светодиодная индикация настройки на станцию и наличия стереосигнала;
- установка промежуточной частоты приемника и границ диапазона приема.
Приемник представляет собой функционально законченный блок с линейным выходом, предназначенный для подключения к УМНЧ. Собственно сам приемник собран на микросхеме фирмы "Sony" CXA1538. Для управления работой приемника используется микропроцессор фирмы "Atmel" AT90S2313 и синтезатор частот фирмы "Philips" TSA6057. В качестве индикатора используется широко распространенный ЖКИ фирмы Holtek HT-1611. На индикаторе отображается номер канала, частота, а также режим "моно/стерео".
Приемник осуществляет следующий функциональный алгоритм:
При подаче питания на приемник устанавливается частота, записанная в первый канал памяти. Переход на другой канал осуществляется кратковременным нажатием на кнопку "-" или "+". При длительном удержании кнопки "-" или "+" осуществляется ускоренный перебор каналов.
Режим "моно/стерео" выбирается нажатием на кнопку "M/S". В режиме "стерео" рядом с номером канала на ЖКИ дисплее высвечивается тире.
Сканирование осуществляется кратковременным нажатием на кнопку "SK/ZAP". При этом осуществляется циклическое сканирование частоты в пределах выбранного диапазона приема. При обнаружении станции сканирование автоматически останавливается. Принудительный останов сканирования осуществляется нажатием на любую из кнопок. При включенном режиме "стерео" автоматический останов сканирования происходит только на станциях передающих стереосигнал.
Чтобы произвести запись в определенный канал памяти определенной частоты надо:
- нажать на кнопку "SK/ZAP" и удерживая ее кнопками "-" и "+" выбрать нужный канал памяти;
- нажать на кнопку "M/S" и удерживая ее кнопками "-" и "+" набрать нужную частоту;
- нажатием кнопки "M/S" выбрать режим "моно" или "стерео";
- затем нажать кнопку "SK/ZAP" на 3 сек до появления тире рядом с индицируемой частотой.
Запись сделана. При выключении питания записанные данные сохраняются. При длительном удержании кнопки "SK/ZAP" (более 6 сек) осуществляется стирание частоты из выбранного канала памяти. При этом на месте индицируемой частоты появляются тире. Теперь при переборе каналов этот канал индицироваться не будет.
(нажмите для увеличения)
Для установки нижней границы приема при подаче питания на приемник нажать кнопку "-". На ЖКИ дисплее высветится установленная нижняя граница приема. Затем кнопками "-" или "+" набрать нужную частоту. Затем нажать кнопку "SK/ZAP" на 3 сек до появления тире рядом с индицируемой частотой. Нижняя граница приема записана.
Для установки верхней границы приема при подаче питания на приемник нажать кнопку "+". На ЖКИ дисплее высветится установленная верхняя граница приема. Затем кнопками "-" или "+" набрать нужную частоту. Затем нажать кнопку "SK/ZAP" на 3 сек до появления тире рядом с индицируемой частотой. Верхняя граница приема записана.
Для установки промежуточной частоты при подаче питания на приемник нажать кнопку "M/S". На ЖКИ дисплее высветится установленная промежуточная частота. Затем кнопками "-" или "+" набрать нужную частоту. Затем нажать кнопку "SK/ZAP" на 3 сек до появления тире рядом с индицируемой частотой. Промежуточная частота записана.
Публикация: cxem.net
Смотрите другие статьи раздела Радиоприем.
Читайте и пишите полезные комментарии к этой статье.
<< Назад
Последние новости науки и техники, новинки электроники:
Власть является ключевым фактором счастья в отношениях
11.03.2026
Исследования семейных и романтических отношений показывают, что длительное счастье пары зависит не только от привычных факторов, таких как доверие, уважение и преданность, но и от более тонких психологических аспектов. Современные ученые ищут закономерности, которые отличают действительно счастливые пары от остальных, чтобы понять, какие механизмы поддерживают гармонию в отношениях.
Группа исследователей из Университета Мартина Лютера в Галле-Виттенберге и Бамбергского университета провела опрос среди 181 пары, которые состояли в совместных отношениях более восьми лет и прожили вместе хотя бы месяц. Участники заполняли анкету, описывая различные аспекты своих отношений, включая распределение обязанностей, эмоциональную поддержку и степень вовлеченности в совместные решения.
Анализ данных показал интересный паттерн: пары, где оба партнера ощущали высокий уровень личной власти, оказывались наиболее счастливыми и удовлетворенными. В данном контексте под властью понимается способност ...>>
Защищенная колонка-повербанк Anker Soundcore Boom Go 3i
11.03.2026
Компания Anker представила новую модель линейки Soundcore - колонку Soundcore Boom Go 3i, ориентированную на активное использование на улице.
Новинка отличается высокой степенью защиты: корпус соответствует стандарту IP68, что обеспечивает водо- и пыленепроницаемость, а ударопрочный дизайн выдерживает падение с высоты до одного метра. За качество звука отвечает 15-ваттный драйвер, обеспечивающий пик громкости до 92 дБ, а технология BassUp 2.0 усиливает низкие частоты, делая звучание более насыщенным.
Колонка обладает автономностью до 24 часов, а LED-индикатор позволяет контролировать уровень заряда батареи. Кроме того, Soundcore Boom Go 3i может выполнять функцию павербанка: согласно внутренним тестам, устройство способно зарядить iPhone 17 с нуля до 40% за один час, что делает его полезным аксессуаром в походах и поездках.
Среди функциональных особенностей модели стоит выделить технологию Auracast, которая улучшает подключение и позволяет создавать стереопару из двух колонок ...>>
Раннее воздержание от алкоголя перестраивает мозг и иммунитет
10.03.2026
Алкогольная зависимость - хроническое расстройство с компульсивным употреблением спиртного, которое влияет не только на поведение, но и на функционирование мозга и иммунной системы. Недавние исследования показали, что даже на ранних этапах воздержания организм начинает перестраиваться, открывая новые возможности для терапии зависимости.
Ученые сосредоточились на пациентах, находящихся в первые недели абстиненции, и зафиксировали значительные изменения в мозговой активности. С помощью функциональной магнитно-резонансной томографии они выявили перестройку сетей нейронных связей, отвечающих за контроль импульсов и принятие решений. Эти изменения могут быть ключевыми для восстановления самоконтроля и снижения риска рецидива.
Одновременно с нейронной перестройкой исследователи наблюдали колебания иммунной системы. В крови повышался уровень цитокинов - сигнальных белков, регулирующих воспалительные процессы. Эти данные свидетельствуют о существовании нейроиммунного взаимодействия, при ...>>
Случайная новость из Архива Существование пятой силы не подтверждено
15.09.2019
То, что Вселенная постоянно расширяет свои границы, ученым было известно достаточно давно, но данные от космического телескопа Hubble, полученные еще в 1990-х годах, указывают на то, что сейчас расширение Вселенной происходит гораздо быстрее, чем в далеком прошлом. Этот факт наделал много шума в свое время, заставив ученых пересмотреть и построить заново все модели Вселенной. Расчеты обновленных моделей подсказали физикам о существовании в пространстве некоей неизвестной энергии, которая как раз и отвечает за ускорение расширения Вселенной. Эта энергия получила название "темная энергия" и сейчас, спустя несколько десятилетий, мы имеем лишь смутное представление о ее истинной природе.
Одним из возможных объяснений явления темной энергии является предположение, что эта энергия - это некая пятая фундаментальная сила, действующая на материю наряду с силами гравитации, электромагнетизма, сильных и слабых ядерных взаимодействий. И недавно группа исследователей из Имперского колледжа в Лондоне решила устроить тщательную проверку данной теории, используя для этого эксперимент с единственным атомом.
Целью данного эксперимента являлись исследования вопроса, слабеет ли эта пятая сила при увеличении количества задействованной в ее формировании материи? Это полная противоположность силе гравитации, которая увеличивается с увеличением массы материи. Если бы это имело место быть, то можно было бы ожидать сильных проявлений пятой силы в космическом вакууме и ее ослабевания вблизи даже не очень больших скоплений материи, таких, как планеты.
Для проверки всего этого ученые использовали так называемый атомный интерферометр, позволяющий обнаружить и измерить любые дополнительные силы, действующие на единственный атом. В эксперименте использовалась камера, внутри которой был создан вакуум очень высокой глубины. Внутри этой вакуумной камеры находилась металлическая сфера, а в верхней части камеры находилось устройство, отправляющее отдельные атомы в свободное падение. Наличие любой пятой силы вызвало бы крошечное изменение траектории падения атома в тот момент, когда атом находился рядом с металлической сферой.
Однако, в собранных во время эксперимента данных не нашлось ничего, касающегося изменения траектории падения атомов и других доказательств существования пятой фундаментальной силы. Это означает, что ученые-физики могут исключить целый класс моделей темной энергии, базирующиеся на пятой силе, и сосредоточиться на других более перспективных моделях, дающих объяснение этому явлению.
Одна из сильных сторон данного эксперимента заключается в его простоте. "Весьма необычно то, что мы способны узнавать нечто новое о строении Вселенной, используя установку, стоящую на столе в оном из подвалов Лондона" - рассказывает Эд Хиндс (Ed Hinds), профессор из Отдела физики Имперского колледжа в Лондоне.
|
Другие интересные новости:
▪ Робособака Sony aibo нового поколения
▪ Космический аппарат полетит на Солнце
▪ Первые 60 спутников глобального интернета
▪ С возрастом люди становятся более милосердными
▪ Новый цифровой переключатель TDM
Лента новостей науки и техники, новинок электроники
Интересные материалы Бесплатной технической библиотеки:
▪ раздел сайта Синтезаторы частоты. Подборка статей
▪ статья Симона Вейль. Знаменитые афоризмы
▪ статья Как некоторые авторы Википедии разыгрывают читателей? Подробный ответ
▪ статья Должностные лица и их обязанности
▪ статья Кожа, уход за обувью. Простые рецепты и советы
▪ статья Исчезающие монеты. Секрет фокуса
Оставьте свой комментарий к этой статье:
Главная страница | Библиотека | Статьи | Карта сайта | Отзывы о сайте

www.diagram.com.ua
2000-2026