Menu Home

Бесплатная техническая библиотека для любителей и профессионалов Бесплатная техническая библиотека


Трансвертер на 50...51 МГц. Энциклопедия радиоэлектроники и электротехники

Бесплатная техническая библиотека

Энциклопедия радиоэлектроники и электротехники / Гражданская радиосвязь

Комментарии к статье Комментарии к статье

Так как современные трансиверы имеют чувствительность в диапазоне 28...30 МГц не хуже 0,25 мкВ, нет необходимости делать усиление приемной части приставки более 10 дБ. Совместно с трансивером общая чувствительность в диапазоне 50...51 МГц будет не хуже 0,1 мкВ, с достаточным динамическим диапазоном.

Трансвертер имеет следующие параметры:

- усиление в режиме приема - 10 дБ;
- двухсигнальная избирательность - 80 дБ;
- выходная мощность - не менее 5 Вт.

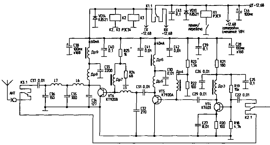
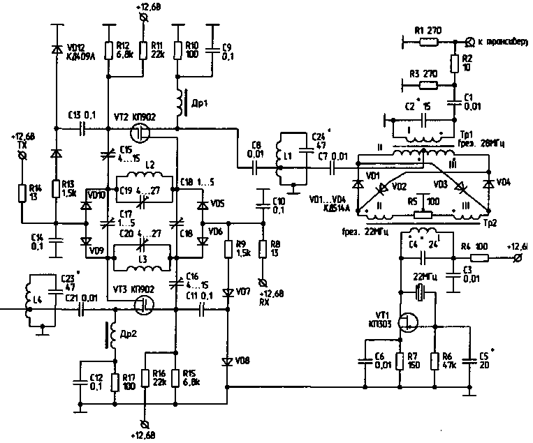
Принципиальная схема трансвертера показана на рис.1.

В основу положена оригинальная схема высокодинамичного реверсивного усилителя, успешно используемая в различных приемо-передающих конструкциях.

Реверсивный усилитель в данной схеме имеет коэффициент усиления 20 дБ в обе стороны. Затухание сигнала в пассивном смесителе и аттенюаторе составляет 10 дБ, поэтому оставшиеся 10 дБ вполне достаточны для усиления по высокой частоте. В принципе, усилитель позволяет получить усиление до 40 дБ, для этого необходимо поднять напряжение питания до максимального паспортного значения (для КП902 - это 50 В), соответственно изменив напряжение смещения на затворах до получения тока стока в пределе 120 мА. Если используются малогабаритные контура с низкой добротностью, для получения необходимого усиления номиналы резисторов делителя (в схеме R12, R15) необходимо увеличить. От их величины и шунтирующего действия на колебательную систему зависит усиление схемы. Но, как и в любом деле, необходимо получить то, что необходимо, а лишнее на пользу не пойдет.

Трансвертер на 50...51 МГц
Рис.1а (нажмите для увеличения)

Трансвертер на 50...51 МГц
Рис.1б (нажмите для увеличения)

Работа схемы

В режиме "Прием" сигнал с антенного гнезда через контакты реле К3, К2 поступает на одиночный контур L4, С23, который осуществляет предварительную селекцию в диапазоне 50 МГц. С контура сигнал поступает на реверсивный усилитель, в котором используется двухконтурный ФСС. С выхода усилителя сигнал поступает на контур-диплексор - L1, С24. В режиме "Прием" он повышает общую избирательность приставки и согласовывает выходное сопротивление усилителя с входным сопротивлением смесителя.

Затем сигнал поступает на смеситель VD1...VD4, который выполнен по схеме двойного балансного смесителя. Выходной контур Тр1 настроен на середину диапазона 28 МГц. Затем сигнал поступает в трансивер.

Кварцевый генератор на 22 МГц (VT1) собран по хорошо зарекомендовавшей схеме Пирса. Этот генератор обеспечивает малое содержание гармоник и достаточную амплитуду выходного сигнала. Колебательный контур генератора состоит из С4 и первичной обмотки трансформатора смесителя Тр2.

В режиме "Передача" сигнал с трансивера, с амплитудой не более 0,5 В, поступает на вход трансвертера. Через аттенюатор R1, R2, R3 сигнал подается на смеситель. В результате сложения частоты 28...29 МГц с частотой кварцевого генератора 22 МГц, получаем сигнал в диапазоне 50...51 МГц. С выхода смесителя сигнал поступает на контур L1, С24, согласующий смеситель с реверсивным усилителем и осуществляющий предварительную селекцию сигнала. Затем сигнал усиливается реверсивным усилителем на VT2, VT3, и с контура L4, С23 сигнал через контакты реле К2.1 подается на вход усилителя мощности VT4...VT6. С выхода усилителя мощности сигнал через контакты реле КЗ.1 поступает в антенну. Усилитель мощности работает устойчиво.

Намоточные данные:

Тр1 и Тр2 оба намотаны на сердечнике СБ-12. Обмотки: I - 9 витков, II - 4 витка, III - 4 витка, провод - ПЭЛШО 0,29.

Контурные катушки L1...L7 - бескаркасные.

L1, L4 намотаны на оправке диаметром 6 мм проводом ПЭЛ 0,8 (9 витков), отвод от 3 витка;

L2, L3 - на оправке диаметром 10мм проводом ПЭЛ 0,8 - 7 витков;

L5 - на оправке диаметром 6,4 мм проводом ПЭЛ 0,33 - 1 виток;

L6 - на оправке диаметром 6,4 мм проводом ПЭЛ 0,8 - 1 виток;

L7 - на оправке диаметром 5 мм проводом ПЭЛ 0,8 - 5 витков.

Др1, Др2 - типа ДМ с индуктивностью 30 мкГн;

Др3 - типа ДПМ с индуктивностью 3 мкГн;

Др4, Др7 намотаны на ферритовом кольце К10х6х4 600...1000 НН, 4 витка ПЭЛ 0,29;

Др5, Др 8 - на резисторе МЛТ 0,5 на 180 Ом, 12 витков ПЭЛ 0,29;

Др6 - Дм0,4, 20 мкГн;

Др9-Дм3, 12 мкГн.

При отсутствии указанных дросселей можно использовать любые сердечники стандартных дросселей, предварительно смотав обмотку и намотав новую, с требуемой индуктивностью.

Настройка

Вначале подбором емкости С4 и вращением сердечника Тр2 настраивается на имеющую частоту 22 МГц выходной контур кварцевого генератора. Добившись максимальной амплитуды на обмотке II или III трансформатора Т2, подбором емкости С5 устанавливают ВЧ напряжение 0,5 В.

Подстроечным резистором R5 добиваются максимального подавления частоты 22 МГц на конденсаторе С7. Выключив питание схемы генератора путем отпаивания одного из выводов резистора R4, подбором емкости С2 и вращением сердечника Тр1 настраивают обмотку I Тр1 на частоту 28,5 МГц. Затем производят настройку реверсивного усилителя. Для этого необходим любой ИЧХ. Отпаивают конденсаторы С21 и С8 от контуров L4, С23 и L1, С24 соответственно, вместо них подпаивают резисторы по 100 Ом, подключают ИЧХ и соответственно подают требуемое напряжение RX или ТХ +12,6 В. Первоначально ставят подстроечные конденсаторы С15, С16 в среднее положение, и подбором емкости конденсаторов С19, С20 и емкости конденсатора связи С18 (первоначально установив его в положение минимальной емкости) устанавливают требуемую АЧХ ФСС, добиваясь также конденсаторами С15 или С16 максимального усиления и максимально возможной плоскости вершины АЧХ. Затем меняют местами вход и выход ИЧХ на усилителе, подают напряжение, соответствующее или ТХ, или RX, и производят небольшую подстройку ФСС в реверсивном режиме. Подпаивают сначала контур L4, С23, и в режиме ТХ настраивают в резонанс, затем в режиме RX подпаивают контур L1, С24 и тоже настраивают его в резонанс (отпаяв соответственно резисторы по 100 Ом).

Усилитель мощности практически никакой настройки не требует, кроме подгонки тока покоя транзисторов VT5, VT6 резисторами R23 и R25 соответственно.

Конструкция

Трансвертер выполнен на одной печатной плате (рис.4) из двустороннего фольгированного стеклотекстолита. На одной стороне выполнена печатная схема, а вторая используется как металлический экран. После окончательной настройки со всех четырех сторон припаиваются полоски стеклотекстолита, изготавливается коробка. Все детали, кроме относящихся к усилителю мощности, монтируются со стороны сплошной фольги (отверстия под выводы зенкуются), как показано на рис.2.

Монтаж усилителя мощности производится со стороны печатных проводников (рис.3) печатной платы, с другой стороны установлен радиатор для транзисторов усилителя мощности. На боковую поверхность выведены разъемы СР50, АНТ и трансивера. С другой стороны через проходные конденсаторы подается напряжение питания +12,6 В и сигнал управления прием-передача.

Автор: В.Лазовик (UT2IP), г.Макеевка; Публикация: Н. Большаков, rf.atnn.ru

Смотрите другие статьи раздела Гражданская радиосвязь.

Читайте и пишите полезные комментарии к этой статье.

<< Назад

Последние новости науки и техники, новинки электроники:

Оптимальная продолжительность сна 12.11.2025

Сон играет ключевую роль в поддержании здоровья, когнитивных функций и общего самочувствия. Несмотря на широко распространенный стереотип о восьмичасовом сне, последние исследования показывают, что оптимальная продолжительность сна для большинства здоровых взрослых ближе к семи часам. Эволюционный биолог из Гарварда, Дэниел Э. Либерман, утверждает, что традиционная норма восьми часов сна - это скорее культурное наследие индустриальной эпохи, чем биологическая необходимость. По его словам, полевые исследования, проведенные в сообществах, не использующих электричество, показывают, что средняя продолжительность сна составляет 6-7 часов, что значительно отличается от общепринятого стандарта. Современные эпидемиологические данные подтверждают этот взгляд. Исследования выявили так называемую "U-образную кривую" зависимости между продолжительностью сна и рисками для здоровья. Минимальные показатели заболеваемости и смертности наблюдаются именно у людей, спящих около семи часов в сутки. ...>>

Дефицит кислорода усиливает выброс закиси азота 12.11.2025

Парниковые газы играют ключевую роль в изменении климата, а закись азота (N2O) - один из наиболее опасных среди них. Этот газ не только втрое сильнее углекислого газа в удержании тепла, но и разрушает озоновый слой. Недавнее исследование американских ученых показало, что микробы в зонах с низким содержанием кислорода активно производят N2O, усиливая глобальные климатические риски. Команда из Университета Пенсильвании изучала прибрежные воды у Сан-Диего и провела наблюдения на глубинах от 40 до 120 метров в Восточной тропической северной части Тихого океана - одной из крупнейших зон дефицита кислорода. Исследователи сосредоточились на том, как морские микроорганизмы превращают нитраты в закись азота. В ходе работы выяснилось, что существует два пути образования N2O. Один путь начинается с нитрата, другой - с нитрита. На первый взгляд более короткий путь должен быть эффективнее, однако микробы, использующие нитрат, продуцируют больше газа, поскольку этот "сырьевой" источник более д ...>>

Омега-3 помогают молодым кораллам выживать 11.11.2025

Сохранение коралловых рифов становится все более актуальной задачей в условиях глобального изменения климата. Молодые кораллы особенно уязвимы на ранних стадиях развития, когда стрессовые условия и нехватка питательных веществ могут привести к высокой смертности. Недавнее исследование ученых из Технологического университета Сиднея показывает, что специальные пищевые добавки способны существенно повысить выживаемость личинок кораллов. В ходе работы исследователи разработали особый состав "детского питания" для коралловых личинок. В него вошли масла, богатые омега-3 жирными кислотами, а также важные стерины, необходимые для формирования клеточных мембран. Личинки, получавшие эти добавки, развивались быстрее, становились крепче и демонстрировали более высокую устойчивость к стрессовым факторам. Особое внимание ученые уделили липидам. Анализ показал, что личинки активно усваивают эти вещества, что напрямую влияет на их жизнеспособность. Стерины, содержащиеся в корме, повышают устойчи ...>>

Случайная новость из Архива

Молекулярный датчик для смартфонов 16.12.2020

Фантастические фильмы демонстрируют передовые технологии сбора и анализа разнообразной информации о человеке. Не менее современную технологию подготовила немецкая компания, разработавшая датчик для проведения полноценного молекулярного анализа с помощью смартфона.

Смартфоны с трикодерами уже не раз появлялись на разных выставках, но все они были слишком большими. Но разработка немецкой компании Trinamix как раз отличается от всех аналогов размером: датчик будет находиться внутри телефона и окажется не больше размера модуля камеры.

Работа инфракрасного спектроскопического датчика основана на технологии Qualcomm AI Engine для обработки захваченных молекулярных данных. Это позволит решать целый ряд проблем: от сканирования тела для получения оптимальных рекомендаций по уходу за кожей и рациона до обнаружения поддельных тканей и любых других продуктов.

Ключевой особенностью технологии называется ее универсальность, ведь для получения новых функций нужно будет всего лишь обновить прошивку. Дополнительно заявлена способность определять состав различных пластмасс, измерять уровень кофеина и влаги в кофейных зернах, а также процентное соотношение белков, жиров и углеводов в продуктах питания.

Пока разработка еще не завершена, а финальная версия устройства не готова. Коммерческое использование запланировано на четвертый квартал 2021 года, но сначала производители смартфонов должны интегрировать датчик в свои устройства.

Другие интересные новости:

▪ Самый прочный материал в мире

▪ Депрессия снижает эффективность химиотерапии

▪ Создана первая синтетическая сетчатка глаза

▪ Чип Wi-Fi со скоростью 1,7 Гбит/с

▪ От воспоминаний можно избавиться

Лента новостей науки и техники, новинок электроники

 

Интересные материалы Бесплатной технической библиотеки:

▪ раздел сайта Энциклопедия радиоэлектроники и электротехники. Подборка статей

▪ статья Коммерческая деятельность. Шпаргалка

▪ статья Какой народ пользовался трехмерными картами, вырезанными из дерева? Подробный ответ

▪ статья Начальник отдела подсобного сельского хозяйства. Должностная инструкция

▪ статья Протрава для имитации серого клена. Простые рецепты и советы

▪ статья Как различить плюс и минус батарейки. Химический опыт

Оставьте свой комментарий к этой статье:

Имя:


E-mail (не обязательно):


Комментарий:





Главная страница | Библиотека | Статьи | Карта сайта | Отзывы о сайте

www.diagram.com.ua

www.diagram.com.ua
2000-2025