Бесплатная техническая библиотека
Телефонный интерфейс. Энциклопедия радиоэлектроники и электротехники

Энциклопедия радиоэлектроники и электротехники / Телефония
Комментарии к статье
Предлагаемое устройство позволяет одночастотным симплексным радиостанциям иметь выход в городскую телефонную сеть.
Устройство состоит из:
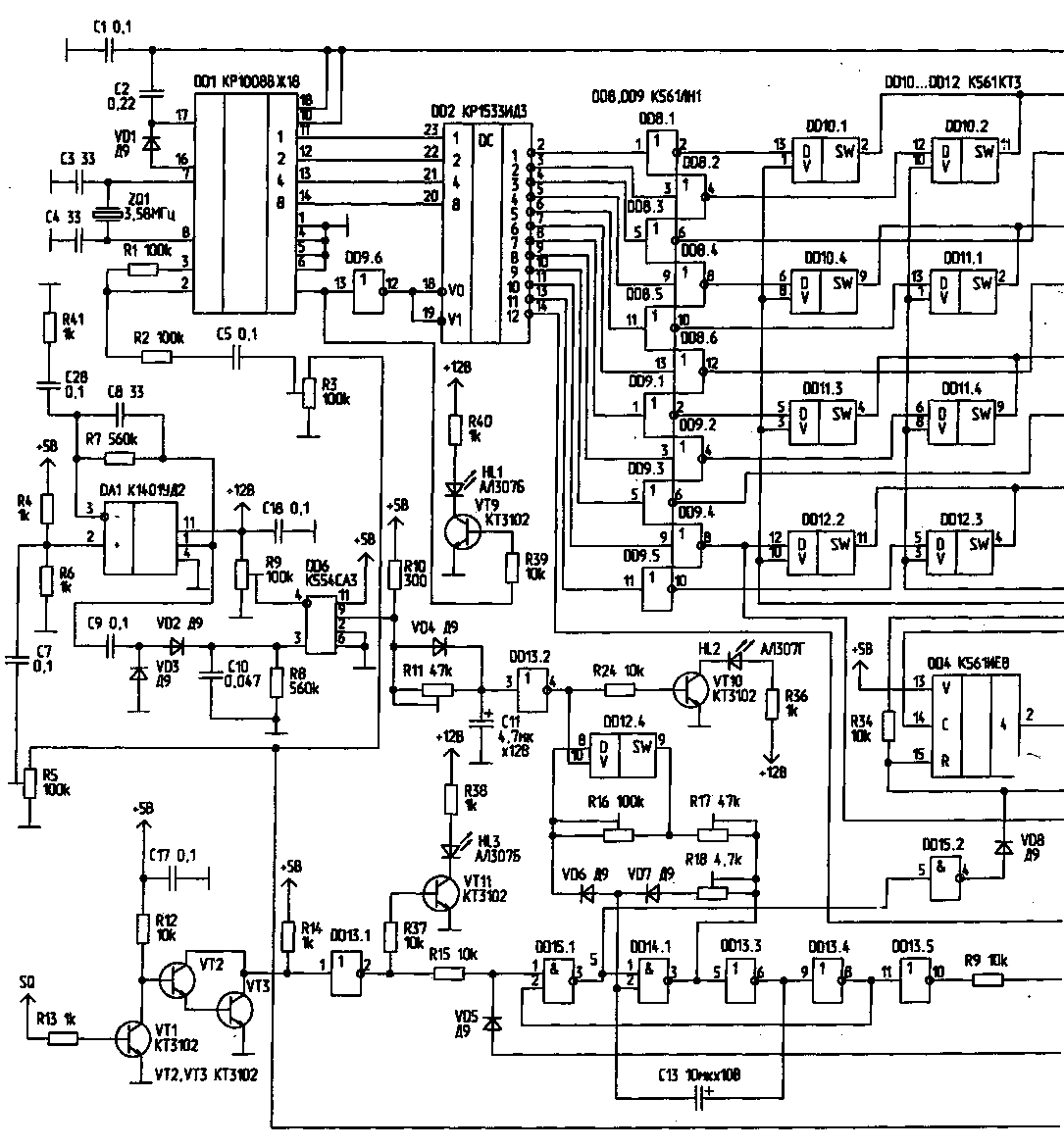
- приемника и преобразователя DTMF сигналов в десятичный код и импульсы набора номера, выполненных на DD1...DD3, DD8...DD12;
- усилителя и компаратора VOX системы на DA1 и DD6;
- генератора, управляющего переключением прием-передача, собранного на D12.4,D13.3...13.5, D14.1, D15.1;
- схемы автоматического сброса на DD4, DD5;
- формирователя вызывного сигнала на DD7.
Схема интерфейса - Рисунок 1
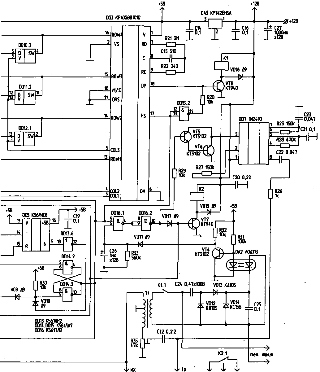
Схема интерфейса - Рисунок 2
Кратко рассмотрим работу интерфейса. После приема радиостанцией, подключенной к интерфейсу, знака "*" и последующего ввода набираемого телефонного номера устройство переходит в режим двусторонней симплексной связи - периодически переключается на прием. При появлении в телефонной линии каких-либо сигналов (посылка вызова, голос) время передачи увеличивается, но схема в любом случае периодически переходит на прием для обнаружения возможного голосового сигнала и сигналов управления от радиостанции. Все временные параметры легко поддаются изменению. Также возможно увеличение разрядности кода доступа-пароля" путем установки между элементами дешифратора и триггером DD14.2, DD14.3 схемы, дающей на выходе логический "0" при определенной последовательности входных сигналов. Сброс телефонного интерфейса осуществляется сигналом "#". Входящий телефонный вызов переводит схему в режим передачи и генерации в радиоканал мелодичного звукового сигнала (цепь С24, VD12...VD14, С25, DA2, VT4). Элементы DD4, DD5, DD13.6, HDD15.2 сбрасывают интерфейс при долгом отсутствии несущей от приемника.
Для работы телефонного интерфейса необходимы следующие соединения с базовой радиостанцией: - выход приемника радиостанции подключается к точке RX интерфейса. Необходимый уровень сигнала устанавливается в радиостанции; - НЧ вход передатчика соединяется с точкой ТХ. При отсутствии возможности регулировки уровня сигнала в радиостанции между интерфейсом и передатчиком подключается резистивный делитель; - контакт SQ подключается к приемнику таким образом, чтобы появление несущей (открывание шумоподавителя) приводило к переходу напряжения в точке SQ из логической "1"(1...3В)в"0"(0...0,ЗВ).
Допустимо применение оптрона (при соответствующем включении), светодиод которого засвечивается сигналом SQ радиостанции.
Режимом "Прием-передача" управляет, при соответствующем включении контактов, реле К2 интерфейса. Если радиостанция имеет электронную коммутацию режимов работы, лучше использовать бесконтактное управление, заменив реле К2 например оптроном.
Подстроечным резистором R3 устанавливается чувствительность приемника DTMF, R5 - чувствительность усилителя VOX, R9 - порог работы компаратора DD6, R11 - задержка на возврат VOX в исходное состояние после прекращения НЧ
сигнала в линии, R16 - период работы "на передачу" переключающего генератора при наличии НЧ сигнала в телефонной линии, R17 - период работы "на передачу" генератора при отсутствии НЧ сигнала в телефонной линии, R18 - период работы "на прием" переключающего генератора при отсутствии активного сигнала SQ. R35 устанавливает необходимый уровень НЧ сигнала из телефонной линии на вход передатчика.
Светодиод HL1 индицирует прием сигналов DTMF, HL2 - прием НЧ сигнала системой VOX, HL3 - срабатывание шумоподавителя в приемнике.
Изменяя общий коэффициент деления счетчиков DD4 и DD5, можно изменить задержку на сброс интерфейса при долгом отсутствии сигнала на входе приемника.
Некоторые особенности принципиальной схемы:
-диод VD1 должен быть германиевым, в противном случае параллельно диоду подключается резистор сопротивлением порядка 200...300 кОм;
- трансформатор Т1 в схеме может быть практически любой, желательно, чтобы коэффициент трансформации равнялся примерно единице, а сопротивление обмотки, подключаемой к линии, было в пределах 200...500 Ом.
Авторы: А.Довнар, В.Русецкий, г.Минск; Публикация: Н. Большаков, rf.atnn.ru
Смотрите другие статьи раздела Телефония.
Читайте и пишите полезные комментарии к этой статье.
<< Назад
Последние новости науки и техники, новинки электроники:
Глазные капли, возвращающие молодость зрению
05.10.2025
С возрастом человеческий глаз постепенно теряет способность четко видеть на близком расстоянии - развивается пресбиопия, или возрастная дальнозоркость. Этот естественный процесс связан с утратой эластичности хрусталика и ослаблением цилиарной мышцы, отвечающей за фокусировку. Миллионы людей по всему миру сталкиваются с необходимостью носить очки для чтения или прибегают к хирургическим методам коррекции. Однако исследователи из Центра передовых исследований пресбиопии в Буэнос-Айресе представили решение, которое может стать удобной и неинвазивной альтернативой - специальные глазные капли, способные улучшать зрение на длительный срок.
Разработку возглавила Джованна Беноцци, директор Центра. По ее словам, цель исследования состояла в том, чтобы предоставить пациентам с пресбиопией эффективный и безопасный способ коррекции зрения без хирургического вмешательства. Новые капли, созданные на основе пилокарпина и диклофенака, показали убедительные результаты: уже через час после первого пр ...>>
Цифровая рация Xiaomi Digital Walkie Talkie
05.10.2025
Компания Xiaomi представила современное устройство, объединившее классические принципы радиосвязи с возможностями цифровых технологий.
Новинка под названием Xiaomi Digital Walkie Talkie демонстрирует, как привычные рации могут быть переосмыслены в духе времени. Устройство оснащено цветным дисплеем диагональю 1,57 дюйма, который отображает список контактов, параметры соединения и даже примерное местоположение собеседника. Такой подход превращает стандартную рацию в компактное средство связи, сочетающее функциональность смартфона и устойчивость профессиональной техники.
Одним из ключевых преимуществ стала высокая автономность. Встроенный аккумулятор емкостью 2500 мА·ч обеспечивает до 100 часов работы в режиме ожидания и около 14 часов непрерывных разговоров, что особенно важно в экспедициях, на дальних маршрутах или в зонах, где подзарядка невозможна. Согласно данным портала unionrayo.com, такое время работы выгодно отличает устройство от большинства аналогов.
По дальности дейст ...>>
Открыт обращаемый драйвер старения
04.10.2025
Недавняя работа ученых из Сямэньского университета в Китае показала, что в гипоталамусе, главном регуляторе внутренних функций организма, кроется один из ключей к продлению молодости.
Команда под руководством Лиге Ленга обнаружила, что снижение уровня белка менина в гипоталамусе связано с ускорением процессов старения. Менин, как выяснилось, играет важную роль в предотвращении воспаления и поддержании нормальной работы нейронов. Когда его уровень снижается, в мозге возрастает активность воспалительных сигналов, что запускает цепную реакцию возрастных изменений во всем организме - от ослабления когнитивных функций до потери плотности костей и истончения кожи.
Чтобы понять, как именно менин влияет на старение, ученые вывели генномодифицированных мышей, у которых этот белок можно было выборочно отключить. Даже у молодых животных такое вмешательство быстро привело к ухудшению памяти, снижению прочности костей и эластичности кожи, а также к укорочению жизни. Эти результаты убедительно ...>>
Случайная новость из Архива Вертикальная ферма для промышленного выращивания клубники
12.10.2024
В последние годы сельское хозяйство все активнее внедряет инновационные методы для увеличения урожайности и уменьшения нагрузки на природные ресурсы. Одним из самых впечатляющих примеров этого стал запуск первой в мире вертикальной фермы для промышленного выращивания клубники в штате Виргиния, США. Этот проект не только меняет представление о том, как можно выращивать ягоды, но и задает новый стандарт в области устойчивого агробизнеса.
Ферма занимает всего 0,4 гектара, но использует уникальные 30-метровые вертикальные башни для максимальной эффективности. Благодаря такой вертикальной системе выращивания ферма производит более 1,8 миллиона килограммов клубники в год. Для сравнения, для достижения такого же объема продукции в традиционном сельском хозяйстве потребовались бы значительно большие площади и водные ресурсы.
Одним из главных преимуществ фермы является ее способность обеспечивать стабильные урожаи круглый год, независимо от погодных условий и сезонов. Это достигается за счет полного контроля над ключевыми параметрами, такими как освещение, температура и влажность, в 12 специально оборудованных комнатах. Такая система позволяет поддерживать идеальные условия для роста растений, что существенно улучшает их качество и увеличивает урожайность.
Особое внимание на ферме уделено процессу опыления, который играет важнейшую роль в выращивании клубники. Использование передовых технологий и специальных методов опыления не только повышает эффективность производства, но и снижает количество потерь. Это позволяет минимизировать отходы, что особенно важно в условиях стремления к более экологичным методам сельского хозяйства.
Ферма была создана в партнерстве с известным мировым производителем ягод Driscoll's, что обеспечивает высокий уровень доверия к качеству продукции. Ожидается, что первые партии клубники, выращенной на этой ферме, появятся в магазинах уже в начале 2025 года. Такой подход к сельскому хозяйству открывает новые перспективы для развития ягодных культур, предлагая не только более стабильные поставки, но и более экологически чистый продукт.
Одной из главных особенностей вертикальной фермы является ее экономичность в использовании природных ресурсов. По сравнению с традиционными методами выращивания, ферма потребляет на 97% меньше земли и на 90% меньше воды. Это особенно важно в условиях глобальных изменений климата и дефицита пресной воды, когда ресурсоэффективные методы производства становятся приоритетом для всех отраслей сельского хозяйства.
Вертикальные фермы, такие как этот проект в Виргинии, могут стать моделью для будущего мирового сельского хозяйства. Они предлагают решение проблемы нехватки плодородных земель и помогают снизить воздействие на окружающую среду. Такой подход к выращиванию может быть особенно полезен в густонаселенных городах и регионах с ограниченными природными ресурсами.
Запуск первой промышленной вертикальной фермы для выращивания клубники открывает новую страницу в истории агротехнологий. Это не только шаг к более устойчивому будущему, но и пример того, как современные технологии могут кардинально изменить подход к выращиванию продуктов питания.
|
Другие интересные новости:
▪ Автомобильная система PIONEER с винчестером
▪ Беспроводная игровая мышь Razer Cobra Pro
▪ Утята способны к абстрактному мышлению
▪ Предложен новый формат записи DVD
▪ С новым Google Chrome ноутбуки работают на 25% дольше
Лента новостей науки и техники, новинок электроники
Интересные материалы Бесплатной технической библиотеки:
▪ раздел сайта Любителям путешествовать - советы туристу. Подборка статей
▪ статья Адмиралтейские якоря. Советы моделисту
▪ Как развивалась литературы и искусства в эпоху развитого Средневековья? Подробный ответ
▪ статья Слесарь-ремонтник. Должностная инструкция
▪ статья Генератор качающейся частоты с индикатором АЧХ на ЖКИ. Энциклопедия радиоэлектроники и электротехники
▪ статья Всегда девятка. Секрет фокуса
Оставьте свой комментарий к этой статье:
Главная страница | Библиотека | Статьи | Карта сайта | Отзывы о сайте

www.diagram.com.ua
2000-2025