Бесплатная техническая библиотека
Стереомодуляторы для ЧМ. Энциклопедия радиоэлектроники и электротехники

Энциклопедия радиоэлектроники и электротехники / Разные электронные устройства
Комментарии к статье
Во многих магнитолах импортного производства отсутствует вход записи с внешних устройств. В журнале "Радиолюбитель" приводились схемы небольших УКВ передатчиков, обеспечивающих возможность записи с внешних устройств по радиоканалу. Но в этом случае запись получается монофонической. Предлагаю несложные схемы стереомодуляторов на отечественный стандарт с полярной модуляцией, на европейский стандарт с пилот-тоном и, наконец, "совмещенный" модулятор, так как в обеих схемах применяются одинаковые узлы.
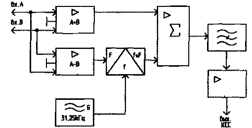
Система с полярной модуляцией. Принципиальная схема модулятора приведена на рис. 1, а структурная - для пояснения принципа его работы - на рис.2.
рис. 2
Сигналы от двух источников А и В (рис.2) суммируются и вычитаются в соответствующих блоках. Суммарный (А+В) сигнал проходит непосредственно на сумматор, а разностный (А-В) - модулирует по амплитуде частоту поднесущей (31,25 кГц), вырабатываемую генератором G. Далее-суммарный (А+В) сигнал и амплитудно модулированная разностным сигналом (А-В) частота поднесущей складываются и подаются на режекторный фильтр, который в 5 раз (-14 дБ) подавляет уровень поднесущей частоты. После фильтра комплексный стереосигнал (КСС) подается на модулятор УКВ передатчика.
Рис. 1а (нажмите для увеличения)
Рис. 1б (нажмите для увеличения)
На операционных усилителях DA1, DA2 (рис.1) собраны сумматор и дифференциальный усилитель (суммирование и вычитание сигналов А и В). На ОУ DA3 собран генератор поднесущей 31,25 кГц. Транзистор VT1 - амплитудный модулятор. Вместо двухзатворного полевого транзистора можно применить каскад, схема которого показана на рис.3.
Рис.3
На ОУ DA4 реализована схема сумматора сигналов (А+В) и амплитуд-но модулированной поднесущей. С выхода DA4 сигнал подается на режекторный фильтр (L1, С 13), представляющий собой LC контур с добротностью 100±5. Полоса пропускания такого контура достигает 312,5 Гц. Одновременно ослабляют ся нижние частоты боковых полос разностного сигнала (А-В). Остаточная девиация частоты передатчика поднесущей равна ±10 кГц, а максимальная девиация комплексного стереосигнала - 40 кГц [1]. С выхода буферного усилителя на VT2 КСС подается на модулятор ЧМ передатчика.
Европейский стандарт. Функциональная схема модулятора приведена на рис.4, принципиальная - на рис.5 [2].
Рис.4
Так же как и в отечественном стандарте, из двух входных сигналов А и В (рис.4) получаются их сумма и разность. Разностный сигнал модулирует частоту поднесущей 38 кГц с помощью балансного модулятора.
Генератор поднесущей (G) работает на половинной частоте (19 кГц). Далее суммарный сигнал (А+В), боковые полосы разностного (А-В) сигнала и частота генератора (пилот-тон) 19 кГц подаются на суммирующий усилитель (E), с выхода которого комплексный стереосигнал КСС подается на модулятор ЧМ передатчика.
Рис.5 (нажмите для увеличения)
На ОУ DA1. DA2, DA3 (рис.5) собраны суммирующий и дифференциальный усилители и генератор пилот-тона (19 кГц). На транзисторах VT1, VT2 собран балансный модулятор, удваивающий частоту генератора [3]. Амплитуда несущей выбирается несколько большей, чем необходимо для начала ограничения. Форма выходного тока - ограниченная синусоида. При симметричном ограничении она содержит лишь нечетные гармоники несущей. Когда на другой вход приходит модулирующий сигнал, ограничение становится несимметричным. и в выходном токе появляется вторая гармоника. Контур LI, C11 должен быть настроен на вторую гармонику. На выходе модулятора получается DSB сигнал. Подстроечным резистором R16 балансируют модулятор, добиваясь минимального сигнала на выходе при отсутствии модуляции. На DA4 собран суммирующий усилитель, с выхода которого КСС подается на модулятор ЧМ передатчика.
После суммирующего усилителя (точка А) может быть включена линия задержки, компенсирующая задержку сигнала в балансном модуляторе (на схеме рис.5 не показана).
Так как оба модулятора имеют одинаковые узлы, можно создать "универсальный" модулятор сразу на отечественный и европейский стандарты. Его схема показана на рис.6.
Рис.6а (нажмите для увеличения)
Рис.6б (нажмите для увеличения)
Расчет элементов схемы приведен в [4]. В качестве ОУ можно использовать любые с большим входным сопротивлением.
Литература
- Поляков В. Простой УKB приемник. Конструкции советских и чехословацких радиолюбителей. - М.: Радио и связь, 1987.
- Поляков В. Стереофоническая система радиовещания с пилот-тоном. - Радио, 1992, №4, С.3.
- Поляков В. Радиолюбителям о технике прямого преобразования. - М.: Патриот, 1990. - 130с.
- Кауфман М. и др. Практическое руководство по расчетам схем в электронике. Т.1. - М.: Энергоатомиздат, 1991.-С.193,256.
Автор: А.Ильин, г.С.-Петербург; Публикация: Н. Большаков, rf.atnn.ru
Смотрите другие статьи раздела Разные электронные устройства.
Читайте и пишите полезные комментарии к этой статье.
<< Назад
Последние новости науки и техники, новинки электроники:
Кратковременное голодание и работа мозга
25.11.2025
На фоне роста популярности интервального голодания многие опасаются, что отказ от еды на несколько часов может обернуться снижением концентрации, ухудшением памяти и общим "затуманиванием" сознания. Однако современные исследования позволяют иначе взглянуть на эту тему.
Научный обзор, включивший свыше семидесяти независимых экспериментов и более 3,5 тысячи участников, показал: здоровые взрослые, которые не ели от десяти до двенадцати часов, выполняли когнитивные тесты так же качественно, как и те, кто принимал пищу перед испытанием. Память, скорость реакции, логическое мышление и внимание оставались на прежнем уровне, что опровергает распространенный бытовой миф.
Доктор Дэвид Моро, профессор психологии из Университета Окленда в Новой Зеландии, подчеркивает, что представления о "головной туманности" во время голода часто оказываются преувеличенными. Он отмечает, что люди склонны связывать чувство голода с низкой энергией, раздражительностью и невозможностью сосредоточиться, хотя че ...>>
Умная розетка TP-Link Tapo P410M
25.11.2025
Компания TP-Link выпустила на рынок новую уличную розетку Tapo P410M. Она получила поддержку универсального стандарта Matter и стала еще одним шагом в сторону единой экосистемы умных устройств.
Особенность Tapo P410M заключается в том, что она рассчитана на работу в сложных климатических условиях. Устройство функционирует при температуре от -20 до +50 °C и защищено от дождя, влаги и пыли по стандарту IP54. Благодаря этому розетка безопасно используется на открытом воздухе, будь то внутренний двор, садовая зона или наружное освещение возле дома.
Компания TP-Link также акцентировала внимание на удобстве подключения. Розетка поддерживает Wi-Fi 2,4 ГГц и Bluetooth LE, что избавляет от необходимости покупать отдельный хаб. Настройка выполняется через фирменное приложение Tapo или с использованием QR-кода на корпусе, что особенно удобно при установке в труднодоступных местах. После первичной конфигурации управление устройством доступно из приложения или с помощью голосовых помощников A ...>>
Игровой монитор Sony PlayStation Gaming Monitor
24.11.2025
На презентации State of Play компания Sony представила устройство, которое может изменить представления о фирменной экосистеме PlayStation, - свой первый игровой монитор под этим брендом.
PlayStation Gaming Monitor, как официально назвали новинку, ориентирован сразу на две аудитории: владельцев консолей и пользователей ПК. Для компьютерных систем, включая macOS, поддерживается частота обновления до 240 Гц с технологией переменной частоты VRR, а для консолей PlayStation 5 и PlayStation 5 Pro частота ограничена 120 Гц, что соответствует архитектуре и возможностям самих приставок. Основу устройства составляет 27-дюймовая IPS-панель с разрешением QHD 2560?1440 пикселей, обеспечивающая высокую четкость и широкий угол обзора.
Отдельное внимание продукция заслужила благодаря функции, не встречавшейся ранее в мониторах Sony. В нижней части корпуса находится встроенная выдвижная док-станция для беспроводной зарядки контроллеров DualSense. Такой подход позволяет избавиться от отдельных зар ...>>
Случайная новость из Архива Треугольная сингулярность
04.09.2021
Международная группа исследователей, возглавляемая учеными из Боннского университета, провела тщательный анализ данных, собранных во время экспериментов на одном из ускорителей частиц, и нашла долгожданные доказательства существования одного весьма экзотического явления. Это явление, так называемая "треугольная сингулярность", несет ответственность за то, что при некоторых условиях элементарные частицы могут обмениваться кварками и превращаться в частицы других типов. Кроме этого, явление "треугольной сингулярности" содержит в себе ответ на одну из загадок, которая озадачивала ученых-ядерщиков долгое время: протоны, нейтроны и множество других частиц имеют намного большую массу, чем можно было бы ожидать с точки зрения некоторых современных теорий. Это происходит из-за некоторых особенностей сильных ядерных взаимодействий, которые скрепляют и удерживают кварки.
Во время исследований ученые провели анализ данных эксперимента COMPASS Европейской организации ядерных исследований CERN. Этот эксперимент заключается в разгоне до чрезвычайно высоких скоростей определенных частиц, называемых пионами, и в "стрельбе" этими пионами по атомам водорода.
Частицы, называемые пионами, состоят из кварка и антикварка, скрепленных силами сильных ядерных взаимодействий, как два разнополюсных магнита. Однако, если магниты разорвать и начать отодвигать друг от друга, сила их взаимного притяжения будет уменьшаться при увеличении расстояния. Силы сильных ядерных взаимодействий ведут себя совершенно иначе, их сила увеличивается при увеличении расстояния, делая это все подобным растягиваемой пружине или резинке.
Однако, при столкновении пиона с ядром водорода "резинка" сильных ядерных взаимодействий "лопается" и высвобождается достаточно большое количество накопленной потенциальной энергии. "Эта энергия превращается в материю, и данный процесс создает элементарные частицы новых типов" - пишут исследователи.
В 2015 году датчики эксперимента COMPASS во время проведения "стрельб" пионами по атомам водорода зарегистрировали весьма необычные сигналы. Характер этих сигналов указывал на то, что при столкновении на очень короткое время возникла экзотическая частица. "Обычные частицы, такие, как протоны и нейтроны, состоят из трех кварков. Другие, такие, как пионы, состоят из кварка и антикварка" - пишут исследователи, - "В данном же случае возникла промежуточная частица, состоящая из четырех кварков, так называемый тетракварк".
Однако, более точный анализ данных показал, что наличие необычного сигнала можно объяснить и несколько иначе, с точки зрения возможности существования явления "треугольной сингулярности". Этот механизм был описан теоретически еще в 1950-х годах советским физиком Львом Давидовичем Ландау, но до последнего времени еще не было получено ни одного экспериментального доказательства.
Согласно этому, во время столкновения пиона и атома водорода тетракварк не возникает вообще, а возникают некие промежуточные частицы, содержащие кварки и антикварки. Промежуточные частицы моментально распадаются, а находящиеся рядом частицы, участвующие в столкновении, обмениваются кварками и меняют свой тип. Возникающие при этом сигналы очень сильно напоминают сигналы от частицы-тетракварка, имеющей определенную массу.
|
Другие интересные новости:
▪ Мобильный ПК HP Pavilion 10z
▪ Батарейка заряжается от компьютера
▪ Быстрый сон разогревает мозг и спасает от переохлаждения
▪ Шаг к биоэлектронике
▪ Бактерии помогают получить наноматериал для компьютеров
Лента новостей науки и техники, новинок электроники
Интересные материалы Бесплатной технической библиотеки:
▪ раздел сайта Бытовая электроника. Подборка статей
▪ статья Башня из слоновой кости. Крылатое выражение
▪ статья Когда появился первый кулинарный рецепт? Подробный ответ
▪ статья Начальник отдела автоматизированной системы управления производством. Должностная инструкция
▪ статья Вихревые трубки. Энциклопедия радиоэлектроники и электротехники
▪ статья Генераторы и синхронные компенсаторы. Охлаждение и смазка. Энциклопедия радиоэлектроники и электротехники
Оставьте свой комментарий к этой статье:
Главная страница | Библиотека | Статьи | Карта сайта | Отзывы о сайте

www.diagram.com.ua
2000-2025