Menu Home

Бесплатная техническая библиотека для любителей и профессионалов Бесплатная техническая библиотека


SSB трансивер на 80 метров. Энциклопедия радиоэлектроники и электротехники

Бесплатная техническая библиотека

Энциклопедия радиоэлектроники и электротехники / Гражданская радиосвязь

Комментарии к статье Комментарии к статье

Транзисторный трансивер на 80 м эксплуатируется с июня 1974 года. На нем проведено много связей, причем корреспонденты неизменно оценивали качество сигнала как хорошее.

Мощность передатчика трансивера - около 0,5 Вт, чувствительность приемника при отношении сигнал/шум 10 дБ - не хуже 1 мкВ. Внешний вид трансивера показан на рис. 1.

SSB трансивер на 80 метров. Внешний вид трансивера

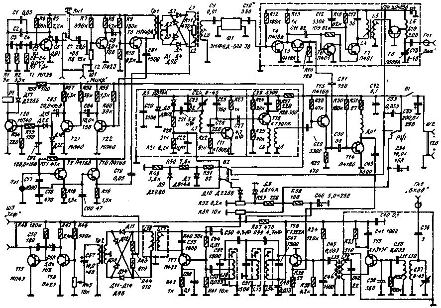
Принципиальная схема трансивера представлена на рис. 2. Он собран на 22 транзисторах.

В режиме передачи напряжение, развиваемое микрофоном, поступает на усилитель НЧ, выполненный на транзисторах Т2 и Т3. Усиленное напряжение подается через конденсатор С61 на входы устройства голосового управления - VOX (транзисторы Т20-Т22) и кольцевого балансного модулятора (диоды Д1-Д4). К балансному модулятору также подводится напряжение частотой 500 кГц опорного кварцевого генератора (Т9, Т10). С выхода балансного модулятора сигнал подается на ЭМФ Ф1, который выделяет верхнюю боковую полосу, формируя SSB сигнал. Этот сигнал смешивается в смесителе на транзисторах Т4-Т5 с сигналом частотой 4,1-4,15 МГц генератора плавного диапазона (ГПД). ГПД выполнен на транзисторе T11. Каскады на транзисторах Т12, Т13 и Т14 служат для уменьшения дестабилизирующего влияния нагрузки.

После смесителя включен каскодный усилитель (Т6, Т7). Его нагрузкой служит контур L4C13, настроенный на частоту 3,625 МГц. В результате смешивания в этом контуре выделяется сигнал рабочей частоты, имеющий нижнюю боковую. Он подается на выходной каскад на транзисторе Т8. Этот каскад работает в облегченном режиме.

Для настройки передатчика предусмотрен звуковой генератор на транзисторе Т], подключаемый ко входу усилителя НЧ кнопкой Кн1.

В режиме приема напряжение из антенны поступает на вход усилителя ВЧ, выполненного на транзисторе TI5. Усиленное напряжение подводится к базе транзистора Т16 смесителя приемника. На эмиттер транзистора подается напряжение от ГПД. Нагрузкой смесителя служит ФСС, выделяющий сигнал промежуточной частоты (500 кГц). После ФСС напряжение промежуточной частоты усиливается однокаскадным усилителем ПЧ (Т17) и затем подводится к кольцевому смесительному диодному детектору (Д11-Д14). Сюда же подается напряжение опорного кварцевого генератора.

На выходе детектора выделяется напряжение низкой частоты, которое затем усиливается двухкаскадным усилителем НЧ, выполненным на транзисторах Т18. Т19.

Нагрузкой усилителя НЧ служат высокоомные головные телефоны.

Усиление приемника раздельно регулируется по НЧ и по ПЧ резисторами R45 и R39 соответственно.

Для расстройки приемника в небольших пределах служит варикап Д6. Частота расстройки изменяется регулировкой напряжения смещения на варикапе резистором R52. Расстройка используется только в режиме приема, однако можно использовать ее и в режиме передачи, изменив соответственно схему включения. Переход трансивера с приема на передачу осуществляется контактами Р1/1 реле Р1 устройства голосового управления.

Конструкция и детали

Трансивер собран на двух основных печатных платах. На первой размещены формирователь SSB сигнала и VOX, на второй - приемная часть и ГПД, причем каскады на транзисторах Т11 и Т12 собраны на отдельной небольшой плате и помещены в экран.

Смеситель, буфер-усилитель и оконечный каскад также собраны на отдельной плате и помещены в экран, прикрепленный ко второй основной плате.

На третьей отдельной плате выполнен звуковой генератор.

Основные печатные платы расположены в два этажа. В конструкции использованы малогабаритные детали: постоянные резисторы - УЛМ; конденсаторы ГПД-КСО, С 15, С24, С37-с воздушным диэлектриком; трансформаторы Тр1, Тр2 и катушки ФСС L14-L18 - от радиоприемника "Альпинист" (трансформаторы - переходные согласующие). Данные остальных катушек и дросселя Др1 указаны в таблице. Катушки L1, L2, L3 и дроссель намотаны внавал, остальные-виток к витку. Каркасы катушек L4, L5 и L12, L13 снабжены сердечниками СЦР-1 из карбонильного железа. Реле P1-любого типа с током срабатывания ло 20 мА, например, РЭС-10 (РС4.524.301).

Число витков Провод Каркас, сердечник Примечание
L1 70 ПЭВ-1 0,08 СБ-9а
L2 70 ПЭВ-1 0,08 -
L3 50 ПЭВ-1 0,08 - В средней секции между L1 и L2
L4 75 ПЭЛ 0,19 Гетинаксовый, 9 мм
L5 10 ПЭЛ 0.19 То же Поверх L4
L6 60. отвод от 10 сверху по схеме) ПЭЛ 0,19
L7 84 ПЭЛ 0,19 "
L8 70 ПЭЛ 0,19 Полистироловый 10 мм -
L9 50 ПЭЛ 0,19 - Поверх L8
L10 80 ПЭЛ 0.19 Гетинаксовый, 9 мм
L11 10 ПЭЛ 0,19 То же Поверх L10
L12 75, отвод от 20 снизу по схеме) ПЭЛ 0,19
L13 10 ПЭЛ 0.19 " Поверх L12
Др1 100 ПЭЛШО 0. 1 Гетинаксовый, 6 мм

Настройка

Как обычно, ее начинают с проверки монтажа и работоспособности каждого каскада. Вначале проверяют работоспособность усилителей НЧ, ГПД, кварцевого генератора.

Убедившись в работоспособности этих каскадов, устанавливают частотный диапазон ГПД в пределах от 4,1 до 4,15 МГц с помощью волномера или образцового приемника.

Подав на вход приемной части трансивера напряжение от ГСС с частотой - 3,625 МГц и амплитудой около 0,1 мВ, последовательно настраивают контур L17C55, ФСС и контур С10C37 по максимуму сигнала на выходе.

Передающую часть трансивера налаживают, используя сигнал звукового генератора (при нажатой кнопке Кн1). Налаживание сводится к балансировке резистором R11 балансного модулятора и настройке контуров L4C13 и L6C15 на частоту 3,625 МГц.

При налаживании передающей части следует подключать к выходу транзистора эквивалент антенны - резистор сопротивлением 75 Ом и мощностью 1-2 Вт.

Автор: В. Табунщиков, п. Боровка Витебской обл.; Публикация: Н. Большаков, rf.atnn.ru

Смотрите другие статьи раздела Гражданская радиосвязь.

Читайте и пишите полезные комментарии к этой статье.

<< Назад

Последние новости науки и техники, новинки электроники:

Власть является ключевым фактором счастья в отношениях 11.03.2026

Исследования семейных и романтических отношений показывают, что длительное счастье пары зависит не только от привычных факторов, таких как доверие, уважение и преданность, но и от более тонких психологических аспектов. Современные ученые ищут закономерности, которые отличают действительно счастливые пары от остальных, чтобы понять, какие механизмы поддерживают гармонию в отношениях. Группа исследователей из Университета Мартина Лютера в Галле-Виттенберге и Бамбергского университета провела опрос среди 181 пары, которые состояли в совместных отношениях более восьми лет и прожили вместе хотя бы месяц. Участники заполняли анкету, описывая различные аспекты своих отношений, включая распределение обязанностей, эмоциональную поддержку и степень вовлеченности в совместные решения. Анализ данных показал интересный паттерн: пары, где оба партнера ощущали высокий уровень личной власти, оказывались наиболее счастливыми и удовлетворенными. В данном контексте под властью понимается способност ...>>

Защищенная колонка-повербанк Anker Soundcore Boom Go 3i 11.03.2026

Компания Anker представила новую модель линейки Soundcore - колонку Soundcore Boom Go 3i, ориентированную на активное использование на улице. Новинка отличается высокой степенью защиты: корпус соответствует стандарту IP68, что обеспечивает водо- и пыленепроницаемость, а ударопрочный дизайн выдерживает падение с высоты до одного метра. За качество звука отвечает 15-ваттный драйвер, обеспечивающий пик громкости до 92 дБ, а технология BassUp 2.0 усиливает низкие частоты, делая звучание более насыщенным. Колонка обладает автономностью до 24 часов, а LED-индикатор позволяет контролировать уровень заряда батареи. Кроме того, Soundcore Boom Go 3i может выполнять функцию павербанка: согласно внутренним тестам, устройство способно зарядить iPhone 17 с нуля до 40% за один час, что делает его полезным аксессуаром в походах и поездках. Среди функциональных особенностей модели стоит выделить технологию Auracast, которая улучшает подключение и позволяет создавать стереопару из двух колонок ...>>

Раннее воздержание от алкоголя перестраивает мозг и иммунитет 10.03.2026

Алкогольная зависимость - хроническое расстройство с компульсивным употреблением спиртного, которое влияет не только на поведение, но и на функционирование мозга и иммунной системы. Недавние исследования показали, что даже на ранних этапах воздержания организм начинает перестраиваться, открывая новые возможности для терапии зависимости. Ученые сосредоточились на пациентах, находящихся в первые недели абстиненции, и зафиксировали значительные изменения в мозговой активности. С помощью функциональной магнитно-резонансной томографии они выявили перестройку сетей нейронных связей, отвечающих за контроль импульсов и принятие решений. Эти изменения могут быть ключевыми для восстановления самоконтроля и снижения риска рецидива. Одновременно с нейронной перестройкой исследователи наблюдали колебания иммунной системы. В крови повышался уровень цитокинов - сигнальных белков, регулирующих воспалительные процессы. Эти данные свидетельствуют о существовании нейроиммунного взаимодействия, при ...>>

Случайная новость из Архива

Один укол избавит от никотиновой зависимости 18.03.2016

Бросить курить - задача непростая, но теперь ученые создали антиникотиновую вакцину, которая в будущем может помочь избавиться человеку от этой привычки буквально за один укол.

Почему так трудно бросить курить? Все дело в никотине, который вызывает сильнейшее привыкание, и новая вакцина может помочь телу курильщика атаковать молекулы никотина, прежде чем они достигнут мозга, тем самым убрав их эффект вместе с желанием человека закурить.

Идея с антиникотиновой вакциной не нова. Впервые о ней заговорили еще пару лет назад, но тогда она действовала только на 30% испытуемых. Теперь же исследователи усовершенствовали ее, изменив молекулы, предупреждающие иммунную систему, и таким образом заставляя ее атаковать никотин. С правильной концентрацией белков-носителей и никотиновых молекул у мышей развивалась активная реакция антител, то есть вакцина работала. Вдобавок при повторной дозе никотина у вакцинированных мышей была крайне сниженная и притупленная реакция на это химическое вещество.

В будущих исследованиях ученые планируют изучить физическую динамику между различными молекулами вакцины и иммунной системой, чтобы определить концентрацию антител, необходимую для того, чтобы вакцина работала правильно.

Пока антиникотиновая вакцина еще не продается, но исследования показывают, что она может быть крайне эффективна. Более того, подобная техника может быть использована для лечения других зависимостей, например, прямо сейчас те же исследователи работают над средством против опиоидов.

Стоит напомнить о том, как курение может влиять не только на ваш организм, но и на ваши гены.

Другие интересные новости:

▪ ИБП Vertiv Edge Lithium-Ion

▪ Зарядки электромобилей от McDonald's

▪ Автоматы сортируют мусор

▪ Огурцы для жарки

▪ На МКС установят датчик космического мусора

Лента новостей науки и техники, новинок электроники

 

Интересные материалы Бесплатной технической библиотеки:

▪ раздел сайта Радиоуправление. Подборка статей

▪ статья Аш-теорема. История и суть научного открытия

▪ статья Есть ли муравьи-рабовладельцы? Подробный ответ

▪ статья Электротехнические работы на уроке трудового обучения в школе. Типовая инструкция по охране труда

▪ статья Удлинитель для пейджера. Энциклопедия радиоэлектроники и электротехники

▪ статья Простой УКВ ЧМ приемник. Энциклопедия радиоэлектроники и электротехники

Оставьте свой комментарий к этой статье:

Имя:


E-mail (не обязательно):


Комментарий:





Главная страница | Библиотека | Статьи | Карта сайта | Отзывы о сайте

www.diagram.com.ua

www.diagram.com.ua
2000-2026