Бесплатная техническая библиотека
Линейка AC/DC преобразователей фирмы RHOM.
Справочные данные

Энциклопедия радиоэлектроники и электротехники / Применение микросхем
Комментарии к статье
В последнее время большинство бытовых устройств (даже очень простых) за счет применения микроконтроллеров или специализированных схем управления имеют интеллектуальные функции, а основным источником питания бытовых устройств является сетевое напряжение питания. При этом для питания схем управления этих устройств необходимо формировать пониженные питающие напряжения постоянного тока.
Применение стандартных методов получения таких напряжений (понижающие трансформаторы, импульсные источники питания) приводит к удорожанию устройств и увеличению их габаритов. По другому пути пошла фирма RHOM, которая разработала линейку гибридных микросхем маломощных AC/DC преобразователей. Отсутствие трансформатора позволяет экономить до 50% мощности в дежурном режиме, по отношению к традиционному источнику питания. Используя выпрямленное сетевое напряжение (около 300 В) преобразователи формируют на выходе различные напряжения постоянного тока (см. табл. 1).
Таблица 1
| Тип устройства |
Входное напряжение, В |
Выходное напряжение, В |
Выходной ток, мА |
Тип корпуса |
| BP5041A5 |
- |
5 |
1ОО |
SIP10 |
| ВР5О41А |
- |
12 |
100 |
SIP10 |
| ВР5048 |
- |
12 |
300 |
SIP12 |
| ВР5041А15 |
- |
15 |
80 |
SIP10 |
| ВР5048-15 |
- |
15 |
200 |
SIP12 |
| ВР5О42-15 |
226...385 |
15 |
500 |
SIP12 |
| ВР5047А24 |
- |
24 |
150 |
SIP12 |
| ВР5048-24 |
- |
24 |
200 |
SIP12 |
| ВР5046-5 |
- |
-5 |
250 |
SIP12 |
| ВР5046 |
- |
-12 |
200 |
SIP12 |
| ВР5085-15 |
- |
15/5 |
80/350 |
SIP16 |
Микросхемы предназначены для использования в персональных компьютерах (PC-картах и модулях Flash-памяти), игрушках, измерительном и промышленном оборудовании, системах связи, бытовых приборах, офисной технике, LCD-дисплеях.
Рассмотрим подробнее основные характеристики перечисленных микросхем, а также принцип их работы.
ВР5О41А, ВР5О41А5, ВР5О41А15
Основные электрические параметры микросхем показаны в табл. 2-4.
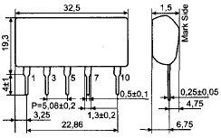
Назначения выводов и внешний вид корпуса микросхем показан на рис. 1, а их структурная схема - на рис. 2. Параметры ВР5041А в таблице 2, ВР5041А5 - таблица 3, ВР5041А15 - таблица 4
Таблица 2
| Наименование параметра |
Значения параметров |
| минимальное |
типовое |
максимальное |
| Входное напряжение, В |
226 |
282 |
390 |
| Выходное напряжение, В |
11 |
12 |
13 |
| Выходной ток, мА |
0 |
- |
100 |
| Уровень пульсаций выходного напряжения, В |
- |
0,05 |
0,15 |
| Эффективность преобразования напряжения,% |
50 |
65 |
- |
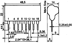
Рис. 1. Внешний вид корпуса микросхем

Таблица 3
| Наименование параметра |
Значения параметров |
| минимальное |
типовое |
максимальное |
| Входное напряжение, В |
226 |
282 |
390 |
| Выходное напряжение, В |
4,7 |
5 |
5,3 |
| Выходной ток, мА |
0 |
- |
100 |
| Уровень пульсаций выходного напряжения, В |
- |
0,05 |
0,15 |
| Эффективность преобразования напряжения,% |
35 |
48 |
- |
Таблица 4
| Наименование параметра |
Значения параметров |
| минимальное |
типовое |
максимальное |
| Входное напряжение, В |
226 |
282 |
390 |
| Выходное напряжение, В |
14 |
15 |
16 |
| Выходной ток, мА |
0 |
- |
80 |
| Уровень пульсаций выходного напряжения, В |
- |
0,05 |
0,15 |
| Эффективность преобразования напряжения,% |
50 |
64 |
- |
Напряжение с сетевого выпрямителя через выв. 10 микросхемы подается на схему переключения. В зависимости от состояния схемы управления входное напряжение подключается или отключается от цепи, образованной индуктивностью, детектором тока, внешней емкостью фильтра и нагрузкой, подключенными к выв. 1 микросхемы. Значение напряжения на выв. 1 контролируется детектором напряжения. В момент подключения входного напряжения к цепи через индуктивность начинает протекать линейно возрастающий ток. При достижении предельного значения тока или необходимого значения напряжения схемой управления формируется сигнал отключения входного напряжения от цепи. В этот момент формируется обратный ток через внутренний диод микросхемы за счет накопленной в индуктивности энергии. После этого процесс повторяется. На выв. 1 формируется последовательность импульсов, которая интегрируется внешним конденсатором, формируя таким образом выходное напряжение.
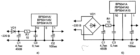
Рис. 3 а,б. Схемы включения устройств
Схемы включения устройств показаны на рис. 3 а, б. Входная цепь устройств может состоять из одно-полупериодного выпрямителя (рис. 3а) или мостового выпрямителя (рис. 3б). Диоды выпрямителя (VD1, рис. 3а; мостовой выпрямитель, рис. 36) рекомендуется выбирать со следующими параметрами:
- обратное напряжение не менее 700 В;
- средний выпрямленный ток 0,5 А и более;
- максимальное пиковое значение тока 20 А и более.
Значение емкости конденсатора фильтра выпрямителя (С1 на рис. 3) может быть в пределах ЗД..10 мкФ. Конденсатор должен иметь рабочее напряжение не менее 450 В.
Фильтрующий конденсатор (С2 на рис. 3), для снижения уровня пульсаций, должен иметь низкий импеданс. Значение его емкости должно быть в пределах 100...470 мкФ.
RC-фильтр на конденсаторе C3 и резисторе R1 (рис. 3) предназначен для подавления помех, проникающих от микросхемы преобразователя в питающую сеть. Номинал резистора должен быть в пределах 10...22 Ом, а его мощность -не менее 0,25 Вт. Конденсатор C3 - пленочный, рассчитанный на рабочее напряжение не менее 400 В. Его необходимо разместить как можно ближе к выводам микросхемы.
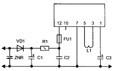
ВР5048, ВР5О48-15, ВР5О42-15, ВР5О47А-24, ВР5О48-24
Основные электрические параметры микросхем приведены в табл. 5-9.
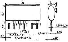
Назначения выводов и внешний вид корпуса микросхем показаны на рис. 4. Микросхемы этого типа используют внешнюю катушку индуктивности. Структурная схема устройств приводится на рис. 5. Их работа аналогична рассмотренным выше.
Таблица 5
| Наименование параметра |
Значения параметров |
| минимальное |
типовое |
максимальное |
| Входное напряжение, В |
249 |
311 |
358 |
| Выходное напряжение, В |
11 |
12 |
13 |
| Выходной ток, мА |
0 |
- |
300 |
| Уровень пульсаций выходного напряжения, В |
- |
0,07 |
0,15 |
| Эффективность преобразования напряжения,% |
65 |
78 |
- |
Рис. 4. Назначения выводов и внешний вид корпуса микросхем
Рис. 5. Структурная схема устройств
Таблица 6
| Наименование параметра |
Значения параметров |
| минимальное |
типовое |
максимальное |
| Входное напряжение, В |
249 |
311 |
358 |
| Выходное напряжение, В |
13,9 |
15 |
16,1 |
| Выходной ток, мА |
0 |
- |
200 |
| Уровень пульсаций выходного напряжения, В |
- |
0,07 |
0,15 |
| Эффективность преобразования напряжения,% |
60 |
75 |
- |
Схема включения устройств показаны на рис. 6. Диод однополу-периодного выпрямителя VD1 должен выдерживать значение обратного напряжения не менее 800 В, значение его среднего выпрямленного тока должно быть не менее 0,5 А. Максимальное пиковое значение тока диода должно быть не менее 20 А.
Рис. 6. Схема включения устройств
Значение емкости конденсатора С1 фильтра выпрямителя может быть в пределах ЗД..22 мкФ. Рабочее напряжение конденсатора должно быть не менее 450 В. Для защиты от статического электричества и импульсных токов во входную цепь установлен варистор ZNR.
RC-фильтр на конденсаторе С2 и резисторе R1 предназначен для подавления помех, проникающих от микросхемы преобразователя в питающую сеть. Номинал резистора должен быть в пределах 10...22 Ом, а его мощность - не менее 0,25 Вт. Конденсатор С2 - пленочный, емкостью 0,1-0,22 мкФ с рабочим напряжением не менее 450 В.
Фильтрующий конденсатор C3 ¦ используется для снижения уровня пульсаций, он должен иметь низкий импеданс и емкость в пределах 100...470 мкФ. Внешняя катушка должна выдерживать значение протекающего через нее тока не менее 0,4 А. Индуктивность катушки составляет 1 мГн для ВР5048, ВР5048-15, ВР5042-15 и 1,5 мГн для ВР5048-24,ВР5047А24.
Таблица 7
| Наименование параметра |
Значения параметров |
| минимальное |
типовое |
максимальное |
| Входное напряжение, В |
249 |
311 |
358 |
| Выходное напряжение, В |
23,0 |
24 |
25,8 |
| Выходной ток, мА |
0 |
- |
200 |
| Уровень пульсаций выходного напряжения, В |
- |
0,07 |
0,15 |
| Эффективность преобразования напряжения,% |
65 |
78 |
- |
Таблица 8
| Наименование параметра |
Значения параметров |
| минимальное |
типовое |
максимальное |
| Входное напряжение, В |
249 |
311 |
358 |
| Выходное напряжение, В |
13,9 |
15 |
16,1 |
| Выходной ток, мА |
0 |
- |
500 |
| Уровень пульсаций выходного напряжения, В |
- |
0,07 |
0,15 |
| Эффективность преобразования напряжения,% |
60 |
75 |
- |
Таблица 9
| Наименование параметра |
Значения параметров |
| минимальное |
типовое |
максимальное |
| Входное напряжение, В |
249 |
311 |
358 |
| Выходное напряжение, В |
23 |
24 |
25,8 |
| Выходной ток, мА |
0 |
- |
150 |
| Уровень пульсаций выходного напряжения, В |
- |
0,07 |
0,15 |
| Эффективность преобразования напряжения,% |
65 |
78 |
- |
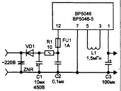
ВР5О46-5, ВР5О46
Основные электрические характеристики микросхем приведены, соответственно, в табл. 10 и 11.
Внешний вид корпуса микросхем и назначения выводов показаны на рис. 7, а структурная схема устройств - на рис. 8. К микросхемам этого типа также подключают внешнюю катушку индуктивности.
Рис. 7. Внешний вид корпуса микросхем и назначения выводов
Рис. 8. Структурная схема устройств
Схема включения устройств показана на рис. 9. Они формируют напряжения отрицательной полярности, поэтому диоды и конденсаторы включены в обратной полярности. Входная цепь устройств состоит из однополупериодного выпрямителя на диоде D1 (значение обратного напряжения не менее 800 В, средний выпрямленный ток не менее 0,5 А, максимальное пиковое значение тока не менее 20 А).
Рис. 9. Схема включения устройств
Емкость конденсатора С1 должна быть 22 мкФ, а его рабочее напряжение не менее 450 В. Для защиты от статического электричества и импульсных токов во входную цепь установлен варистор ZNR.
Остальные элементы схемы аналогичны описанным для микросхемы ВР4048.
Внешняя катушка должна выдерживать значение протекающего через нее тока не менее 0,6 А. Индуктивность внешней катушки должна составлять 470 мкГн для ВР5046-5 (ток через катушку - 0,57 А) и 1,5 мГн для ВР5046 (ток через катушку-0,3 А).
Таблица 10
| Наименование параметра |
Значения параметров |
| минимальное |
типовое |
максимальное |
| Входное напряжение, В |
-240 |
-311 |
-358 |
| Выходное напряжение, В |
-11,5 |
-12,5 |
-13,2 |
| Выходной ток, мА |
0 |
- |
200 |
| Уровень пульсаций выходного напряжения, В |
- |
0,05 |
0,15 |
| Эффективность преобразования напряжения,% |
64 |
72 |
- |
Таблица 11
| Наименование параметра |
Значения параметров |
| минимальное |
типовое |
максимальное |
| Входное напряжение, В |
-240 |
-311 |
-358 |
| Выходное напряжение, В |
-4,6 |
-5 |
-5,3 |
| Выходной ток, мА |
0 |
- |
250 |
| Уровень пульсаций выходного напряжения, В |
- |
0,05 |
0,15 |
| Эффективность преобразования напряжения,% |
50 |
63 |
- |
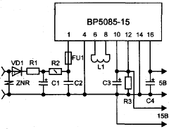
ВР5О85-15
В отличие от устройств, рассмотренных выше, данная микросхема формирует два выходных напряжения. Основные электрические параметры микросхем приведены в табл. 12.
Внешний вид корпуса микросхемы и назначение выводов показаны на рис. 10. К микросхеме подключают внешнюю катушку индуктивностью 1 мГн, рассчитанную на ток не менее 0,6 А..
Таблица 12
| Наименование параметра |
Значения параметров |
| минимальное |
типовое |
максимальное |
| Входное напряжение, В |
226 |
282 |
358 |
| Выходное напряжение(1), В |
14 |
15 |
16 |
| Выходной ток(1), мА |
0 |
- |
80 |
| Выходное напряжение (2), В |
4,75 |
5 |
5,25 |
| Выходной ток (2), мА |
0 |
- |
350 |
Схема включения устройства показана на рис. 11. Устройство формирует два напряжения положительной полярности. Входная цепь устройств состоит из однополупериодного выпрямителя на диоде VD1 (значение обратного напряжения не менее 800 В, средний выпрямленный ток не менее 1,0 А, максимальное пиковое значение тока не менее 40 А).
Рис. 10. Внешний вид корпуса микросхемы и назначение выводов
Рис. 11. Схема включения устройства
Емкость конденсатора С1 может быть в пределах 33...820 мкФ, а его рабочее напряжение не менее 450 В. Для защиты от статического электричества и импульсных токов во входную цепь устанавливают варистор ZNR.
RC-фильтр на конденсаторе С2 и резисторе R2 предназначен для подавления помех, проникающих от микросхемы преобразователя в питающую сеть. Номинал резистора должен лежать в пределах 10...22 Ом, а его мощность не менее 0,25 Вт. Конденсатор С2 - пленочный, емкостью 0,1...0,22 мкФ с рабочим напряжением не менее 450 В.
Фильтрующие конденсаторы C3 и С4 могут иметь емкость в пределах 220...1000 мкФ.
Публикация: cxem.net
Смотрите другие статьи раздела Справочные материалы.
Читайте и пишите полезные комментарии к этой статье.
<< Назад
Последние новости науки и техники, новинки электроники:
Оптимальная продолжительность сна
12.11.2025
Сон играет ключевую роль в поддержании здоровья, когнитивных функций и общего самочувствия. Несмотря на широко распространенный стереотип о восьмичасовом сне, последние исследования показывают, что оптимальная продолжительность сна для большинства здоровых взрослых ближе к семи часам.
Эволюционный биолог из Гарварда, Дэниел Э. Либерман, утверждает, что традиционная норма восьми часов сна - это скорее культурное наследие индустриальной эпохи, чем биологическая необходимость. По его словам, полевые исследования, проведенные в сообществах, не использующих электричество, показывают, что средняя продолжительность сна составляет 6-7 часов, что значительно отличается от общепринятого стандарта.
Современные эпидемиологические данные подтверждают этот взгляд. Исследования выявили так называемую "U-образную кривую" зависимости между продолжительностью сна и рисками для здоровья. Минимальные показатели заболеваемости и смертности наблюдаются именно у людей, спящих около семи часов в сутки. ...>>
Дефицит кислорода усиливает выброс закиси азота
12.11.2025
Парниковые газы играют ключевую роль в изменении климата, а закись азота (N2O) - один из наиболее опасных среди них. Этот газ не только втрое сильнее углекислого газа в удержании тепла, но и разрушает озоновый слой. Недавнее исследование американских ученых показало, что микробы в зонах с низким содержанием кислорода активно производят N2O, усиливая глобальные климатические риски.
Команда из Университета Пенсильвании изучала прибрежные воды у Сан-Диего и провела наблюдения на глубинах от 40 до 120 метров в Восточной тропической северной части Тихого океана - одной из крупнейших зон дефицита кислорода. Исследователи сосредоточились на том, как морские микроорганизмы превращают нитраты в закись азота.
В ходе работы выяснилось, что существует два пути образования N2O. Один путь начинается с нитрата, другой - с нитрита. На первый взгляд более короткий путь должен быть эффективнее, однако микробы, использующие нитрат, продуцируют больше газа, поскольку этот "сырьевой" источник более д ...>>
Омега-3 помогают молодым кораллам выживать
11.11.2025
Сохранение коралловых рифов становится все более актуальной задачей в условиях глобального изменения климата. Молодые кораллы особенно уязвимы на ранних стадиях развития, когда стрессовые условия и нехватка питательных веществ могут привести к высокой смертности. Недавнее исследование ученых из Технологического университета Сиднея показывает, что специальные пищевые добавки способны существенно повысить выживаемость личинок кораллов.
В ходе работы исследователи разработали особый состав "детского питания" для коралловых личинок. В него вошли масла, богатые омега-3 жирными кислотами, а также важные стерины, необходимые для формирования клеточных мембран. Личинки, получавшие эти добавки, развивались быстрее, становились крепче и демонстрировали более высокую устойчивость к стрессовым факторам.
Особое внимание ученые уделили липидам. Анализ показал, что личинки активно усваивают эти вещества, что напрямую влияет на их жизнеспособность. Стерины, содержащиеся в корме, повышают устойчи ...>>
Случайная новость из Архива Стекло Extreme ULE с минимальным коэффициентом теплового расширения
11.10.2024
Компания Corning представила инновационный материал с минимальным коэффициентом теплового расширения, который станет важным элементом в современных литографических системах. Этот материал, названный Extreme ULE, разработан для применения в передовых технологиях Low-NA и High-NA EUV (экстремального ультрафиолетового излучения). Эти технологии используются для создания полупроводниковых компонентов будущего поколения, и разработка Corning обещает сделать производственные процессы еще более точными и эффективными.
Основное преимущество Extreme ULE заключается в его минимальном тепловом расширении, что особенно важно при работе с высокоточными оптическими системами. В условиях высоких температур многие материалы могут расширяться, приводя к искажениям и потере точности, что недопустимо в литографии, где требуются минимальные допуски. Extreme ULE обеспечивает стабильность размеров, что позволяет поддерживать исключительную однородность и точность при производстве фотошаблонов и зеркал.
В литографических системах стекло с такими характеристиками играет ключевую роль. В современных полупроводниковых процессах используются технологии, требующие высочайшей точности при нанесении узоров на чипы. Идеальная плоскость и равномерность стекла Extreme ULE существенно уменьшают волнистость поверхности, что минимизирует нежелательные отклонения и гарантирует высокое качество оптических компонентов. Это, в свою очередь, позволяет наносить передовые покрытия и улучшает производительность оборудования.
Extreme ULE будет применяться для создания фотошаблонов - ключевых элементов в процессе литографии, с помощью которых на полупроводниковых пластинах создаются сложные схемы. Благодаря своей исключительной стабильности, этот материал поможет снизить риск деформации шаблонов, что улучшит качество и надежность полупроводников.
Кроме того, материал найдет применение в зеркалах для литографии, где точность поверхности критически важна. Любые изменения в геометрии зеркала могут привести к нарушению фокусировки светового потока, что значительно снизит эффективность процессов производства полупроводников.
Использование Extreme ULE откроет новые возможности для создания будущих поколений микрочипов, которые станут основой для передовых электронных устройств. Снижение тепловых колебаний и улучшение точности нанесения слоев на полупроводники позволит разрабатывать более производительные и энергоэффективные чипы.
Новая разработка Corning обещает стать важным шагом в эволюции литографических технологий. Extreme ULE обеспечит более стабильное производство полупроводниковых компонентов, что повлияет на все отрасли, связанные с высокотехнологичными устройствами - от мобильных телефонов и компьютеров до сложных систем искусственного интеллекта и автомобилей будущего.
|
Другие интересные новости:
▪ Разработана камера с разрешением 400 тысяч пикселей
▪ Мобильный принтер Brother PocketJet 7
▪ Новый двунаправленный датчик потока газа
▪ Человекоподобные роботы Asimo продолжают совершенствоваться
▪ Теплый дом
Лента новостей науки и техники, новинок электроники
Интересные материалы Бесплатной технической библиотеки:
▪ раздел сайта Технологии радиолюбителя. Подборка статей
▪ статья Видит око, да зуб неймет. Крылатое выражение
▪ статья Когда появился первый пенсионный фонд? Подробный ответ
▪ статья Общие сведения об атмосфере. Советы туристу
▪ статья Измерение параметров Тиля-Смолла в домашних условиях. Энциклопедия радиоэлектроники и электротехники
▪ статья Трость, завернутая в газету. Секрет фокуса
Оставьте свой комментарий к этой статье:
Главная страница | Библиотека | Статьи | Карта сайта | Отзывы о сайте

www.diagram.com.ua
2000-2025