Áåñïëàòíàÿ òåõíè÷åñêàÿ áèáëèîòåêà
Öîêîëåâêè 46-60. Ñïðàâî÷íûå äàííûå

Ýíöèêëîïåäèÿ ðàäèîýëåêòðîíèêè è ýëåêòðîòåõíèêè / Ñïðàâî÷íûå ìàòåðèàëû
Êîììåíòàðèè ê ñòàòüå
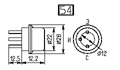
2Ï920 |
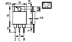
2Ï928 |
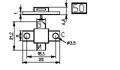
3Ï930-2 |
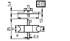
2Ï933 |
2Ï701, 2Ï702, 2Ï703, 2Ï803 |
ÊÏ921, ÊÏ931 |
ÊÏ704, ÊÏ707-1, ÊÏ922-1, ÊÏ946, ÊÏ948 |
ÊÏ932 |
ÊÏ707 |
504ÍÒ1 - 504ÍÒ4 |
ÊÐ504ÍÒ1 - ÊÐ504ÍÒ4 |
2Ï706 |
ÊÏ804 |
ÊÏ501, ÊÏ307-1, ÊÏ364 |
ÊÏ150... |
Ïóáëèêàöèÿ: cxem.net
Ñìîòðèòå äðóãèå ñòàòüè ðàçäåëà Ñïðàâî÷íûå ìàòåðèàëû.
×èòàéòå è ïèøèòå ïîëåçíûå êîììåíòàðèè ê ýòîé ñòàòüå.
<< Íàçàä
Ïîñëåäíèå íîâîñòè íàóêè è òåõíèêè, íîâèíêè ýëåêòðîíèêè:
Õîðîøî óïðàâëÿåìûå ëóãà ìîãóò êîìïåíñèðîâàòü âûáðîñû îò ñêîòà
15.02.2026
Æèâîòíîâîäñòâî, îñîáåííî ðàçâåäåíèå êðóïíîãî ðîãàòîãî ñêîòà, ÷àñòî îáâèíÿþò â çíà÷èòåëüíîì âêëàäå â ãëîáàëüíîå ïîòåïëåíèå èç-çà ìîùíîãî ïàðíèêîâîãî ãàçà - ìåòàíà, êîòîðûé âûäåëÿåòñÿ ïðè ïèùåâàðåíèè ó æâà÷íûõ æèâîòíûõ. Ýòî âûçûâàåò îñòðûå ïîëèòè÷åñêèå ñïîðû è ïðèçûâû ê ñîêðàùåíèþ ïîòðåáëåíèÿ ìÿñà. Îäíàêî ó÷åíûå íàïîìèíàþò, ÷òî ïîëíàÿ êàðòèíà êëèìàòè÷åñêîãî âîçäåéñòâèÿ îòðàñëè íå îãðàíè÷èâàåòñÿ òîëüêî âûáðîñàìè îò æèâîòíûõ: îãðîìíóþ ðîëü èãðàåò îêðóæàþùàÿ ýêîñèñòåìà - ïàñòáèùà, ïî÷âà è ðàñòèòåëüíîñòü, êîòîðûå ñïîñîáíû àêòèâíî ïîãëîùàòü óãëåêèñëûé ãàç èç àòìîñôåðû.
Èññëåäîâàòåëè èç Óíèâåðñèòåòà Íåáðàñêè-Ëèíêîëüíà ðåøèëè ãëóáæå èçó÷èòü ýòîò áàëàíñ. Ãðóïïà ïîä ðóêîâîäñòâîì ïðîôåññîðà Ãàëåíà Ýðèêñîíà ñîñðåäîòî÷èëàñü íà òîì, êàê ïðàâèëüíî îðãàíèçîâàííûå ïàñòáèùà íàêàïëèâàþò óãëåðîä â ðàñòåíèÿõ è ãðóíòå áëàãîäàðÿ åñòåñòâåííûì ïðîöåññàì, ñòèìóëèðóåìûì âûïàñîì ñêîòà. Ó÷åíûå ïîä÷åðêèâàþò, ÷òî ïðè äîñòàòî÷íîì óðîâíå îñàäêîâ è ãðàìîòíîì óïðàâëåíèè òàêèå ëóãà ïðåâðàùàþòñÿ â ìîùíûå ïðèðîäíûå ïîãëî ...>>
NASA òåñòèðóåò èííîâàöèîííóþ òåõíîëîãèþ êðûëà
15.02.2026
Êîììåð÷åñêàÿ àâèàöèÿ åæåãîäíî ðàñõîäóåò êîëîññàëüíûå îáúåìû êåðîñèíà, ÷òî ñêàçûâàåòñÿ íå òîëüêî íà áþäæåòå àâèàêîìïàíèé, íî è íà ñîñòîÿíèè îêðóæàþùåé ñðåäû.  2024 ãîäó ãëîáàëüíûå çàòðàòû íà àâèàöèîííîå òîïëèâî äîñòèãëè 291 ìèëëèàðäà äîëëàðîâ, è ýòà ñóììà ïðîäîëæàåò ðàñòè. ×òîáû ñïðàâèòüñÿ ñ ýòèìè âûçîâàìè, NASA àêòèâíî ðàáîòàåò íàä òåõíîëîãèÿìè, ñïîñîáíûìè çàìåòíî ïîâûñèòü àýðîäèíàìè÷åñêóþ ýôôåêòèâíîñòü ñàìîëåòîâ. Îäíèì èç ñàìûõ ïåðñïåêòèâíûõ íàïðàâëåíèé ñòàëî ñîçäàíèå ñïåöèàëüíîé êîíñòðóêöèè êðûëà, êîòîðàÿ ìàêñèìèçèðóåò åñòåñòâåííûé ëàìèíàðíûé ïîòîê âîçäóõà è ìèíèìèçèðóåò ñîïðîòèâëåíèå.
 ÿíâàðå 2026 ãîäà ñïåöèàëèñòû NASA Armstrong Flight Research Center óñïåøíî ïðîâåëè âàæíûé ýòàï íàçåìíûõ èñïûòàíèé êîíöåïöèè Crossflow Attenuated Natural Laminar Flow (CATNLF). Äëÿ ýêñïåðèìåíòà ïîä ôþçåëÿæ èññëåäîâàòåëüñêîãî ñàìîëåòà F-15B çàêðåïèëè âåðòèêàëüíî îðèåíòèðîâàííóþ ìàñøòàáíóþ ìîäåëü âûñîòîé îêîëî 0,9 ì (3 ôóòà), íàïîìèíàþùóþ óçêèé êèëü. Òàêàÿ êîìïîíîâêà ïîçâîëèëà ïîäâåðãíóòü ïðîòîòèï ð ...>>
Çàáîòà î âíóêàõ î÷åíü ïîëåçíà äëÿ çäîðîâüÿ ìîçãà
14.02.2026
Îáùåíèå ìåæäó ïîêîëåíèÿìè ïðèíîñèò ðàäîñòü âñåé ñåìüå, íî ìàëî êòî çàäóìûâàåòñÿ, íàñêîëüêî àêòèâíî áàáóøêè è äåäóøêè, çàáîòÿùèåñÿ î âíóêàõ, ïîääåðæèâàþò ñâîþ óìñòâåííóþ ôîðìó. Ðåãóëÿðíîå âçàèìîäåéñòâèå ñ äåòüìè ñòèìóëèðóåò ìîçã ïîæèëûõ ëþäåé, ïîìîãàÿ ñîõðàíÿòü ïàìÿòü, ñêîðîñòü ìûøëåíèÿ è îáùóþ êîãíèòèâíóþ àêòèâíîñòü.
Íîâûå íàó÷íûå äàííûå ïîäòâåðæäàþò, ÷òî òàêàÿ äîáðîâîëüíàÿ ïîìîùü íå òîëüêî âàæíà äëÿ îáùåñòâà, íî è ìîæåò çàìåäëÿòü âîçðàñòíûå èçìåíåíèÿ â ìîçãå.
Èññëåäîâàòåëè èç Òèëáóðãñêîãî óíèâåðñèòåòà â Íèäåðëàíäàõ ïðîâåëè àíàëèç, ÷òîáû ïîíÿòü, ïðèíîñèò ëè óõîä çà âíóêàìè ðåàëüíóþ ïîëüçó çäîðîâüþ ïîæèëûõ ëþäåé. Âåäóùèé àâòîð ðàáîòû Ôëàâèÿ ×åðå÷åñ îòìåòèëà, ÷òî ìíîãèå áàáóøêè è äåäóøêè ðåãóëÿðíî ïðèñìàòðèâàþò çà äåòüìè, è îñòàâàëñÿ îòêðûòûì âîïðîñ, íàñêîëüêî ýòî ïîëîæèòåëüíî ñêàçûâàåòñÿ íà èõ ñîáñòâåííîì áëàãîïîëó÷èè, îñîáåííî â ïëàíå êîãíèòèâíûõ ôóíêöèé.
Ó÷åíûå ïîñòàâèëè öåëü âûÿñíèòü, ñïîñîáåí ëè ðåãóëÿðíûé óõîä çà âíóêàìè çàìåäëèòü ñíèæåíèå ïàìÿòè è äðóãèõ óìñòâåííûõ ñïîñîá ...>>
Ñëó÷àéíàÿ íîâîñòü èç Àðõèâà Ñòåêëî ðàñïîçíàåò èçîáðàæåíèå
13.07.2019
Àâòîìàòè÷åñêîå ðàñïîçíàâàíèå èçîáðàæåíèé - îäíà èç ñîâðåìåííûõ àêòóàëüíûõ çàäà÷. Ðàñïîçíàâàòü ïðèõîäèòñÿ ìíîãîå: îò çíàêîâ è òåêñòà äî ëèö è äðóãèõ èçîáðàæåíèé. Êàê ïðàâèëî, äëÿ ýòîãî èñïîëüçóþòñÿ èñêóññòâåííûå íåéðîííûå ñåòè, ïîòðåáëÿþùèå çíà÷èòåëüíûå âû÷èñëèòåëüíûå è ýíåðãåòè÷åñêèå ðåñóðñû.
Èäåÿ èññëåäîâàòåëåé èç Óíèâåðñèòåòà Âèñêîíñèí-Ìýäèñîí çàêëþ÷àëàñü âî âíåäðåíèè â ïëàñòèíêó ñòåêëà íà "ñòðàòåãè÷åñêèå" ìåñòà ïóçûðüêîâ è êóñî÷êîâ ñâåòîïîãëîùàþùèõ ìàòåðèàëîâ ðàçëè÷íîé ôîðìû. Èçìåíÿÿ íàïðàâëåíèå ðàñïðîñòðàíåíèÿ ñâåòà, îíè â èòîãå äîëæíû ïðèâîäèòü ê òîìó, ÷òî ïàäàþùèé íà ïëàñòèíêó ñâåò îò èçîáðàæåíèÿ, áóäåò ôîêóñèðîâàòüñÿ èëè êîíöåíòðèðîâàòüñÿ â îïðåäåëåííîì ìåñòå. Äëÿ êàæäîãî èçîáðàæåíèÿ - ýòî ìåñòî ñâîå, ÷òî è ïîçâîëÿåò ïðîâîäèòü ðàñïîçíàâàíèå.
Äëÿ ïîäòâåðæäåíèÿ êîíöåïöèè èññëåäîâàòåëè ðàçðàáîòàëè òåõíîëîãèþ èçãîòîâëåíèÿ ñòåêëÿííûõ ïëàñòèí, ñïîñîáíûõ ðàñïîçíàâàòü íàïèñàííûå îò ðóêè öèôðû. Ñâåò, èñõîäÿùèé îò èçîáðàæåíèÿ ÷èñëà, ïîñëå ïðîõîæäåíèÿ ïëàñòèíêè ôîêóñèðîâàëñÿ íà îäíîì èç äåâÿòè îïðåäåëåííûõ ïÿòåí, êàæäîå èç êîòîðûõ ñîîòâåòñòâîâàëî ñâîåé öèôðå. Ïîëó÷åííûå ñòåêëûøêè óñïåøíî ïðîøëè ïðîâåðêó, ñóìåâ äàæå ðàçëè÷èòü ðóêîïèñíûå 3 è 8.
Ïðîåêòèðîâàíèå ñòåêëà äëÿ ðàñïîçíàâàíèÿ ÷èñåë áûëî ïîõîæå íà ïðîöåññ ìàøèííîãî îáó÷åíèÿ, çà èñêëþ÷åíèåì òîãî, ÷òî â äàííîì ñëó÷àå "îáó÷àëè" ðåàëüíûé ìàòåðèàë âìåñòî êîìïüþòåðíîé ïðîãðàììû. Íåîáõîäèìî áûëî ðàññ÷èòàòü ìåñòà, íà êîòîðûå â ñòåêëî áóäóò âíåäðÿòüñÿ ïðèìåñè. Ôàêòè÷åñêè, òàêàÿ ñðåäà ïðîèçâîäèò èñêóññòâåííûå íåéðîííûå âû÷èñëåíèÿ, òîëüêî íå öèôðîâûå, à àíàëîãîâûå. Õîòÿ ïðåäâàðèòåëüíûé ïðîöåññ îáó÷åíèÿ ìîæåò áûòü òðóäîåìêèì è ïîòðåáîâàòü ìíîãî âû÷èñëåíèé, ñàìî ñòåêëî çàòåì ëåãêî è íåäîðîãî èçãîòîâèòü.
Íîâûé ñïîñîá âûïîëíåíèÿ àíàëîãîâûõ èñêóññòâåííûõ íåéðîííûõ âû÷èñëåíèé ñ ïîìîùüþ ðàñïðîñòðàíåíèÿ ñâåòà â ñðåäå èìååò ðÿä äîñòîèíñòâ. Ýòè "âû÷èñëåíèÿ" ïðèñóùè ñàìîìó ìàòåðèàëó, ïîýòîìó âî âðåìÿ ðàáîòû îíè íå òðåáóþò çàòðàò ýíåðãèè è íå èñïîëüçóþò íèêàêèõ ýëåêòðîííûõ óñòðîéñòâ. Ýòî ìîæåò îòêðûòü íîâûå ïåðñïåêòèâû äëÿ óñòðîéñòâ ñ íèçêèì ýíåðãîïîòðåáëåíèåì. Óñòðîéñòâà "ñòåêëÿííîãî ðàñïîçíàâàíèÿ" ðàáîòàþò â ðåæèìå ðåàëüíîãî âðåìåíè áóêâàëüíî ñî ñêîðîñòüþ ñâåòà. Ïðåèìóùåñòâî ýòîé òåõíîëîãèè çàêëþ÷àåòñÿ â åå ñïîñîáíîñòè ìãíîâåííî ðåøàòü çàäà÷è ðàñïîçíàâàíèÿ áåç êàêîãî-ëèáî ýíåðãîïîòðåáëåíèÿ. Êðîìå òîãî, îäíó ïëàñòèíó ñòåêëà äëÿ ðàñïîçíàâàíèÿ èçîáðàæåíèé ìîæíî èñïîëüçîâàòü ñîòíè òûñÿ÷ ðàç.
 áóäóùåì èññëåäîâàòåëè ïëàíèðóþò âûÿñíèòü, ðàáîòàåò ëè èõ ïîäõîä äëÿ áîëåå ñëîæíûõ çàäà÷, òàêèõ, êàê ðàñïîçíàâàíèå ëèö. Íàïðèìåð, ìîæíî èñïîëüçîâàòü òàêîå ñòåêëî â êà÷åñòâå áèîìåòðè÷åñêîãî çàìêà, íàñòðîåííîãî íà ðàñïîçíàâàíèå ëèöà òîëüêî îäíîãî ÷åëîâåêà.
|
Äðóãèå èíòåðåñíûå íîâîñòè:
▪ Îáëàêà óêðîòÿò óðàãàíû
▪ Ïîëèöåéñêàÿ ðîáîìàøèíà îò Ford
▪ Íîâûå 14-àìïåðíûå ìîäóëè ïðåîáðàçîâàíèÿ íàïðÿæåíèÿ â êîðïóñå EXCALIBUR
▪ ST25R3916 - óíèâåðñàëüíûé NFC/RFID-ðèäåð 13,56 ÌÃö
▪ Ðàçðàáîòàíà êàìåðà ñ ðàçðåøåíèåì 1 ÃÏ
Ëåíòà íîâîñòåé íàóêè è òåõíèêè, íîâèíîê ýëåêòðîíèêè
Èíòåðåñíûå ìàòåðèàëû Áåñïëàòíîé òåõíè÷åñêîé áèáëèîòåêè:
▪ ðàçäåë ñàéòà Âèäåîòåõíèêà. Ïîäáîðêà ñòàòåé
▪ ñòàòüÿ Ïëàñòèêîâûé ïàêåò. Èñòîðèÿ èçîáðåòåíèÿ è ïðîèçâîäñòâà
▪ ñòàòüÿ ×òî òàêîå çàãàð? Ïîäðîáíûé îòâåò
▪ ñòàòüÿ Ýêñïëóàòàöèÿ ðåçåðâóàðîâ ß-1-ÎÑÂ. Òèïîâàÿ èíñòðóêöèÿ ïî îõðàíå òðóäà
▪ ñòàòüÿ Çàâèñèìîå âêëþ÷åíèå ýëåêòðî- è ðàäèîïðèáîðîâ. Ýíöèêëîïåäèÿ ðàäèîýëåêòðîíèêè è ýëåêòðîòåõíèêè
▪ ñòàòüÿ Îá àíòåííàõ íîâîãî ïîêîëåíèÿ. Ýíöèêëîïåäèÿ ðàäèîýëåêòðîíèêè è ýëåêòðîòåõíèêè
Îñòàâüòå ñâîé êîììåíòàðèé ê ýòîé ñòàòüå:
Ãëàâíàÿ ñòðàíèöà | Áèáëèîòåêà | Ñòàòüè | Êàðòà ñàéòà | Îòçûâû î ñàéòå

www.diagram.com.ua
2000-2026