Áåñïëàòíàÿ òåõíè÷åñêàÿ áèáëèîòåêà
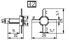
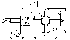
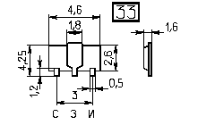
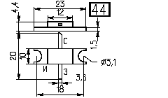
Öîêîëåâêè 31-45. Ñïðàâî÷íûå äàííûå

Ýíöèêëîïåäèÿ ðàäèîýëåêòðîíèêè è ýëåêòðîòåõíèêè / Ñïðàâî÷íûå ìàòåðèàëû
Êîììåíòàðèè ê ñòàòüå
ÊÏ346-9 |
2Ï347-2 |
2Ï601-9 |
2Ï607-2 |
ÊÏ327 |
ÊÏ103-1, ÊÏ329 |
ÊÏÑ316 |
ÊÏ901, ÊÏ902 |
ÊÏ903 |
ÊÏ904 |
ÊÏ905, ÊÏ907, ÊÏ908 |
2Ï909, 2Ï911, 2Ï913 |
ÊÏ705, ÊÏ801, ÊÏ802, ÊÏ912, ÊÏ921, ÊÏ926, ÊÏ934, ÊÏ937 |
2Ï918, 2Ï923, 2Ï941 |
3Ï915-2, 3Ï925-2 |
Ïóáëèêàöèÿ: cxem.net
Ñìîòðèòå äðóãèå ñòàòüè ðàçäåëà Ñïðàâî÷íûå ìàòåðèàëû.
×èòàéòå è ïèøèòå ïîëåçíûå êîììåíòàðèè ê ýòîé ñòàòüå.
<< Íàçàä
Ïîñëåäíèå íîâîñòè íàóêè è òåõíèêè, íîâèíêè ýëåêòðîíèêè:
Îïòèìàëüíàÿ ïðîäîëæèòåëüíîñòü ñíà
12.11.2025
Ñîí èãðàåò êëþ÷åâóþ ðîëü â ïîääåðæàíèè çäîðîâüÿ, êîãíèòèâíûõ ôóíêöèé è îáùåãî ñàìî÷óâñòâèÿ. Íåñìîòðÿ íà øèðîêî ðàñïðîñòðàíåííûé ñòåðåîòèï î âîñüìè÷àñîâîì ñíå, ïîñëåäíèå èññëåäîâàíèÿ ïîêàçûâàþò, ÷òî îïòèìàëüíàÿ ïðîäîëæèòåëüíîñòü ñíà äëÿ áîëüøèíñòâà çäîðîâûõ âçðîñëûõ áëèæå ê ñåìè ÷àñàì.
Ýâîëþöèîííûé áèîëîã èç Ãàðâàðäà, Äýíèåë Ý. Ëèáåðìàí, óòâåðæäàåò, ÷òî òðàäèöèîííàÿ íîðìà âîñüìè ÷àñîâ ñíà - ýòî ñêîðåå êóëüòóðíîå íàñëåäèå èíäóñòðèàëüíîé ýïîõè, ÷åì áèîëîãè÷åñêàÿ íåîáõîäèìîñòü. Ïî åãî ñëîâàì, ïîëåâûå èññëåäîâàíèÿ, ïðîâåäåííûå â ñîîáùåñòâàõ, íå èñïîëüçóþùèõ ýëåêòðè÷åñòâî, ïîêàçûâàþò, ÷òî ñðåäíÿÿ ïðîäîëæèòåëüíîñòü ñíà ñîñòàâëÿåò 6-7 ÷àñîâ, ÷òî çíà÷èòåëüíî îòëè÷àåòñÿ îò îáùåïðèíÿòîãî ñòàíäàðòà.
Ñîâðåìåííûå ýïèäåìèîëîãè÷åñêèå äàííûå ïîäòâåðæäàþò ýòîò âçãëÿä. Èññëåäîâàíèÿ âûÿâèëè òàê íàçûâàåìóþ "U-îáðàçíóþ êðèâóþ" çàâèñèìîñòè ìåæäó ïðîäîëæèòåëüíîñòüþ ñíà è ðèñêàìè äëÿ çäîðîâüÿ. Ìèíèìàëüíûå ïîêàçàòåëè çàáîëåâàåìîñòè è ñìåðòíîñòè íàáëþäàþòñÿ èìåííî ó ëþäåé, ñïÿùèõ îêîëî ñåìè ÷àñîâ â ñóòêè. ...>>
Äåôèöèò êèñëîðîäà óñèëèâàåò âûáðîñ çàêèñè àçîòà
12.11.2025
Ïàðíèêîâûå ãàçû èãðàþò êëþ÷åâóþ ðîëü â èçìåíåíèè êëèìàòà, à çàêèñü àçîòà (N2O) - îäèí èç íàèáîëåå îïàñíûõ ñðåäè íèõ. Ýòîò ãàç íå òîëüêî âòðîå ñèëüíåå óãëåêèñëîãî ãàçà â óäåðæàíèè òåïëà, íî è ðàçðóøàåò îçîíîâûé ñëîé. Íåäàâíåå èññëåäîâàíèå àìåðèêàíñêèõ ó÷åíûõ ïîêàçàëî, ÷òî ìèêðîáû â çîíàõ ñ íèçêèì ñîäåðæàíèåì êèñëîðîäà àêòèâíî ïðîèçâîäÿò N2O, óñèëèâàÿ ãëîáàëüíûå êëèìàòè÷åñêèå ðèñêè.
Êîìàíäà èç Óíèâåðñèòåòà Ïåíñèëüâàíèè èçó÷àëà ïðèáðåæíûå âîäû ó Ñàí-Äèåãî è ïðîâåëà íàáëþäåíèÿ íà ãëóáèíàõ îò 40 äî 120 ìåòðîâ â Âîñòî÷íîé òðîïè÷åñêîé ñåâåðíîé ÷àñòè Òèõîãî îêåàíà - îäíîé èç êðóïíåéøèõ çîí äåôèöèòà êèñëîðîäà. Èññëåäîâàòåëè ñîñðåäîòî÷èëèñü íà òîì, êàê ìîðñêèå ìèêðîîðãàíèçìû ïðåâðàùàþò íèòðàòû â çàêèñü àçîòà.
 õîäå ðàáîòû âûÿñíèëîñü, ÷òî ñóùåñòâóåò äâà ïóòè îáðàçîâàíèÿ N2O. Îäèí ïóòü íà÷èíàåòñÿ ñ íèòðàòà, äðóãîé - ñ íèòðèòà. Íà ïåðâûé âçãëÿä áîëåå êîðîòêèé ïóòü äîëæåí áûòü ýôôåêòèâíåå, îäíàêî ìèêðîáû, èñïîëüçóþùèå íèòðàò, ïðîäóöèðóþò áîëüøå ãàçà, ïîñêîëüêó ýòîò "ñûðüåâîé" èñòî÷íèê áîëåå ä ...>>
Îìåãà-3 ïîìîãàþò ìîëîäûì êîðàëëàì âûæèâàòü
11.11.2025
Ñîõðàíåíèå êîðàëëîâûõ ðèôîâ ñòàíîâèòñÿ âñå áîëåå àêòóàëüíîé çàäà÷åé â óñëîâèÿõ ãëîáàëüíîãî èçìåíåíèÿ êëèìàòà. Ìîëîäûå êîðàëëû îñîáåííî óÿçâèìû íà ðàííèõ ñòàäèÿõ ðàçâèòèÿ, êîãäà ñòðåññîâûå óñëîâèÿ è íåõâàòêà ïèòàòåëüíûõ âåùåñòâ ìîãóò ïðèâåñòè ê âûñîêîé ñìåðòíîñòè. Íåäàâíåå èññëåäîâàíèå ó÷åíûõ èç Òåõíîëîãè÷åñêîãî óíèâåðñèòåòà Ñèäíåÿ ïîêàçûâàåò, ÷òî ñïåöèàëüíûå ïèùåâûå äîáàâêè ñïîñîáíû ñóùåñòâåííî ïîâûñèòü âûæèâàåìîñòü ëè÷èíîê êîðàëëîâ.
 õîäå ðàáîòû èññëåäîâàòåëè ðàçðàáîòàëè îñîáûé ñîñòàâ "äåòñêîãî ïèòàíèÿ" äëÿ êîðàëëîâûõ ëè÷èíîê.  íåãî âîøëè ìàñëà, áîãàòûå îìåãà-3 æèðíûìè êèñëîòàìè, à òàêæå âàæíûå ñòåðèíû, íåîáõîäèìûå äëÿ ôîðìèðîâàíèÿ êëåòî÷íûõ ìåìáðàí. Ëè÷èíêè, ïîëó÷àâøèå ýòè äîáàâêè, ðàçâèâàëèñü áûñòðåå, ñòàíîâèëèñü êðåï÷å è äåìîíñòðèðîâàëè áîëåå âûñîêóþ óñòîé÷èâîñòü ê ñòðåññîâûì ôàêòîðàì.
Îñîáîå âíèìàíèå ó÷åíûå óäåëèëè ëèïèäàì. Àíàëèç ïîêàçàë, ÷òî ëè÷èíêè àêòèâíî óñâàèâàþò ýòè âåùåñòâà, ÷òî íàïðÿìóþ âëèÿåò íà èõ æèçíåñïîñîáíîñòü. Ñòåðèíû, ñîäåðæàùèåñÿ â êîðìå, ïîâûøàþò óñòîé÷è ...>>
Ñëó÷àéíàÿ íîâîñòü èç Àðõèâà Ðàçðàáîòàí ðåâîëþöèîííûé êâàíòîâûé ñóïåðìåòàëë
10.06.2025
Ñîâðåìåííàÿ íàóêà ñòîèò íà ïîðîãå íîâîé òåõíîëîãè÷åñêîé ðåâîëþöèè, ñâÿçàííîé ñ ðàçðàáîòêîé ìàòåðèàëîâ, ñïîñîáíûõ ïðîâîäèòü òîê áåç ïîòåðü ýíåðãèè. Òàêèå ñâîéñòâà îñîáåííî âàæíû â óñëîâèÿõ ñòðåìèòåëüíî ðàñòóùåé ïîòðåáíîñòè â ýíåðãîýôôåêòèâíûõ ðåøåíèÿõ - îò êâàíòîâûõ âû÷èñëåíèé äî èíôðàñòðóêòóðû öåíòðîâ îáðàáîòêè äàííûõ. Èìåííî â ýòîì êîíòåêñòå ñëåäóåò ðàññìàòðèâàòü ïðîðûâ, äîñòèãíóòûé ôèçèêàìè èç Óíèâåðñèòåòà Ðàéñà (ÑØÀ), êîòîðûå ïðåäñòàâèëè óíèêàëüíûé êâàíòîâûé ìàòåðèàë ñ îñîáûìè ýëåêòðîííûìè õàðàêòåðèñòèêàìè.
Èññëåäîâàòåëè ðàáîòàëè ñ äèñóëüôèäîì òàíòàëà, ñëîèñòûì êðèñòàëëîì, èçâåñòíûì â íàóêå ïîä îáîçíà÷åíèåì TaS2. Äîáàâèâ â åãî ñòðóêòóðó íåáîëüøîå êîëè÷åñòâî èíäèÿ, ó÷åíûå äîáèëèñü íàðóøåíèÿ ñèììåòðèè ìàòåðèàëà, ÷òî ñòàëî êëþ÷îì ê ïðîÿâëåíèþ åãî òîïîëîãè÷åñêèõ è ñâåðõïðîâîäÿùèõ ñâîéñòâ. Èìåííî ýòîò øàã ïîçâîëèë ïðåâðàòèòü TaS2 â òàê íàçûâàåìûé óçëîâîé ìåòàëë Êðàìåðñà - ðåäêèé êâàíòîâûé îáúåêò, â êîòîðîì ýëåêòðîíû ñ ðàçíûìè ñïèíàìè äâèæóòñÿ ïî îòäåëüíûì, íî ïåðåïëåòåííûì òðàåêòîðèÿì â èìïóëüñíîì ïðîñòðàíñòâå.
Ãëàâíîé îñîáåííîñòüþ ýòîãî ñîñòîÿíèÿ ÿâëÿþòñÿ òàê íàçûâàåìûå óçëîâûå ëèíèè - ýíåðãåòè÷åñêèå çîíû, ãäå ýëåêòðîíû ñ ïðîòèâîïîëîæíûìè õàðàêòåðèñòèêàìè ñõîäÿòñÿ è âçàèìîäåéñòâóþò áåç ïîòåðü. Ýòî ïðèäàåò ìàòåðèàëó óíèêàëüíûå ñâîéñòâà, îòêðûâàÿ ïóòü ê ñîçäàíèþ òîïîëîãè÷åñêèõ ñâåðõïðîâîäíèêîâ, êîòîðûå ñìîãóò îáåñïå÷èòü âûñîêîýôôåêòèâíóþ ïåðåäà÷ó ýíåðãèè äàæå ïðè ìèíèìàëüíîì îõëàæäåíèè.
Êîìàíäà ó÷åíûõ íå îãðàíè÷èëàñü ýêñïåðèìåíòàëüíûìè äàííûìè. Îíè äîïîëíèëè ñâîè íàáëþäåíèÿ òåîðåòè÷åñêèìè ðàñ÷åòàìè, ïîäòâåðäèâ, ÷òî ñòðóêòóðà è ïîâåäåíèå ïîëó÷åííîãî âåùåñòâà ñîîòâåòñòâóþò êâàíòîâûì ïðåäñêàçàíèÿì. Îñîáåííîñòü íîâîãî ìàòåðèàëà çàêëþ÷àåòñÿ â òîì, ÷òî îí ìîæåò ñîâìåùàòü äâà ôóíäàìåíòàëüíûõ ñâîéñòâà: ñâåðõïðîâîäèìîñòü è òîïîëîãè÷åñêóþ çàùèòó. Òàêîå ñî÷åòàíèå äåëàåò åãî îñîáåííî ïåðñïåêòèâíûì äëÿ òåõíîëîãèé, â êîòîðûõ äàæå ìàëåéøèå ýíåðãåòè÷åñêèå ïîòåðè íåäîïóñòèìû.
Ïðèìåíåíèå ïîäîáíûõ ìàòåðèàëîâ ìîæåò êàðäèíàëüíî ïîâëèÿòü íà ðàçâèòèå êâàíòîâîé ýëåêòðîíèêè. Èõ èñïîëüçîâàíèå ïîçâîëèò ñîçäàâàòü óñòðîéñòâà, ñïîñîáíûå ðàáîòàòü çíà÷èòåëüíî ýôôåêòèâíåå, ÷åì òðàäèöèîííûå êðåìíèåâûå ÷èïû, îñîáåííî â óñëîâèÿõ, òðåáóþùèõ âûñîêîé òî÷íîñòè è ìèíèìàëüíîãî òåïëîâûäåëåíèÿ. Êðîìå òîãî, ïåðñïåêòèâû èõ âíåäðåíèÿ â ýëåêòðîìîáèëè è ñèñòåìû õðàíåíèÿ ýíåðãèè ìîãóò ñîêðàòèòü ýíåðãîçàòðàòû è ïîâûñèòü íàäåæíîñòü òàêèõ ðåøåíèé.
Ñàìûì óäèâèòåëüíûì â îòêðûòèè ó÷åíûõ èç Óíèâåðñèòåòà Ðàéñà ÿâëÿåòñÿ òî, ÷òî ñòîëü ñëîæíîå êâàíòîâîå ïîâåäåíèå óäàëîñü âûçâàòü ñ ïîìîùüþ îòíîñèòåëüíî ïðîñòîãî èçìåíåíèÿ õèìè÷åñêîãî ñîñòàâà èçâåñòíîãî ìàòåðèàëà. Ýòî ãîâîðèò î òîì, ÷òî ïóòü ê íîâûì ôóíêöèîíàëüíûì ìàòåðèàëàì ìîæåò ëåæàòü íå òîëüêî ÷åðåç ñîçäàíèå ñîâåðøåííî íîâûõ ñîåäèíåíèé, íî è ÷åðåç òî÷íóþ íàñòðîéêó óæå ñóùåñòâóþùèõ.
|
Äðóãèå èíòåðåñíûå íîâîñòè:
▪ E-skin - äèñïëåé íà êîæå
▪ Ìèêðîñõåìà âûñîêî÷àñòîòíîãî ðåãóëÿòîðà-êîíòðîëëåðà LM5115
▪ Ìîëåêóëà-òðàíçèñòîð
▪ Óìíàÿ îáóâü îò LG
▪ Êàôå ñ äðîíàìè-îôèöèàíòàìè
Ëåíòà íîâîñòåé íàóêè è òåõíèêè, íîâèíîê ýëåêòðîíèêè
Èíòåðåñíûå ìàòåðèàëû Áåñïëàòíîé òåõíè÷åñêîé áèáëèîòåêè:
▪ ðàçäåë ñàéòà Ïðåäâàðèòåëüíûå óñèëèòåëè. Ïîäáîðêà ñòàòåé
▪ ñòàòüÿ Àêóøåðñòâî è ãèíåêîëîãèÿ. Øïàðãàëêà
▪ ñòàòüÿ Êîãäà è êåì ïðèìåíÿëèñü ïîäâîäíûå è âîçäóøíûå àâèàíîñöû? Ïîäðîáíûé îòâåò
▪ ñòàòüÿ Ñîðòèðîâêà êðóãëûõ ëåñîìàòåðèàëîâ ñ ïðèìåíåíèåì àâòîìàòèçèðîâàííîãî ëåñîòðàíñïîðòåðà. Òèïîâàÿ èíñòðóêöèÿ ïî îõðàíå òðóäà
▪ ñòàòüÿ Ñèíõðîííûé äåòåêòîð ñ óäâîåíèåì íàïðÿæåíèÿ. Ýíöèêëîïåäèÿ ðàäèîýëåêòðîíèêè è ýëåêòðîòåõíèêè
▪ ñòàòüÿ ÓÊÂ êîíâåðòåð ñ ðåæåêòîðíûì ôèëüòðîì. Ýíöèêëîïåäèÿ ðàäèîýëåêòðîíèêè è ýëåêòðîòåõíèêè
Îñòàâüòå ñâîé êîììåíòàðèé ê ýòîé ñòàòüå:
Ãëàâíàÿ ñòðàíèöà | Áèáëèîòåêà | Ñòàòüè | Êàðòà ñàéòà | Îòçûâû î ñàéòå

www.diagram.com.ua
2000-2025