Áåñïëàòíàÿ òåõíè÷åñêàÿ áèáëèîòåêà
Öîêîëåâêè 16 - 30. Ñïðàâî÷íûå äàííûå

Ýíöèêëîïåäèÿ ðàäèîýëåêòðîíèêè è ýëåêòðîòåõíèêè / Ñïðàâî÷íûå ìàòåðèàëû
Êîììåíòàðèè ê ñòàòüå
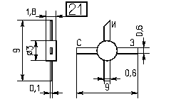
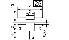
ÊÏ313 |
ÊÏÑ315 |
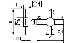
ÊÏ322 |
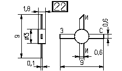
ÊÏ323-2, 2Ï335-2 |
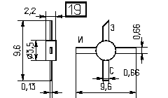
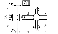
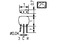
3Ï324-2, 3Ï325-2, 3Ï343-2, 3Ï344-2 |
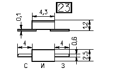
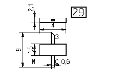
3Ï320-2 |
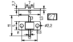
ÀÏ321-2 |
3Ï326-2, 3Ï330-2, 3Ï331-2, 3Ï339-2, 3Ï605-2 |
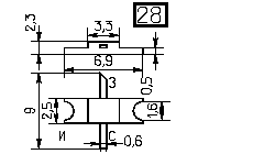
3Ï328-2 |
2Ï338-1 |
3Ï345-2 |
3Ï602-2, 3Ï910-2 |
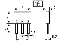
3Ï603-2, 3Ï604-2, 3Ï606-2 |
3Ï608-2, 3Ï927-2 |
2Ï103-9 |
Ïóáëèêàöèÿ: cxem.net
Ñìîòðèòå äðóãèå ñòàòüè ðàçäåëà Ñïðàâî÷íûå ìàòåðèàëû.
×èòàéòå è ïèøèòå ïîëåçíûå êîììåíòàðèè ê ýòîé ñòàòüå.
<< Íàçàä
Ïîñëåäíèå íîâîñòè íàóêè è òåõíèêè, íîâèíêè ýëåêòðîíèêè:
Ãëàçíûå êàïëè, âîçâðàùàþùèå ìîëîäîñòü çðåíèþ
05.10.2025
Ñ âîçðàñòîì ÷åëîâå÷åñêèé ãëàç ïîñòåïåííî òåðÿåò ñïîñîáíîñòü ÷åòêî âèäåòü íà áëèçêîì ðàññòîÿíèè - ðàçâèâàåòñÿ ïðåñáèîïèÿ, èëè âîçðàñòíàÿ äàëüíîçîðêîñòü. Ýòîò åñòåñòâåííûé ïðîöåññ ñâÿçàí ñ óòðàòîé ýëàñòè÷íîñòè õðóñòàëèêà è îñëàáëåíèåì öèëèàðíîé ìûøöû, îòâå÷àþùåé çà ôîêóñèðîâêó. Ìèëëèîíû ëþäåé ïî âñåìó ìèðó ñòàëêèâàþòñÿ ñ íåîáõîäèìîñòüþ íîñèòü î÷êè äëÿ ÷òåíèÿ èëè ïðèáåãàþò ê õèðóðãè÷åñêèì ìåòîäàì êîððåêöèè. Îäíàêî èññëåäîâàòåëè èç Öåíòðà ïåðåäîâûõ èññëåäîâàíèé ïðåñáèîïèè â Áóýíîñ-Àéðåñå ïðåäñòàâèëè ðåøåíèå, êîòîðîå ìîæåò ñòàòü óäîáíîé è íåèíâàçèâíîé àëüòåðíàòèâîé - ñïåöèàëüíûå ãëàçíûå êàïëè, ñïîñîáíûå óëó÷øàòü çðåíèå íà äëèòåëüíûé ñðîê.
Ðàçðàáîòêó âîçãëàâèëà Äæîâàííà Áåíîööè, äèðåêòîð Öåíòðà. Ïî åå ñëîâàì, öåëü èññëåäîâàíèÿ ñîñòîÿëà â òîì, ÷òîáû ïðåäîñòàâèòü ïàöèåíòàì ñ ïðåñáèîïèåé ýôôåêòèâíûé è áåçîïàñíûé ñïîñîá êîððåêöèè çðåíèÿ áåç õèðóðãè÷åñêîãî âìåøàòåëüñòâà. Íîâûå êàïëè, ñîçäàííûå íà îñíîâå ïèëîêàðïèíà è äèêëîôåíàêà, ïîêàçàëè óáåäèòåëüíûå ðåçóëüòàòû: óæå ÷åðåç ÷àñ ïîñëå ïåðâîãî ïð ...>>
Öèôðîâàÿ ðàöèÿ Xiaomi Digital Walkie Talkie
05.10.2025
Êîìïàíèÿ Xiaomi ïðåäñòàâèëà ñîâðåìåííîå óñòðîéñòâî, îáúåäèíèâøåå êëàññè÷åñêèå ïðèíöèïû ðàäèîñâÿçè ñ âîçìîæíîñòÿìè öèôðîâûõ òåõíîëîãèé.
Íîâèíêà ïîä íàçâàíèåì Xiaomi Digital Walkie Talkie äåìîíñòðèðóåò, êàê ïðèâû÷íûå ðàöèè ìîãóò áûòü ïåðåîñìûñëåíû â äóõå âðåìåíè. Óñòðîéñòâî îñíàùåíî öâåòíûì äèñïëååì äèàãîíàëüþ 1,57 äþéìà, êîòîðûé îòîáðàæàåò ñïèñîê êîíòàêòîâ, ïàðàìåòðû ñîåäèíåíèÿ è äàæå ïðèìåðíîå ìåñòîïîëîæåíèå ñîáåñåäíèêà. Òàêîé ïîäõîä ïðåâðàùàåò ñòàíäàðòíóþ ðàöèþ â êîìïàêòíîå ñðåäñòâî ñâÿçè, ñî÷åòàþùåå ôóíêöèîíàëüíîñòü ñìàðòôîíà è óñòîé÷èâîñòü ïðîôåññèîíàëüíîé òåõíèêè.
Îäíèì èç êëþ÷åâûõ ïðåèìóùåñòâ ñòàëà âûñîêàÿ àâòîíîìíîñòü. Âñòðîåííûé àêêóìóëÿòîð åìêîñòüþ 2500 ìÀ·÷ îáåñïå÷èâàåò äî 100 ÷àñîâ ðàáîòû â ðåæèìå îæèäàíèÿ è îêîëî 14 ÷àñîâ íåïðåðûâíûõ ðàçãîâîðîâ, ÷òî îñîáåííî âàæíî â ýêñïåäèöèÿõ, íà äàëüíèõ ìàðøðóòàõ èëè â çîíàõ, ãäå ïîäçàðÿäêà íåâîçìîæíà. Ñîãëàñíî äàííûì ïîðòàëà unionrayo.com, òàêîå âðåìÿ ðàáîòû âûãîäíî îòëè÷àåò óñòðîéñòâî îò áîëüøèíñòâà àíàëîãîâ.
Ïî äàëüíîñòè äåéñò ...>>
Îòêðûò îáðàùàåìûé äðàéâåð ñòàðåíèÿ
04.10.2025
Íåäàâíÿÿ ðàáîòà ó÷åíûõ èç Ñÿìýíüñêîãî óíèâåðñèòåòà â Êèòàå ïîêàçàëà, ÷òî â ãèïîòàëàìóñå, ãëàâíîì ðåãóëÿòîðå âíóòðåííèõ ôóíêöèé îðãàíèçìà, êðîåòñÿ îäèí èç êëþ÷åé ê ïðîäëåíèþ ìîëîäîñòè.
Êîìàíäà ïîä ðóêîâîäñòâîì Ëèãå Ëåíãà îáíàðóæèëà, ÷òî ñíèæåíèå óðîâíÿ áåëêà ìåíèíà â ãèïîòàëàìóñå ñâÿçàíî ñ óñêîðåíèåì ïðîöåññîâ ñòàðåíèÿ. Ìåíèí, êàê âûÿñíèëîñü, èãðàåò âàæíóþ ðîëü â ïðåäîòâðàùåíèè âîñïàëåíèÿ è ïîääåðæàíèè íîðìàëüíîé ðàáîòû íåéðîíîâ. Êîãäà åãî óðîâåíü ñíèæàåòñÿ, â ìîçãå âîçðàñòàåò àêòèâíîñòü âîñïàëèòåëüíûõ ñèãíàëîâ, ÷òî çàïóñêàåò öåïíóþ ðåàêöèþ âîçðàñòíûõ èçìåíåíèé âî âñåì îðãàíèçìå - îò îñëàáëåíèÿ êîãíèòèâíûõ ôóíêöèé äî ïîòåðè ïëîòíîñòè êîñòåé è èñòîí÷åíèÿ êîæè.
×òîáû ïîíÿòü, êàê èìåííî ìåíèí âëèÿåò íà ñòàðåíèå, ó÷åíûå âûâåëè ãåííîìîäèôèöèðîâàííûõ ìûøåé, ó êîòîðûõ ýòîò áåëîê ìîæíî áûëî âûáîðî÷íî îòêëþ÷èòü. Äàæå ó ìîëîäûõ æèâîòíûõ òàêîå âìåøàòåëüñòâî áûñòðî ïðèâåëî ê óõóäøåíèþ ïàìÿòè, ñíèæåíèþ ïðî÷íîñòè êîñòåé è ýëàñòè÷íîñòè êîæè, à òàêæå ê óêîðî÷åíèþ æèçíè. Ýòè ðåçóëüòàòû óáåäèòåëüíî ...>>
Ñëó÷àéíàÿ íîâîñòü èç Àðõèâà  Êèòàå óæå áîëåå 1 ìëðä. àáîíåíòîâ ìîáèëüíîé ñâÿçè
31.05.2012
Âñå çíàëè, ÷òî ýòî ñîáûòèå ïðèáëèæàåòñÿ, íî òåïåðü Ìèíèñòåðñòâî ïðîìûøëåííîñòè è èíôîðìàöèîííûõ òåõíîëîãèé Êèòàÿ îôèöèàëüíî ñîîáùèëî, ÷òî ÷èñëî àêòèâíûõ àáîíåíòîâ ìîáèëüíîé ñâÿçè â ñàìîì íàñåë¸ííîì ãîñóäàðñòâå ìèðà äîñòèãëî âïå÷àòëÿþùåé îòìåòêè â 1 030 052 000, òî åñòü ïðåâûñèëî ïñèõîëîãè÷åñêèé áàðüåð â 1 ìëðä. Ñîãëàñíî ñòàòèñòêå ìèíèñòåðñòâà, ýòî áûëî äîñòèãíóòî áëàãîäàðÿ ïîÿâëåíèþ â ïåðâîì êâàðòàëå 43 ìëí íîâûõ àáîíåíòîâ.
È, íåñìîòðÿ íà òî, ÷òî áîëüøàÿ ÷àñòü óñòðîéñòâ ÿâëÿåòñÿ ïðîäâèíóòûìè òåëåôîíàìè, ðûíîê ñìàðòôîíîâ â Êèòàå óæå ñåãîäíÿ ÿâëÿåòñÿ êðóïíåéøèì â ìèðå, êàê ïî îáú¸ìàì ïîñòàâîê, òàê è ïî àêòèâàöèÿì. ×èñëî ïîëüçîâàòåëåé ñìàðòôîíîâ áûñòðî ðàñò¸ò, â ïåðâóþ î÷åðåäü, áëàãîäàðÿ Android-àïïàðàòàì, äîëÿ êîòîðûõ ïî äàííûì Analysys íà êîíåö 2011 ãîäà ñîñòàâèëà 68%. È â íàñòîÿùåå âðåìÿ î÷åâèäíî, ÷òî ïîòåíöèàë ðûíêà ñìàðòôîíîâ äàëåêî íå èñ÷åðïàí â ñòðàíå.
Êîíå÷íî, ðîñò ìîáèëüíîãî ðûíêà ñîïðîâîæäàåòñÿ ñîêðàùåíèåì ðàçìåðîâ ðûíêà òðàäèöèîííûõ òåëåôîíîâ: ÷èñëî ïîëüçîâàòåëåé ñòàöèîíàðíûõ òåëåôîíîâ çà ïåðâûå 4 ìåñÿöà 2012 ãîäà ñîêðàòèëîñü áîëåå ÷åì íà ìèëëèîí, ñîñòàâèâ îêîëî 283 758 000 ÷åëîâåê. Îäíàêî â öåëîì òåëåêîììóíèêàöèîííûé áèçíåñ Êèòàÿ ïðîäîëæàåò óâåðåííûé ðîñò: â ïåðâîé ÷åòâåðòè ãîäà îáùèå äîõîäû ñîñòàâèëè îêîëî $66 ìëðä, ÷òî íà 14,8% áîëüøå ïîêàçàòåëåé ïðîøëîãî ãîäà.
Êñòàòè, åù¸ â ÿíâàðå ýòîãî ãîäà Êèòàé ñîîáùèë î ïðåîäîëåíèè äðóãîãî âàæíîãî ðóáåæà: êîëè÷åñòâî ïîëüçîâàòåëåé Èíòåðíåòà â ñòðàíå ïðåâûñèëî 500 ìëí ÷åëîâåê. Áåç ñîìíåíèÿ, ðîñò ÷èñëà âëàäåëüöåâ ñìàðòôîíîâ â Êèòàå, îñîáåííî ñ ïîääåðæêîé 3G, áóäåò îáåñïå÷èâàòü è óâåëè÷åíèå ïîëüçîâàòåëåé Ñåòè.
Êàê ñîîáùàåò êèòàéñêàÿ àíàëèòè÷åñêàÿ êîìïàíèÿ Sino Market Research, â àïðåëå íà ðûíêå 3G-ñìàðòôîíîâ ïðåîáëàäàëà ïî ÷èñëó ïðîäàæ êîðåéñêàÿ Samsung ñ äîëåé 22,75%, à âîò ïîçèöèè ÷åòûð¸õ äðóãèõ êîìïàíèé â ïÿò¸ðêå ëèäåðîâ áûëè ïðåäñòàâëåíû ìåñòíûìè ìàðêàìè. Ðå÷ü èä¸ò î Coolpad ñ äîëåé 11,17%, Huawei ñ 10,92%, Lenovo ñ 10,21% è ZTE ñ 9,28%. Ñðåäè ïðî÷èõ çàðóáåæíûõ êîìïàíèé â îò÷¸òå óïîìèíàåòñÿ Apple ñ äîëåé 8,52%, Motorola Mobility ñ 4,14%, Nokia ñ 3,95% è HTC ñ 2,82%.
Ðàñòóùåå ïðèñóòñòâèå ìåñòíûõ ìàðîê íà ðûíêå 3G-ñìàðòôîíîâ Êèòàÿ, êàê ñîîáùàåòñÿ, îáóñëîâëåíî ïðåèìóùåñòâåííî ïðîäàæàìè àïïàðàòîâ ñðåäíåãî è íà÷àëüíîãî óðîâíÿ â ðàìêàõ êîíòðàêòíûõ ïðåäëîæåíèé ñîòîâûõ îïåðàòîðîâ China Mobile, China Telecom è China Unicom.
|
Äðóãèå èíòåðåñíûå íîâîñòè:
▪ Ïðîãðàììàòîð ïàìÿòè BK PRECISION 848
▪ OLED âìåñòî ëàìï íàêàëèâàíèÿ
▪ Äàò÷èê èçîáðàæåíèÿ Sony IMX224MQV ñ ðåêîðäíî âûñîêîé ñâåòî÷óâñòâèòåëüíîñòüþ
▪ Êóðòêà èç ãðàôåíà
▪ Ðîáîòèçèðîâàííàÿ ìåáåëü îò IKEA
Ëåíòà íîâîñòåé íàóêè è òåõíèêè, íîâèíîê ýëåêòðîíèêè
Èíòåðåñíûå ìàòåðèàëû Áåñïëàòíîé òåõíè÷åñêîé áèáëèîòåêè:
▪ ðàçäåë ñàéòà Ïåðåãîâîðíûå óñòðîéñòâà. Ïîäáîðêà ñòàòåé
▪ ñòàòüÿ Ïëàñòìàññîâûé ñèôîí âìåñòî ÷óãóííîãî. Ñîâåòû äîìàøíåìó ìàñòåðó
▪ ñòàòüÿ Êòî áûë ïåðâûì ÷åëîâåêîì, ïîëåòåâøèì â êîñìîñ? Ïîäðîáíûé îòâåò
▪ ñòàòüÿ Ñóìàõ ñî÷íûé. Ëåãåíäû, âûðàùèâàíèå, ñïîñîáû ïðèìåíåíèÿ
▪ ñòàòüÿ Óíèâåðñàëüíûé âûñîêîòî÷íûé òåðìîñòàáèëèçàòîð. Ýíöèêëîïåäèÿ ðàäèîýëåêòðîíèêè è ýëåêòðîòåõíèêè
▪ ñòàòüÿ Èíâåðòîð ïîëÿðíîñòè íàïðÿæåíèÿ, 12 âîëüò 0,1 àìïåð. Ýíöèêëîïåäèÿ ðàäèîýëåêòðîíèêè è ýëåêòðîòåõíèêè
Îñòàâüòå ñâîé êîììåíòàðèé ê ýòîé ñòàòüå:
Ãëàâíàÿ ñòðàíèöà | Áèáëèîòåêà | Ñòàòüè | Êàðòà ñàéòà | Îòçûâû î ñàéòå

www.diagram.com.ua
2000-2025