Áåñïëàòíàÿ òåõíè÷åñêàÿ áèáëèîòåêà
Öîêîëåâêè 1 - 15. Ñïðàâî÷íûå äàííûå

Ýíöèêëîïåäèÿ ðàäèîýëåêòðîíèêè è ýëåêòðîòåõíèêè / Ñïðàâî÷íûå ìàòåðèàëû
Êîììåíòàðèè ê ñòàòüå
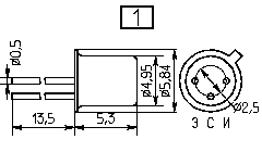
ÊÏ101, ÊÏ314, ÊÏ333 |
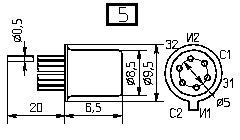
ÊÏ102, ÊÏ103 |
ÊÏ102, ÊÏ103 |
ÊÏ308-9 |
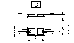
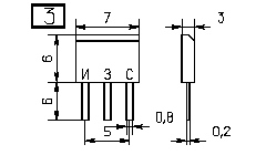
ÊÏÑ104 |
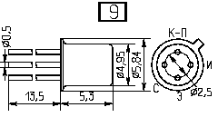
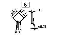
ÊÏ201 |
ÊÏ202 |
ÊÏÑ202, ÊÏÑ203 |
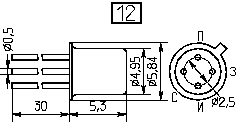
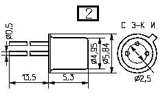
ÊÏ301 |
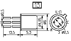
ÊÏ302, ÊÏ601, ÊÏ914 |
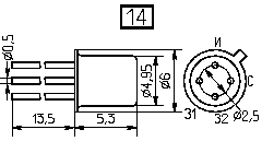
ÊÏ303, ÊÏ307, ÊÏ310, ÊÏ337 |
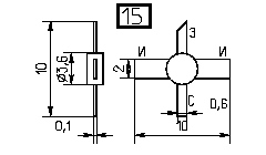
ÊÏ304 |
ÊÏ305 |
ÊÏ306, ÊÏ350 |
ÊÏ312, ÊÏ341 |
Ïóáëèêàöèÿ: cxem.net
Ñìîòðèòå äðóãèå ñòàòüè ðàçäåëà Ñïðàâî÷íûå ìàòåðèàëû.
×èòàéòå è ïèøèòå ïîëåçíûå êîììåíòàðèè ê ýòîé ñòàòüå.
<< Íàçàä
Ïîñëåäíèå íîâîñòè íàóêè è òåõíèêè, íîâèíêè ýëåêòðîíèêè:
Ãëàçíûå êàïëè, âîçâðàùàþùèå ìîëîäîñòü çðåíèþ
05.10.2025
Ñ âîçðàñòîì ÷åëîâå÷åñêèé ãëàç ïîñòåïåííî òåðÿåò ñïîñîáíîñòü ÷åòêî âèäåòü íà áëèçêîì ðàññòîÿíèè - ðàçâèâàåòñÿ ïðåñáèîïèÿ, èëè âîçðàñòíàÿ äàëüíîçîðêîñòü. Ýòîò åñòåñòâåííûé ïðîöåññ ñâÿçàí ñ óòðàòîé ýëàñòè÷íîñòè õðóñòàëèêà è îñëàáëåíèåì öèëèàðíîé ìûøöû, îòâå÷àþùåé çà ôîêóñèðîâêó. Ìèëëèîíû ëþäåé ïî âñåìó ìèðó ñòàëêèâàþòñÿ ñ íåîáõîäèìîñòüþ íîñèòü î÷êè äëÿ ÷òåíèÿ èëè ïðèáåãàþò ê õèðóðãè÷åñêèì ìåòîäàì êîððåêöèè. Îäíàêî èññëåäîâàòåëè èç Öåíòðà ïåðåäîâûõ èññëåäîâàíèé ïðåñáèîïèè â Áóýíîñ-Àéðåñå ïðåäñòàâèëè ðåøåíèå, êîòîðîå ìîæåò ñòàòü óäîáíîé è íåèíâàçèâíîé àëüòåðíàòèâîé - ñïåöèàëüíûå ãëàçíûå êàïëè, ñïîñîáíûå óëó÷øàòü çðåíèå íà äëèòåëüíûé ñðîê.
Ðàçðàáîòêó âîçãëàâèëà Äæîâàííà Áåíîööè, äèðåêòîð Öåíòðà. Ïî åå ñëîâàì, öåëü èññëåäîâàíèÿ ñîñòîÿëà â òîì, ÷òîáû ïðåäîñòàâèòü ïàöèåíòàì ñ ïðåñáèîïèåé ýôôåêòèâíûé è áåçîïàñíûé ñïîñîá êîððåêöèè çðåíèÿ áåç õèðóðãè÷åñêîãî âìåøàòåëüñòâà. Íîâûå êàïëè, ñîçäàííûå íà îñíîâå ïèëîêàðïèíà è äèêëîôåíàêà, ïîêàçàëè óáåäèòåëüíûå ðåçóëüòàòû: óæå ÷åðåç ÷àñ ïîñëå ïåðâîãî ïð ...>>
Öèôðîâàÿ ðàöèÿ Xiaomi Digital Walkie Talkie
05.10.2025
Êîìïàíèÿ Xiaomi ïðåäñòàâèëà ñîâðåìåííîå óñòðîéñòâî, îáúåäèíèâøåå êëàññè÷åñêèå ïðèíöèïû ðàäèîñâÿçè ñ âîçìîæíîñòÿìè öèôðîâûõ òåõíîëîãèé.
Íîâèíêà ïîä íàçâàíèåì Xiaomi Digital Walkie Talkie äåìîíñòðèðóåò, êàê ïðèâû÷íûå ðàöèè ìîãóò áûòü ïåðåîñìûñëåíû â äóõå âðåìåíè. Óñòðîéñòâî îñíàùåíî öâåòíûì äèñïëååì äèàãîíàëüþ 1,57 äþéìà, êîòîðûé îòîáðàæàåò ñïèñîê êîíòàêòîâ, ïàðàìåòðû ñîåäèíåíèÿ è äàæå ïðèìåðíîå ìåñòîïîëîæåíèå ñîáåñåäíèêà. Òàêîé ïîäõîä ïðåâðàùàåò ñòàíäàðòíóþ ðàöèþ â êîìïàêòíîå ñðåäñòâî ñâÿçè, ñî÷åòàþùåå ôóíêöèîíàëüíîñòü ñìàðòôîíà è óñòîé÷èâîñòü ïðîôåññèîíàëüíîé òåõíèêè.
Îäíèì èç êëþ÷åâûõ ïðåèìóùåñòâ ñòàëà âûñîêàÿ àâòîíîìíîñòü. Âñòðîåííûé àêêóìóëÿòîð åìêîñòüþ 2500 ìÀ·÷ îáåñïå÷èâàåò äî 100 ÷àñîâ ðàáîòû â ðåæèìå îæèäàíèÿ è îêîëî 14 ÷àñîâ íåïðåðûâíûõ ðàçãîâîðîâ, ÷òî îñîáåííî âàæíî â ýêñïåäèöèÿõ, íà äàëüíèõ ìàðøðóòàõ èëè â çîíàõ, ãäå ïîäçàðÿäêà íåâîçìîæíà. Ñîãëàñíî äàííûì ïîðòàëà unionrayo.com, òàêîå âðåìÿ ðàáîòû âûãîäíî îòëè÷àåò óñòðîéñòâî îò áîëüøèíñòâà àíàëîãîâ.
Ïî äàëüíîñòè äåéñò ...>>
Îòêðûò îáðàùàåìûé äðàéâåð ñòàðåíèÿ
04.10.2025
Íåäàâíÿÿ ðàáîòà ó÷åíûõ èç Ñÿìýíüñêîãî óíèâåðñèòåòà â Êèòàå ïîêàçàëà, ÷òî â ãèïîòàëàìóñå, ãëàâíîì ðåãóëÿòîðå âíóòðåííèõ ôóíêöèé îðãàíèçìà, êðîåòñÿ îäèí èç êëþ÷åé ê ïðîäëåíèþ ìîëîäîñòè.
Êîìàíäà ïîä ðóêîâîäñòâîì Ëèãå Ëåíãà îáíàðóæèëà, ÷òî ñíèæåíèå óðîâíÿ áåëêà ìåíèíà â ãèïîòàëàìóñå ñâÿçàíî ñ óñêîðåíèåì ïðîöåññîâ ñòàðåíèÿ. Ìåíèí, êàê âûÿñíèëîñü, èãðàåò âàæíóþ ðîëü â ïðåäîòâðàùåíèè âîñïàëåíèÿ è ïîääåðæàíèè íîðìàëüíîé ðàáîòû íåéðîíîâ. Êîãäà åãî óðîâåíü ñíèæàåòñÿ, â ìîçãå âîçðàñòàåò àêòèâíîñòü âîñïàëèòåëüíûõ ñèãíàëîâ, ÷òî çàïóñêàåò öåïíóþ ðåàêöèþ âîçðàñòíûõ èçìåíåíèé âî âñåì îðãàíèçìå - îò îñëàáëåíèÿ êîãíèòèâíûõ ôóíêöèé äî ïîòåðè ïëîòíîñòè êîñòåé è èñòîí÷åíèÿ êîæè.
×òîáû ïîíÿòü, êàê èìåííî ìåíèí âëèÿåò íà ñòàðåíèå, ó÷åíûå âûâåëè ãåííîìîäèôèöèðîâàííûõ ìûøåé, ó êîòîðûõ ýòîò áåëîê ìîæíî áûëî âûáîðî÷íî îòêëþ÷èòü. Äàæå ó ìîëîäûõ æèâîòíûõ òàêîå âìåøàòåëüñòâî áûñòðî ïðèâåëî ê óõóäøåíèþ ïàìÿòè, ñíèæåíèþ ïðî÷íîñòè êîñòåé è ýëàñòè÷íîñòè êîæè, à òàêæå ê óêîðî÷åíèþ æèçíè. Ýòè ðåçóëüòàòû óáåäèòåëüíî ...>>
Ñëó÷àéíàÿ íîâîñòü èç Àðõèâà Âåãåòàðèàíñòâî êàê çàùèòà îò äèàáåòà
20.09.2025
Ïèòàíèå óæå äàâíî ðàññìàòðèâàåòñÿ íå òîëüêî êàê èñòî÷íèê ýíåðãèè, íî è êàê âàæíûé ôàêòîð çäîðîâüÿ è ýêîëîãè÷åñêîãî áëàãîïîëó÷èÿ.  ïîñëåäíèå ãîäû îñîáîå âíèìàíèå óäåëÿåòñÿ ðàñòèòåëüíûì ðàöèîíàì, ñïîñîáíûì îäíîâðåìåííî ñíèæàòü ðèñê õðîíè÷åñêèõ çàáîëåâàíèé è óìåíüøàòü íàãðóçêó íà îêðóæàþùóþ ñðåäó. Íîâûé àíàëèç áðèòàíñêèõ ó÷åíûõ èç Êåìáðèäæñêîãî óíèâåðñèòåòà ïîäòâåðæäàåò, ÷òî âûáîð â ïîëüçó ðàñòèòåëüíûõ ïðîäóêòîâ ìîæåò ïðèíåñòè äâîéíóþ ïîëüçó - äëÿ îðãàíèçìà è äëÿ êëèìàòà.
Ðàáîòà ïðîâîäèëàñü â ðàìêàõ êðóïíîãî ïðîåêòà EPIC-Norfolk, êîòîðûé îõâàòûâàåò áîëåå äâóõ äåñÿòèëåòèé íàáëþäåíèé çà ïèòàíèåì è çäîðîâüåì æèòåëåé Âåëèêîáðèòàíèè.  èññëåäîâàíèè ïðèíÿëè ó÷àñòèå ñâûøå 23 òûñÿ÷ ÷åëîâåê, êîòîðûå â ðàçíûå ãîäû çàïîëíÿëè àíêåòû î ñâîåì ðàöèîíå. Òàêîé äëèòåëüíûé è ìàñøòàáíûé ïîäõîä ïîçâîëèë ó÷åíûì îöåíèòü äîëãîñðî÷íûå ýôôåêòû ïèùåâûõ ïðèâû÷åê.
Ðåçóëüòàòû îêàçàëèñü ïîêàçàòåëüíûìè: ó ó÷àñòíèêîâ, íàèáîëåå ïîñëåäîâàòåëüíî ïðèäåðæèâàâøèõñÿ ïðèíöèïîâ òàê íàçûâàåìîé "äèåòû ïëàíåòàðíîãî çäîðîâüÿ" (Planetary Health Diet, PHD), âåðîÿòíîñòü ðàçâèòèÿ äèàáåòà âòîðîãî òèïà îêàçàëàñü íà 32% íèæå, ÷åì ó òåõ, êòî ïî÷òè íå ïðèäåðæèâàëñÿ ïîäîáíûõ ðåêîìåíäàöèé. Áîëåå òîãî, â ýòîé æå ãðóïïå óðîâåíü ñâÿçàííûõ ñ ïèòàíèåì âûáðîñîâ ïàðíèêîâûõ ãàçîâ îêàçàëñÿ íà 18% ìåíüøå, ÷òî äåìîíñòðèðóåò ÿâíûé ýêîëîãè÷åñêèé ýôôåêò.
Ñàìà êîíöåïöèÿ PHD áûëà ðàçðàáîòàíà ìåæäóíàðîäíîé êîìèññèåé EAT-Lancet è ïðåäïîëàãàåò ïðåîáëàäàíèå â ðàöèîíå öåëüíîçåðíîâûõ êóëüòóð, îâîùåé, ôðóêòîâ, áîáîâûõ è îðåõîâ. Áåëêè ïðåèìóùåñòâåííî ïðåäëàãàåòñÿ ïîëó÷àòü èç ðàñòèòåëüíûõ èñòî÷íèêîâ, à êîëè÷åñòâî êðàñíîãî è ïåðåðàáîòàííîãî ìÿñà, ñëàäêèõ íàïèòêîâ è ïðîäóêòîâ ñ âûñîêèì ñîäåðæàíèåì íàñûùåííûõ æèðîâ ðåêîìåíäóåòñÿ ìèíèìèçèðîâàòü. Òàêîé ïîäõîä îáúåäèíÿåò çàáîòó î çäîðîâüå ÷åëîâåêà è ñòðåìëåíèå ê óñòîé÷èâîìó ðàçâèòèþ ïëàíåòû.
Ðóêîâîäèòåëü èññëåäîâàíèÿ äîêòîð Ñîëîìîí Ñîâàõ (Solomon Sowah) îòìåòèë, ÷òî ó÷åíûå ñòðåìèëèñü âîñïîëíèòü ïðîáåë â äàííûõ î âëèÿíèè äèåòû PHD íà çàáîëåâàåìîñòü äèàáåòîì èìåííî â åâðîïåéñêîé ïîïóëÿöèè. Ïî åãî ñëîâàì, ïîëó÷åííûå ðåçóëüòàòû ÿñíî ïîêàçûâàþò, ÷òî ðàöèîí, îñíîâàííûé íà ðàñòèòåëüíûõ ïðîäóêòàõ è öåëüíûõ çëàêàõ, ïðè îäíîâðåìåííîì îãðàíè÷åíèè ìÿñà è ñàõàðà, ñâÿçàí ñ áîëåå íèçêèì ðèñêîì äèàáåòà è ìåíüøèìè óãëåðîäíûìè âûáðîñàìè.
Ñîàâòîð èññëåäîâàíèÿ ïðîôåññîð Íèòà Ôîðóè (Nita Forouhi) ïîä÷åðêíóëà, ÷òî ïîäîáíûå âûâîäû äîëæíû ñòàòü ñèãíàëîì íå òîëüêî äëÿ îòäåëüíûõ ëþäåé, íî è äëÿ ïîëèòèêîâ. Ñáàëàíñèðîâàííàÿ ðàñòèòåëüíàÿ äèåòà, ïî åå ñëîâàì, ñïîñîáíà ïðèíîñèòü äâîéíóþ âûãîäó - óêðåïëÿòü çäîðîâüå íàñåëåíèÿ è ñíèæàòü íåãàòèâíîå âîçäåéñòâèå ïðîäîâîëüñòâåííîé ñèñòåìû íà êëèìàò. Îäíàêî äëÿ ýòîãî íåîáõîäèìû ñîâìåñòíûå óñèëèÿ îáùåñòâà, áèçíåñà è ãîñóäàðñòâà.
Àâòîðû ïîä÷åðêèâàþò, ÷òî èõ äàííûå óêàçûâàþò íà ñòàòèñòè÷åñêóþ ñâÿçü, à íå íà ïðÿìóþ ïðè÷èííî-ñëåäñòâåííóþ çàâèñèìîñòü. Òåì íå ìåíåå îíè óáåæäåíû, ÷òî ðàñòèòåëüíûå ðàöèîíû îáëàäàþò çíà÷èòåëüíûì ïîòåíöèàëîì è â ñôåðå ïðîôèëàêòèêè äèàáåòà, è â âîïðîñàõ ñíèæåíèÿ ýêîëîãè÷åñêîé íàãðóçêè.
|
Äðóãèå èíòåðåñíûå íîâîñòè:
▪ Çàùèùåííûé ñìàðòôîí Oukitel WP21
▪ Âîäîíåïðîíèöàåìûé Android-ñìàðòôîí Fujitsu F074
▪ Âñå ñàìûå äîðîãèå êîìïàíèè ìèðà - èç ñôåðû ÈÒ
▪ Âå÷íàÿ êðàñêà íà îñíîâå ïëàçìîííûõ ïèêñåëåé
▪ Áóòûëêà-îãíåòóøèòåëü Xiaomi
Ëåíòà íîâîñòåé íàóêè è òåõíèêè, íîâèíîê ýëåêòðîíèêè
Èíòåðåñíûå ìàòåðèàëû Áåñïëàòíîé òåõíè÷åñêîé áèáëèîòåêè:
▪ ðàçäåë ñàéòà Èñòîðèÿ òåõíèêè, òåõíîëîãèè, ïðåäìåòîâ âîêðóã íàñ. Ïîäáîðêà ñòàòåé
▪ ñòàòüÿ Íà÷èíàòü ñ àçîâ. Êðûëàòîå âûðàæåíèå
▪ ñòàòüÿ Çà ÷òî îòâå÷àþò ìóòàíòíûå ãåíû äðîçîôèë ñ íàçâàíèÿìè kenny è barbie? Ïîäðîáíûé îòâåò
▪ ñòàòüÿ Âåðñòàëüùèê. Äîëæíîñòíàÿ èíñòðóêöèÿ
▪ ñòàòüÿ Ìîùíûé ëàìïîâûé óñèëèòåëü ñ ãëóáîêîé ÎÎÑ 80 âàòò íà ëàìïàõ 6Ð3Ñ. Ýíöèêëîïåäèÿ ðàäèîýëåêòðîíèêè è ýëåêòðîòåõíèêè
▪ ñòàòüÿ Íåóÿçâèìûé ïëàòîê. Ñåêðåò ôîêóñà
Îñòàâüòå ñâîé êîììåíòàðèé ê ýòîé ñòàòüå:
Ãëàâíàÿ ñòðàíèöà | Áèáëèîòåêà | Ñòàòüè | Êàðòà ñàéòà | Îòçûâû î ñàéòå

www.diagram.com.ua
2000-2025