Menu Home

Бесплатная техническая библиотека для любителей и профессионалов Бесплатная техническая библиотека


Мощные низковольтные СВЧ транзисторы для подвижных средств связи. Справочные данные

Бесплатная техническая библиотека

Энциклопедия радиоэлектроники и электротехники / Справочные материалы

 Комментарии к статье

Журнал "Радио" постоянно информирует своих читателей о новых разработках Воронежского НИИ электронной техники в области создания мощных СВЧ транзисторов для различных областей применения [1-3]. В этой статье мы знакомим специалистов и радиолюбителей с последними разработками группы СВЧ транзисторов КТ8197, КТ9189, КТ9192, 2Т9188А, КТ9109А, КТ9193 для подвижных средств связи с выходной мощностью от 0,5 до 20 Вт в диапазонах МВ и ДМВ. Ужесточение требований к функциональным и эксплуатационным параметрам современной аппаратуры средств связи предъявляет соответственно и более высокие требования к энергетическим параметрам мощных СВЧ транзисторов, их надежности, а также к конструктивному исполнению приборов.

Прежде всего необходимо иметь в виду, что возимые и носимые радиостанции питаются непосредственно от первичных источников. Для этой цели используют химические источники тока (малогабаритные батареи элементов или аккумуляторов) с напряжением, как правило, от 5 до 15 В. Пониженное напряжение питания накладывает ограничения на мощностные и усилительные свойства генераторного транзистора. Вместе с тем мощные низковольтные СВЧ транзисторы должны обладать высокими энергетическими параметрами (такими, как коэффициент усиления по мощности КуР и коэффициент полезного действия коллекторной цепи ηК) во всем рабочем частотном диапазоне.

Учитывая тот факт, что выходная мощность генераторного транзистора пропорциональна квадрату напряжения основной гармоники на коллекторе, эффект снижения уровня его выходной мощности с уменьшением питающего коллекторного напряжения может быть конструктивным путем скомпенсирован соответствующим увеличением амплитуды тока полезного сигнала. Поэтому при проектировании низковольтных транзисторов в сочетании с решением комплекса конструкторско-технологических задач должны быть оптимально решены вопросы, связанные одновременно с проблемой уменьшения напряжения насыщения коллектор-эмиттер и увеличения плотности критического тока коллектора.

Работа низковольтных транзисторов в режиме с более высокими плотностями тока по сравнению с обычными генераторными транзисторами (предназначенными для использования при Uпит=28 В и выше) усугубляет проблему обеспечения долговременной надежности из-за необходимости подавления более интенсивного проявления деградационных механизмов в токоведущих элементах и контактных слоях металлизации транзисторной структуры. С этой целью в разработанных СВЧ низковольтных транзисторах применена многослойная высоконадежная система металлизации на основе золота.

Рассматриваемые в настоящей статье транзисторы спроектированы с учетом их основного применения в усилителях мощности в режиме класса С при включении по схеме с общим эмиттером. Вместе с тем допустима их работа в режиме классов А, В, и АВ под напряжением, отличном от номинального значения, при условии, что рабочая точка находится в пределах области безопасной работы и приняты меры, не допускающие входа в режим автогенерации.

Транзисторы работоспособны и при значении Uпит менее номинального. Но в этом случае значения электрических параметров могут отличаться от паспортных. Допускается работа транзисторов с токовой нагрузкой, соответствующей значению IК max, если максимально допустимая средняя рассеиваемая мощность коллектора в непрерывном динамическом режиме РК.ср max не превышает предельного значения.

Благодаря тому, что кристаллы транзисторных структур рассматриваемых приборов изготовлены по базовой технологии и имеют общие конструктивнотехнологические признаки, у всех транзисторов одинаковый уровень пробивного напряжения. В соответствии с ТУ на приборы область их применения ограничена значением максимально допустимого постоянного напряжения между эмиттером и базой UЭБmax < 3 В и максимально допустимого постоянного напряжения между коллектором и эмиттером UКЭ max < 36 В. При этом указанные значения пробивного напряжения справедливы для всего интервала рабочей температуры окружающей среды.

Основной концептуальной идеей, позволившей сделать еще один шаг в области создания мощных низковольтных транзисторов в миниатюрном исполнении, стала разработка новых оригинальных конструктивно-технологических решений при создании серий бескорпусных транзисторов КТ8197, КТ9189, КТ9192. Сущность идеи состоит в создании конструкции транзистора на основе керамического кристаллодержателя из окиси бериллия и ленточных металлизированных выводов на гибком носителе - полиимидной пленке.

Ленточный носитель со специальным фотолитографическим рисунком в виде выводной рамки служит единым проводящим элементом, на котором одновременно формируют контакт к многоячеистой транзисторной структуре и внешние выводы прибора. Все элементы внутренней ленточной арматуры герметизируют компаундом. Размеры основания металлизированного керамического держателя - 2,5x2,5 мм. Монтажная поверхность кристаллодержателя и выводы покрыты слоем золота. Вид и габариты транзистора представлены на рис. 1,а. Для сравнения заметим, что наиболее миниатюрные зарубежные транзисторы в металлокерамическом корпусе (например, CASE 249-05 фирмы Motorola) имеют круглое керамическое основание диаметром 7 мм.

Мощные низковольтные СВЧ транзисторы для подвижных средств связи

Конструктивное исполнение транзисторов серий КТ8197, КТ9189, КТ9192 предусматривает их установку на печатную плату методом поверхностного монтажа. В соответствии с рекомендациями по применению этих транзисторов пайку внешних выводов необходимо производить при температуре 125...180°С в течение не более 5 с.

Благодаря реализации запасов по электрическим и теплофизическим параметрам удалось существенно расширить область потребительских функций бескорпусных СВЧ транзисторов. В частности, для транзисторов серии КТ8197 с номинальным значением напряжения Uпит=7,5 В и серий КТ9189, КТ9192 (12,5 В) граница области безопасной работы в динамическом режиме расширена до Uпит max=15 В. Увеличение питающего напряжения относительно номинального значения позволяет поднять уровень выходной мощности портативного передатчика и соответственно увеличить дальность радиосвязи. Транзисторы способны работать без снижения рассеиваемой мощности в непрерывном динамическом режиме во всем рабочем температурном интервале.

В целом, при разработке этих транзисторов принципиальным образом, были решены вопросы не только миниатюризации, но и снижения стоимости. В результате транзисторы оказались примерно в пять раз дешевле зарубежных аналогичного класса в металлокерамическом корпусе. Разработанные миниатюрные СВЧ транзисторы могут найти самое широкое применение как при традиционном использовании в виде дискретных компонентов, так и в составе гибридных микросхемных усилителей ВЧ мощности. Очевидно, что наиболее эффективно их применение в носимых портативных радиостанциях.

Выходные ступени мобильных передатчиков обычно питают непосредственно от автомобильной аккумуляторной батареи. Транзисторы для выходных ступеней рассчитаны на номинальное напряжение питания Uпит=12,5 В. Параметрические ряды транзисторов для каждого связного диапазона построены с учетом обеспечения разрешенного максимального уровня выходной мощности для возимых передатчиков Рвых=20 Вт [4]. Разработка мощных низковольтных СВЧ транзисторов (с Рвых>10 Вт) сопряжена с более сложными конструкторскими задачами. Дополнительно здесь возникают проблемы сложения динамической мощности и отвода тепла от больших кристаллов СВЧ структур.

Топология кристалла мощных транзисторов имеет весьма развитую эмиттерную структуру, характеризующуюся малым импедансом. Для обеспечения требуемой частотной полосы, упрощения согласования и повышения коэффициента усиления по мощности в транзисторы встраивают LC-цепь внутреннего согласования по входу. Конструктивно LC-цепь выполнена в виде микросборки на основе МДП-конденсатора и системы проволочных выводов, выполняющих роль индуктивных элементов.

В развитие мощностного ряда ранее разработанных транзисторов серии 2Т9175 для применения в УКВ диапазоне [2] созданы транзисторы 2Т9188А (Рвых=10 Вт) и КТ9190А (20 Вт). Для диапазона ДМВ разработаны транзисторы КТ9193А (Рвых=10 Вт) и КТ9193Б (20 Вт). Транзисторы выполнены в стандартном корпусе КТ-83 (см. рис. 1,б).

Использование этого металлокерамического корпуса в свое время позволило создать высоконадежные транзисторы двойного назначения для РЭА с повышенными требованиями к внешним факторам и с возможностью эксплуатации в жестких климатических условиях. С целью обеспечения гарантированной надежности при температуре корпуса от +60°С применительно к транзисторам с выходной мощностью Рвых=10 Вт, а с Рвых=20 Вт - от +40 до +125°С максимально допустимую среднюю рассеиваемую мощность в непрерывном динамическом режиме необходимо линейно уменьшать в соответствии с формулой РК.ср max=(200-Ткорп)/RТ.п-к (где Ткорп - температура корпуса, °С; RТ.п-к - тепловое сопротивление перехода переход-корпус, °С/Вт).

В настоящее время в России создается федеральная сеть радиосвязи по стандарту NМT-450i (на частоте 450 МГц). Разработанная серия приборов КТ9189, 2Т9175, 2Т9188А, КТ9190А может практически полностью покрыть потребность в рассматриваемом секторе рынка аппаратуры на отечественной транзисторной элементной базе.

Кроме этого, уже начиная с 1995 г. в России разворачиваются федеральная сеть сотовой системы подвижной абонентной связи в рамках стандарта GSM (900 МГц) и сотовая система для региональной связи по американскому стандарту AMPS (800 МГц). Для создания указанных сотовых систем радиосвязи в ДМВ могут быть использованы малогабаритные транзисторы серии КТ9192 с выходной мощностью 0,5 и 2 Вт, а также серии КТ9193 с выходной мощностью 10 и 20 Вт.

Решение задачи миниатюризации аппаратуры и, соответственно, ее элементной базы коснулось не только носимых портативных радиопередатчиков. В ряде случаев и для возимой аппаратуры радиосвязи, а также аппаратуры специального назначения возникает потребность в уменьшении массо-габаритных показателей мощных СВЧ низковольтных транзисторов.

Для этих целей разработана модифицированная бесфланцевая конструкция корпуса на базе КТ-83 (рис. 1,в), в котором выпускают транзисторы 2Т9175А-4-2Т9175В-4, 2Т9188А-4, КТ9190А-4, КТ9193А-4, КТ9193Б-4. По электрическим характеристикам они аналогичны соответствующим транзисторам в стандартном конструктивном исполнении. Эти транзисторы монтируют низкотемпературной пайкой кристаллодержателя непосредственно к теплоотводу. Температура корпуса в процессе пайки не должна превышать +150°С, а суммарное время нагревания и пайки - 2 мин.

Основные технические характеристики рассматриваемых транзисторов представлены в табл. 1. Коэффициент полезного действия цепи коллектора всех транзисторов - 55%. Значения максимально допустимого постоянного тока коллектора соответствуют всему интервалу рабочей температуры.

Таблица 1

Транзистор Рабочий частотный диапазон, МГц Выходная мощность, Вт Коэффициент усиления по мощности, раз Напряжение питания, В Максимально допустимая средняя расс. мощность в непр. динамич. режиме, Вт Максимально допустимый постоянный ток коллектора, А Предельные допустимые значения температуры окружающей среды, °С Максимально допустимая температура корпуса, °С Максимально допустимая температура перехода, °С Тепловое сопротивление переход - корпус, °С/Вт Емкость коллектора, пФ Граничная частота усиления, МГц
КТ8197А-2 30...175 0,5 15 7,5 2 0,5 -45...+85 - 160 - 5 400
КТ8197Б-2 2 10 5 1 15
КТ8197В-2 5 8 8 1,6 25
КТ9189А-2 200...470 0,5 12 12,5 2 0,5 -45...+85 - 160 - 4,5 1000
КТ9189Б-2 2 10 5 1 13
КТ9189В-2 5 6 8 1,6 20 900
КТ9192А-2 800...900 0,5 6 12,5 2 0,5 -45...+85 - 160 - 4,5 1200
КТ9192Б-2 2 5 5 1,6 13
2Т9175А; 2Т9175А-4 140...512 0,5 10 7,5 3,75 0,5 -60 125 200 12 10 900
2Т9175Б; 2Т9175Б-4 2 6 7,5 1 6 16
2Т9175В; 2Т9175В-4 5 4 15 2 3 30 780
2Т9188А; 2Т9188А-4 200...470 10 5 12,5 35 5 -60 125 200 4 50 700
КТ9190А; КТ9190А-4 200...470 20 - 12,5 40 8 -60 125 200 3 65 720
КТ9193А; КТ9193А-4 800...900 10 4 12,5 23 4 -60 125 200 5 35 1000
КТ9193Б; КТ9193Б-4 20 - 40 8 3 60

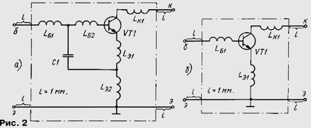
На рис. 2,а изображена полная схема транзисторов 2Т9188А, КТ9190А, а на рис. 2,б - транзисторов серий КТ8197, КТ9189, КТ9192, 2Т9175 (l - расстояние от границы пайки до клеевого шва герметизирующей крышки или герметизирующего покрытия кристаллодержателя. Это расстояние регламентировано в рекомендациях по применению СВЧ транзисторов в ТУ на них и обязательно учитывается при расчете реактивных элементов транзисторов). Параметры реактивных элементов, показанных на схемах, сведены в табл. 2. Эти параметры необходимы для расчета согласующих цепей усилительного тракта разрабатываемых устройств.

Мощные низковольтные СВЧ транзисторы для подвижных средств связи

Разработка новой транзисторной элементной базы открывает широкую перспективу как создания современной профессиональной коммерческой, а также любительской аппаратуры радиосвязи, так и совершенствования уже разработанной с целью улучшения ее электрических параметров, снижения массы, габаритов и стоимости.

Таблица 2

Параметры реактивных элементов транзистора Транзистор
2Т9175А; 2Т9175А-4 2Т9175Б; 2Т9175Б-4 2Т9175В; 2Т9175В-4 2Т9188А; 2Т9188А-4 КТ9190А; КТ9190А-4 КТ9193А; КТ9193А-4 КТ9193Б; КТ9193Б-4 КТ8197А-2; КТ9189А-2; КТ9192А-2 КТ8197Б-2; КТ9189Б-2; КТ9192Б-2 КТ8197В-2; КТ9189В-2
LБ1 , нГн 3 2,3 1,8 0,66 0,73 1 0,84 0,19 0,1 0,2
LБ2 , нГн - - - 0,17 0,38 0,58 0,37 - - -
Э1 , нГн 0,5 0,35 0,28 0,16 0,15 0,26 0,19 0,22 0,12 0,12
Э2 , нГн - - - 0,2 0,22 0,31 0,26 - - -
К1 , нГн 1,25 1,1 1 0,61 0,57 0,71 0,61 0,59 0,59 0,59
С1, пФ - - - 370 600 75 150 - - -

Литература

  1. Асессоров В., Кожевников В., Косой А. Научный поиск российских инженеров. Тенденция развития мощных СВЧ транзисторов. - Радио, 1994, № 6, с. 2, 3.
  2. Асессоров В., Кожевников В., Косой А. Новые транзисторы СВЧ. - Радио, 1996, № 5, с. 57, 58.
  3. Асессоров В., Асессоров А., Кожевников В., Матвеев С. Линейные СВЧ транзисторы для усилителей мощности. - Радио, 1998, № 3, с. 49-51.
  4. Радиостанции с угловой модуляцией сухопутной подвижной службы. ГОСТ 12252-86 (СТ СЭВ 4280-83).

Авторы: В.Кожевников, В.Асессоров, А.Асессоров, В.Дикарев, г. Воронеж

Смотрите другие статьи раздела Справочные материалы.

Читайте и пишите полезные комментарии к этой статье.

<< Назад

Последние новости науки и техники, новинки электроники:

Хорошо управляемые луга могут компенсировать выбросы от скота 15.02.2026

Животноводство, особенно разведение крупного рогатого скота, часто обвиняют в значительном вкладе в глобальное потепление из-за мощного парникового газа - метана, который выделяется при пищеварении у жвачных животных. Это вызывает острые политические споры и призывы к сокращению потребления мяса. Однако ученые напоминают, что полная картина климатического воздействия отрасли не ограничивается только выбросами от животных: огромную роль играет окружающая экосистема - пастбища, почва и растительность, которые способны активно поглощать углекислый газ из атмосферы. Исследователи из Университета Небраски-Линкольна решили глубже изучить этот баланс. Группа под руководством профессора Галена Эриксона сосредоточилась на том, как правильно организованные пастбища накапливают углерод в растениях и грунте благодаря естественным процессам, стимулируемым выпасом скота. Ученые подчеркивают, что при достаточном уровне осадков и грамотном управлении такие луга превращаются в мощные природные погло ...>>

NASA тестирует инновационную технологию крыла 15.02.2026

Коммерческая авиация ежегодно расходует колоссальные объемы керосина, что сказывается не только на бюджете авиакомпаний, но и на состоянии окружающей среды. В 2024 году глобальные затраты на авиационное топливо достигли 291 миллиарда долларов, и эта сумма продолжает расти. Чтобы справиться с этими вызовами, NASA активно работает над технологиями, способными заметно повысить аэродинамическую эффективность самолетов. Одним из самых перспективных направлений стало создание специальной конструкции крыла, которая максимизирует естественный ламинарный поток воздуха и минимизирует сопротивление. В январе 2026 года специалисты NASA Armstrong Flight Research Center успешно провели важный этап наземных испытаний концепции Crossflow Attenuated Natural Laminar Flow (CATNLF). Для эксперимента под фюзеляж исследовательского самолета F-15B закрепили вертикально ориентированную масштабную модель высотой около 0,9 м (3 фута), напоминающую узкий киль. Такая компоновка позволила подвергнуть прототип р ...>>

Забота о внуках очень полезна для здоровья мозга 14.02.2026

Общение между поколениями приносит радость всей семье, но мало кто задумывается, насколько активно бабушки и дедушки, заботящиеся о внуках, поддерживают свою умственную форму. Регулярное взаимодействие с детьми стимулирует мозг пожилых людей, помогая сохранять память, скорость мышления и общую когнитивную активность. Новые научные данные подтверждают, что такая добровольная помощь не только важна для общества, но и может замедлять возрастные изменения в мозге. Исследователи из Тилбургского университета в Нидерландах провели анализ, чтобы понять, приносит ли уход за внуками реальную пользу здоровью пожилых людей. Ведущий автор работы Флавия Черечес отметила, что многие бабушки и дедушки регулярно присматривают за детьми, и оставался открытым вопрос, насколько это положительно сказывается на их собственном благополучии, особенно в плане когнитивных функций. Ученые поставили цель выяснить, способен ли регулярный уход за внуками замедлить снижение памяти и других умственных способ ...>>

Случайная новость из Архива

Монитор RCA Evolution Premium (M27PG135F) 12.11.2023

Американский электронный бренд RCA представил свой последний продукт на внутреннем рынке &#8212; игровой монитор с выдающимися характеристиками, получивший название RCA Evolution Premium (M27PG135F). Этот монитор обладает рядом премиальных функций, включая высокочастотную панель обновления, коммутатор KVM и удобный отсек для управления кабелями.

RCA Evolution Premium (M27PG135F) представляет собой современный игровой монитор, обеспечивающий выдающиеся характеристики и функциональность. Его премиальные возможности делают его привлекательным выбором для геймеров и профессионалов, обеспечивая высококачественное визуальное воспроизведение и удобство использования.

RCA Evolution Premium (M27PG135F) предоставляет 27-дюймовый экран с технологией IPS, разрешением 2560 х 1440 (QHD), максимальной частотой обновления 240 Гц, яркостью 300 нит, покрытием 95% цветовой гаммы DCI-P3, поддержкой HDR10 и временем отклика.

Гибкая подставка обеспечивает возможности регулировки наклона, высоты и поворота, а также включает отсек для удобного управления кабелями. Монитор оснащен портом DisplayPort 1.4, USB Type C с режимом DP Alt и мощностью 90 Вт, 2 портами HDMI 2.0, 2 портами USB, гнездом для наушников, встроенными стереодинамиками и коммутатором KVM.

На данный момент, монитор RCA Evolution Premium (M27PG135F) доступен для приобретения в США по цене $429.

Другие интересные новости:

▪ Блокировка краденных гаджетов

▪ Фотодатчик HSDL-9001

▪ Обнаружен пятый тип распада бозона Хиггса на другие элементарные частицы

▪ Чем дышат компьютеры

▪ Взаимодействие между двумя пространственно-временными кристаллами

Лента новостей науки и техники, новинок электроники

 

Интересные материалы Бесплатной технической библиотеки:

▪ раздел сайта Интересные факты. Подборка статей

▪ статья Геркулес на распутье. Крылатое выражение

▪ статья Кому в 2010 году продали душу 7 500 британцев? Подробный ответ

▪ статья Моторист багерной насосной. Типовая инструкция по охране труда

▪ статья Штемпелевание железа и стали. Простые рецепты и советы

▪ статья Учет электроэнергии. Технический учет. Энциклопедия радиоэлектроники и электротехники

Оставьте свой комментарий к этой статье:

Имя:


E-mail (не обязательно):


Комментарий:





Главная страница | Библиотека | Статьи | Карта сайта | Отзывы о сайте

www.diagram.com.ua

www.diagram.com.ua
2000-2026