Menu Home

Бесплатная техническая библиотека для любителей и профессионалов Бесплатная техническая библиотека


Микросхемы серии К174. Справочные данные

Бесплатная техническая библиотека

Энциклопедия радиоэлектроники и электротехники / Справочные материалы

 Комментарии к статье

ДВУСТАНДАРТНЫЙ СТЕРЕОДЕКОДЕР КР174ХА51

В ОАО "Ангстрем" (г. Москва) разработана и освоена в производстве микросхема КР174ХА51 - стереодекодер, предназначенный для декодирования стереосигнала как по отечественному стандарту с полярной модуляцией (OIRT), так и по зарубежному - с пилоттоном (CCIR) в бытовых радиоприемниках. В микросхеме использованы новые технические решения, которые зафиксированы в ГК по изобретениям.

Микросхема оформлена в корпусе 2104.18-В (рис. 1). Масса - не более 3 г. Технология выполнения - планарно-эпитаксиальная 2 мкм БиКМОП с комбинированной изоляцией окислом и p-n-переходом.

Микросхемы серии К174

Стереодекодер КР174ХА51 реализует декодирование по методу временного разделения каналов с двукратной передискретизацией для эффективного подавления надтональных составляющих, обеспечивает дополнительное подавление пилот-тона, подавление сдвига по постоянному уровню между каналами при декодировании полярно-модулированного стереосигнала для снижения помех при переключении "Стерео" - "Моно" и расширения динамического диапазона, а также возможность как автоматического опознавания системы декодирования, так и принудительного ее задания, индикации выбранной системы. В случае необходимости стереодекодер может быть переведен в постоянный режим "Моно".

При использовании частотозадающих элементов с жесткими допусками микросхема не требует настройки частоты свободных колебаний ГУН.

Стереодекодер имеет выход контроля частоты ГУН (62,5/76 кГц), содержит усилитель тока для подключения светодиодного индикатора режима "Стерео". (Здесь и далее через косую черту указаны значения частоты для двух систем декодирования - с полярной модуляцией и пилот-тоном соответственно). Для работы стереодекодера необходим минимум внешних навесных элементов.

Цоколевка микросхемы: выв. 1 - вход сигнала обратной связи; вывод подключения интегрирующих конденсаторов фильтра ФАПЧ; выв. 2 - вход сигнала обратной связи; вывод подключения резистора и интегрирующего конденсатора фильтра ФАПЧ; выв. 3 - выход фазового детектора; вывод подключения резистора и интегрирующего конденсатора фильтра ФАПЧ; выв. 4 - общий; минусовой вывод питания; выв. 5 - вывод для подключения частотозадающего конденсатора ГУНа; выв. 6 - вывод для подключения частотозадающего резистора и блокирующего конденсатора ГУНа; управляющий вход ГУНа; выв. 7 - выход сигнала индикации режима "Стерео"; выход сигнала контроля частоты ГУНа; выв. 8 - вход сигнала управления переключателем выбора системы декодирования; выв. 9 - выход сигнала ЗЧ канала Б; выв. 10 - выход сигнала ЗЧ канала А; выв. 11 - выход предусилителя сигнала ЗЧ канала Б; выв. 12 - инвертирующий вход усилителя ФНЧ коррекции предыскажений в режиме полярной модуляции; выв. 13 - неинвертирующий вход усилителя ФНЧ коррекции предыскажений в режиме полярной модуляции; выв. 14 - выход предусилителя сигнала ЗЧ канала А; выв. 15 - плюсовой вывод питания; выв. 16 - вход комплексного стереосигнала; выв. 17 - вывод блокировки, установки коэффициента усиления масштабирующего усилителя комплексного стереосигнала; инвертирующий вход масштабирующего усилителя; выв. 18 - выход амплитудного детектора поднесущей/пилот-тона; вход триггера Шмитта канала выбора режима "Стерео"-"Моно".

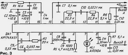
Функциональная схема стереодекодера представлена на рис. 2, а типовая схема его включения - на рис. 3.

Микросхемы серии К174

Микросхемы серии К174

Комплексный стереосигнал поступает на вход масштабирующего усилителя DA1, служащего для приведения входного напряжения к номинальному уровню декодера 200...250 мВ. Далее сигнал проходит на вход фазового детектора и вход декодера стереосигнала. На второй вход фазового детектора поступает образцовый сигнал с формирователя управляющих импульсов. Образцовый сигнал имеет частоту либо поднесущей, либо пилот-тона.

Выходной сигнал фазового детектора пропорционален фазовому сдвигу между входным и образцовым сигналами фазового детектора; в нем присутствуют и другие комбинационные составляющие в широком частотном спектре. Для выделения полезной составляющей используют пропорционально-интегрирующий фильтр ФАПЧ, выполненный на операционном усилителе DA2 с внешними интегрирующими конденсаторами (С5, С6 на рис. 3) в цепи ОС. Кроме того, фильтр формирует частотно-фазовую характеристику петли ФАПЧ, обеспечивая ее устойчивость и необходимые параметры полосы захвата.

Проинтегрированное напряжение фазовой ошибки, снятое с фильтра ФАПЧ с помощью дифференциального усилителя DA3 с токовым выходом, подано на вход управления ГУН. Выходные импульсы ГУН с номинальной частотой 500/608 кГц поступают на формирователь управляющих импульсов, который после пересчета и дешифрирования формирует сигналы управления декодером и образцовый сигнал для фазового детектора, замыкая, таким образом, петлю ФАПЧ.

Декодер стереосигнала выполнен на четырех блоках выборки/хранения - по два на канал. Формирователь управляющих импульсов обеспечивает фазовый сдвиг импульсов выборки, синхронизируя их с максимумами и минимумами напряжения поднесущей частоты, для детектирования огибающих каналов А и Б соответственно. Декодер содержит также аналоговые мультиплексоры-интерполяторы каналов А и Б, выполняющие передискретизацию сигнала. Кроме этого, они обеспечивают переход в режим "Моно" подачей сигнала с входа декодера на его выходы в обход декодирующих блоков.

Декодированный сигнал принимает форму ступеней частотой 31,25/38 кГц. Передискретизация состоит в добавлении промежуточных точек между соседними выборками сигнала, так что амплитуда ступеней уменьшается вдвое, а их частота вдвое возрастает (до 62,5/76 кГц). Таким образом, после фильтрации выходными RC-фильтрами R6C12 и R7C13 достигнуто четырехкратное снижение уровня надтональных помех в выходном сигнале.

С выходов декодера сигналы А и Б поступают на входы буферных повторителей напряжения DA4, DA6 (рис. 2) и далее через усилители-сумматоры DA7, DA8 на выход микросхемы. Фильтры R6C12 и R7C13 служат для компенсации высокочастотных предыскажений сигнала с постоянной времени tвч=R6C12=R7C13=50 мкс. Для получения tвч=75 мкс необходимо скорректировать номиналы конденсаторов, либо, если необходимо, ввести элементы электронной коммутации постоянной времени.

При декодировании полярномодулированного стереосигнала коррекцию низкочастотных предыскажений разностного канала (А-Б) выполняет фильтр НЧ с дифференциальными входом и выходом, состоящий из внешней RC-цепи R3C10R4 и внутреннего усилителя DA5 с токовым выходом. Усилитель DA5 автоматически включается в режиме полярной модуляции и "Стерео". Постоянная времени tнч =(R3+R4)C10=1,0186 мс. Коэффициент передачи усилителя U1-3/U10-9=4, где U1-3 и U10-9 - напряжение на соответствующей паре выводов микросхемы.

Амплитудный синхронный детектор преобразует пилот-тон/поднесущую в постоянное напряжение и интегрирует их на внешнем конденсаторе С2 (рис. 3), отфильтровывая звуковые составляющие. Проинтегрированное постоянное напряжение используется для компенсации практически до нуля пилот-тона/поднесущей в цепи сигнала с помощью отрицательной ОС. Выходной сигнал амплитудного детектора поступает также на вход триггера Шмитта, который при достаточном уровне сигнала переводит весь стереодекодер КР174ХА51 из режима "Моно" в режим "Стерео".

Переключатель систем декодирования выполнен на основе инфранизкочастотного генератора с RS-триггером. При отсутствии опознавания стереосигнала происходит периодическое переключение стереодекодера с работы на полярной модуляции (ПМ) на работу с пилот-тоном (ПТ) и обратно. После захвата частоты поднесущей/пилот-тона и формирования триггером Шмитта сигнала "Стерео" инфранизкочастотный генератор останавливается и RS-триггер удерживает стереодекодер в опознанном стандарте декодирования. Таким образом происходит "автоматическая настройка" на принимаемый сигнал.

Усилитель тока индикатора обеспечивает возможность непосредственного подключения к стереодекодеру светодиода, индицирующего работу в режиме "Стерео". Выход усилителя - вывод 7 - используют для контроля частоты свободных колебаний ГУНа. На время настройки ГУНа светодиод отключают.

Основные характеристики при Токр.ср=25+5°С и частоте модуляции 1 кГц

Напряжение питания,В 2,7...7
Потребляемый ток, мА, при напряжении питания 7 В     - типовое значение     - максимальное значение   5,5 7
Напряжение выходного сигнала ЗЧ, мВ, при напряжении питания 6 В, работе в режиме "Стерео" (А+Б) с напряжением входного комплексного сигнала 40 мВ, при максимальном коэффициенте передачи входного масштабирующего усилителя - типовое значение     150...250 200
Максимальный коэффициент передачи входного масштабирующего усилителя, дБ, при напряжении питания 6 В и работе в режиме "Стерео" (А+Б) с напряжением входного сигнала 40 мВ - типовое значение   12...16 14
Минимальный коэффициент передачи входного масштабирующего усилителя, дБ, при напряжении питания 6 В и работе в режиме "Стерео" (А+Б) с напряжением входного сигнала 200 мВ - типовое значение   -1...+1 0
Разность коэффициентов передачи каналов А и Б, дБ, не более, при напряжении питания 6 В и работе в режиме "Стерео" (А+Б) - типовое значение   0,5 0
Переходное затухание между каналами А и Б, дБ, не менее, при напряжении питания 6 В и работе без входного RC фильтра в режиме "Стерео" (А+Б), А, Б - типовое значение   34 43
Коэффициент нелинейных искажений, %, не более, при напряжении питания 6 В и работе в режиме "Стерео" (А+Б) с напряжением входного сигнала 50 мВ и максимальным коэффициентом передачи масштабирующего усилителя - типовое значение    0,3 0,15
Отношение сигнал/шум, дБ, не менее, при напряжении питания 6 В и работе в режиме "Стерео" (А+Б),0 - типовое значение   54 67
Типовое значение частотного интервала захвата стереосигнала с полярной модуляцией, кГц, при напряжении питания     7 В     2,7 В    29,8...34,1 29,1...32,2
Типовое значение частотного интервала захвата стереосигнала с пилот-тоном, кГц, при напряжении питания     7 В     2,7 В    17,9...21,2 17,8...19,7
Входное сопротивление входа комплексного сигнала, кОм, типовое значение 150
Предельно допустимые значения
Напряжение питания,В 2,7...7
Напряжение входного комплексного сигнала, мВэфф, при коэффициенте модуляции 100 % и работе в режиме "Стерео" (А+Б), напряжении питания в пределах 3,6...7 В и коэффициенте передачи входного масштабирующего усилителя     - единичном     - 14 дБ     120...250 24...50
Напряжение входного комплексного сигнала, мВэфф, при коэффициенте модуляции 100 % и работе в режиме "Стерео" (А+Б), напряжении питания в пределах 2,7...4,5 и коэффициенте передачи входного масштабирующего усилителя     - нулевом     - 14 дБ     120...180 24...36
Наибольший выходной ток, мА, по выходам каналов А и Б (выв. 10 и 9) 0,2
Температурный интервал, °С -25...+70

Режим "Стерео" (А+Б) характеризуется наличием в комплексном стереосигнале обоих ЗЧ составляющих - и в канале А, и в канале Б. Запись "Стерео" (А+Б), А, Б означает, что по условиям измерений сначала подают на стереодекодер полный стереосигнал, а затем поочередно обнуляют составляющую Б и потом А соответственно. В режиме "Стерео" (А+Б), 0 сначала подают полный стереосигнал, после чего обнуляют обе составляющие; при этом поднесущая остается.

Такие условия испытания стереодекодеров продиктованы особенностями работы петли ФАПЧ и необходимы для обеспечения надежного захвата стереосигнала.

Следует отметить, что электрически микросхема в состоянии выдержать без негативных последствий напряжение питания до 8 В, напряжение комплексного стереосигнала до 0,5 В и выходной ток ЗЧ по каналам А и Б до 5 мА, но работоспособность стереодекодера в этом режиме не гарантируется.

Для минимизации шумов, особенно при приеме слабых станций, на входе стереодекодера рекомендуется включать ФНЧ с частотой среза 70...80 кГц (хотя бы простейший пассивный R1C1, показанный на типовой схеме включения). Наиболее эффективны активные ФНЧ 2-4-го порядка. Подавление шумов и паразитных внеполосных сигналов позволяет предотвратить их преобразование при декодировании в область звукового спектра и тем самым приблизиться к предельно-достижимым шумовым параметрам.

Поскольку частотная полоса КСС значительно шире полосы ЗЧ (притом ограниченной ФНЧ с постоянной времени tвч = 50 мкс, что соответствует 3,2 кГц), сопутствующий КСС и декодированный вместе со стереосигналом шум оказывается на 10...18 дБ выше, чем при монофоническом приеме. Поэтому при приеме сигналов ниже уровня, при котором исходное отношение сигнал/шум моноприема падает до 48...40 дБ, необходимо переводить стереодекодер принудительно в режим "Моно" для сохранения приемлемого качества звучания. Для этого следует использовать сигнал индикатора напряженности поля (уровня сигнала), имеющийся в большинстве микросхем радиоприемного тракта.

При использовании входного фильтра разделение каналов ухудшается тем сильнее, чем выше неравномерность АЧХ и группового времени запаздывания в полосе КСС от 20 Гц до 53 кГц. Так, при работе с простейшим фильтром R1С1 (рис. 3) реальное разделение каналов ухудшается до 24 дБ для ПМ и до 20 дБ для ПТ. Кроме того, следует минимизировать неравномерность АЧХ не только в верхней (надтональная частота), но и в нижней частях частотного спектра. Избыточно большие с точки зрения полосы пропускания номиналы входного разделительного (С4 на рис. 3) и блокировочного (C3) конденсаторов необходимы для обеспечения высокого разделения каналов.

Подстройку уровня выходного сигнала до номинального значения 200...250 мВэфф выполняют включением дополнительного резистора последовательно с конденсатором C3. При этом коэффициент передачи масштабирующего усилителя DA1 (рис. 2) меняется в пределах 1...5 в соответствии с формулой: Кп=1+20/(5+Rдоп), где Rдоп - сопротивление в килоомах дополнительного резистора.

Элементы С8, R5 задают частоту свободных колебаний ГУН системы ФАПЧ. При постоянной времени tвч=R5C8=0,94 мкс +1 % подстройки частоты, как правило, не требуется. При худшей точности номиналов этих элементов рекомендуется выполнять резистор R5 в виде последовательного соединения постоянного резистора сопротивлением 4,3 кОм и переменного - 1 кОм. При подстройке частоты ГУНа контролируют частоту сигнала на выводе 7 микросхемы. Светодиод на это время отключают, а вывод 8 соединяют с общим проводом. Частота контролируемого сигнала должна быть равна 62,5 кГц. Конденсатор С9 несколько уменьшает влияние помех на стабильность частоты и фазовые искажения сигнала и может быть при необходимости исключен.

При использовании источника питания с напряжением, отличным от 6 В, рекомендуется скорректировать номинал резистора R5 в соответствии с графиком зависимости отклонения частоты ГУН от напряжения питания (рис. 4).

Микросхемы серии К174

Значение и знак коррекции резистора (в процентах) должны быть равны отклонению частоты (в процентах) в соответствующей точке графика.

ДВУСТАНДАРТНЫЙ СТЕРЕОДЕКОДЕР КР174ХА51

Требуемое значение постоянной времени tвч может быть получено и при других номиналах элементов R3, C10, R4. Следует лишь исходить из того, что суммарное сопротивление R3+R4 должно быть в пределах 20...50 кОм. При погрешности tВЧ, большей 2 %, ухудшается разделение каналов в режиме полярной модуляции на ЗЧ ниже 1 кГц, что до определенных пределов субъективно незаметно на слух. Неравенство значений сопротивления резисторов R3, R4 практически не оказывает влияния на выходные параметры, что можно использовать при подборке номиналов из типового ряда или настройке tвч по максимуму разделения.

Конденсатор С11 задает временной интервал, в течение которого поочередно проверяется наличие сигнала того или иного стандарта кодирования. Принудительно задают стандарт декодирования соединением вывода 8 микросхемы с общим проводом для полярной модуляции и с плюсовым проводом питания для пилот-тона.

В режиме автоматического определения системы декодирования высокий и низкий уровни напряжения на этом выводе могут быть использованы для индикации выбранной системы декодирования принимаемого сигнала. Для этого необходимо обеспечить высокое входное сопротивление индикатора - более 1 МОм.

Конденсатор С2 задает постоянную времени интегрирования амплитудного детектора. Его уменьшение может приводить к ухудшению разделения каналов на ЗЧ в системе с полярной модуляцией и ошибочным определениям стереосигнала, а увеличение - к увеличению времени опознавания. Время опознавания, в свою очередь, должно быть меньше временного интервала, отведенного на опознавание. Стереодекодер может быть принудительно переведен в монофонический режим путем соединения вывода 18 с общим проводом через резистор сопротивлением 68 кОм. Практически удобнее реализовать эту функцию с помощью узла, схема которого показана на рис. 5. Если выходное напряжение ЗЧ установлено на уровне более 250 мВэфф, то номинал резистора R2 следует уменьшить.

Микросхемы серии К174

Светодиод HL1 должен обладать минимальным прямым падением напряжения. Здесь подходят только светодиоды красного свечения с приемлемой яркостью при токе 0,5 мА. В противном случае светодиод придется включать через буферный усилитель тока по схеме на рис. 6. Такую же буферную ступень можно использовать для формирования логического ТТЛ/КМОП сигнала "Стерео". Его снимают с коллектора транзистора VT1 (резистор R2 следует заменить другим, сопротивлением 100 кОм). Наличию сигнала "Стерео" соответствует низкий логический уровень на выходе буферной ступени (на коллекторе транзистора VT1).

Микросхемы серии К174

При монтаже микросхемы на плату следует учитывать высокую чувствительность фазового детектора к токам утечки и избегать заливки выводов 1 и 2 микросхемы флюсом. Хорошие результаты в этом плане дает применение защитного кольца, выполненного печатным проводником, соединенным с выводом 3. Кольцо должно окружать выводы 1 и 2, а также выводы элементов R2, C5, C6 (рис. 3).

роме того, для минимизации излучаемых микросхемой помех фильтровый конденсатор С7 питания должен быть расположен как можно ближе к ее выводам 4 и 15, а элементы R5, C8, C9 - к выводам 4, 5 и 6.

На рис. 7 показана зависимость минимального уровня выходного сигнала, при котором стереодекодер переключается в режим "Стерео", от напряжения питания для обоих стандартов декодирования. Выходная вольт-амперная характеристика индикатора режима "Стерео" (по выводу 7 стереодекодера) изображена на рис. 8. Здесь на участке Uинд=1,4...2 В выходной вытекающий ток частотой 62,5/76 кГц имеет импульсную форму, близкую к меандру. При дальнейшем увеличении напряжения индикатора амплитуда импульсов тока уменьшается и при Uинд=2,2 В и более ток индикатора становится постоянным и вытекающим.

Микросхемы серии К174

Зависимости коэффициента нелинейных искажений и потребляемого стереодекодером тока от напряжения питания представлены на рис. 9 и 10 соответственно.

Микросхемы серии К174

Автор: С.Аленин, г.Москва

Смотрите другие статьи раздела Справочные материалы.

Читайте и пишите полезные комментарии к этой статье.

<< Назад

Последние новости науки и техники, новинки электроники:

Власть является ключевым фактором счастья в отношениях 11.03.2026

Исследования семейных и романтических отношений показывают, что длительное счастье пары зависит не только от привычных факторов, таких как доверие, уважение и преданность, но и от более тонких психологических аспектов. Современные ученые ищут закономерности, которые отличают действительно счастливые пары от остальных, чтобы понять, какие механизмы поддерживают гармонию в отношениях. Группа исследователей из Университета Мартина Лютера в Галле-Виттенберге и Бамбергского университета провела опрос среди 181 пары, которые состояли в совместных отношениях более восьми лет и прожили вместе хотя бы месяц. Участники заполняли анкету, описывая различные аспекты своих отношений, включая распределение обязанностей, эмоциональную поддержку и степень вовлеченности в совместные решения. Анализ данных показал интересный паттерн: пары, где оба партнера ощущали высокий уровень личной власти, оказывались наиболее счастливыми и удовлетворенными. В данном контексте под властью понимается способност ...>>

Защищенная колонка-повербанк Anker Soundcore Boom Go 3i 11.03.2026

Компания Anker представила новую модель линейки Soundcore - колонку Soundcore Boom Go 3i, ориентированную на активное использование на улице. Новинка отличается высокой степенью защиты: корпус соответствует стандарту IP68, что обеспечивает водо- и пыленепроницаемость, а ударопрочный дизайн выдерживает падение с высоты до одного метра. За качество звука отвечает 15-ваттный драйвер, обеспечивающий пик громкости до 92 дБ, а технология BassUp 2.0 усиливает низкие частоты, делая звучание более насыщенным. Колонка обладает автономностью до 24 часов, а LED-индикатор позволяет контролировать уровень заряда батареи. Кроме того, Soundcore Boom Go 3i может выполнять функцию павербанка: согласно внутренним тестам, устройство способно зарядить iPhone 17 с нуля до 40% за один час, что делает его полезным аксессуаром в походах и поездках. Среди функциональных особенностей модели стоит выделить технологию Auracast, которая улучшает подключение и позволяет создавать стереопару из двух колонок ...>>

Раннее воздержание от алкоголя перестраивает мозг и иммунитет 10.03.2026

Алкогольная зависимость - хроническое расстройство с компульсивным употреблением спиртного, которое влияет не только на поведение, но и на функционирование мозга и иммунной системы. Недавние исследования показали, что даже на ранних этапах воздержания организм начинает перестраиваться, открывая новые возможности для терапии зависимости. Ученые сосредоточились на пациентах, находящихся в первые недели абстиненции, и зафиксировали значительные изменения в мозговой активности. С помощью функциональной магнитно-резонансной томографии они выявили перестройку сетей нейронных связей, отвечающих за контроль импульсов и принятие решений. Эти изменения могут быть ключевыми для восстановления самоконтроля и снижения риска рецидива. Одновременно с нейронной перестройкой исследователи наблюдали колебания иммунной системы. В крови повышался уровень цитокинов - сигнальных белков, регулирующих воспалительные процессы. Эти данные свидетельствуют о существовании нейроиммунного взаимодействия, при ...>>

Случайная новость из Архива

SSD Micron P420m 12.05.2013

Спустя почти два года с момента анонса твердотельных накопителей корпоративного класса серии P320h, компания Micron Technology представила линейку SSD P420m, которая нацелена на тот же сегмент. Как отмечают создатели, новые SSD характеризуются большими объемами и обеспечивают высокую надежность, при этом стоить будут дешевле моделей линейки P320h.

Главный фактор экономии - это переход с памяти SLC NAND на более доступную MLC NAND, производимую по технологическому процессу 25 нм. Накопители серии будут предлагаться в двух вариантах исполнения: в виде карт расширения HHHL (Half-Height Half-Length) и в корпусах типоразмера 2,5 дюйма. В первом случае для передачи данных задействован интерфейс PCI-Express x8, во втором - PCI-Express x4. Соответственно, спецификации накопителей также разнятся.

Micron P420m формата 2,5 дюйма характеризуются объемом 350 или 700 ГБ, их максимальная скорость последовательной записи заявлена на уровне 1,8 ГБ/с, а максимальная производительность при чтении с произвольным доступом блоками 4 КБ - 430 000 IOPS. Объем SSD формата HHHL может равняться 700 ГБ или 1,4 ТБ, скорость при последовательной записи достигает 3 ГБ/с, а производительность при чтении с произвольным доступом блоками 4 КБ доходит до 750 000 IOPS.

Примененная в Micron P420m фирменная технология XPERT выступает гарантом высокой надежности и длительного срока службы накопителей. Так, изделия рассчитаны на ежедневную четырехкратную перезапись всего объема SSD в течение пяти лет.

Micron P420m на данный момент доступны в виде ознакомительных образцов, а массовое производство накопителей серии начнется в июне.

Другие интересные новости:

▪ Микропроцессорные протезы конечностей

▪ Создан самый маленький транзистор

▪ Искусственные органические нейроны

▪ Кольцо для постоянного измерения артериального давления

▪ Как лазер режет плоть

Лента новостей науки и техники, новинок электроники

 

Интересные материалы Бесплатной технической библиотеки:

▪ раздел сайта Регуляторы тока, напряжения, мощности. Подборка статей

▪ статья Медвежья услуга. Крылатое выражение

▪ статья Когда погаснет Солнце? Подробный ответ

▪ статья Правовые основы охраны труда женщин

▪ статья Практическое применение операционных усилителей. Часть третья. Энциклопедия радиоэлектроники и электротехники

▪ статья Магическая рамка для карт. Секрет фокуса

Оставьте свой комментарий к этой статье:

Имя:


E-mail (не обязательно):


Комментарий:





Главная страница | Библиотека | Статьи | Карта сайта | Отзывы о сайте

www.diagram.com.ua

www.diagram.com.ua
2000-2026