Menu Home

Бесплатная техническая библиотека для любителей и профессионалов Бесплатная техническая библиотека


Интегральные коммутаторы: параметры, применение. Справочные данные

Бесплатная техническая библиотека

Энциклопедия радиоэлектроники и электротехники / Справочные материалы

 Комментарии к статье

Интегральные коммутаторы с электронным управлением широко используют в современной бытовой аппаратуре для коммутации видео- и аудиосигналов. О замене их при ремонте зарубежной техники и некоторых интересных примерах применения таких коммутаторов рассказывает публикуемая статья.

Из обширной номенклатуры интегральных микросхем, выпускаемых зарубежными фирмами, коммутаторы - один из наиболее универсальных их видов. Встретить интегральные коммутаторы (ИК) можно почти в любой современной модели телевизора, видеомагнитофона, усилителя ЗЧ, видеокамеры, тюнера, звукового магнитофона, а также в другой бытовой аппаратуре. В связной технике, промышленной электронике и других областях ИК применяют не менее широко.

Небольшое число ИК имеет отечественные аналоги, однако большую их часть выпускают только зарубежные фирмы. Многие ИК обладают весьма впечатляющими техническими характеристиками, часто не требуют использования каких-нибудь дополнительных навесных элементов и "неприхотливы" к параметрам источников питания. В связи с этим рассмотрим аспекты применения ИК в разнообразных радиолюбительских конструкциях, а также вопросы их идентификации в аппаратуре и подбора аналогов при ремонте.

Проблемы, связанные с идентификацией микросхем вообще и ИК в частности, в практике ремонта возникают очень часто, особенно когда микросхемы в миниатюрных корпусах для поверхностного монтажа имеют только цифровую маркировку. В таких случаях даже заказать микросхему, не имея ее полного наименования, весьма затруднительно.

Со времени создания в 1958 г. фирмой TEXAS INSTRUMENTS (США) первых интегральных микросхем выпущено такое количество их типов, что получить достоверную техническую информацию о них часто бывает крайне затруднительно. Предпринимаемые попытки стандартизировать обозначения микросхем в международном масштабе особым успехом не увенчались, хотя, например, европейские производители стараются придерживаться принципов кодирования наименований микросхем международной организацией PRO ELECTRON (ASSOCIATION INTERNATIONAL PRO ELECTRON) [1]. На практике в большинстве моделей видео- и аудиотехники, продаваемой у нас (и не только), доминируют микросхемы азиатского, в основном японского происхождения. Причем речь идет не только о собственно японской аппаратуре, но и о многих видах продукции фирм Европы и США, в которых доля японских микросхем весьма значительна.

К сожалению, автору неизвестны принципы кодирования микросхем, принятые в Японии. Предположительно они определяются японской Ассоциацией промышленной электроники EIAJ (ELECTRONIC AND MECHANICAL INDUSTRIAL ASSOCIATION OF JAPAN), но с европейской системой они не согласуются. Поэтому в дальнейшем наименования микросхем будут даны по сведениям, полученным автором из практики работы с конкретной аппаратурой (по маркировке) и из принципиальных схем.

Примечательно, что в настоящее время трудно определить страну-изготовителя микросхем, их производство ведущими фирмами налажено далеко за пределами своих стран. Что касается ИК, то автору встречались японские микросхемы, выпущенные в Малайзии, Сингапуре, на Филиппинах, Тайване, в Корее и других странах. Можно предположить, что число стран-изготовителей японских микросхем значительно больше, так как только на некоторых имеется соответствующая маркировка. Наиболее широко распространены ИК для бытовой видео- и аудиотехники, выпускаемые фирмами ROHM, TOSHIBA, SANYO, MATSUSHITA, JRC, MITSUBISHI, NEC (Япония), MOTOROLA (США), SGS - THOMSON (Франция) и др. Более узко специализированные ИК выпускают и многие другие фирмы.

Существует довольно много полностью или частично взаимозаменяемых ИК, выпускаемых разными фирмами и имеющих различную маркировку на корпусах. Информация по подбору аналогов при ремонте радиоаппаратуры в таких случаях может быть весьма полезной. Например, редко встречающуюся в продаже микросхему с маркировкой 4066 в корпусе для поверхностного монтажа (полное наименование - MN4066BS фирмы MATSUSHITA) можно заменить функциональным аналогом из ряда других микросхем: BU4066B, BU4066BC (RHOM), mPD4066BC (NEC), TC4066BP (TOSHIBA), HCF4066BE (SGSTHOMSON), MC14066BCP (MOTOROLA), CD4066BE, LC4066B и др. в стандартном корпусе (14 выводов), а во многих случаях и отечественными К561КТ3, 564КТ3, КР1561КТ3. Параметры, цоколевки, схемы включения отечественных ИК (мультиплексоров) нетрудно найти в литературе [2].

Кроме четырехканального коммутатора-аналога К561КТ3, в зарубежной аппаратуре применяют и другие, имеющие отечественные функциональные аналоги в сериях К176, К561, 564, КР1561. Полные аналоги, выполненные в одинаковых корпусах и имеющие идентичные электрические характеристики, подобрать существенно труднее, так как оригинальная справочная литература по зарубежным микросхемам у нас пока трудно доступна. Однако, с точки зрения ремонтной практики, не играет большой роли, например, разница в быстродействии или значениях емкостей между выводами и даже другой тип корпуса. Важен конкретный результат - восстановление работоспособности аппаратуры доступными (и недорогими) средствами.

Ниже перечислены известные автору функциональные аналоги отечественных ИК серий К176, К561, 564, КР1561, соответствующие зарубежным: ТС4016В, ТС4016BP, CD4016BE, CD4016BF - К176КТ1; MN4051B, CD4051BF, MC14051BF, HD14051BP, HEF14051BP, SCL4051BE - К561КП2, 564КП2, КР1561КП2; M4052BP, MC14052BCP, TC4052BP, CD4052BE, HCF4052BE - К561КП1, 564КП1, КР1561КП1; MC14512AP, CD4512BE - КР1561КП3; MC14519BF, MC14519BP, CD4519BE - КР1561КП4.

Весьма широко в бытовой видео и аудиотехнике применяют строенный двухканальный ИК с раздельным управлением, не имеющий отечественных аналогов, с различной, в зависимости от фирмы производителя, маркировкой: BU4053, TC4053BP, CD4053AE, CD4053BF, HEF4053BP, HD14053BP, MC14053BCP, MC14053BE, 4053BСN, SCL4053BE и др. Используя его, удобно, например, организовать подключение двух стереозвуковых видеомагнитофонов к УМЗЧ и телевизору (входы левого, правого каналов и видеовходы). Цоколевка и структурная схема такого коммутатора показаны на рис. 1 (обозначения выводов соответствуют принятым фирмой MITSUBISHI). Управление ключами А, В, С происходит независимо по входам SA, SB, SC. Положению Н ключей соответствует уровень 1 на входе управления, положению L - уровень 0. Напряжение уровня 1 на входах управления должно быть равно не менее 70 % от напряжения питания VDD, а уровня 0 - не более 30 %. При подаче уровня 1 на вход управления Е - все ключи разомкнуты независимо от значения напряжения на входах SA, SB, SC. При однополярном питании вывод VEE соединяют с общим проводом VCS.

Интегральные коммутаторы: параметры, применение

Напряжение питания VDD коммутатора может находиться в пределах 3...15 В. От его значения зависят сопротивление открытого ключа, быстродействие, входные и выходные емкости. Чем больше это напряжение, тем лучше параметры ключей. Сопротивление открытого ключа от значения 500 Ом и более при напряжении питания 5 В уменьшается до 100 Ом и менее при 15 В. Быстродействие ключей растет практически пропорционально напряжению питания, зависит от параметров (сопротивления и емкости) нагрузки и ориентировочно равно 50 нс при напряжении питания 15 В (под быстродействием понимается время задержки включения/выключения ключа с момента подачи управляющего сигнала). Значения входных и выходных емкостей также минимальны при напряжении питания 15 В и равны 15...30 пФ.

Конкретные значения параметров ИК определяются также вариантами исполнения (имеют разные буквенные индексы: АЕ, ВЕ, BF, BP, BCP, BCN и др.) у различных фирм-изготовителей.

При необходимости коммутации разнополярных сигналов на вывод VEE подают напряжение питания в пределах 0...-12 В. Необходимо только помнить, что максимальное напряжение между выводами VDD и VEE не должно превышать 15 В (суммарно по абсолютному значению). От значений питающих напряжений зависит и максимальный размах передаваемых сигналов, которые не должны "приближаться" более чем на 0,2 В к напряжениям на выводах VDD и VEE.

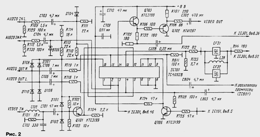
Особенности применения ИК рассмотрим на примере распространенного телевизора FUNAI-TV-2100AMK10HYPER, фрагмент принципиальной схемы которого представлен на рис. 2. В этой модели предусмотрен стереозвуковой режим при работе через внешние входы, расположенные как на передней, так и на задней панелях. Сопротивления входов 100 кОм определяются резисторами R729, R730. Звуковые сигналы левого и правого каналов через конденсаторы С703, С704 поступают на выводы 5 и 2 микросхемы IC701. Поскольку использовано однополярное питание микросхемы напряжением +8 В, обязательным условием неискаженной передачи звуковых сигналов следует указать наличие на входах некоторого постоянного напряжения. В нашем случае с делителей R710R711 и R713R714 на входы микросхемы подано напряжение +4 В. Для защиты входов от перенапряжения установлены стабилитроны D704, D706 на напряжение 8,2 В.

Интегральные коммутаторы: параметры, применение
(нажмите для увеличения)

В случае приема эфирных телепередач звуковой сигнал с микросхемы радиоканала М52340S фирмы MITSUBISHI (IC301, на ее выводе 46 имеется напряжение +2,6 В) приходит одновременно на выводы 1 и 3 микросхемы IC701.

Выходные сигналы с выводов 15 и 4 коммутатора через электронный регулятор громкости на микросхеме IC801 (UPC1406HA) проходят на интегральный стереоусилитель ЗЧ LA4261.

Немного необычно выполнены узлы прохождения видеосигнала. С внешних видеовходов через антипомеховый фильтр L702C713 он поступает на эмиттерный повторитель на транзисторе Q701 с высоким входным сопротивлением. При этом размах ПЦТВ на входе вместо стандартного значения в 1 В оказывается равным 1,8...2 В. Далее видеосигнал через вывод 12 микросхемы IC701, который замкнут с выводом 14 (ключ А в режиме "Видео"), проходит еще два эмиттерных повторителя на транзисторах Q703, Q702. В результате размах сигнала на видеовыходе при его нагрузке на видеовход сопротивлением 75 Ом оказывается равным стандартному значению 1 В. Недостатком такого включения следует указать отсутствие согласования по видеовходу, вследствие чего при большой длине соединительного кабеля возможен завал высокочастотных составляющих ПЦТВ, т. е. некоторое снижение четкости и даже цветовой насыщенности в системе ПАЛ.

В режиме просмотра телепередач (другое положение ключа А) сигнал с видеодетектора блока радиоканала (вывод 52 микросхемы IC301) через режекторные фильтры СF31, CF32, делитель R722R723 приходит на вывод 13 микросхемы IC701. Далее видеосигнал через эмиттерный повторитель на транзисторе Q703 разветвляется на два направления: на видеовыход, что описано, и через делитель R732R705 на вход каналов яркости и цветности микросхемы IC301 (вывод 36).

Всеми ключами коммутатора IC701 управляют одновременно подачей уровня 0 или 1 (+8 В) с инвертора на транзисторе Q706, который коммутируется микропроцессором IC101 (М37220M). На его выводе 5 уровню 1 (+5 В) соответствует режим работы с видеовхода, а уровню 0 - режим просмотра телепередач.

Интегральные коммутаторы (ИК) в настоящее время не дефицитны, и цены на них вполне доступны. Поэтому трудности их применения в основном возникают лишь при необходимости замены микросхем в миниатюрных корпусах для поверхностного монтажа. Их широко используют в видеокамерах и современных моделях видеомагнитофонов различных фирм. Для этих случаев более подходят отечественные микросхемы серии 564 в корпусах с планарными выводами. Строенные коммутаторы TС4053 и другие, хотя и не имеют полных отечественных аналогов, вполне могут быть заменены, например, двумя микросхемами КР590КН4, каждая из которых содержит сдвоенные ключи с независимым управлением.

На ИК можно собрать и самые различные радиолюбительские устройства. Например, в [3] описано их использование в генераторе линейно изменяющегося напряжения и в устройстве выборки-хранения для преобразователя числа строк систем авторегулирования видеомагнитофонов.

В качестве еще одного примера рассмотрим применение ИК в устройстве восстановления постоянной составляющей телевизионного сигнала.

Известно, что видеосигнал содержит постоянную составляющую, значение которой зависит от содержания изображения и изменяется с частотой 0...3 Гц. Изза наличия разделительных конденсаторов в аппаратуре формирования видеосигналов она, как правило, теряется. В нужных точках тракта ее искусственно восстанавливают. Одной из таких точек следует назвать вход телевизионного модулятора, переносящего ПЦТВ в область высоких частот. Как влияет постоянная составляющая телевизионного видеосигнала на качество модуляции, эскизно иллюстрирует рис. 3.

Интегральные коммутаторы: параметры, применение

Модуляторами для маломощных формирователей телевизионных радиосигналов часто служат устройства, сопротивление которых токам высокой частоты зависит от значения напряжения на управляющем входе. Типичная модуляционная характеристика такого устройства показана на рис. 3,а. Для неискаженной передачи сигналов изображения модулирующее напряжение не должно выходить за пределы линейного участка характеристики. При этом огибающая радиосигнала (ВЧ заполнение не нарисовано) будет иметь вид, изображенный на рис. 3,б. Согласно ГОСТ 18471-83, ГОСТ 21879-76, определяющим параметры трактов и сигналов вещательного телевидения, уровни радиосигнала изображения должны быть следующие:

1) соответствующий синхроимпульсам (максимальный уровень несущей) - 100 %;

2) соответствующий уровню гашения - 75+2,5 %;

3) соответствующий уровню белого - 155+2 %;

4) минимальный (остаток немодулированной несущей) - 75+2 %.

Эти требования - довольно жесткие, и выдержать их при долговременной работе аппаратуры в различных внешних условиях непросто. Об остроте проблемы свидетельствует опыт работы многих малобюджетных региональных и местных телекомпаний, качество сигналов которых далеко не всегда соответствует требованиям стандартов (когда нет денег на контрольно-измерительное оборудование, трудно говорить о качестве вещания).

Уровень постоянной составляющей реального сигнала изображения меняется в довольно широких пределах. Без постоянной составляющей он будет воспроизводиться на экране кинескопа с искажениями яркости фона и перепадов яркости между крупными деталями (вместо белых деталей будут серые и т. п.). Для их устранения применяют специальные устройства-восстановители постоянной составляющей (ВПС) или, по-другому, фиксаторы уровня (CLAMPING).

ВПС бывают двух типов - неуправляемые (с применением пикового диодного детектора) и управляемые (с использованием генератора импульсов фиксации). Неуправляемые фиксаторы уровня обладают меньшей точностью восстановления постоянной составляющей и, самое главное, низкой температурной и долговременной стабильностью, т. е. при изменении температуры и старении рабочая точка (в нашем случае модулятора) перемещается по модуляционной характеристике (рис. 3,а). При дрейфе рабочей точки вправо синхроимпульсы телевизионного сигнала попадают на верхний нелинейный участок характеристики. В результате в радиосигнале синхроимпульсы "сплющиваются", что приводит в приемнике к срыву синхронизации, особенно кадровой (подергивание изображения по вертикали). В случае дрейфа рабочей точки влево уровень белого в сигнале оказывается на нижнем нелинейном участке характеристики, а на изображении появляется "негатив" и цветные ореолы вокруг объектов. В обоих случаях к тому же резко увеличивается уровень внеполосных излучений и комбинационных помех.

У управляемых ВПС указанные недостатки отсутствуют, но они существенно сложнее. Области применения управляемых ВПС: многоканальные формирователи телевизионных сигналов, генераторы испытательных сигналов высокой точности, формирователи стандартных телевизионных сигналов, работающие при больших изменениях температуры окружающей среды, и т. п. И вообще, при необходимости получения высококачественного стабильного изображения при стыковке видеоаппаратуры применение управляемых ВПС оказывается весьма полезным.

Разработанный автором фиксатор уровня не содержит дефицитных элементов и может быть повторен радиолюбителями средней квалификации. Его принципиальная схема изображена на рис. 4, а осциллограммы в характерных точках - на рис. 5. Основу ВПС составляет интегральный коммутатор DA2, управляемый генератором импульсов фиксации на микросхемах DA3, DD1.

Интегральные коммутаторы: параметры, применение
(нажмите для увеличения)

Приходящий на видеовход ПЦТВ поступает через конденсатор С6 на формирователь строчных синхронизирующих импульсов на микросхеме DA3, представляющий собой упрощенный вариант субмодуля синхронизации телевизоров 3УСЦТ. Положительные импульсы (рис. 5, осц. 2) с вывода 3 этой микросхемы воздействуют на одновибратор временной задержки на триггере DD1.1, запускаемый фронтом каждого импульса. На триггере DD1.2 собран собственно генератор фиксирующих импульсов, запускаемый спадами импульсов генератора задержки (рис. 5, осц. 3 и 4). Импульсы фиксации (рис. 5, осц. 4) по времени расположены на задней площадке строчных импульсов гашения.

Интегральные коммутаторы: параметры, применение

Одновременно ПЦТВ через ФНЧ R2C1L1C2R3, служащий для ограничения спектра сигнала, получаемого на выходе ВЧ модулятора, через эмиттерный повторитель на транзисторе VT1, запоминающий конденсатор С5 и ОУ DA1 проходит на выход ВПС для дальнейшей подачи на модулятор или на другие необходимые устройства. Напряжение фиксации (рис. 5, осц. 5) зависит от положения движка подстроечного резистора R15.

В моменты появления фиксирующих импульсов коммутатор на микросхеме DA2 открывается и запоминающий конденсатор С5 быстро заряжается до напряжения, примерно равного напряжению на движке резистора R15. После окончания фиксирующего импульса, т. е. во время активной части каждой строки, постоянное напряжение на правой (по схеме) обкладке конденсатора С5 сохраняется практически неизменным, так как входное сопротивление ОУ DA1 и выходное сопротивление закрытого ключа коммутатора DA2 очень велико (единицы мегаом). Следовательно, напряжение фиксации оказывается независимым от содержания изображения передаваемого сигнала и высокостабильным (определяется параметрами стабилитрона VD2). Его в довольно широких пределах можно изменять подстроечным резистором R15, т. е. обеспечить возможность работы модулятора только на линейном участке модуляционной характеристики.

В фиксаторе уровня оксидные конденсаторы - К50-35 и др., остальные - керамические любых типов, переменные резисторы - СП4-1а и др., герметизированные, постоянные - ОМЛТ-0,125, дроссели - ДМ-0,1. Устройство должно питаться от высокостабильного источника с малыми пульсациями. Печатную плату устройства размещают в экранирующем корпусе и отделяют от ВЧ узлов модулятора экранирующими перегородками.

Цепь R10C21R11 служит для устранения влияния выходного сопротивления открытого ключа коммутатора DA2 на уровень поднесущей цветности, передаваемой во время задних площадок строчных гасящих импульсов при работе в системе SECAM, а также для ограничения спектра радиосигнала модулятора. Резистор R7 включен для устранения возможного самовозбуждения ОУ DA1. Делитель R12R13 (он может отсутствовать) необходим для модуляторов с низким требуемым значением напряжения фиксации (ниже 2 В). Ориентировочное сопротивление резистора R12 - 1...2 кОм. Резистор R13 подбирают для конкретного варианта устройства, на которое нагружен фиксатор. Что касается построения самого модулятора, то можно воспользоваться, например, доработанным вариантом, использованным в приемопередающем устройстве видеомагнитофона "Электроника-ВМ12", описанном в [4]. Доработка сводится к удалению диода VD3 и замыканию конденсатора С24 (рис. 3,б в [4]).

Для настройки ВПС нужны универсальный осциллограф с режимом внешней синхронизации и генератор телевизионных испытательных сигналов. Форму высокочастотных радиосигналов контролируют либо широкополосным осциллографом (С1-75, С1-108), либо, используя блок радиоканала контрольного телевизора, настроенного на требуемую частоту, универсальным осциллографом, который подключают к выходу видеодетектора телевизора.

В первую очередь устанавливают период следования импульсов на выводе 3 микросхемы DA3 (см. рис. 4) равным 64+0,5 мкс. При этом сигнал на вход не подают. Затем, подав на вход ПЦТВ, измеряют длительность импульсов на выводах 1 и 13 микросхемы DD1. При отклонениях от значений, показанных на рис. 5, подбирают резисторы R20 и R21. Далее, подключив к выходу ВЧ модулятора контрольный телевизор или широкополосный осциллограф, подстраивают резисторы R15 и R3 так, чтобы соотношение уровней промодулированного радиосигнала соответствовало градациям сигнала яркости входного ПЦТВ (удобнее это делать с сигналом "Градации серого", без сигналов цветности), ориентируясь на рис. 3

Не менее широко зарубежные фирмы используют ИК с встроенными усилителями. Для них характерно применение однополярного источника питания, непосредственного управления уровнями ТТЛ или КМОП и малое число навесных элементов. В качестве примера можно перечислить микросхемы: LA7026 (фирмы SANYO) - сдвоенный аудио-видео-ИК, LA7016 (SANYO) - видео-ИК, NJM2234L (JRC) - двухканальный аудио-ИК, BA7604N (ROHM) - двухканальный универсальный, М52065FP (MITSUBISHI) - строенный двухканальный широкополосный и др.

Литература

  1. Нефедов А. В., Савченко А. М., Феоктистов Ю. Ф. Зарубежные интегральные микросхемы для промышленной электронной аппаратуры. Справочник под ред. Ю. Ф. Широкова. - М.: Энергоатомиздат, 1989, с. 1-30.
  2. Богданович М. И., Грель И. Н., Дубина С. А., Прохоренко В. А., Шалимо В. В. Цифровые интегральные микросхемы. - Минск: Полымя, 1996, с.312-318.
  3. Петропавловский Ю. Видеотехника формата VHS. Преобразователи числа строк 525/625 в САР видеомагнитофонов. - Радио, 1993, № 7, с. 5-7.
  4. Бондаренко А., Крылов А. Кассетный видеомагнитофон "Электроника-ВМ-12. Приемопередающее устройство.

Автор: Ю.Петропавловский, г.Таганрог

Смотрите другие статьи раздела Справочные материалы.

Читайте и пишите полезные комментарии к этой статье.

<< Назад

Последние новости науки и техники, новинки электроники:

Кислотность океана разрушает зубы акул 03.10.2025

Мировые океаны выполняют важнейшую функцию - они поглощают около трети углекислого газа, выбрасываемого в атмосферу. Это помогает замедлять темпы глобального потепления, но имеет и обратную сторону. Растворяясь в воде, CO2 образует угольную кислоту, которая повышает концентрацию водородных ионов и приводит к снижению pH. Вода становится более кислой, а последствия этого процесса уже заметны для морских экосистем. Средний показатель кислотности океана сейчас равен примерно 8,1, тогда как еще недавно за условную норму брали значение 8,2. По прогнозам, к 2300 году уровень может упасть до 7,3 - это сделает океан почти в десять раз кислее нынешнего состояния. Для обитателей морей подобные изменения означают не просто сдвиг химического равновесия, а реальную угрозу физиологическим процессам, начиная от формирования раковин у моллюсков и заканчивая охотничьим поведением акул. Чтобы выяснить, как именно кислотная среда отражается на зубах акул, группа немецких исследователей провела эксп ...>>

Почтовый космический корабль Arc 03.10.2025

Космические технологии становятся частью инфраструктуры, способной повлиять на логистику, медицину и даже военную сферу. Идея использовать орбиту как глобальный склад для срочных поставок звучала еще недавно как научная фантастика, но стартап Inversion пытается превратить ее в практическое решение. Компания Inversion появилась в начале 2021 года благодаря Джастину Фиаскетти и Остину Бриггсу, которые на тот момент были студентами Бостонского университета. Их замысел состоял в том, чтобы сделать возможной доставку грузов не только через спутниковые сети данных, но и в буквальном смысле - физических предметов. В основе лежит простая мысль: если космос обеспечивает доступ к любой точке Земли, то и грузы должны перемещаться тем же маршрутом. Уже за три года работы команда из 25 специалистов успела построить демонстрационный аппарат "Ray". Его запуск состоялся в рамках миссии SpaceX Transporter-12. Устройство весом 90 килограммов проверяло ключевые технологии Inversion, включая двухком ...>>

Лазерное обогащение урана 02.10.2025

Ядерная энергия остается одним из ключевых источников стабильного электричества, особенно для стран с растущими потребностями в энергоснабжении. Однако обеспечение бесперебойных поставок топлива для атомных станций требует современных технологий обогащения урана, которые одновременно эффективны и безопасны. Американская компания Global Laser Enrichment (GLE) делает значительный шаг в этом направлении, завершив масштабное тестирование лазерной технологии обогащения урана. Демонстрационная программа была проведена на объекте в Уилмингтоне, Северная Каролина. Тестирование технологии SILEX (Separation of Isotopes by Laser EXcitation), разработанной австралийской Silex Systems, стартовало в мае 2025 года и продлится до конца года. В ходе экспериментов компания планирует получить сотни фунтов низкообогащенного урана (LEU), который может быть использован в качестве топлива для атомных электростанций. GLE была создана в 2007 году для коммерциализации лазерных методов обогащения урана в С ...>>

Случайная новость из Архива

Перспективные водные аккумуляторы 22.04.2025

Вопрос безопасного и устойчивого хранения энергии сегодня стоит особенно остро. В условиях растущей зависимости от электроэнергии и активного внедрения возобновляемых источников возрастает необходимость в разработке аккумуляторов, способных сочетать высокую эффективность с экологичностью. Одним из перспективных направлений в этой области стали водные аккумуляторы, которые, несмотря на определенные ограничения, привлекают внимание ученых по всему миру.

Команда исследователей из нескольких научных учреждений США недавно достигла заметного прогресса в создании водно-электролитных аккумуляторов. Им удалось разработать экспериментальную модель, которая демонстрирует стабильную работу на протяжении двух тысяч циклов зарядки и разрядки. Это значительное достижение в сравнении с ранними версиями водных батарей, которые страдали от недостаточной долговечности и сравнительно низкой энергоэффективности.

Главное преимущество таких аккумуляторов заключается в их безопасности. В отличие от широко распространенных литий-ионных батарей, которые при повреждении могут воспламеняться, водные устройства принципиально неспособны загореться. Однако за это приходится платить сниженной плотностью энергии, что и стало одной из ключевых проблем, которую исследователи стремились решить.

В рамках своей работы ученые сосредоточились на совершенствовании ионного транспорта и стабильности двухфазных электролитов. Для этого они применили так называемые литий-ионофоры - соединения, улучшающие движение ионов лития между водной и органической фазами. Эти вещества обладали высокой литофильностью, что позволило эффективно уменьшить сопротивление внутри аккумулятора и добиться равномерного взаимодействия жидкостей.

Результатом этих усилий стало значительное снижение внутреннего импеданса устройства до 2,7 Ом·см2, а также расширение диапазона рабочих напряжений от 0,0 до 4,9 вольт. Такие характеристики делают батарею не только более надежной, но и экологически предпочтительной, ведь водные компоненты легче поддаются переработке и не несут в себе серьезной угрозы для окружающей среды.

Тем не менее, несмотря на оптимистичные показатели, специалисты подчеркивают, что путь к массовому применению водных аккумуляторов все еще долог. Необходимо провести дополнительные исследования, направленные на повышение энергетической плотности и адаптацию технологии к промышленным условиям. Однако уже сегодня ясно, что этот подход может стать серьезной альтернативой существующим решениям в ближайшем будущем.

Разработка нового поколения безопасных и устойчивых водных аккумуляторов открывает перспективы для создания более экологичной и доступной энергетической инфраструктуры. Если усилия ученых увенчаются успехом, то батареи на водной основе вполне смогут составить конкуренцию литий-ионным аналогам, сохраняя при этом ключевые преимущества - безопасность, экологичность и высокую степень надежности.

Другие интересные новости:

▪ Infineon представила самый миниатюрный GPS-приемник

▪ Самый быстрый графический процессор для ноутбуков от Nvidia

▪ Самый легкий изотоп магния

▪ Звонок через стратосферу

▪ Беспроводные наушники Anker Soundcore Space Q45 и Space A40

Лента новостей науки и техники, новинок электроники

 

Интересные материалы Бесплатной технической библиотеки:

▪ раздел сайта Звонки и аудио-имитаторы. Подборка статей

▪ статья Вместо вентиляционной решетки. Советы домашнему мастеру

▪ статья Какую роль солнечное затмение 28 мая 585 года до нашей эры сыграло в истории древних народов Западной Азии? Подробный ответ

▪ статья Первая доврачебная помощь при ранах. Медицинская помощь

▪ статья Удлинитель COM порта на 200 метров. Энциклопедия радиоэлектроники и электротехники

▪ статья Простое зарядное устройство. Энциклопедия радиоэлектроники и электротехники

Оставьте свой комментарий к этой статье:

Имя:


E-mail (не обязательно):


Комментарий:




Комментарии к статье:

leo
Спасибо, мне понравилось [up]

Водалей
Разжованно!Спасибо! [up]


Главная страница | Библиотека | Статьи | Карта сайта | Отзывы о сайте

www.diagram.com.ua

www.diagram.com.ua
2000-2025