Бесплатная техническая библиотека
Микросхемы для защиты литиевых аккумуляторов. Справочные данные

Энциклопедия радиоэлектроники и электротехники / Справочные материалы
Комментарии к статье
Современные литиевые аккумуляторы и аккумуляторные батареи для питания сотовых телефонов и других портативных электронных приборов обладают высокими массогабаритными показателями и большой энергоемкостью, но наряду с этим очень чувствительны к нарушениям режимов зарядки и разрядки. Последствия таких нарушений, зачастую непреднамеренных, могут быть довольно тяжелыми - от существенной потери энергоемкости до полного выхода батареи из строя. Сравнительная стоимость литиевых аккумуляторов и батарей пока остается высокой.
Это вынуждает встраивать в батареи довольно сложное электронное устройство, следящее за правильностью ее эксплуатации и не допускающее выхода за предельно допустимый режим. Ниже описаны микросхемы, выпускаемые фирмой ON Semiconductor, которые предназначены для выполнения именно этих функций. Одна из серии NCP802 защитит единичный литиевый аккумулятор, а МC33351А обеспечит надежную работу батареи из трех таких аккумуляторов. Знакомство с их особенностями поможет не только правильно эксплуатировать аккумуляторы, но и восстановить работоспособность после неожиданного "отказа", связанного нередко всего лишь со срабатыванием встроенной системы защиты.
Микросхемы серии NCP802
Их выпускают в нескольких конструктивных модификациях: NCP802SN1T1 - в малогабаритном пластмассовом корпусе SOT-23-6 (рис. 1), а NCP802SAN1T1 и NCP802SAN5T1 - в пластмассовом корпусе SON-6 (рис. 2) еще меньших размеров.
(нажмите для увеличения)
Если к обозначению добавлен индекс G, микросхема экологически безопасна (не содержит свинца). На корпус микросхем NCP802 нанесена лишь условная маркировка - буквы KN и код даты изготовления. Полное наименование со всеми индексами указано только в сопроводительной документации. Цоколевка микросхем представлена в табл. 1.
(нажмите для увеличения)
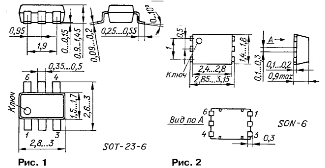
Типовая схема подключения прибора к защищаемому литий-ионному аккумулятору показана на рис. 3.

Цепь R2C1 - фильтр питания микросхемы DA1. Сопротивление резистора R2 не должно быть более 1 кОм, так как падение напряжения на нем может недопустимо увеличить пороги срабатывания узла защиты. Резисторы R1 и R2 ограничивают ток через микросхему при случайном подключении аккумулятора G1 к зарядному устройству, развивающему слишком большое напряжение, или в неправильной полярности. Чтобы в этих ситуациях не превысить допустимую для микросхемы рассеиваемую мощность, суммарное сопротивление этих резисторов должно быть не менее 1 кОм. Однако при сопротивлении резистора R1 более 30 кОм микросхема может не войти в режим зарядки при подключении к зарядному устройству ЗУ аккумулятора, разряженного до уровня ниже допустимого.
Полевые транзисторы VT1 и VT2 включены последовательно в цепь зарядки/разрядки аккумулятора G1. В рабочем состоянии оба они открыты, а суммарное сопротивление их каналов служит датчиком тока, протекающего в этой цепи. Понизить при необходимости пороги срабатывания токовой защиты можно включением последовательно между выводами стока транзисторов дополнительного резистора, не показанного на схеме.
Если транзистор VT1 закрыт, разрядка аккумулятора G1 на внешнюю нагрузку невозможна. Однако зарядный ток может беспрепятственно протекать через встроенный в транзистор защитный диод, включенный в прямом для этого тока направлении. Аналогичным образом закрытый транзистор VT2 запрещает зарядку, оставляя возможной разрядку аккумулятора G1. Когда закрыты оба транзистора, аккумулятор полностью отключен от внешних цепей.
Защита от перезарядки
Если напряжение на выводе Vcell микросхемы увеличивается, то в момент превышения некоторого порогового значения U1 она подает команду на закрывание транзистора VT2, устанавливая через резистор R1, соединенный с истоком транзистора VT2, на выводе СО низкий уровень напряжения, равный напряжению на выводе Р-.
Микросхема вернется в состояние с высоким уровнем на выводе СО после того, как напряжение, поданное на вывод Vcell, уменьшится до значения, немного меньшего порогового. Выход из состояния с низким уровнем напряжения на выводе СО произойдет и после подключения к аккумулятору нагрузки, если вызванное ее током падение напряжения на внутреннем диоде транзистора VT2 - оно приложено к выводу Р- - достигнет порогового уровня Uз (о нем сказано ниже) или превысит его.
Условия перехода микросхемы в состояние защиты или возвращения в исходное должны сохраняться в течение продолжительного времени, прежде чем этот переход произойдет - предусмотрена временная задержка.
Защита от чрезмерной разрядки
Когда напряжение на выводе Vcell, уменьшаясь, переходит установленный порог U2, на выводе DO появится низкий уровень напряжения, что приведет к закрыванию транзистора VT1 и прекращению дальнейшей разрядки аккумулятора G1. Возможность зарядки сохраняется. После того, как напряжение на выводе Vcell превысит порог U2, на выводе DO вновь возникнет высокий уровень.
В состоянии запрета разрядки аккумулятора ток, потребляемый микросхемой, резко снижается, так как большинство ее внутренних узлов переходит в пассивное состояние. Небольшое приращение напряжения на выводе Р-, вызванное подключением аккумулятора к ЗУ, снова активизирует микросхему
Временные диаграммы напряжения на различных выводах микросхемы и тока в цепи аккумулятора G1 показаны на рис. 4 и 5. Первый из них иллюстрирует работу узла защиты аккумулятора от перезарядки и превышения допустимого зарядного тока, а второй - от чрезмерной разрядки и превышения допустимого разрядного тока.
(нажмите для увеличения)
Защита от превышения разрядного тока и замыкания выводов аккумулятора
Этот узел действует, когда открыты оба транзистора - VT1 и VT2. Как только падение напряжения на них превысит любое из пороговых значений U3 или U5, на выводе DO установится низкий уровень, закрывающий транзистор VT1. Задержка его закрывания при превышении тока разрядки равна приблизительно 12 мс, а при замыкании выводов аккумулятора - 0,4 мс. Это намного меньше задержки срабатывания узла защиты от чрезмерной разрядки.
В результате узел токовой защиты срабатывает первым, предотвращая переход микросхемы в пассивный режим, для выхода из которого необходимо подключать аккумулятор к ЗУ. Для возвращения в исходное состояние после устранения замыкания или перегрузки по току разрядки достаточно, чтобы падение напряжения на имеющемся внутри микросхемы резисторе Rs стало меньше порогового. Этот резистор подключен между выводами Gnd (Общ.) и Р- при сработавшем узле токовой защиты и отключен от них во всех других состояниях.
Защита от превышения допустимого зарядного тока
Когда зарядный ток больше допустимого (например, аккумулятор подключен к "чужому" или неисправному ЗУ), отрицательное напряжение на выводе Р- ниже порога U4. Если в течение определенного времени эта ситуация не изменилась, на выводе СО будет установлен низкий уровень, что приведет к закрыванию полевого транзистора VT2 и прекращению зарядки. Для возвращения в исходное состояние необходимо отключить аккумулятор от ЗУ и на некоторое время подключить к нагрузке.
Управление временными задержками
Как отмечалось выше, для изменения состояния микросхемы необходимо действие определенных условий в течение заданных внутренними узлами микросхемы интервалов времени. При необходимости задержку можно отключить, после чего микросхема будет переключаться немедленно после возникновения соответствующего условия (длительность срабатывания узлов и возвращения в рабочий режим не регламентирована). Для этого достаточно вывод DS соединить с выводом Vcell. Нормальное состояние вывода DS - неподключенное. Между ним и выводом Gnd в микросхеме предусмотрен внутренний резистор.
Зарядка сильно разряженного аккумулятора
Если напряжение между выводами Vcell и Gnd микросхемы не менее 1,5 В, на ее выводе СО - высокий уровень, транзистор VT2 открыт. Это позволяет начать зарядку почти полностью разряженного аккумулятора.
Основные технические характеристики
- Напряжение питания, В......1,5...4,5
- Минимальное напряжение на аккумуляторе, при котором можно начать зарядку, В......1,5
- Наибольший ток, потребляемый в активном режиме, мкА, при напряжении питания 3,9 В и нулевом напряжении на выводе Р-......6
- типовое значение......3
- Наибольший ток, потребляемый в пассивном режиме, мкА, при напряжении питания 2 В......0,1
- Наибольшее значение напряжения низкого уровня на выходе СО управления транзистором зарядки, В, при напряжении питания 4,5 В и импульсе выходного тока 50 мкА......0,5
- типовое значение......0,4
- Наименьшее значение напряжения высокого уровня на выходе СО управления транзистором зарядки,В, при напряжении питания 3,9 В и импульсе выходного тока -50 мкА......3,4
- типовое значение......3,7
- Наибольшее значение напряжения низкого уровня на выходе DO управления транзистором разрядки, В, при напряжении питания 2 В и импульсе выходного тока 50 мкА......0,5
- типовое значение......0,2
- Наименьшее значение напряжения высокого уровня на выходе DO управления транзистором разрядки, В, при напряжении питания 3,9 В и импульсе выходного тока -50 мкА......3,4
- типовое значение......3,7
Узел защиты от перезарядки
- Пороговое напряжение срабатывания между выводами Vcell и Gnd, В при сопротивлении резистора R2 (рис. 3) 330 Ом и температуре окружающей среды в пределах -5...+55 °С для NCP802SN1T1, NCP802SAN1T1 .....4,32...4,38
- типовое значение......4,35
- NCP802SAN5T1 . . .4,245...4,305
- типовое значение .....4,275
- Пороговое напряжение срабатывания U,, В, при сопротивлении резистора R2 330 Ом и температуре окружающей среды +25 °С для
- NCP802SN1T1, NCP802SAN1T1 .....4,325...4,375
- типовое значение......4,35
- NCP802SAN5T1......4,25...4,3
- типовое значение .....4,275
- Задержка срабатывания t31, с, при увеличении напряжения питания (на выводе Vcell) от 3,6 до 4,4 В, для NCP802SN1T1, NCP802SAN1T1 ...0,175...0,325
- типовое значение......0,25
- NCP802SAN5T1......0,7...1,3
- типовое значение......1
- Задержка возвращения tB1 в рабочий режим, мс, при напряжении питания 4 В и увеличении падения напряжения на датчике тока R1 от нуля до 1 В......11...21
- типовое значение......16
- Узел защиты от переразрядки
- Пороговое напряжение срабатывания U2 (между выводами Vcell и Gnd), В, для
- NCP802SN1T1, NCP802SAN1T1 .....2,34...2,46
- типовое значение......2,4
- NCP802SAN5T1 .....2,24...2,36
- типовое значение......2,3
- Задержка срабатывания t32, мс, при уменьшении напряжения питания от 3,6 до 2,2 В......14...26
- типовое значение......20
- Задержка возвращения tB2 в рабочий режим, мс, при напряжении питания 3 В и уменьшении падения напряжения на датчике тока от 3 В до нуля .....0,7... 1,7
- типовое значение......1,2
- Узел защиты от превышения тока разрядки
- Пороговое напряжение U3 на датчике тока, В, для
- NCP802SN1T1, NCP802SAN1T1 .....0,18...0,22
- типовое значение......0,2
- NCP802SAN5T1 .....0,08...0,12
- типовое значение......0,1
- Задержка срабатывания t33, мс, при напряжении питания 3 В и увеличении падения напряжения на датчике тока от нуля до 1 В для NCP802SN1T1, NCP802SAN1T1......8...16
- типовое значение......12
- NCP802SAN5T1......4..8
- типовое значение......6
- Задержка возвращения tB3 в рабочий режим, мс, при напряжении питания 3 В и уменьшении падения напряжения на датчике тока от 3 В до нуля .....0,7... 1,7
- типовое значение......1,2
- Узел защиты от превышения тока зарядки
- Пороговое напряжение U4 на датчике тока, В, при уменьшении падения напряжения на нем .....-0,13...-0,07
- типовое значение......-0,1
- Задержка срабатывания t34, мс, при напряжении питания 3 В и уменьшении падения напряжения на датчике тока от нуля до -1 В для NCP802SN1T1, NCP802SAN1T1......11...21
- типовое значение......16
- NCP802SAN5T1......5... 11
- типовое значение......8
- Задержка возвращения tB4 в рабочий режим, мс, при напряжении питания 3 В и увеличении падения напряжения на датчике тока от-1 В до нуля......0,7...1,7
- типовое значение......1,2
Узел защиты от замыкания внешних выводов
- Пороговое напряжение U5 на датчике тока, В, при напряжении питания 3 В . . .Uпит - (1,4...1,8)
- типовое значение .....Uпит - 1,1
- Задержка срабатывания t35, мс, при напряжении питания 3 В и увеличении падения напряжения на датчике тока от нуля до 3 В . .0,25...0,6 типовое значение......0,4
- Сопротивление между выводами Р- и Gnd после срабатывания узла токовой защиты, кОм, при напряжении питания 3,6 В и падении напряжения на датчике тока 1 В......15. ..45
- типовое значение......30
- Узел управления задержками
- Напряжение на входе DS, отключающее задержки, В......Uпит+(-0,5...+0,3)
- Напряжение на неподключенном входе DS, В, при напряжении питания 3,6...4,4 В......1,05...(Uпи -1,1)
- Сопротивление внутреннего резистора между выводами DS и Gnd, МОм......0,5...2,5
- типовое значение......1,3
- Предельно допустимые значения
- Напряжение, В, между выводами Vcell и Gnd (напряжение питания), а также между выводами DS и Gnd, DO и Gnd......-0,3...+12
- Напряжение, В, между выводами Р- и Gnd, а также между СО и Р-......Uпит+(-28...+0,3)
- Наибольшая рассеиваемая мощность, мВт......150
- Рабочий интервал температуры кристалла, °С......-40...+85
- Температура хранения, °С .. .-55...+125
При неподключенном выводе DS, если не указано иного.
Кроме указанных выше, та же фирма выпускает серию микросхем MC33349N, отличающихся от NCP802SN1T1 в основном только значениями трех параметров:
- Пороговое напряжение срабатывания U1, В (типовое значение) при сопротивлении резистора R2 330 Ом и температуре окружающей среды +25 °С, для MC33349N-3R1, MC33349N-4R1......4,25
- MC33349N-7R1......4,35
- Пороговое напряжение срабатывания U2, В (типовое значение)......2,5
- Пороговое напряжение U3 на датчике тока, В (типовое значение), для
- MC33349N-3R1, MC33349N-7R1......0,2
- MC33349N-4R1......0,075
В маркировке на корпусе этих микросхем вместо KN нанесено цифробуквенное обозначение: А1 - для MC33349N-3R1, А2 - MC33349N-4R1 и АО - MC33349N-7R1.
Емкость конденсатора С2 изготовитель не указывает.
Смотрите другие статьи раздела Справочные материалы.
Читайте и пишите полезные комментарии к этой статье.
<< Назад
Последние новости науки и техники, новинки электроники:
Питомцы как стимулятор разума
06.10.2025
Помимо эмоциональной поддержки, домашние питомцы могут оказывать заметное воздействие на когнитивные процессы, особенно у пожилых людей. Новое масштабное исследование показало, что общение с кошками и собаками не просто улучшает настроение - оно действительно способствует замедлению возрастного снижения умственных способностей.
Работа проводилась в рамках проекта Survey of Health, Ageing and Retirement in Europe (SHARE), охватывающего период с 2004 по 2022 год. В исследовании приняли участие тысячи европейцев старше 50 лет. Анализ показал, что владельцы домашних животных демонстрируют более устойчивые когнитивные функции по сравнению с теми, кто не держит питомцев. Особенно выражен эффект оказался у владельцев кошек и собак.
Согласно данным ученых, владельцы собак дольше сохраняют хорошую память, в то время как хозяева кошек медленнее теряют способность к быстрому речевому взаимодействию. Исследователи связывают это с тем, что ежедневное взаимодействие с животными требует внимани ...>>
Мини-ПК ExpertCenter PN54-S1
06.10.2025
Компания ASUSTeK Computer презентовала новый мини-компьютер ASUS ExpertCenter PN54-S1. Устройство ориентировано на пользователей, которым важно сочетание производительности, энергоэффективности и универсальности - от офисных задач до мультимедийных проектов.
В основе ExpertCenter PN54-S1 лежит современная аппаратная платформа AMD Hawk Point, использующая архитектуру Zen 4. Это поколение чипов отличается улучшенным управлением энергопотреблением и повышенной вычислительной мощностью. Новинка доступна в конфигурациях с процессорами Ryzen 7260, Ryzen 5220 и Ryzen 5210, представленных AMD в начале 2025 года. Таким образом, устройство охватывает широкий диапазон задач - от базовых офисных до ресурсоемких вычислений.
Корпус мини-ПК выполнен из прочного алюминия и имеет размеры 130×130×34 мм, что делает его практически незаметным на рабочем столе или за монитором. Несмотря на компактность, внутренняя компоновка позволяет установить два модуля оперативной памяти SO-DIMM ...>>
Глазные капли, возвращающие молодость зрению
05.10.2025
С возрастом человеческий глаз постепенно теряет способность четко видеть на близком расстоянии - развивается пресбиопия, или возрастная дальнозоркость. Этот естественный процесс связан с утратой эластичности хрусталика и ослаблением цилиарной мышцы, отвечающей за фокусировку. Миллионы людей по всему миру сталкиваются с необходимостью носить очки для чтения или прибегают к хирургическим методам коррекции. Однако исследователи из Центра передовых исследований пресбиопии в Буэнос-Айресе представили решение, которое может стать удобной и неинвазивной альтернативой - специальные глазные капли, способные улучшать зрение на длительный срок.
Разработку возглавила Джованна Беноцци, директор Центра. По ее словам, цель исследования состояла в том, чтобы предоставить пациентам с пресбиопией эффективный и безопасный способ коррекции зрения без хирургического вмешательства. Новые капли, созданные на основе пилокарпина и диклофенака, показали убедительные результаты: уже через час после первого пр ...>>
Случайная новость из Архива Вороны разбираются в геометрии
23.04.2025
Ученые все чаще пересматривают свои взгляды на интеллектуальные способности животных. Оказывается, некоторые виды демонстрируют куда более сложное поведение, чем считалось ранее. Одним из поразительных открытий последних месяцев стало доказательство того, что черные вороны способны воспринимать геометрические закономерности. Исследование, проведенное специалистами из Тюбингенского университета в Германии, показало: эти птицы обладают зачатками пространственного мышления, характерного прежде всего для человека.
Опыты, позволившие прийти к таким выводам, проводились с участием обученных черных ворон, которым демонстрировали различные геометрические формы на экране. Исследователи ставили перед птицами задачу распознать фигуру, которая выбивается из общего ряда. Причем отличие могло быть как броским - например, звезда среди квадратов, - так и едва заметным, вроде небольшого наклона одной из фигур. За правильный выбор ворона получала вознаграждение в виде лакомства.
Примечательно, что птицы демонстрировали понимание структуры изображений без предварительного обучения. Это говорит о том, что способность различать симметрию, прямые углы и параллельные линии не является у них результатом дрессировки, а, вероятно, врожденной или естественным образом развившейся в ходе эволюции. Фактически это первый в истории случай, когда такие сложные когнитивные навыки были зафиксированы у животных, не относящихся к человеку.
Авторы исследования утверждают, что подобная способность может быть связана с необходимостью ориентироваться в пространстве, строить гнезда или анализировать поведение других животных. Пространственное мышление и геометрическая интуиция могли дать вороным эволюционные преимущества, делая их более эффективными в выживании и адаптации к среде.
Интересным оказался и тот факт, что вороны без труда справлялись с задачами, требующими абстрактного мышления. Они не просто различали цвета или размеры - они оценивали расположение фигур и искали скрытые закономерности. Это указывает на то, что интеллект птиц может быть недооценен, особенно в сравнении с приматами, которых долгое время считали единственными интеллектуально развитыми животными после человека.
Подобные исследования дают новый импульс в изучении нейробиологии и когнитивных наук. Понимание того, как мозг ворон справляется с задачами, связанными с восприятием формы и структуры, может помочь в разработке новых алгоритмов искусственного интеллекта, а также пролить свет на механизмы формирования логического мышления.
Таким образом, вороны не только поражают своей хитростью и способностью использовать инструменты, но и демонстрируют удивительное понимание геометрических принципов. Это открытие подчеркивает, насколько сложен и многообразен мир животных, и как мало мы до сих пор знаем о когнитивных способностях существ, с которыми делим планету.
|
Другие интересные новости:
▪ Внешний аккумулятор Oppo SuperVOOC с поддержкой быстрой зарядки
▪ STM32G031Y8Y - контроллер на 64 МГц с габаритами SMD-компонента
▪ Динамическая технология сетевой архитектуры
▪ Турбированная видеокарта GeForce RTX 3070 Ti Turbo
▪ Съедобная посуда
Лента новостей науки и техники, новинок электроники
Интересные материалы Бесплатной технической библиотеки:
▪ раздел сайта Опыты по физике. Подборка статей
▪ статья Каратаев, Каратаевщина. Крылатое выражение
▪ статья Сколько попаданий молнии пережил мировой рекордсмен по этому показателю? Подробный ответ
▪ статья Боли в животе у детей. Медицинская помощь
▪ статья Емкостное реле. Энциклопедия радиоэлектроники и электротехники
▪ статья Коммутатор для водяного насоса и клапана. Энциклопедия радиоэлектроники и электротехники
Оставьте свой комментарий к этой статье:
Главная страница | Библиотека | Статьи | Карта сайта | Отзывы о сайте

www.diagram.com.ua 2000-2025
|