Menu Home

Бесплатная техническая библиотека для любителей и профессионалов Бесплатная техническая библиотека


Автомобильный УМЗЧ с блоком питания. Энциклопедия радиоэлектроники и электротехники

Бесплатная техническая библиотека

Энциклопедия радиоэлектроники и электротехники / Усилители мощности автомобильные

 Комментарии к статье

Напряжение бортовой сети ограничивает мощность автомобильного УМЗЧ, и это обстоятельство можно преодолеть применением импульсного преобразователя напряжения питания. В статье описана конструкция мощного двухканального УМЗЧ со встроенным мощным преобразователем на основе микросхемы КР1114ЕУ4.

В настоящее время на рынке автомобильной аудиоаппаратуры представлено много разнообразных моделей автомагнитол. Современные магнитолы обычно имеют четырехканальный усилитель, а выходная мощность, заявленная производителями, исчисляется десятками ватт. Но соответствуют ли надписи на лицевой панели, указывающие выходную мощность, например, 4x40, 4x50 Вт, общепринятому параметру? Чаще указывается ее пиковая выходная мощность (как правило, при питающем напряжении 14,4 В на нагрузке 4 Ом).

На практике номинальная выходная мощность автомагнитолы обычно составляет не более 10... 12 Вт на канал [1].

Для реального повышения мощности используют УМЗЧ в мостовом включении. Для более мощной нагрузки автомагнитолу дополняют усилителем мощности. Исходя из того, что практически все автомобильные акустические системы и большинство АС широкого применения имеют электрическое сопротивление 4 Ом, напряжение бортовой сети автомобиля оказывается недостаточным, поэтому для УМЗЧ необходимо использовать вторичные источники электропитания.

Описываемый здесь автомобильный двухканальный усилитель мощности объединен с импульсным блоком питания Аппаратура отличается простым схемным решением и доступностью изготовления радиолюбителями. Номинальная выходная мощность УМЗЧ с коэффициентом нелинейных искажений 0,5 % в режиме "Стерео" составляет приблизительно 2x70 Вт (2x4 Ом), в режиме "Моно" - около 150 Вт (8 Ом). Он почти не требует налаживания.

Усилитель мощности. Усилитель выполнен на двух микросхемах DA1, DA2. Интегральная микросхема TDA7294 представляет собой усилитель мощности с высокими техническими характеристиками и сравнительно дешева. Оконечный и предоконечный каскады TDA7294 построены на полевых транзисторах, имеют защиту от перегрева и от короткого замыкания на выходе. При достижении температуры кристалла 145°С блок защиты переводит микросхему в режим "MUTE", а при достижении 150°С - в режим "STAND-BY".

Благодаря широкому диапазону питающих напряжений микросхему TDA7294 можно использовать совместно с нагрузкой сопротивлением более 8 Ом без существенной потери выходной мощности. При использовании двух микросхем, включенных по мостовой схеме, верхняя граница сопротивления повышается до 16 Ом. При оптимальном выборе напряжения питания ее максимальная выходная мощность на низкоомной нагрузке (4 Ом и ниже) ограничена лишь предельно допустимым током оконечного каскада, равным 10 А, и достигает 100 Вт. При коэффициенте гармонических искажений 0,5 % микросхема отдает в нагрузку мощность до 70 Вт. Более подробную информацию о микросхеме можно получить из [2] либо на сайте компании ST Microelectronics.

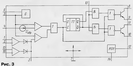
Принципиальная схема УМЗЧ без блока питания показана на рис. 1.

Автомобильный УМЗЧ с блоком питания

В предложенной схеме функции "STAND-BY" и "MUTE" не используются, так как включение усилителя производится в блоке питания. Резисторы R1, R4 задают входное сопротивление УМЗЧ. Пары элементов R1, С1 и R4, С4 образуют на входах обоих каналов ФВЧ, ограничивают полосу пропускания усилителя снизу. Аналогично элементы R2, С2 и R5, С5 в цепи ООС определяют нижнюю границу полосы пропускания. Соотношения сопротивлений R3/R2, R6/R5 задают коэффициент усиления УМЗЧ. При указанных номиналах элементов R2, R3, R5, R6 коэффициент усиления по напряжению составляет 30 дБ.

Переключателем SA1 выбирают режим работы УМЗЧ "Стерео/Моно". В режиме "Стерео" микросхемы DA1 и DA2 работают как два независимых нейнверти рующих усилителя, в режиме "Моно" усилитель DA2 превращается из неинвертирующего усилителя с коэффициентом усиления Kj = R6/R5 + 1 в инвертирующий усилитель с единичным коэффициентом усиления. Положению SA1 на схеме соответствует режим "Стерео". При использовании УМЗЧ в мостовом режиме вывод "+" АС подключают к выходу DA1, а вывод "-" - к выходу DA2.

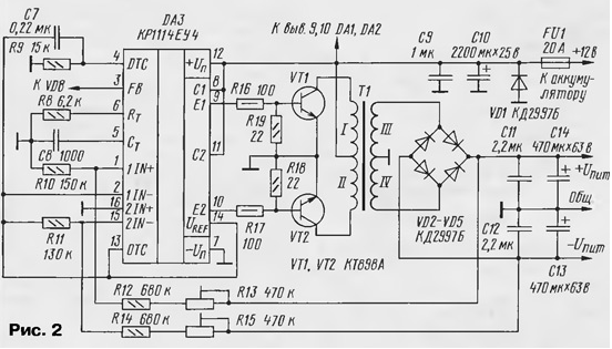
Преобразователь блока питания усилителя (рис. 2) построен в основном на микросхеме КР1114ЕУ4 - импортный аналог TL494CN фирмы Texas Instruments.

Автомобильный УМЗЧ с блоком питания

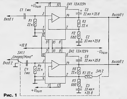
Подробное описание микросхемы можно найти в [3], ее блок-схема показана на рис. 3. Она включает в себя широтно-импульсный модулятор (ШИМ) и цепи управления им. Микросхема предоставляет широкие возможности по управлению длительностью выходных импульсов. Так как микросхемы TDA7294 имеют собственные узлы защиты, отпадает необходимость их использования в самом блоке питания.

Автомобильный УМЗЧ с блоком питания

Микросхема КР1114ЕУ4 может работать как в двухтактных, так и в однотактных преобразователях; режим работы задается по входу ОТС (вывод 13). В этом блоке питания вывод 13 подключен к источнику образцового напряжения +5 В и преобразователь работает в двухтактном режиме. Скважность импульсов может меняться в широких пределах. Выходы микросхемы можно подключить непосредственно через резисторы R16, R17 к базам мощных биполярных транзисторов VT1 и VT2 преобразователя благодаря большому предельному значению выходного тока (до 200 мА).

Поскольку у микросхемы преобразователя имеются выводы коллекторов и эмиттеров выходных транзисторов (выводы 8-11), их возможно включить по схеме с общим эмиттером либо с общим коллектором, в зависимости от структуры транзисторов VT1 и VT2. В описываемом блоке с транзисторами структуры n-p-n применен второй вариант. При использовании в качестве ключей полевых транзисторов (n-канальных ПТ) следует удалить резисторы R18 и R19.

В микросхему КР1114ЕУ4 встроен собственный генератор пилообразных импульсов. Элементы R8, С8 являются времязадающими, и частоту генерации можно определить по формуле f = 1/(R8C8). При работе в двухтактном режиме частота автогенератора микросхемы должна быть вдвое выше частоты на выходе преобразователя. Для указанных на схеме номиналах времязадающей цепи частота генератора - около 160 кГц, а частота импульсов на выходе - примерно 80 кГц.

Стабильность работы преобразователя в широком диапазоне напряжения питания обеспечивает встроенный источник образцового напряжения (вывод 14) +5 В. Цепь R9C7 обеспечивает после включения питания плавное увеличение ширины выходных импульсов блока и мощности в нагрузке. Диод VD1 предотвращает выход из строя блока при обратной полярности напряжения питания; в этом случае перегорит лишь предохранитель FU1.

Блок питания имеет стабилизацию напряжения на нагрузке благодаря обратной связи. Она осуществляется через резисторы R10 - R15 с каждого плеча выпрямителя. Эти резисторы образуют два делителя напряжения, через которые часть напряжения с выхода блока питания поступает на усилители ошибки (выводы 1, 15). В качестве эталона напряжения, с которым сравниваются выходные напряжения блока питания, используется источник образцового напряжения (ИОН). Выходы усилителей ошибки внутри DA1 соединены вместе через диоды. Вывод 3 предназначен для местной обратной связи, ограничивающей коэффициент усиления усилителей. В этом блоке вывод 3 использован для запуска преобразователя, а усилители работают как компараторы. С импульсного трансформатора Т1 напряжение выпрямляется диодами VD2-VD5 и сглаживается конденсаторами С11- С14.

Для уменьшения мощности рассеивания на микросхемах УМЗЧ DA1 и DA2 и увеличения максимальной выходной мощности усилителя нужно правильно выбрать выходное напряжение преобразователя, исходя из сопротивления нагрузки. Данный УМЗЧ рассчитан на работу совместно с нагрузкой 4 Ом в режиме "Стерео" и с нагрузкой 8 Ом в мостовом режиме. Рекомендуемое фирмой-изготовителем значение напряжения питания DA1, DA2 при заданном сопротивлении нагрузки составляет ±25. ..27 В, на это напряжение и рассчитан импульсный преобразователь.

В показанной на рис. 2 схеме блока питания для его включения нужен достаточно мощный переключатель. Зачастую такой способ включения оказывается неудобным или же неприемлемым.

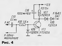
На рис. 4 показана схема устройства автоматического управления запуском преобразователя. Она обеспечивает включение УМЗЧ при подаче на резистор R20 постоянного напряжения более 1 В или при подаче на конденсатор С15 звукового сигнала с действующим значением напряжения не менее 0,6 В.

Автомобильный УМЗЧ с блоком питания

Первый вариант можно использовать, если автомагнитола имеет выход для управления внешними устройствами, например, электрической выдвижной антенной. Пригоден и другой вариант, если в автомобиле установлен сабвуфер. Тогда конденсатор С15 подключают к одному из выходов УМЗЧ автомагнитолы, и теперь усилитель будет автоматически включаться при выходной мощности автомагнитолы более 0,15...0,2 Вт и отключаться при меньшей. Недопустимо подключать к магнитоле одновременно два входа, так как это может вывести ее из строя. Конденсатор С16 одновременно сглаживает пульсации переменного напряжения и задерживает отключение усилителя после исчезновения сигнала на входе (с задержкой около 30 с). Диоды VD7, VD8 предотвращают влияние цепи включения на работу ШИ-модулятора. Также они устанавливают порог напряжения на коллекторе VT3, при превышении которого длительность импульсов на выходе DA3 начнет плавно сокращаться и при достижении 4...4,5 В блок питания отключится.

Если этот усилитель использовать только для сабвуфера, понадобится узел, схема которого приведена на рис. 5. Это ФНЧ второго порядка с частотой среза 80 Гц; его включают перед входом УМЗЧ. На схеме в скобках указаны выводы ОУ второго канала. В цепи питания установлены интегральные стабилизаторы напряжения DA2, DA3. Если усилитель планируется использовать только в мостовом режиме, вместо сдвоенных ОУ можно применить одиночный.

Автомобильный УМЗЧ с блоком питания

Детали и конструкция. Все детали усилителя и блока питания, кроме переключателя SA1 усилителя, предохранителя FU1 и входных и выходных разъемов (на схеме не показаны), смонтированы на печатной плате из фольгированного с одной стороны стеклотекстолита толщиной 2 мм. Чертеж платы и расположение на ней элементов показаны на рис. 6.

Автомобильный УМЗЧ с блоком питания

В качестве VD1 можно использовать диоды серий КД2997, КД2999 с любым буквенным индексом. Диоды КД2997Б (VD2 - VD5) возможно заменить на КД2997А, КД2999А, КД2999Б. Вместо транзисторов КТ898А (VT1, VT2) допустимо применить другие: КТ890 с любым буквенным индексом, КТ896А, КТ896Б, КТ898Б, КП958А - КП958В, КП954А - КП954В. Можно применить импортные полевые транзисторы IRFZ48, IRFZ44, IRF540, IRF640, IRF530, BUZ11 A, BUZ22 или их аналоги, удалив резисторы R18, R19.

Мощные транзисторы БП VT1, VT2 и микросхемы усилителя DA1, DA2 устанавливают на отдельные теплоотводы. Микросхемы допустимо установить на один теплоотвод без изоляции, но при этом изолировать его от корпуса усилителя, так как металлическая подложка микросхем имеет напряжение -Uпит относительно общего провода. Транзисторы устанавливать на один теплоотвод без изоляции недопустимо. В качестве изолирующего материала можно использовать слюду. При монтаже силовых элементов на теплоотводах желательно использовать теплопроводящую пасту КПТ-8, что позволит значительно облегчить тепловой режим работы данных элементов. Диоды VD1 - VD5 устанавливают перпендикулярно плате.

Магнитопровод импульсного трансформатора Т1 составлен из трех склеенных вместе колец типоразмера К40х25х11 из феррита М2000НМ1. Обмотки I, II намотаны по 4 витка жгутом из пяти проводов ПЭВ-2 1,2 мм. Обмотки III, IV намотаны по 10 витков жгутом из четырех проводов ПЭВ-2 0,8 мм. Обмотки I, II и III, IV должны быть симметричными. Перед намоткой острые края склеенного кольца необходимо закруглить надфилем. Между обмотками прокладывают изоляцию из фторопластовой ленты в три-четыре слоя. Трансформатор устанавливают в центре печатной платы с помощью прижимающей сверху прямоугольной или круглой пластины с отверстием в центре и винта М5 или Мб с гайкой.

В схеме управления запуском преобразователя в качестве VD1 - VD3 пригодны любые маломощные кремниевые диоды, КТ3102А (VT1) заменяется тран зистором с любым буквенным индексом из этой серии или КТ315. В ФНЧ (см. рис. 5) допустимо установить ОУ КР574УД2, КР140УД20, КР544УД4. Вместо стабилизаторов DA2, DA3 можно применить любые интегральные стабилизаторы положительного и отрицательного напряжения на 15 В.

Надо постараться подключить провода питания усилителя как можно ближе к аккумулятору автомобиля (на щиток предохранителей), чтобы исключить влияние других потребителей тока. Поскольку пиковый ток, потребляемый усилителем, может достигать 15 А, в цепи питания следует использовать провода большого сечения (3...5 мм2). При наличии устройства, критичного к ВЧ пульсациям напряжения в бортовой сети, нужно увеличить емкость С9, а если это не принесет желаемого эффекта, то включить в цепь питания преобразователя высокочастотный фильтр.

Налаживание. При исправных элементах усилитель начинает работать сразу. В настройке нуждается только блок питания. Поэтому монтаж и настройку целесообразно проводить в два этапа следующим образом.

На печатной плате устанавливают только элементы блока питания (детали усилителя не впаивают). Далее выпаивают резистор R14 и между общим проводом и положительным выходом блока питания подключают эквивалент нагрузки - проволочный резистор сопротивлением 6...7 Ом мощностью не менее 100 Вт. После включения питания замеряют напряжение на этом резисторе, оно должно находиться в пределах 26...28 В.

Далее сопротивление нагрузки увеличивают до 50 Ом. Вращением движка подстроенного резистора R13 добиваются такого же выходного напряжения блока питания, как и при 100-ваттной нагрузке. Затем R14 впаивают, а R12 выпаивают. Настройка второй цепи стабилизации аналогична. По окончании настройки впаивают резистор R12.

Затем монтируют детали УМ34 и проверяют работоспособность устройства в сборе на эквиваленты нагрузки от генератора звуковой частоты.

Устройство автоматического включения усилителя (см. рис. 4) в настройке не нуждается, но если преобразователь запускается и при отсутствии входных сигналов, то уменьшают сопротивление R21 до значения, при котором напряжение на коллекторе VT1 находится в интервале 6...6,5 В.

Автор: А.Колганов, г.Калуга

Смотрите другие статьи раздела Усилители мощности автомобильные.

Читайте и пишите полезные комментарии к этой статье.

<< Назад

Последние новости науки и техники, новинки электроники:

Власть является ключевым фактором счастья в отношениях 11.03.2026

Исследования семейных и романтических отношений показывают, что длительное счастье пары зависит не только от привычных факторов, таких как доверие, уважение и преданность, но и от более тонких психологических аспектов. Современные ученые ищут закономерности, которые отличают действительно счастливые пары от остальных, чтобы понять, какие механизмы поддерживают гармонию в отношениях. Группа исследователей из Университета Мартина Лютера в Галле-Виттенберге и Бамбергского университета провела опрос среди 181 пары, которые состояли в совместных отношениях более восьми лет и прожили вместе хотя бы месяц. Участники заполняли анкету, описывая различные аспекты своих отношений, включая распределение обязанностей, эмоциональную поддержку и степень вовлеченности в совместные решения. Анализ данных показал интересный паттерн: пары, где оба партнера ощущали высокий уровень личной власти, оказывались наиболее счастливыми и удовлетворенными. В данном контексте под властью понимается способност ...>>

Защищенная колонка-повербанк Anker Soundcore Boom Go 3i 11.03.2026

Компания Anker представила новую модель линейки Soundcore - колонку Soundcore Boom Go 3i, ориентированную на активное использование на улице. Новинка отличается высокой степенью защиты: корпус соответствует стандарту IP68, что обеспечивает водо- и пыленепроницаемость, а ударопрочный дизайн выдерживает падение с высоты до одного метра. За качество звука отвечает 15-ваттный драйвер, обеспечивающий пик громкости до 92 дБ, а технология BassUp 2.0 усиливает низкие частоты, делая звучание более насыщенным. Колонка обладает автономностью до 24 часов, а LED-индикатор позволяет контролировать уровень заряда батареи. Кроме того, Soundcore Boom Go 3i может выполнять функцию павербанка: согласно внутренним тестам, устройство способно зарядить iPhone 17 с нуля до 40% за один час, что делает его полезным аксессуаром в походах и поездках. Среди функциональных особенностей модели стоит выделить технологию Auracast, которая улучшает подключение и позволяет создавать стереопару из двух колонок ...>>

Раннее воздержание от алкоголя перестраивает мозг и иммунитет 10.03.2026

Алкогольная зависимость - хроническое расстройство с компульсивным употреблением спиртного, которое влияет не только на поведение, но и на функционирование мозга и иммунной системы. Недавние исследования показали, что даже на ранних этапах воздержания организм начинает перестраиваться, открывая новые возможности для терапии зависимости. Ученые сосредоточились на пациентах, находящихся в первые недели абстиненции, и зафиксировали значительные изменения в мозговой активности. С помощью функциональной магнитно-резонансной томографии они выявили перестройку сетей нейронных связей, отвечающих за контроль импульсов и принятие решений. Эти изменения могут быть ключевыми для восстановления самоконтроля и снижения риска рецидива. Одновременно с нейронной перестройкой исследователи наблюдали колебания иммунной системы. В крови повышался уровень цитокинов - сигнальных белков, регулирующих воспалительные процессы. Эти данные свидетельствуют о существовании нейроиммунного взаимодействия, при ...>>

Случайная новость из Архива

Возобновляемые источники энергии станут популярнее природного газа 08.07.2013

По сообщению Международного энергетического агентства МЭА (IEA), уже в 2018 году солнечная и ветровая энергия составит четверть от всех используемых источников энергии в мире. В 2016 году все возобновляемые источники энергии в совокупности обгонят природный газ по объему использования, вдвое превысят объемы использования атомной энергии и займут второе место после угля в качестве источника энергии. Таким образом, доводы о "несерьезности" альтернативной энергетики кажутся мягко говоря необдуманными.

Специалисты полны оптимизма относительно использования возобновляемых источников энергии, и считают, что их широкое применение - важный шаг в снижении загрязнения окружающей среды. Солнечная, ветровая, геотермальная, гидроэнергетика, биоэнергия показали свою конкурентоспособность в сравнении с ископаемыми видами топлива. Потому не удивительно, что частота использования возобновляемых источников возрастает. Пионерами в этой области являются Китай, а также другие развивающиеся страны и страны с переходной экономикой.

Если не брать в расчет гидроэнергетику, то только использование ветровой и солнечной энергии вырастет с 4% в 2011 до 8% в 2018 году. Это хорошая новость для глобальной экономики и мировой энергетической системы, которая должна стать более чистой. Использование нынешних ископаемых источников энергии губительно для окружающей среды, а согласно недавнему докладу Международного энергетического агентства, ископаемое топливо гораздо больше угрожает климату, чем считалось ранее. Потому специалисты призывают к срочному принятию мер, в том числе сокращению количества угольных электростанций и постепенному отказу от других ископаемых источников энергии.

Тем не менее, Международное энергетическое агентство предупреждает, что использование альтернативных источников энергии связано с рядом серьезных проблем. Так, в некоторых странах государственная политика не предполагает инвестиций в возобновляемую энергетику, а субсидии снижаются из-за экономических проблем. Кроме того, разработка месторождений сланцевого газа - перспективное направление в энергетике - снижает интерес к возобновляемым источникам.

В докладе Агентства говорится о том, что нередко грамотное использование возобновляемых источников энергии может быть конкурентоспособным, как например, береговые ветра в Бразилии или в Австралии, где ветровая энергия конкурирует с углем и природным газом. Япония также намерена стимулировать использование в стране солнечной энергии.

Но больше всего возобновляемой энергии используется в Китае, где такой вид топлива займет около 40% от общей мощности в 2012-2018 годах. Уже сейчас правительство Китая инвестирует в гидроэнергетику, солнечную и ветровую энергию. Так же в докладе отмечается, что в ближайшее время уголь все еще будет занимать 65% от общего объема генерирующих мощностей в 2015 году.

Другие интересные новости:

▪ Спортивная одежда по технологии NASA

▪ Лесных пожаров стало меньше

▪ Емкость оптических дисков кардинально возрастет

▪ Купе-кроссовер Lynk&Co 05+

▪ Заработала крупнейшая в Европе солнечная станция

Лента новостей науки и техники, новинок электроники

 

Интересные материалы Бесплатной технической библиотеки:

▪ раздел сайта Афоризмы знаменитых людей. Подборка статей

▪ статья Всё расхищено, предано, продано. Крылатое выражение

▪ статья Что такое теория относительности Эйнштейна? Подробный ответ

▪ статья Аттестация, сертификация, экспертиза по охране труда. Справочник

▪ статья Электронный тахометр для автомобиля. Энциклопедия радиоэлектроники и электротехники

▪ статья Появится, исчезнет. Секрет фокуса

Оставьте свой комментарий к этой статье:

Имя:


E-mail (не обязательно):


Комментарий:




Комментарии к статье:

Юрий
Подскажите, пожалуйста, какой формы (в смысле осциллограммы) должно быть напряжение на вторичной обмотке трансформатора Т1, до диодного моста в схеме приведённой на рис.2? С уважением, Юрий.

Александр
руки отбить разработчику этой схемы трансформатора [down]


Главная страница | Библиотека | Статьи | Карта сайта | Отзывы о сайте

www.diagram.com.ua

www.diagram.com.ua
2000-2026