Menu Home

Бесплатная техническая библиотека для любителей и профессионалов Бесплатная техническая библиотека


Многоканальное усиление в УМЗЧ с крайне глубокой ООС. Энциклопедия радиоэлектроники и электротехники

Бесплатная техническая библиотека

Энциклопедия радиоэлектроники и электротехники / Усилители мощности транзисторные

 Комментарии к статье

Автором предложена оригинальная многоканальная структура транзисторного УМЗЧ. В этом усилителе достигаются очень малые искажения благодаря многопетлевой ООС. Широкополосная (до 100 МГц) ООС достигнута в основном канале пониженной мощности с очень малым временем задержки. Фактически автором разработан прецизионный быстродействующий усилитель.

Далеко не в последнюю очередь основанием для написания статьи стали не прекращающиеся до сих пор споры среди аудиофилов о вреде ООС и ограничении ее применения. К сожалению, поверхностных впечатлений для обвинений ООС в некорректности более чем достаточно. Разумеется, критика в отношении глубокой ООС в целом несерьезна; причину негативного результата следует искать в схемных решениях усилителей. В приемно-усилительных устройствах профессионального и военного назначения на частотах до 1 ГГц [1] рекомендуется использовать каскады именно с ООС, как обеспечивающие максимальный динамический диапазон и линейность. Аналогичные рекомендации реализованы и в любительской радиоаппаратуре [2].

Фундаментальным критерием линейности "идеального" усилителя служит масштабная идентичность мгновенных значений входного и выходного сигналов. Именно ООС стабилизирует коэффициент передачи усилителя по параметрам, обусловленным структурой и видом обратной связи. Качество стабилизации определяется запасом усиления внутри петли ООС [3]. Запас усиления - свыше 120 дБ в полосе 20 кГц, - соизмеримый с динамическим диапазоном устройства, позволяет формировать выходной сигнал с ошибкой менее 0,0001 %. Таким образом, использование крайне глубокой ООС следует считать обязательным для обеспечения высококачественного усиления широкополосных сигналов и линейности транзисторных усилителей. К сожалению, несмотря на общеизвестность слагаемых этих понятий, их зачастую трактуют довольно странным образом либо вообще игнорируют, поэтому требуются определенные комментарии.

Критерии и принципы ООС

Многие разработчики УМЗЧ обращают внимание на то, что усилитель еще до охвата ООС должен обладать высокой линейностью. Однако наиболее важно, чтобы УМЗЧ обладал высокой линейностью и в области частот, период которых близок к времени прохождения сигнала через охватываемые ООС каскады усиления. Так как на этих частотах обратная связь уже не работает, нелинейности и шум провоцируют возникновение комбинационных составляющих в процессе паразитной модуляции в каскадах УМЗЧ. В области частот, где ООС еще действует, возможны неприятные эффекты, когда эффективность обратной связи при определенных условиях сильно понижена [4]. Получается, что сигнал на выходе усилителя очень напоминает входной, но тем не менее содержит сложный клубок паразитных компонент. В результате подобного усиления появляются фазовые мультипликативные искажения, аналогичные "джиггеру" в цифровых каналах передачи.

Основой высокой линейности следует считать работу электронных приборов в малосигнальном [5], близком к статическому режиме, так как изменения их электрических параметров под действием сигнала или дестабилизирующего фактора и есть первопричина искажений. Большой уровень сигнала приводит к изменениям усилительных и частотно-временных параметров каскадов.

Время прохождения сигналом каскадов усилителя зависит от многих факторов, что приводит к возникновению "джиттероподобных" явлений вне зависимости от наличия ООС. При этом для ООС является принципиально важным крайне малое время задержки сигнала обратной связи, фактически близкое к времени прохождения сигнала по каскадам усилителя, ибо на это время сигнал ООС и задерживается относительно входного сигнала. Чем больше уровень этого сигнала (т. е. чем больше усиление) и время задержки сигнала, тем больше паразитная модуляция и искажения.

Соответственно более жесткие требования предъявляются к перегрузочной способности каскадов. Перегрузка каскадов блокирует стабилизирующие функции ООС. Вероятность перегрузки фактически связана с временем реакции* по петле ООС (временем между приходом сигнала на вход усилителя и его откликом вернувшимся по цепи ООС). Большинство изъянов УМЗЧ с глубокой ООС связано именно с форсированием усиления на частотах, период которых близок к времени прохождения сигнала через охватываемые ООС каскады усиления. Ухудшение качества усилителя прогрессирует с увеличением времени задержки в петле ООС, усугубляясь при росте числа каскадов. Другими словами, число последовательных каскадов усиления при большой глубине общей ООС весьма ограничено.

Надо отметить, что применение транзисторных каскадов с общим эмиттером (в том числе дифференциальные каскады и генераторы тока) весьма негативно влияет как на модуляционные, так и на перегрузочные характеристики усилителя. Подобного рода каскады фактически представляют собой смеситель, где критерием линейности служит его динамический диапазон. В области допустимых для транзисторов режимов верхняя граница динамического диапазона пропорциональна току через смеситель [2].

Другими словами, каскады должны иметь большой динамический диапазон и соответствующие ему режимы токов и напряжений для транзисторов, а их изменения при наличии сигнала - минимальные. Сам сигнал должен быть достаточно "медленным" в сравнении с быстродействием усилительных элементов, тогда меньше изменения сигнала за время реакции в петле ООС и меньше искажения. Граничная частота Fгр усилительных приборов должна быть как можно больше частоты единичного усиления F1 усилителя.

Таким образом, крайне ограниченное число каскадов и предельно малое время реакции петли ООС - принципиальные условия достижения линейности в широкой полосе и большого динамического диапазона усилителя. Причем каскады должны работать в классе А, и так, чтобы за пределами рабочей полосы их коэффициент передачи был существенно меньше единицы. Другими словами, при отсутствии "горбов" на АЧХ частота замыкания Fзам петли ООС (Fзам - величина, обратная времени реакции петли ООС) должна быть много больше частоты единичного усиления (Fзам >> F1), а сигнал на частотах, близких к Fзам, должен быть сильно ослаблен.

Вместе с тем при крайне глубокой ООС одновременно должен обеспечиваться низкий уровень проникания выходного сигнала на вход УМЗЧ на частоте замыкания петли ООС. Последний фактор очень важен, так как именно в УМЗЧ уровень сигнала на выходе (по напряжению) большой, а эффективность интермодуляции имеет зависимость, близкую к кубу входного сигнала [2].

В свою очередь, цепь общей ООС не должна иметь каких-либо дополнительных (и паразитных) связей с промежуточными каскадами УМЗЧ либо с местными цепями ООС. Смысл простой: нужно исключить проникание предыскаженного сигнала внутрь петли общей ООС. Коэффициент усиления с включенной ООС должен быть минимальным. Иначе говоря, чем меньше коэффициент усиления, тем соответственно пропорционально больше отношение сигнал/шум+помеха и пропорционально меньше частота единичного усиления УМЗЧ при фиксированной частоте среза петлевого усиления. Заметим, что увеличение уровня входного сигнала и применение сверхмалошумящих входных усилителей может привести к ухудшению входных перегрузочных характеристик УМЗЧ.

Цепи сигнального тракта, а также входные и ООС (особенно на ВЧ) должны быть относительно низкоомными (десятки-сотни ом). И здесь следует обратить внимание на то, что снижение сопротивления цепи, управляющей транзистором, включенным по схеме с общим эмиттером (ОЭ), резко ухудшает его перегрузочные характеристики.

Резисторы в базовых и эмиттерных цепях транзисторов усилительных каскадов значительно улучшают их линейность и перегрузочные характеристики. Увеличение входного сопротивления уменьшает входной ток и тем самым просто и эффективно снижает усиление на частотах, близких к Fзам. При этом весьма желательно включать эти резисторы (снижать усиление) в каждом каскаде усиления [4, 6], но наибольшая эффективность достигается при их включении именно на входе усилителя [7]. Аналогичные функции эти резисторы выполняют и в радиочастотных устройствах [2](усилители, смесители и пр.), уменьшая усиление каскадов на граничной частоте (Fгр = Fзам) примененных транзисторов и снижая их склонность к самовозбуждению. Однако здесь следует заметить, что при большом изменении тока базы резистор в цепи базы может создать весьма большой уровень искажений. Как следствие, применять резисторы в базовых цепях следует только при работе транзистора в структурах с очень глубокой ООС.

Поиск компромисса среди столь взаимоисключающих требований, перечисленных выше, зачастую занятие неблагодарное. Абсолютное выполнение и совмещение их в одном усилителе просто нереально.

Реализовать крайне глубокую ООС, а также указанные требования в полной мере возможно лишь при многоканальном усилении, т. е. на основе Многоканальных Усилительных Структур (МКУС).

Критерии и принципы МКУС

Применение МКУС позволяет радикально уменьшить время задержки сигнала в усилителе, т. е. обеспечить крайне малое время реакции петли ООС. Как следствие, появляется возможность резко увеличить частоту замыкания петли ООС (Fзам), обеспечить очень большой запас усиления - и все это при близком к предельному уровню шума. В этом варианте усилителя возможно объединить достоинства различных подходов в схемотехнике, использующих существенно различные узлы с разной спецификой и зачастую с уникальными характеристиками. В таких структурах возможно применение разных классов усиления (А, В, С и даже D), схем включения и типов электронных приборов.

Варианты подключения дополнительных каналов усиления в этом случае основаны на критерии подавления сигнала главного канала (как на его входе, выходе, так и внутри) посредством его дополнительного усиления и передачи в выходную цепь. В общем случае процесс передачи этого сигнала может осуществляться другими усилителями. Таким образом, можно создать очень большой запас усиления внутри петли ООС и тем самым обеспечить крайне малую ошибку в петле ООС. Ибо следствием идеального усиления в усилителе с общей ООС является... отсутствие сигнала на выходе сумматора прямого и возвратного (по цепи ОС) сигналов. Здесь понятие главный (основной) усилитель (канал) выражает его приоритет в замыкании петли ООС при решающем влиянии на формирование неискаженного выходного сигнала.

Основным параметром главного канала усиления следует считать его время задержки, которое должно быть крайне малым. Специфическими параметрами дополнительных каналов усиления могут быть уровень собственных шумов, выходная мощность и пр.

Следует заметить, что принципы многоканальной (параллельной) обработки сигналов известны относительно давно [9], но, к сожалению, кроме прецизионной измерительной аппаратуры используются редко и скромно. Особенно в реализации большого запаса усиления внутри петли ООС. Вместе с тем под понятие МКУС подпадает ряд схем как УМЗЧ [5, 10]**, так и широкополосных ОУ.

Таким образом, разные подходы в схемотехнике УМЗЧ [3-8] целесообразно дополнить логикой параллельной работы усилителей, т. е. МКУС. Следует отметить, что число вариантов построения усилителей на основе МКУС достаточно велико, но применительно к УМЗЧ есть смысл использовать структуры, которые вследствие очень большого запаса усиления заставили бы безукоризненно выполнять свои функции даже мощный и нередко низкочастотный выходной каскад.

Многоканальное усиление в УМЗЧ с крайне глубокой ООС

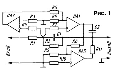
В качестве примера МКУС рассмотрим схему (рис. 1) трехканального инвертирующего усилителя, предназначенного для работы на маломощную нагрузку. Здесь ОУ DA1 (соответственно скорректированный) - основной канал усилителя, задающий частоту замыкания петли ООС (Fзам), а усилители DA2 и DA3 образуют дополнительные каналы, действующие по критерию подавления сигнала соответственно на входе и выходе DA1.

Итак, сигнал, пришедший через резисторы R1, R7 на вход ОУ DA1, усиливается и через конденсатор С2 поступает на выход усилителя. Элементы С1, R2 и R1 образуют петлю ООС. Дополнительно сигнал усиливается по каналу DA2, а также DA3, с которого проходит на общий выход через резистор R11. Таким образом, в отношении низкочастотных сигналов усиление внутри петли ООС существенно возрастает. Делители сигнала R5R6 и R8R9 обеспечивают приоритет основного канала (DA1), снижая усиление DA2 и DA3 до уровня, при котором дополнительный фазовый сдвиг, вносимый этими ОУ, без проблем компенсируется основным каналом.

Здесь следует руководствоваться правилом: уменьшать (делить) сигнал следует именно на входе дополнительных каналов усиления, что существенно улучшает их перегрузочные характеристики. Исключение могут составлять лишь усилители, подключенные к входу (DA2), в силу ухудшения отношения сигнал/шум. Резисторы R4 и R7 улучшают входные перегрузочные характеристики. Аналогичные функции, хотя и косвенно, выполняют элементы R3 и R10; они существенно уменьшают усиление входных каскадов ОУ, особенно вблизи Fзам. Здесь надо подчеркнуть, что такие резисторы устраняют эту проблему, так как частотная коррекция ОУ по стандартной методике, как правило, не защищает входные каскады ОУ от перегрузки ВЧ сигналом. При отсутствии этих резисторов высокочастотные продукты искажений через конденсатор С1 поступают непосредственно на входы ОУ и перегружают их (форсируется усиление на частотах, близких к Fзам). В свою очередь, глубокая ООС по ВЧ (через конденсатор С1) создает на частоте F1 ОУ DA1 большой спад АЧХ усилителя. Таким образом, обеспечиваются высокие перегрузочные характеристики как по выходу DA1, так и по входу DA3, и как следствие - всего усилителя в целом.

На звуковых частотах сигнал последовательно усиливают три ОУ - DA2, DA1, DA3 (они также могут быть выполнены по технологии МКУС). Применение ОУ упрощает реализацию конструкции, хотя не возбраняется применение как высокочастотных, так и СВЧ транзисторов.

Переходя к варианту УМЗЧ, весьма заманчиво использовать мощный усилитель (далее УНЧ) в качестве DA3, при высоком выходном сопротивлении которого резистор R11 можно было бы исключить. Возможно и другое решение: вместо элементов С2 и R11 использовать более эффективное устройство согласования (многоканальное), тогда УНЧ можно выполнить в виде отдельного блока! Это дает возможность снизить уровень наводок и помех на 20...40 дБ.

Что касается прочих узлов усилителя, то здесь технологически целесообразно применение предельно широкополосных (радиочастотных) ОУ, допускающих работу со стопроцентной ООС. Другими словами, крайне малое время прохождения сигнала и соответственно минимальный фазовый сдвиг на частоте единичного усиления - решающие параметры при выборе ОУ. Весь спектр аргументов достаточно сложен, и поэтому выбор пал на относительно средний широкополосный ОУ. Разумеется, использование ультрасовременной элементной базы с "заоблачными" характеристиками достаточно эффектно, но при высокой цене нецелесообразно.

Между тем высокая эффективность МКУС со сложением сигналов на выходе усилителя (с высококачественным согласующим устройством) позволяет применить в выходном каскаде низкочастотного канала транзисторы со скромными параметрами. Вследствие относительно низкой граничной частоты Fгр мощных биполярных приборов нужно заострить внимание на существенном требовании, о котором шла речь выше: работа транзисторов вблизи частоты не допускается и, как следствие этого, усиление УМЗЧ (с включенной ООС) на этой частоте должно быть незначительным (F1< Fгр). Увеличение частоты среза петли ООС до соотношения F1> Fгр приводит к тому, что входной усилитель (как правило, очень широкополосный) вызывает перегрузку последующих низкочастотных каскадов УМЗЧ.

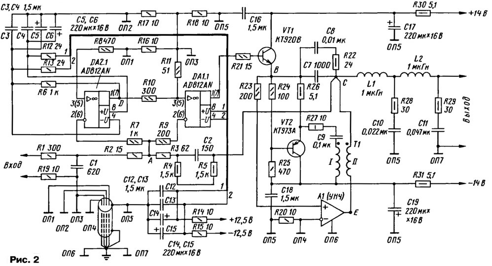
На основе изложенных здесь принципов, объединенных технологией МКУС, автором разработана схема относительно простого трехканального УМЗЧ, представленная на рис. 2. Его номинальная мощность Pвых 75 Вт при работе на нагрузку Rн = 4 Ом.

Многоканальное усиление в УМЗЧ с крайне глубокой ООС
(нажмите для увеличения)

В главном канале усиления (DA1, VT1) применен радиочастотный ОУ AD812. Его частота единичного усиления F1 = 100 МГц, ЭДС собственных шумов Еш = 4 нВ/Гц, а коэффициент усиления - около 40 дБ на частоте 3 МГц, соответствующей частоте Frp мощных транзисторов УНЧ (А1 на рис. 2), что позволяет эффективно подавлять искажения выходного каскада УНЧ. Именно главный канал определяет частоту замыкания петли ООС (Fзам и устойчивость УМЗЧ на частотах выше Fгр. Весьма малое и стабильное время реакции петли ООС обеспечивается быстродействием главного канала и работой повторителя на VT1 в режиме класса А, что исключает джиттеро-подобные явления (фазовую модуляцию).

В данной схеме главный канал работает в полосе от звуковых частот до частоты Fзам. Специфика и приоритет главного канала состоят в его работе на частотах, близких к Fзам, и замыкании петли ООС. Рассмотрим работу УМЗЧ в полосе частот от F1 = Frp = 3 МГц до Fзам = 250 МГц, используя для анализа импульсный сигнал с крутыми фронтами. Входной сигнал через резисторы R1, R2 приходит на сигнальный вход УМЗЧ (точка А), далее через резистор R9 - на вход ОУ DAI, VT1, эмиттер которого и есть выход главного канала (точка В). С выхода главного канала через элементы С7, С8 и R22 согласующего устройства сигнал проходит на выход УМЗЧ (точка С), где этот сигнал доминирует над сигналом, пришедшим с УНЧ, и далее через цепь С2, R3 замыкает цепь ООС на сигнальный вход УМЗЧ в точку А. Низкоомная цепь ВЧ ООС (элементы C1, С2, R2, R3) обеспечивает качественное деление сигнала на этих частотах, при этом индуктивности L1 и Т1 отделяют паразитные (монтажные) емкости.

Сигнал, действующий в точке А, дополнительно усиливается вторым (DA2) каналом усиления. Этот дополнительный канал усиления включен по критерию подавления сигнала основного канала (DA1) на его входе. Для сигнала канал на DA2 является предварительным усилителем, он "выключается" лишь на самых высоких частотах (выше 10 МГц), где возникает недопустимый по условиям устойчивости набег по фазе. Усиленный ОУ DA2 сигнал через устройство обеспечения приоритета DA1 (делитель сигнала R10R11) поступает на неинвертирующий вход DA1. На звуковых частотах на выходе DA2 действует очень низкий уровень сигнала, т. е. он работает практически в статическом режиме.

Таким образом, последовательно усиленный двумя ОУ (DA2, DA1) сигнал также приходит на выход главного канала усиления (точка В). Там сигнал ответвляется через резистор R23 на третий канал усиления - А1 (УНЧ), с выхода которого сигнал звуковой и "нулевой" частоты через устройство согласования (вторичную обмотку трансформатора Т1) приходит на выход УМЗЧ (точка С). На частотах, где быстродействие УНЧ ограничено, выходной каскад на VT2 с трансформатором Т1 работает по критерию подавления амплитудной и фазовой ошибки на выходе УНЧ.

Применение индуктивности в виде Т1 диктуется необходимостью выполнения двух противоречивых условий: весьма низким сопротивлением устройства согласования на звуковых частотах и высоким на частотах, близких к Fгр, мощных транзисторов. Здесь следует подчеркнуть, что вопрос корректного согласования низкоомных ВЧ и НЧ структур очень важен вследствие возникновения различных паразитных резонансов. В данном случае резонанс возникает в контуре, состоящем из конденсатора С7 и индуктивности вторичной обмотки Т1, и тесно увязан с усилением и фазой на выходе УНЧ. Цепь С8, R22 снижает частоту и добротность этого контура. Колебательный контур из элементов С9, R27 и индуктивности первичной обмотки трансформатора Т1 снижают их еще ниже, так как настроены на еще более низкую частоту.

Трансформатор следует рассматривать как фильтр (ФНЧ) и как элемент сумматора сигналов на выходе УМЗЧ, который подавляет остатки паразитных резонансных проявлений и фазовую погрешность, используя усилительные ресурсы главного канала на DA1. Первичная обмотка Т1 подключена к эмиттерному повторителю на транзисторе VT2, который при этом одновременно является стабилизатором тока для VT1 Приоритет главного канала (DA1) обеспечивается, если трансформатор понижающий. Напряжение вторичной обмотки Т1 фактически включается последовательно с напряжением, приходящим с выхода УНЧ. Для эффективного подавления искажений УНЧ трансформатор должен быть достаточно широкополосным, обладать высоким КПД (хорошим потокосцеплением) на частотах порядка Fгр.

Питание радиочастотных микросхем необходимо от отдельного двуполярного стабилизатора с напряжением ±12,5 В.

Теперь об УНЧ, схема которого показана на рис. 3. Его выходной каскад - это мощный симметричный эмиттерныи повторитель, управляемый генератором тока [8]; схема классическая и в комментариях не нуждается. Включен УНЧ по критерию подавления сигнала на выходе главного канала. Перед УНЧ включено устройство создания приоритета главного канала (DA1) - делитель из резисторов R23 (см. рис. 2) и R32 (рис. 3). Его задача - снижение усиления УНЧ на частотах около Fгр с минимальным изменением фазы, а на более высоких частотах - уменьшение усиления до нуля посредством С20. Это улучшает перегрузочные характеристики и помехозащищенность УНЧ.

Многоканальное усиление в УМЗЧ с крайне глубокой ООС
(нажмите для увеличения)

Итак, вклад УНЧ в выходной сигнал УМЗЧ на высоких частотах (выше 3 МГц) трижды снижается: в результате глубокой ООС (в силу спада АЧХ на частотах Fгр), делителем R23R32 и С20, а также из-за высокого индуктивного сопротивления обмотки Т1. На частоте около 15 МГц напряжение на выходе УНЧ (в точке Е) отстает по фазе от напряжения на выходе УМЗЧ (в точке С) на 180°! Конденсатор С25 в УНЧ выполняет двойную функцию. Кроме создания частотной коррекции УНЧ, в каскаде на транзисторах VT6, VT7 он образует параллельный канал на частотах выше 3 МГц. Сигнал с эмиттера VT3 поступает через конденсатор С25 (в обход VT4 и VT7) на выходные эмиттерные повторители (с входным уровнем УНЧ), уменьшая время прохождения сигнала через УНЧ.

Здесь нужно указать на неоднозначную роль цепи коррекции на опережение посредством конденсатора С22. Этот конденсатор уменьшает фазовый сдвиг сигнала на выходе УНЧ (на частотах порядка 3 МГц), при этом снижается уровень сигнала на выходе основного канала (точка В). Но конденсатор С22 форсирует усиление на частотах выше Fгр, что ухудшает перегрузочные характеристики канала и увеличивает его искажения. Поэтому применение С22 оправдано лишь при использовании недостаточно высокочастотных транзисторов (серии КТ818, КТ819); в других случаях цепь R34, С22 следует исключить.

Таким образом, сигнал на выходе УМЗЧ (точка С) фактически является сборным. Сигналы в полосе рабочих частот проходят на выход с УНЧ через вторичную обмотку Т1. а компенсационный сигнал для подавления искажений УНЧ на высоких частотах - через транзисторы VT1, VT2 и трансформатор Т1.

Последовательное усиление всех каналов (DA2 DA1, УНЧ) на частоте 20 кГц достигает 160 дБ. что снижает ошибку при введенной ООС до значения менее 0,0001 %. Малость этой ошибки (уровень сигнала в точке А) можно наглядно оценить после ее усиления радиочастотным ОУ DA2 (в точке D), используя известную читателям журнала методику И. Т. Акулиничева [3]. Но в силу огромного запаса усиления внутри петли ООС величина ошибки очень мала (менее 1 мВ) и она практически линейна.

Однако здесь нужно обратить внимание на уровень наводок и паразитных связей в сигнальных цепях, в том числе и через общие провода. Например, ток в цепи ООС (через элементы C1, С2, R2 - R5) на частоте 20 кГц создает падение напряжения на проводе ОПЗ на уровне нескольких микровольт по отношению к прецизионной цепи ОП1. Эта наводка на ОПЗ линейна и не представляет какой-либо опасности. Но несмотря на мизерность, усиленная в тысячи раз наводка заметно увеличивает уровень сигнала на выходе ОУ DA2. Для корректного наблюдения величины ошибки в цепи ООС следует применить один общий провод для всех каскадов, замкнув ОП1-ОП4 на ОП5, и дополнительный усилитель на 20...40 дБ. Осциллограммы синусоидального сигнала частотой 20 кГц приведены на рис. 4 при работе УМЗЧ с выходной мощностью Рвых= 75 Вт; сверху вниз: выход DA2 (точка D) при цене деления 1 мВ, выход DA1 (точка В) - при цене деления 0,5 В.

Высокочастотные помехи на входе усилителя ослабляются фильтром R1C1, причем его конденсатор также входит в цепь ООС на ВЧ (R2/R3 = С2/С1). Низкоомная цепь ООС радикально снижает влияние ВЧ наводок и паразитных емкостей. Резисторы R7 и R9 эффективно повышают перегрузочную способность радиочастотных ОУ, существенно снижая на ВЧ усиление их входных каскадов.

Совокупность перечисленных мер основательно снижает внутрипетлевое усиление на близких к частотах, исключая усиление УНЧ на граничной частоте мощных транзисторов, что обеспечивает высокие перегрузочные характеристики. На частотах ниже 200 кГц усиление определяется отношением (R3+R4+R5)/(R1+R2) =10.

Транзисторы VT8, VT9 стабилизируют ток покоя выходного каскада [3] по критерию стабилизации напряжения смещения на базах выходных транзисторов. При токовой перегрузке транзисторы VT5 и VT20-VT22 блокируют УНЧ (VT10- VT19) на восемь тактов генератора, выполненного на элементах DD1 1-DD1 3 (т. е. примерно на 30 мс).

Многоканальное усиление в УМЗЧ с крайне глубокой ООС

Контроль и настройку УМЗЧ следует осуществлять в полосе 100 МГц. Для этого целесообразно увеличить частоту среза петли ООС, уменьшив в два раза сопротивления резисторов R1 и R4+R5. После, отключив DA2 (для этого достаточно отпаять один из выводов R10), в точке С контролируют монотонный спад его АЧХ на частотах выше 1 МГц. При необходимости снижают усиление основного канала DA1, увеличивая сопротивление R9 Далее подают на вход импульсный сигнал "меандр" с частотой 250 кГц при размахе напряжения 0,5 В. Больший уровень сигнала подавать нет смысла, так как выходная мощность УМЗЧ на частотах выше 250 кГц сильно увязана с мощностью выходного каскада основного канала усиления (VT1, VT2). При этом наиболее информативным следует считать предыскаженный сигнал с выхода DA1 (точка В), который, по сути, является многократно усиленным сигналом ошибки петли слежения ООС.

Сигнал в точке В должен иметь импульсный характер с формой, близкой к экспоненте. При корректной настройке импульсы должны быть относительно короткими, их фронты - крутыми, а спады - пологими и плавными. На их осциллограммах ни в коем случае не должно наблюдаться каких-либо резонансов или изломов. Импульсные сигналы в разных точках УМЗЧ, измеренные при удвоенной частоте среза, показаны на осциллограммах рис. 5, при работе на резистивную нагрузку сопротивлением 4 Ом - на осциллограммах рис. 6; при работе на реактивную нагрузку (конденсатор емкостью 1 мкФ) - на осциллограммах рис. 7. Соответственно сверху вниз: выход DA2 (точка D) при цене деления 0,2 В, выход DA1 (точка В) при цене деления 2 В, выход УМЗЧ (точка С) и выход УНЧ (точка Е) при цене деления 5 В. Скорость развертки для этих осциллограмм - 1 мкс наделение

Многоканальное усиление в УМЗЧ с крайне глубокой ООС

При необходимости в первую очередь регулируют усиление и коррекцию УНЧ (элементы R35, R34, С22, С25), коэффициент ослабления сигнала устройства приоритета (R23, R32, С20, С21) и после этого настраивают согласующее устройство (С7, С8 и R22, С9 и R27, Т1), исключая колебательный процесс установления сигнала на выходе DA1 (точка В).

Далее подключают и подбирают резистор R10 по критерию минимума амплитуды импульсов на выходе DA2 при высокой линейности (плавности) последних. После чего выбирают номинал на 10...20 % больше и впаивают на плату.

Регулируют ток покоя выходного каскада УНЧ на уровне около 100 мА подбором резистора R48 ток срабатывания блокировки УНЧ (8 А) - R63, а ток покоя транзистора VT1 (200 мА) - R25 соответственно. И наконец, проверяют работу УМЗЧ на отсутствие возбуждения УНЧ при перегрузке большим входным сигналом в полосе 30...300 кГц. Возбуждение УНЧ свидетельствует о его весьма низких скоростных и перегрузочных свойствах, о большом усилении на F^, о излишне высокой частоте среза петли ООС или недостаточном приоритете основного канала, что возможно при изменении компонентов. После настройки восстанавливают частоту среза петли ООС.

Конструкция и детали

Именно главный канал определяет время задержки петли слежения ООС, усиление на высоких частотах и, как следствие, эффективность подавления разного рода паразитных резонансов и искажений. Таким образом, наиболее жесткие требования предъявляются к DA1: он должен быть радиочастотным, т. е. корректно работать при большом уровне ВЧ сигнала и при штатной нагрузке 50 Ом. Высокие требования предъявляются и к транзистору VT1, также вносящему временную задержку. Поэтому он должен быть высокочастотным (например, из серий КТ922, КТ925), а его ток достаточным для работы с ОУ DA1. В силу относительно небольшого тока VT1 (200 мА) импеданс нагрузки УМЗЧ на частотах выше 1 МГц должен быть больше, причем наличие фильтра (дросселя L1) обязательно. Другое назначение L1 - преградить проход высокочастотных колебаний от АС на выход УМЗЧ (в точку С) и далее в цепь ООС. Из-за очень высокой частоты замыкания петли ООС физическая длина основного канала усиления и цепи ООС на ВЧ должна быть минимальна, а реализация - с учетом требований к ВЧ устройствам.

Требования к ОУ DA2 менее жесткие, но следует подчеркнуть, что именно ОУ DA2 является предварительным усилителем, определяющим уровень шума, помех, прецизионность работы ООС, и. как следствие, он обязан работать в "тепличных" условиях. Условия следующие: наличие относительно высокоомного резистора во входной цепи (R7), что исключает перегрузку ОУ на частотах, близких к частоте Fзам; работа выходного каскада ОУ в малосигнальном режиме класса А; наличие отдельного источника питания или RC-фильтров в цепях питания для снижения помех. В конструкции важно наличие отдельных общих проводов: сигнального ОП1 и цепи питания ОП2.

"Вопрос о "земле" очень важен, ибо сигнал в каскадах усилителя определяется по отношению к общему проводу [8]. Наводка НЧ помехи на сигнальную часть или сигнальный общий провод фактически идентична. Поэтому цепи ОП1 -ОП4 должны быть в экране (он же провод ОП5) и обязательно выполнены отдельными проводами. Экранировать следует и каскад на ОУ DA2 Резисторы R16-R20 обеспечивают более короткий путь замыкания токов ВЧ в обход общей точки замыкания всех ОП на корпус УМЗЧ.

Высокие требования предъявляются к качеству конденсатора С2, так как к нему приложено все выходное напряжение УНЧ. Поэтому он должен обладать низкой абсорбцией и номинальным напряжением не ниже 250 В (из недефицитных - КСО, СГМ); конденсатор С1 желательно использовать той же группы. Резисторы входной цепи и ООС (R1- R5) - МЛТ или ОМЛТ. Конденсаторы С7-С9 в согласующем устройстве - К73-17 или керамические с малым ТКЕ.

Следует обратить внимание на то, что для исключения возбуждения транзисторы VT8, VT9 должны быть расположены в непосредственной близости от VT6, VT7 и VT10-VT13. При возбуждении усилителя рекомендуется в два раза увеличить сопротивления резисторов R47- R49 и R51, R53 или применить смещение, аналогичное использованному в [4].

Других требований к элементной базе УНЧ нет, поэтому возможна его реализация на основе иных схем. Однако следует отдать предпочтение более совершенной (т. е. широкополосной и многоканальной!) схемотехнике и элементной базе, ни в коем случае не форсировать усиление за счет его перегрузочных характеристик. Выходную мощность УМЗЧ допустимо увеличить без изменения схемы до 120 Вт, применив в каскаде VT14-VTT9 транзисторы КТ8101, КТ8102 и увеличив ток коллектора VT1 до 250 мА.

Как уже сказано выше, УНЧ может быть удален от основного канала УМЗЧ на расстояние до 40 см (при указанных номиналах компонентов). У автора при макетном исполнении длина проводов от резистора R23 и от трансформатора Т1 до УНЧ равна 30 см. И наоборот, длина проводников от эмиттера VT1 до R23 и от элементов С7, R22 до трансформатора Т1 должна быть минимальной.

Катушки LI, L2 намотаны на каркасе диаметром 12 мм и содержат по 11 витков провода ПЭВ диаметром 1 мм. Трансформатор Т1 намотан на таком же каркасе. Первичная обмотка содержит 30 витков ПЭВ 0,3, вторичная - 15 ПЭВ 1 мм. Первичную обмотку целесообразно намотать двойным проводом поверх вторичной между ее витками. Еще лучше намотать трансформатор жгутом из 10- 12 проводов ПЭВ 0,3...0.4 мм, причем два из них, соединенные последовательно, образуют первичную обмотку (30 витков), а остальные провода, включенные параллельно, - вторичную обмотку (15 витков).

Разумеется, что высококачественный УМЗЧ должен иметь индикацию перегрузки усилителя по току и по напряжению, устройства стабилизации "нуля" на выходе УМЗЧ, компенсации сопротивления проводов, защиты АС [4, 8].

В заключение автор выражвет признательность А. Ситак (RK9UC) за помощь, оказанную при подготовке данной статьи.

Литература

  1. Рэд Э. Справочное пособие по ВЧ схемотехнике. - М.: Мир, 1990.
  2. Дроздов В. В. Любительские KB трансиверы. - М.: Радио и связь, 1988.
  3. Акулиничев И. УМЗЧ с глубокой ООС. - Радио, 1989, № 10, с. 56-58.
  4. Агеев С. Сверхлинейный УМЗЧ с глубокой ООС. - Радио, 1999, № 10, с. 15-17; № 11. с. 13-16.
  5. Гумеля Е. Простой высококачественный УМЗЧ. - Радио, 1989, № 1, с. 44-48.
  6. Агеев А. УМЗЧ с малыми нелинейными искажениями. - Радио, 1987, № 2, с. 26-29.
  7. Витушкин А., Телеснин В. Устойчивость усилителя и естественность звучания. - Радио, 1980, № 7. с. 36, 37.
  8. Сухов Н. УМЗЧ высокой верности. - Радио, 1989, № 6, с. 55-57; № 7, с. 57-61.
  9. Гутников В. С. Интегральная электроника в измерительных устройствах. - М.: Энергоатомиздат, 1988.
  10. Данилов А. Мощный масштабный усилитель постоянного тока. - Приборы и техника эксперимента, 1988, № 6, с. 105-108.

Автор: А.Литаврин, г. Березовский Кемеровской обл.

Смотрите другие статьи раздела Усилители мощности транзисторные.

Читайте и пишите полезные комментарии к этой статье.

<< Назад

Последние новости науки и техники, новинки электроники:

Власть является ключевым фактором счастья в отношениях 11.03.2026

Исследования семейных и романтических отношений показывают, что длительное счастье пары зависит не только от привычных факторов, таких как доверие, уважение и преданность, но и от более тонких психологических аспектов. Современные ученые ищут закономерности, которые отличают действительно счастливые пары от остальных, чтобы понять, какие механизмы поддерживают гармонию в отношениях. Группа исследователей из Университета Мартина Лютера в Галле-Виттенберге и Бамбергского университета провела опрос среди 181 пары, которые состояли в совместных отношениях более восьми лет и прожили вместе хотя бы месяц. Участники заполняли анкету, описывая различные аспекты своих отношений, включая распределение обязанностей, эмоциональную поддержку и степень вовлеченности в совместные решения. Анализ данных показал интересный паттерн: пары, где оба партнера ощущали высокий уровень личной власти, оказывались наиболее счастливыми и удовлетворенными. В данном контексте под властью понимается способност ...>>

Защищенная колонка-повербанк Anker Soundcore Boom Go 3i 11.03.2026

Компания Anker представила новую модель линейки Soundcore - колонку Soundcore Boom Go 3i, ориентированную на активное использование на улице. Новинка отличается высокой степенью защиты: корпус соответствует стандарту IP68, что обеспечивает водо- и пыленепроницаемость, а ударопрочный дизайн выдерживает падение с высоты до одного метра. За качество звука отвечает 15-ваттный драйвер, обеспечивающий пик громкости до 92 дБ, а технология BassUp 2.0 усиливает низкие частоты, делая звучание более насыщенным. Колонка обладает автономностью до 24 часов, а LED-индикатор позволяет контролировать уровень заряда батареи. Кроме того, Soundcore Boom Go 3i может выполнять функцию павербанка: согласно внутренним тестам, устройство способно зарядить iPhone 17 с нуля до 40% за один час, что делает его полезным аксессуаром в походах и поездках. Среди функциональных особенностей модели стоит выделить технологию Auracast, которая улучшает подключение и позволяет создавать стереопару из двух колонок ...>>

Раннее воздержание от алкоголя перестраивает мозг и иммунитет 10.03.2026

Алкогольная зависимость - хроническое расстройство с компульсивным употреблением спиртного, которое влияет не только на поведение, но и на функционирование мозга и иммунной системы. Недавние исследования показали, что даже на ранних этапах воздержания организм начинает перестраиваться, открывая новые возможности для терапии зависимости. Ученые сосредоточились на пациентах, находящихся в первые недели абстиненции, и зафиксировали значительные изменения в мозговой активности. С помощью функциональной магнитно-резонансной томографии они выявили перестройку сетей нейронных связей, отвечающих за контроль импульсов и принятие решений. Эти изменения могут быть ключевыми для восстановления самоконтроля и снижения риска рецидива. Одновременно с нейронной перестройкой исследователи наблюдали колебания иммунной системы. В крови повышался уровень цитокинов - сигнальных белков, регулирующих воспалительные процессы. Эти данные свидетельствуют о существовании нейроиммунного взаимодействия, при ...>>

Случайная новость из Архива

Миниатюрный тепловизор 26.04.2013

Оборонный подрядчик, компания DRS Technologies, разработала инфракрасную камеру с пикселями размером всего в пять микрон или пять миллионных долей метра. Это сравнимо с размером пикселя фотокамеры обычного смартфона и намного меньше, чем пиксели на матрицах современных тепловизоров. Поскольку при одинаковом разрешении новый ИК-сенсор в 6 раз меньше, в производстве он будет в 36 раз дешевле.

Нынешние тепловизоры либо очень громоздки и устанавливаются только на тяжелую технику, либо имеют низкое разрешение (около 320х240 пикселей), чего недостаточно для военного использования, например с борта БПЛА. Сегодня же нужны индивидуальные тепловизионные приборы наблюдения, которые будут достаточно дешевы и компактны, чтобы ими можно было оснастить каждого солдата.

Тепловизионные очки дадут огромное преимущество в бою, поскольку они обеспечивают обнаружение теплоконтрастных целей (например человека на фоне местности) даже в условиях задымления, за многими легкими укрытиями, при любых условиях освещенности, во время снега и дождя. Солдаты с тепловизорами могут уверенно действовать даже в условиях сплошной дымовой помехи, тогда как противник без аналогичных приборов будет беспомощен.

До сих пор уменьшить размер пикселей ИК-матрицы не удавалось, поскольку при уменьшении пикселя он становится слишком восприимчив к помехам: "мусорные" фотоны "забивают" большую часть пикселя, в результате чего изображение заполняется серым шумом помех.

В DARPA не объясняют, как именно удалось решить эту проблему, лишь подчеркивают, что уменьшены размеры пикселей, а не их количество на матрице. Все технические подробности технологии, касающиеся соотношения сигнал-шум, пока остаются в секрете, но в DARPA говорят, что компактный тепловизор дает такую же качественную картинку, как и более крупные аналоги.

Другие интересные новости:

▪ Разгадан ген рыжих котов

▪ 3D-принтер изготовит сиденья для спорткаров

▪ Щитовидка в желе

▪ Твердотельные накопители Patriot Viper VP4100

▪ Съедобный дрон

Лента новостей науки и техники, новинок электроники

 

Интересные материалы Бесплатной технической библиотеки:

▪ раздел сайта Домашняя мастерская. Подборка статей

▪ статья Уж полночь близится, а Германна все нет. Крылатое выражение

▪ статья Что из себя представляет буревестник? Подробный ответ

▪ статья Схватывающий узел с карабином. Советы туристу

▪ статья ЧМ генератор на диапазон 90...110 МГц. Энциклопедия радиоэлектроники и электротехники

▪ статья Мыльные пузыри на подставке. Физический эксперимент

Оставьте свой комментарий к этой статье:

Имя:


E-mail (не обязательно):


Комментарий:





Главная страница | Библиотека | Статьи | Карта сайта | Отзывы о сайте

www.diagram.com.ua

www.diagram.com.ua
2000-2026