Menu Home

Бесплатная техническая библиотека для любителей и профессионалов Бесплатная техническая библиотека


Автозвук: устанавливаем сами. Энциклопедия радиоэлектроники и электротехники

Бесплатная техническая библиотека

Энциклопедия радиоэлектроники и электротехники / Акустические системы

 Комментарии к статье

Нередко говорят, что музыка в автомобиле "по определению" хорошо звучать не может и поэтому, мол, достаточно простой магнитолы и пары "колонок". Вряд ли с этим можно согласиться. Специфические особенности акустики салона, безусловно, существуют. Но они не должны быть помехой для нормального стереофонического звуковоспроизведения, способного развернуть перед слушателями панораму и глубину звуковой сцены, передать нюансы исполнительского искусства.

В этой статье рассмотрены основные принципы компоновки автомобильных аудиосистем - от простейших до самых сложных, а также рассказано о конструкции, монтаже и настройке некоторых узлов системы.

При оборудовании автомобиля новой аудиосистемой или расширении возможностей установленной ранее превращать его в концертный зал на колесах, конечно, не стоит. Тем более нет смысла тратить силы и средства, если музыкальные вкусы слушателей ограничены электронной "попсой": для нее не требуется ни широкий динамический диапазон, ни точная передача нюансов звучания. А вот поклонникам традиционных жанров все это очень важно и открывает широчайшее поле для творческой деятельности. Однако в любом случае при установке аппаратуры в автомобиле нужно строго выполнять определенные требования. И если вам предлагают "быстро и качественно установить музыку" - не верьте. Процесс этот (даже копируя готовую систему) совсем не такой уж быстрый.

Главная проблема при создании автомобильной аудиосистемы, вопреки сложившемуся мнению у некоторых любителей музыки, состоит не в достижении высокой мощности, малых искажений и плоской АЧХ. Основная задача получение "высокой" и "широкой" звуковой сцены для слушателей, сидящих впереди. Решение напрямую связано с местом установки фронтальных излучателей. Не нужно думать, что пассажирам на задних сидениях придется довольствоваться малым - при правильном размещении громкоговорителей звучание будет сбалансировано в пределах всего салона. При создании высококачественной аудиосистемы могут быть два творческих подхода. Первый из них - "концептуальный": формулируют требования к системе, выбирают или изготавливают необходимые компоненты, а затем - монтаж и настройка. Это идеальный, но дорогой вариант, особенно в отношении отделки.

При таком подходе результат, как правило, достигается с первой попытки, но это требует единовременного вложения значительных средств и, что самое главное, немалого опыта и даже интуиции. Поскольку универсальных готовых решений на этот счет не существует, такая работа под силу разве что профессиональным установочным студиям. Достижение идеального звучания требует также немалых трудов. Правда, в крайнем случае можно удовлетвориться сознанием того, что на хорошей аппаратуре получить "плохой звук" бывает крайне сложно...

Второй вариант - любительский, недорогой, но и не самый плохой. Систему создают в минимальной конфигурации из доступных компонентов, а хорошего результата достигают разумной компоновкой и использованием проверенных решений. Начальная ступень здесь зависит только от финансовых возможностей, а опыт появится в процессе творчества. Потом, по мере возрастания требований и практических навыков, систему "наращивают" до нужного уровня. Процесс этот растянут во времени, и поэтому результат появится не сразу. Правда, для получения приличного звучания придется потрудиться.

Выбираем систему

Любительская аудиосистема на первом этапе развития состоит обычно из "головного" аппарата - магнитолы, ресивера с CD- или MD-проигрывателем - и комплекта динамических головок. Им в настоящей статье уделено особое внимание, но далее, где это не принципиально, под магнитолой будет подразумеваться любой из источников сигнала.

При любом подходе к формированию аудиосистемы нужно прежде всего выбрать источник сигнала и структуру акустической системы (АС). Почему так?

В формирование интегрального показателя качества автомобильной аудио системы, принимаемого за 100%, вносят свои факторы все ее компоненты на источник сигнала приходится при мерно 15%, на усилитель - 20%, на АC - 30%, на установку (размещение) 30%, на кабели и дополнительные устройства - 5%. Используя, к примера магнитолу со встроенным усилителем ее "вклад" возрастает до 20-25%, а АC - уже до 40-45%. Однако эти цифры относятся исключительно к качеству звучания, но не к цене. С ценами картина может быть совершенно иной. Не секрет, что цены на аппаратуру зачастую определяются популярностью фирмы и модели, а отнюдь не реальными достоинствами товара. К выбору головок нужно подходить в любом случае с максимальным вниманием - "мы не на столько богаты, чтобы покупать дешевые вещи".

Поскольку самостоятельно изменить основные технические характеристики современной магнитолы не представляется возможным (да и вряд ли необходимо, особенно если это не подделка), то к ее выбору также нужно отнестись серьезно.

Когда усовершенствование системы предполагается проводить без замены головного аппарата, он изначально должен иметь возможность подключения усилителя к линейному выходу. Если в последующем планируется дополнить систему CD/MD-чейнджером, желательно выбрать такую модель, в которой предусмотрено управление этим устройством, поскольку выбор моделей чейнджеров с собственным контроллером ограничен.

Заметим, что некоторые несложные доработки вполне по силам даже не очень опытным радиолюбителям, а экономия средств при этом может быть значительной. К числу таких доработок можно отнести установку в магнитолу разъемов линейного входа и выхода, введение в тракт внешних эквалайзеров и фильтров, добавление индикаторов выходной мощности и т. д. На рис. 1 показан пример простой доработки магнитолы "Sony 1253" - введение разъема линейного входа.

Автозвук: устанавливаем сами

При выборе аппаратуры непременно обращают внимание на ее электрические характеристики. Тем не менее субъективное восприятие качества (естественности) звучания нельзя определить с помощью физических величин, и только прослушивание может дать представление о том, насколько точно передается объем и пространственное расположение инструментов в музыкальной картине. Желательно, чтобы оно было сравнительным (с другими аудиосистемами) и происходило утром, пока слуховые ощущения еще не притупились. Лучше всего сравнивать звучание акустических инструментов при звуковоспроизведении, например, с компакт-диска, со звучанием тех же инструментов, "записанных" в слуховой памяти.

Неискаженная выходная мощность современных магнитол обычно не превышает 10-12 Вт на канал, даже если в инструкции указываются мощности в несколько раз больше. Приводимое же значение максимальной мощности характеризует динамические свойства усилителя и его способность воспроизводить импульсные сигналы, нежели реальную громкость. Кстати, реальная разница в звучании между усилителями мощностью 4х30 и 4х40 Вт практически не ощутима. Поэтому при выборе динамических головок для работы в комплекте с магнитолой основной параметр, на который необходимо обращать внимание, - уровень характеристической чувствительности (или просто чувствительность). Чем он больше, тем меньшая мощность требуется для получения нужной громкости. Типичные значения для автомобильных громкоговорителей - 88...91 дБ/Вт1/2м. Что касается головок зарубежного производства, то важно знать, при каких условиях производились измерения их параметров.

Необходимо учитывать и тот факт, что компоненты электроакустической аппаратуры, каждый по своему, окрашивают сигнал. Поскольку взаимное влияние и согласование аппаратуры изучены с точки зрения психоакустики пока не полностью, даже при выполнении всех требований стандартов (кстати, достаточно расплывчатых) лучше послушать выбранные компоненты "в связке". Нужно также помнить, что звучание аппаратуры на стенде в магазине и в салоне автомобиля может заметно отличаться. Почему же это происходит?

Немного теории

Пространство автомобильного салона акустически не приспособлено для высококачественного звуковоспроизведения - объем салона чрезвычайно мал. Из этого обстоятельства следует несколько очевидных выводов:

1. Практически невозможно соблюсти основное условие для обеспечения стереофонического звучания - взаимное расположение слушателей и громкоговорителей акустической системы по вершинам равностороннего треугольника. Помимо разницы в интенсивности звучания возникает временной сдвиг между сигналами левого и правого каналов, что приводит к смещению кажущихся источников звука (КИЗ) относительно их истинного положения. Особенно заметен этот эффект для сигналов средних частот.

2. Трудно обеспечить необходимое удаление слушателя от громкоговорителей. А при работе в ближней зоне излучения громкоговоритель уже нельзя рассматривать как точечный источник, что приводит к специфическим интерференционным искажениям на средних частотах (на ВЧ этот эффект ослаблен из-за малого размера излучателей).

3. Благодаря малому объему салона на низких частотах возникает достаточно однородное звуковое поле (это справедливо с небольшой оговоркой, суть которой разъясняется ниже). Однако наличие в салоне неравномерно расположенных поглощающих и отражающих поверхностей (стекла, обивка, пассажиры) не позволяет уверенно прогнозировать его акустические свойства на средних и высоких частотах. К тому же эти поверхности обеспечивают различную степень отражения и поглощения в пределах частотного диапазона - мягкие сидения и обивка дверей эффективно поглощают низко- и среднечастотные колебания, а высокочастотные звуки прекрасно отражаются от стекла. Вследствие указанного АЧХ салона на средних и высших частотах имеет неравномерность, порой значительную, а характер неравномерности зависит от выбора точки замера.

Кроме этого, есть еще два аспекта, не столь очевидных, но связанных с малым объемом салона и его геометрией: локальные неравномерности в АЧХ, вызванные резонансными явлениями, и подъем АЧХ на низших частотах. Указанные факторы в совокупности и формируют передаточную характеристику салона.

Так, из-за наличия в салоне относительно параллельных поверхностей (боковые стенки, пол и потолок) создаются условия для возникновения стоячих волн. Практическое значение имеют только колебания на субгармониках и основной частоте, интенсивность остальных составляющих весьма мала. Реально из-за наличия препятствий в виде сидений и пассажиров большинство резонансов подавляется, а явно выражен только поперечный. Он проявляется на тех частотах, где ширина салона соответствует половине длины волны (для большинства легковых автомобилей - 120... 150 Гц). На слух это проявляется в виде неприятного гула и "бубнения". В первом приближении можно считать, что частота поперечного резонанса равна Fr=Vs/2W, где Vs=340 м/с - скорость звука; W - ширина салона. Вредное влияние резонанса может быть снижено за счет применения мягкой облицовки дверей, но полностью подавить его возможно только путем коррекции АЧХ тракта. Так, в автомобиле автора (ВАЗ-2107) замена штатных гладких облицовок на мягкие велюровые уменьшила "горб" на АЧХ с 8 до 6 дБ, а частота резонанса за счет снижения добротности колебательной системы снизилась со 140 до 130 Гц.

Подъем АЧХ на низших частотах имеет аналогичное объяснение. Для сигналов тех частот, длина волны которых соизмерима с максимальным размером салона (как правило, его длиной), салон представляет собой эквивалент акустического ФНЧ второго порядка, АЧХ которого ниже частоты среза имеет подъем с крутизной около 12 дБ на октаву. В первом приближении (без учета поглощения в салоне и конечной жесткости панелей кузова) можно считать, что частота среза равна Fc= Vs/2Lmax (здесь Lmax - максимальный размер салона). На этой частоте подъем достигает 3 дБ, а ниже - на F&№60;Vs/4Lmax - он исчезает. Таким образом, подъем АЧХ салона в диапазоне слышимых частот составляет примерно 12... 18 дБ. Из-за того, что акустические свойства салона неидеальны, реальные цифры несколько отличаются от теории - для кузова "классика" частота Fc равна примерно 60 Гц, для "зубила" - 55 Гц и для кузовов "универсал" - 45...50 Гц. Два из возможных вариантов передаточной характеристики приведены на рис. 2. Очевидно, что звучание одних и тех же динамических головок в разных салонах будет совершенно различным.

Автозвук: устанавливаем сами

Исходя из ранее рассмотренных факторов, выбор места в салоне для установки громкоговорителей приобретает первоочередное значение. Более того, выбор количества полос и частот раздела зависит от места их установки.

Размещаем

Автомобильные громкоговорители обычно не отличаются высокой чувствительностью, но обладают хорошими частотными характеристиками, широкой диаграммой направленности и сбалансированным звучанием. Учитывая, что возможности широкополосных и коаксиальных головок все же ограничены, наилучших результатов можно достичь только в случае применения многополосной рассредоточенной фронтальной АС. Важно также правильно определить, в каких местах салона автомобиля нужно разместить полосовые излучатели, чтобы они работали с максимальной эффективностью. Наибольшее распространение сегодня получили двухполосные фронтальные АС, но в высококачественных аудиосистемах они постепенно вытесняются трехполосными.

Принципы размещения головок были кратко изложены автором в [1], однако накопленный с тех пор опыт и обмен мнениями в [2, 3] требуют внести в них некоторые коррективы.

Для получения высокой звуковой сцены проще всего разместить излучатели как можно выше. Приборная доска позволяет это осуществить, но штатные посадочные места для установки головок обычно ограничены размером 10...13 см. Малогабаритны ми головками без соответствующего акустического оформления здесь трудно добиться эффективного воспроизведения низших частот. Но установка в этом месте среднечастотных головок тоже имеет серьезные недостатки. Основной из них - привязка звучания к одной стороне салона из-за недопустимо большой разности хода звуковой волны от левого и правого излучателей. Дело в том, что из всех автомобилей отечественного производства только в "Москвиче-2141" можно по назначению использовать штатные места, отведенные для громкоговорителей. Нужно заметить, что и это решение нельзя признать самым удачным. Не случайно конструкторы вынуждены искать другие места для установки громкоговорителей.

Традиционно низкочастотные, широкополосные или коаксиальные громкоговорители размещают в передних дверях автомобиля. Их относительно большая внутренняя полость способствует эффективному воспроизведению низких частот практически готовым акустическим оформлением. Обычно в фонограммах звуковые сигналы левого и правого каналов в этом диапазоне частот синфазны и имеют практически одинаковую интенсивность. Поэтому от головок, установленных на плоскость облицовки двери, фронт волны на частотах 100... 150 Гц достигает противоположной головки с частичной компенсацией отражения. Чтобы это явление проявлялось в меньшей степени, головки должны быть развернуты вверх в середину потолка над передними сиденьями. Наиболее рационален такой вариант при использовании двухполосной фронтальной АС с относительно высокой частотой раздела (5...7 кГц).

Эффект такой компенсации в значительной степени зависит от места установки низкочастотных излучателей в дверях и конструктивных особенностей салона. К примеру, высокий тоннель и протяженная консоль приборной панели ("борода") несколько ослабляют этот эффект, и тогда установка головок "на плоскость" вполне допустима. Наиболее рационален такой вариант в двухполосной системе при области раздела полос 1...1,5 кГц. Диаграмма направленности излучения головок в этой полосе частот достаточно широка, однако в двухполосных системах с низкой частотой раздела необходимо использовать ВЧ головки повышенной мощности с пониженной частотой собственного резонанса. Кроме того, для эффективного снижения излучения частот, близких к резонансной, необходимо использовать ФВЧ высокого порядка либо специальные корректирующие цепи.

Для установки головок в двери нередко требуется изготовить специальные панели (подиумы) или кольцевые накладки, увеличивающие фактическую глубину отсека. Кроме того, необходимо принять меры по демпфированию вибраций панелей и механизмов двери.

Установка НЧ головок в корпусах под передними сиденьями с излучением вперед-вверх исключает эффект компенсации и уменьшает временную задержку, снижая эффект "привязки" кажущегося источника звучания к одной стороне салона. За счет некоторой концентрации низких частот в передней части салона возрастает звуковое давление в области 200...400 Гц. Вместе с тем полоса излучения в этом случае ограничивается сверху частотой около 2...3 кГц. Поэтому такое размещение излучателей требует или применения низкой частоты раздела полос, или перехода к трехполосной АС.

В качестве примера на рис. 3 приведена АЧХ для динамической головки 25ГДНЗ-4 в корпусе (с фазоинвертором), установленном под передним сиденьем "Москвича"- 2141. Хорошо заметен резонанс салона на частоте 125 Гц, провал АЧХ на 800 Гц и спад выше 1,5 кГц, хотя по паспортным данным спад АЧХ у данной головки начинается на частотах выше 3 кГц. Такое отклонение АЧХ от паспортной можно объяснить наличием в ближней зоне излучения препятствия (подушки сиденья). Для аналогичной АС под передним сиденьем ВАЗ-2107, но с близким к горизонтальному направлением излучения, провал АЧХ смещен в область 500...600 Гц и имеет меньшую величину. Этим частотам соответствует длина волны порядка 0,5...0,6 м, что хорошо согласуется с размерами полости, ограниченной приборной панелью и консолью.

Автозвук: устанавливаем сами

Установка головок в кикпанелях с ориентацией их оси излучения вверх - к центру салона сводит к минимуму разность хода сигнала от левого и правого излучателей, что практически исключает эффект привязки. Вопреки ожиданию, звуковая сцена не опускается, а наоборот, поднимается на уровень лобового стекла. К сожалению, в большинстве случаев достойное акустическое оформление организовать непросто: максимально возможный объем корпусов не превышает, как правило, двух-трех литров. Поэтому такой вариант применим главным образом к среднечастотным головкам трехполосных АС. Поскольку на частотах выше 1 кГц диаграмма направленности излучателей достаточно индивидуальна, однозначных рекомендаций по ориентации головок на кикпанелях нет - все зависит от конкретных условий. Здесь необходим эксперимент.

Другой, не менее интересный вариант размещения СЧ-излучателей. использовал в своей установке С. Клевцов. Купольные головки Масrom установлены у него на поперечной балке под передними сиденьями "Святогора" и ориентированы в сторону лобового стекла. Такое решение уменьшает относительную разность хода звуковой волны от левого и правого излучателей, что позволяет практически исключить эффект привязки звучания к одной стороне салона.

Для предварительной оценки выбранного места установки и выбора ориентации НЧ и СЧ излучателей удобно использовать широкополосные головки мощностью 3...5 Вт, смонтированные на небольших отражательных панелях. Их подключают к магнитоле через простейший ФВЧ (неполярный оксидный конденсатор емкостью 100 мкФ или два полярных по 220 мкФ. включенных встречно-параллельно) и подбирают расположение и ориентацию, добиваясь необходимой ширины и высоты сцены. При изготовлении корпусов для СЧ излучателей ориентацию полезно уточнить применительно к конкретным головкам с учетом особенностей их звучания.

Высокочастотные головки при любом варианте построения фронтальной АС устанавливают на передние стойки, на верхний передний угол двери или панель приборов. В первом и втором случаях используется как прямой, так и отраженный от стекла сигнал, в случаях установки на стойки используется исключительно отраженное и рассеянное от лобового стекла излучение. Известен также вариант установки ВЧ излучателей вблизи зеркала заднего вида (используется отраженный от стекла сигнал). При выборе места для ВЧ головок необходимо иметь в виду, что при низкой частоте раздела их излучение оказывает непосредственное воздействие на формирование звуковой сцены и ориентация требует тщательной настройки, при частоте раздела выше 5...6 кГц влияние ориентации будет снижено. В любом случае при их установке необходимо предусмотреть возможность подстройки ориентации при окончательной настройке системы. В комплекте большинства автомобильных "пищалок" есть необходимые для этого установочные детали.

Решать вопросы, связанные с применением сабвуфера и тыловых излучателей, следует только после настройки фронтальной АС. Формирование звукового образа без тылового канала будет неполным, поэтому пренебрегать ей не стоит. Основное ее назначение - создание "эффекта зала" за счет имитации отраженного звука. Спектр сигнала тылового канала для этого должен быть ограничен полосой частот примерно 500...2500 Гц, в соответствии со спектром диффузного звука, а уровень сигнала должен быть невелик.

Использование тылового канала позволяет замаскировать некоторые недостатки в звучании фронтальной АС. Наиболее впечатляющие результаты получаются при использовании в тыловом канале разностного сигнала. Для реализации этого метода в простейшем случае можно использовать встречно-последовательное включение двух тыловых головок между выходами усилителей левого и правого каналов через полосоеой LС-фильтр (схема Хаффлера). Однако лучшие результаты достигаются при использовании дополнительной обработки сигнала тылового канала, устройство которого описано в [4]. Там же изложены основные предпосылки для дальнейшего совершенствования метода.

Полноценное воспроизведение низших частот требует акустического оформления значительного размера,поэтому практически во всех мобильных установках частотный диапазон основных каналов ограничен снизу частотой 70... 120 Гц. Для излучения более низких частот приходится применять сабвуфер. Поскольку на самых низких частотах излучение ненаправленное, выбор места установки сабвуфера - вопрос компоновки системы. Чаще всего его устанавливают в багажнике, хотя неоправданное расширение полосы частот вверх это может сопровождаться эффектом "задержки" баса.

О шуме и вибрациях

В автомобиле особо остро ощущается проблема снижения шума. Даже в грамотно сконструированном с акустической точки зрения кузове при движении возникают колебания как от вибрации двигателя и трансмиссии, так и от вибрации колес на дороге. На самых низких частотах сказывается малая жесткость кузова, что вызывает вибрации панелей и крыши. Основная мощность шумов при этом сосредоточена в области между самыми низкими частотами и нижней границей средних частот.

В движении шум хотя и "организован", но при постоянной скорости достаточно однороден и благодаря избирательным свойствам слуха от него можно отстроиться. За исключением последствий толчков и ударов, вызванных плачевным состоянием дорог, остальные составляющие шума можно значительно ослабить с помощью грамотно выполненной шумоизоляции салона (свист ветра и гул покрышек не рассматриваем - на такой скорости уже не до музыки). Для поглощения дорожного шума следует наносить материал на пол и огнестойкую переборку и в зоне колес. Но поскольку привычный для жителей больших городов цикл движения - "метр едем, два стоим", проблема шумоизоляции для них не столь остра.

Помимо шумоизоляции, призванной перекрыть путь в салон внешнему шуму, применяют вибродемпфирование больших панелей (крыша, двери), чтобы исключить возможные призвуки во время работы аудиосистемы. Если мощность усилителей невелика, то в большинстве случаев эта мера не требуется, однако следует уделить максимум внимания устранению резонансов и вибраций декоративных

деталей салона, поскольку они даже при относительно небольшой мощности порождают дребезжание и призвуки, более неприятные на слух, чем шум движения. Особое внимание следует обратить на панели рядом с головками громкоговорителей или на панели, которые используются как часть корпуса громкоговорителя. Если нет возможности покрыть крупные панели полностью, демпфирующий слой лучше нанести на их среднюю часть, как наименее жесткую. Резонансы обычно устраняются при покрытии четверти площади и более. Основные места обработки на примере кузова "классического" ВАЗа показаны на рис. 4. Это - программа "минимум"; в программу "максимум" входит еще обработка крыши, капотов багажника и моторного отсека, колесных арок.

Автозвук: устанавливаем сами

Приступая к шумоизоляции и вибродемпфированию салона автомобиля, полезно руководствоваться следующими практическими правилами:

  • Проще не допускать возникновения шума, чем с ним бороться. Поэтому начинать борьбу с шумом следует с проверки ходовой части.
  • Высокочастотный шум подавить легче, чем низкочастотный (вибрации).
  • Демпфирование вибрирующих панелей улучшается при плотном контакте материала с излучающей поверхностью. Может оказаться достаточным покрытие только части их поверхности.
  • Шумоизоляция, в отличие от вибродемпфирования, достигается сплошным, без открытых участков, покрытием. Стекла, демпфированные штатным уплотнением, не должны иметь жесткого контакта с источниками шума.
  • Для шумоизоляции и вибродемпфирования фактически нужны разные материалы.

Вибродемпфирование панелей кузова улучшают, используя различные материалы - как специально предназначенные для этого, так и заменители. Общее свойство таких материалов - они обладают большой внутренней вязкостью. Применяют листовые материалы различной толщины, а также мастики или пенообразующие аэрозоли. Листовые материалы на вид и на ощупь напоминают резину. Наибольшим демпфирующим и одновременно шумоизолирующим эффектом обладает Dynamat, но он недешeв и при обработке автомобиля "по полной программе" затраты могут стать соизмеримыми со стоимостью подержанного отечественного автомобиля. Поэтому автолюбители пытаются найти альтернативные решения. Удовлетворительная замена импортных виброгасящих материалов: "Шумизол", "Липлен", "Визомат", "мастика каучуковая шумоизолирующая" - все отечественного производства и вполне доступно по цене. Для заливки полостей "торпеды" и некоторых деталей кузова прекрасно подходит строительная пена "Макрофлекс". Однако необходимо учесть, что она значительно увеличивается в объеме и поэтому непригодна для заполнения замкнутых полостей.

Хорошо известный автолюбителям (можно сказать, классический) шумоизолирующий материал - линолеум. В магазинах строительных материалов остатки линолеума продаются обычно со значительной скидкой. Однако к выбору его следует подходить осмотрительно. Линолеум на тканой основе имеет превосходные шумоизолирую щие свойства, но его основа гигроскопична и требует дополнительной антикоррозионной обработки подстилающих поверхностей. Современные виды вспененного линолеума без основы негигроскопичны, но их шумопоглощение несколько хуже. Впрочем, никто не мешает в ответственных местах положить двойной или тройной слой! Еще один близкий по структуре материал, получивший распространение в последнее время, - пенополиэтилен. Он отличный звукоизолятор (степень поглощения звука при толщине 10 мм - 60 %). Кроме того, он абсолютно негигроскопичен, не подвержен гниению и недорог.

Для устранения скрипов и вибраций облицовки дверей нужно отказаться от ненадежных пластмассовых пистонов и установить облицовку на винтах-саморезах. В местах контакта облицовки с панелями двери при необходимости наклеивают тонкие полоски поролона или пенополиэтилена. Для этой цели неплохо подходят полоски самоклеющегося поролона, предназначенного для уплотнения оконных рам. Следует выбирать негигроскопичные сорта поролона, у которых структурные поры не открываются наружу. При установке головки в дверь ее внутренние механизмы требуют обработки - нужно исключить касание ее поверхности тяг и приводов. Для этой цели можно использовать ПВХ трубки и пластиковые втулки. Кроме этого, тщательной регулировкой устраняют люфты механизмов и резиновые жгуты-оттяжки.

Определить необходимый объем работ, а потом и качество обработки салона можно очень простым способом. Через установленную в салоне АС достаточной мощности (не менее 20 Вт) воспроизводят сигнал от генератора сигналов 3Ч. Генератор плавно перестраивают в диапазоне частот 50 Гц...2 кГц. Резонансные колебания элементов кузова на инфранизких и низких частотах ощущаются тактильно, на более высоких - на слух по возникновению дребезжащих призвуков.

Проведение работ по улучшению шумо- и виброизоляции в салоне автомобиля следует совместить с монтажом силовой и сигнальной проводки аудиосистемы, тем более, что к монтажу предъявляется ряд требований, выполнение которых необходимо даже при установке простейшей магнитолы, не говоря уже о системах высокого уровня. В противном случае многие работы будут сопряжены с излишними трудностями, которых можно избежать.

Силовая проводка

Для маломощных устройств (магнитол и эквалайзеров, например), как правило, можно использовать уже существующую силовую проводку. Отдельные же усилители (повышенной мощности) потребляют значительно больший ток. Проводка, имеющаяся в автомобиле, на это не рассчитана. Кроме того, поскольку вся она собрана в монтажные жгуты, возникает опасность взаимного влияния "автомобильных" и "звуковых" цепей. Исходя из этого, рекомендуется вести плюсовой провод питания усилителя непосредственно на аккумулятор даже в том случае, когда магнитола является единственным компонентом системы.

Минусовый же провод питания системы обычно соединяют с кузовом машины. Он должен быть максимально коротким, а его сечение - не меньше сечения плюсового провода. Соединение с корпусом следует производить через неокрашенный металл кузова. Если он оцинкован, нужно использовать одну из точек соединения, предусмотренных производителем, во избежание появления помех в системе. Когда кузов автомобиля не новый, переходное сопротивление сварных швов увеличивается, поэтому для уменьшения падения напряжения в этом случае следует минусовый провод также соединить непосредственно с клеммой аккумулятора.

При монтаже силовой проводки нужно прежде всего помнить о соблюдении требований безопасности. Необходимо учитывать: придется ли прокладывать провод по углам, через двери, или в моторном отсеке? Такого рода проблемы предъявляют особые требования к выбору проводки. Она должна быть гибкой, с толстой изоляцией, не размягчаться при высокой температуре и не трескаться при низкой. Особенно это относится к участкам силовой проводки, прокладываемой в моторном отсеке.

Применение жесткого провода с легко трескающейся изоляцией может быть пожароопасно. Чтобы предотвратить возгорание в случае короткого замыкания силового провода, необходимо ввести в цепь плавкий предохранитель. Его устанавливают в разрыв силового провода вблизи от плюсовой клеммы аккумулятора. Держатель предохранителя должен быть надежно закреплен. Ток срабатывания предохранителя выбирают на 20...30 % больше максимально потребляемого системой тока. Это не мешает ее нормальной работе, но гарантирует немедленное отключение цепи при коротком замыкании.

При прокладке силового провода в моторный отсек можно просверлить отверстие в моторном щите или использовать уже имеющиеся около рулевой колонки и монтажного блока. Прокладка провода через отверстия с острыми металлическими краями требует применения резиновых уплотнителей. В моторном отсеке желательно дополнительно защитить провод гофрированной трубкой. Он не должен быть натянут, а в свободных местах его необходимо закрепить с помощью монтажных хомутиков или обвязки.

При выборе силовых проводов учитывают особенности того или иного типа, обращая особое внимание на их сечение. Традиционно его измеряют в единицах American Wire Gauge (AWG), или просто "gauge" (калибр). Провода и аксессуары к ним (распределители, разъемы, держатели предохранителей и пр.) во всем мире выпускают именно под такой маркировкой. Чтобы узнать сечение провода для вашей системы, прежде всего нужно определить максимальный потребляемый ток и длину кабеля. Затем воспользуйтесь сведениями в табл. 1 [5], используемой РАСКА (Российской ассоциацией соревнований и конкурсов по автозвуку) при оценке качества установки.

Автозвук: устанавливаем сами

Для улучшения энергетических показателей системы бортового электропитания параллельно аккумулятору присоединяют конденсатор, причем устанавливают его как можно ближе к наиболее критичному к качеству питания потребителю энергии в аудиосистеме. Это позволит скомпенсировать падение напряжения, возникающее на соединительных проводах на пиках мощности. Установка конденсатора оправдана даже при использовании магнитолы без дополнительных компонентов - в этом случае значительно улучшается воспроизведение пиковых уровней сигнала, звучание перестает быть "зажатым".

Для определения емкости конденсатора пользуются эмпирически выверенным соотношением - 1 фарада на киловатт. Например, для системы с потреблением энергии 100 Вт подойдет конденсатор 100 000 мкФ. Для магнитолы достаточно конденсатора емкостью 47...68 000 мкФ. Некоторые производители аудиотехники, например, Phoenix Gold, выпускают конденсаторы большой емкости, специально предназначенные для автомобильных аудиосистем, однако их стоимость чрезмерно велика. Практически при мощности усилителей до 50... 100 Вт с успехом можно применить и обычные оксидные конденсаторы большой емкости или батарею из параллельно включенных конденсаторов меньшей емкости. Используя для этой цели конденсаторы широкого применения, нужно ориентироваться на максимально допустимую для них температуру - летом в автомобиле, стоящем на солнцепеке, температура может достигать 50...60 "С. Предпочтение следует отдавать конденсаторам, которые имеют предохранительный клапан (пробку), в крайнем случае - с насечкой на корпусе.

Учитывая изменения напряжения в бортовой сети автомобиля, рабочее напряжение конденсаторов должно быть не менее 16 В. Однако нужно иметь в виду следующее обстоятельство. При выходе из строя регулятора напряжения в бортовой сети оно может подняться с 14 до 18...20 В. поэтому для предотвращения пробоя конденсаторов рабочее напряжение следует выбрать большим - 20...25 В.

Непосредственная зарядка конденсатора большой емкости от бортовой сети опасна. Поэтому для ограничения тока первоначальную зарядку нужно проводить через резистор сопротивлением 10...20 Ом или, что проще, через автомобильную лампу накаливания. Погасание лампы укажет на то, что дальнейшую зарядку можно проводить "напрямую". Если владелец автомобиля отключает аккумулятор на ночь, для зарядки конденсатора рекомендуется использовать несложное устройство, схема которого показана на рис. 5.

Автозвук: устанавливаем сами

Выключатель применяют любого типа, важно только, чтобы он был рассчитан на максимальный потребляемый системой ток.

Сигнальные цепи и помехи

Правила выбора провода и монтажа цепей питания, о которых шла речь, справедливы и для сильноточных сигнальных цепей. Так, при выборе сечения провода для подключения динамических головок можно с успехом воспользоваться приведенной выше таблицей, уменьшив ток соответственно числу каналов усилителя. Как правило, провода, предлагаемые изготовителем в комплекте с динамическими головками, в большинстве случаев совершенно непригодны для нашей цели. Сопротивление двойного провода длиной 2 м может иногда достигать 0,5...0,7 Ом, что приводит к ощутимым потерям мощности усилителя магнитолы. Поэтому на "колоночных" проводах тоже экономить не стоит.

Особая надежность провода требуется при установке динамических головок в двери автомобиля. Ни в коем случае нельзя пропускать провод "под обивку" - он должен проходить через отверстия в металле двери и стойки, обязательно защищенный направляющей трубкой. Эти меры гарантируют от возможного защемления провода, его перегибов и образования петель.

Прокладка проводов к громкоговорителям обычно не вызывает проблем. Исключение составляют некоторые типы современных автомобилей зарубежного производства. Они настолько насыщены электроникой, что при неудачном монтаже наводки на провода аудиосистемы могут быть ощутимы на слух. Чтобы избежать этого, следует предварительно уточнить местонахождение бортового компьютера и расположение кабелей, по которым происходит обмен данными.

Монтаж межблочной сигнальной проводки заметно влияет на качество звуковоспроизведения. Основная проблема большинства принятых сегодня вариантов компоновки аудиосистемы - большая длина межблочных кабелей. Чаще всего CD-чейнджер размещают в багажнике, а сигнал для регулировки и дальнейшего усиления подается на вход магнитолы, установленной в панели приборов. При наличии дополнительного усилителя его обычно тоже располагают в багажнике, поэтому длина кабеля как минимум удваивается. Собственная емкость при такой длине уже может оказывать влияние на передачу верхних частот. Поэтому входное сопротивление автомобильных усилителей и линейных входов магнитол весьма низкое (порядка 10 кОм). Несмотря на это. лучший выход из положения - рациональная компоновка системы и использование межблочных кабелей минимально необходимой длины. Спрятанные "с глаз долой" излишки кабеля могут ухудшить воспроизведение высших частот.

Для решения проблемы наводок наиболее широко используются два способа - повышение выходного напряжения источников сигнала и применение дифференциальных (балансных) линий связи. Соответственно тому, как выполнены линейные выходы источника сигнала и вход усилителя, выбирают и тип межблочных соединений.

Применение балансных линий характерно для компонентов высокой ценовой категории и гарантирует прекрасную помехозащищенность. Напряжение сигнала поступает на входы дифференциального усилителя в противофазе, а помехи - в фазе и подавляются (рис. 6).

Автозвук: устанавливаем сами

Однако это справедливо только при полной симметрии пинии. Использование симметричного входа с несимметричным выходом (и наоборот) сводит на нет все преимущества этой схемы. В данном случае лучшее решение - применить симметрирующее устройство, наиболее изящное - трансформатор, но для обеспечения необходимых качественных показателей он может оказаться слишком дорогим.

Основные источники помех в автомобиле - система зажигания, создающая трески, и генератор, помеха от которого ощущается как тональная с переменной частотой. Помехи от системы зажигания полностью исключить нельзя, но можно значительно уменьшить. В автомобилях с традиционной (контактной) системой зажигания применение распределителя зажигания со встроенным помехоподавляющим резистором или высоковольтных проводов с распределенным сопротивлением позволяет значительно снизить мощность помех. Дальнейшее снижение уровня помех обеспечит экранированный кабель.

Помехи от работы генератора могут быть вызваны плохим состоянием коллектора и регулятора напряжения. Но даже при идеальном его состоянии при наличии в системе нескольких компонентов помехи могут прослушиваться из-за неправильно выполненного заземления. Если в аудиосистеме существует несколько точек заземления, то при соединении компонентов между собой образуется паразитный контур. Вот почему нельзя допускать соединения общего провода компонентов между собой через межблочные кабели. По этой же причине экран не должен служить сигнальным проводником.

Реализовать это условие просто: при самостоятельном монтаже разъемов на кабель экран с одной стороны не припаивают. При использовании готовых кабелей лепестки RCA-штекера можно изолировать от корпуса разъема тонким слоем изоляционной ленты. Такой же способ позволит выяснить, с какой стороны лучше изолировать экран - со стороны источника сигнала или со стороны усилителя. Если же и эта мера не поможет, остается использовать для всей системы единственную точку заземления, лучше всего - на минусовой клемме аккумулятора.

ТИПЫ АКУСТИЧЕСКОГО ОФОРМЛЕНИЯ И ХАРАКТЕРИСТИКИ ГОЛОВОК

Чтобы стереофоническая АС в автомобиле обеспечивала высококачественное звучание, ее необходимо правильно спроектировать и тщательно установить. В этом разделе даны краткие рекомендации, которые позволят избежать наиболее типичных ошибок, способных свести на нет все конструкторские ухищрения.

Любая динамическая головка требует определенного акустического оформления. Можно подбирать головки под имеющийся тип оформления либо, наоборот, рассчитать необходимое акустическое оформление для имеющихся в наличии.

Проще всего установить динамические головки в предусмотренные для этой цели места. Так обычно и поступают начинающие автомеломаны. Однако у конструкторов автомобилей представления о акустическом оформлении могут очень сильно отличаться от общепринятых. Как правило, штатные места в передних дверях рассчитаны на установку малогабаритных головок диаметром 7.5... 10 см. а направление их излучения можно объяснить только странной прихотью дизайнера. Особенно неудачны в этом отношении отечественные автомобили, в большинстве которых установка фронтальных громкоговорителей вообще не предусмотрена (или противопоказана). Поэтому владельцу волей-неволей приходится проявлять немалую изобретательность при проектировании и изготовлении АС.

Нужно помнить, что с возрастанием сложности акустического оформления увеличивается и его "чувствительность" к ошибкам и просчетам. Поэтому не надо слепо верить приводимым в паспорте усредненным характеристикам динамической головки (фактические могут отличаться на 50...80 %), а измерить самостоятельно резонансную частоту, добротность и эквивалентный объем конкретного экземпляра. Методики измерения этих параметров неоднократно описывались на страницах журнала "Радио", например в [6], и в литературе.

В автомобильных АС из многих видов акустического оформления наибольшее распространение получили "акустический экран" (Infinity Buffle) и "открытый корпус" (Free Air). Первый из них применяется в основном для среднечастотных и широкополосных головок, на которых построено большинство автомобильных аудиосистем; второй же иногда встречается в конструкциях сабвуферов. Вариантом открытого акустического оформления можно также считать панель акустического сопротивления (ПАС. Aperiodic Membrane), но используется она очень редко. Основные причины этого - отсутствие надежной методики расчета и сложность "штучного" изготовления.

АЧХ динамической головки в "открытом" оформлении спадает в области нижних частот с крутизной 6 дБ на октаву, что аналогично акустическому ФВЧ первого порядка. Теоретически АЧХ на нижних частотах должна иметь подьем (с учетом передаточной характеристики салона), но реально этого не происходит. Максимум, на что можно рассчитывать в этом случае - небольшой "горб" в области 50...70 Гц. Расчет обычно не производят, уповая на универсальность динамических головок и установку в штатные места. Однако при выборе головок для конкретного варианта открытого оформления стоит учесть их характеристики. Основные достоинства такого оформления - гладкая фазовая характеристика и отсутствие выброса на переходной, что положительно сказывается на "музыкальности" воспроизведения, а также высокий КПД. Недостаток - ослабленное воспроизведение низших частот (подробно об этом далее). Поэтому акустический экран в чистом виде для оформления низкочастотных головок практически не применяется.

Второе место по распространенности разделили "закрытый корпус" (Closed Box) и фазоинвертор (ФИ, Vented Box, Ported Box, Bass Reflex), применяемые как для мидбасового звена, так и в сабвуферах. Кроме того, закрытый корпус небольшого объема применяется и при оформлении среднечастотных и широкополосных головок, установленных совместно с низкочастотными. Изоляция тыльной стороны диффузоров от излучения мощной НЧ головки устраняет перегрузку их подвижной системы и интермодуляционные искажения.

Закрытый корпус аналогичен ФВЧ второго порядка. Основные его достоинства - отличное сопряжение с передаточной характеристикой салона автомобиля (представляющего собой ФНЧ второго порядка), что теоретически позволяет получить плоскую АЧХ, и прекрасная импульсная характеристика. Недостаток - низкий КПД, что требует применения чувствительных головок или повышенной мощности усилителя.

Корпус с фазоинвертором - аналог ФВЧ четвертого порядка, но фактически, в зависимости от исполнения и настройки, может быть близким к третьему порядку. Поэтому даже с учетом передаточной характеристики салона плоская суммарная АЧХ недостижима. Достоинство - высокий КПД. Импульсная характеристика несколько хуже, чем у закрытого корпуса. Основной недостаток - ниже частоты настройки фазоинвертора амплитуда колебаний диффузора ограничивается только жесткостью подвеса, поэтому возможно повреждение головки. Для предотвращения этого в тракте сигнала необходимо применять фильтр, срезающий инфра-низкие частоты (subsonic filter).

Такие экзотические виды акустического оформления, как "пассивный излучатель" (Passive Radiator) и "полосовой" громкоговоритель (Bandpass) со свойствами ФВЧ четвертого - восьмого порядков. применяются исключительно в сабвуферах. Достоинство полосового громкоговорителя - высокий КПД, импульсные же характеристики весьма посредственны и ухудшаются с ростом порядка.

Перечисленными видами акустического оформления практически и ограничиваются в автомобильных акустических системах. Акустический рупор и лабиринт ввиду значительных размеров - большая редкость даже в "домашней" акустике, а применить их в автомобиле просто невозможно. Исключение (крайне редкое) составляют только рупорные "пищалки".

С методикой расчета фазоинверторов и пассивных излучателей можно ознакомиться в [7]. Однако предлагаемые там графические методы расчета трудоемки и не очень точны. Удобнее воспользоваться современными программами расчета, многие из которых позволяют учесть передаточную характеристику салона. Это позволяет оценить действие всех параметров на АЧХ системы. Программное обеспечение для расчета акустического оформления можно найти в сети Интернет (например. [8-11]).

С распространением ПО для расчета акустического оформления сложность проектирования уже не является сдерживающим фактором, но. поскольку число "степеней свободы" растет, для сложных конструкций низкочастотных громкоговорителей необходимы обязательный контроль параметров динамических головок и настройка готового изделия. Поэтому наибольшее распространение в любительских конструкциях получили корпусы закрытые и с фазоинверторами. По той же причине полосовые излучатели в любительских установках встречаются, как правило, в виде готовых изделий с порядком не выше четвертого. Более сложные конструкции - редкость даже среди промышленных и профессиональных конструкций.

Несколько большие перспективы в любительских установках у пассивного излучателя, в ряде случаев он может оказаться предпочтительней фазоинвертора. При использовании динамической головки с большим ходом диффузора для устранения шума воздуха в тоннеле фазоинвертора его сечение и длину приходится значительно увеличивать, при этом длина тоннеля может превысить размеры корпуса. В этом случае удобнее перейти к использованию пассивного излучателя. По сути, это разновидность фазоинвертора. в котором масса воздуха в тоннеле заменена массой подвижной системы пассивного излучателя.

В роли пассивного излучателя можно использовать отдельную динамическую головку. Обычно в любительских конструкциях ее используют без магнитной системы, но лучше использовать полноценную головку. Настраивать ПИ в таком случае уже можно не только механически (меняя массу подвижной системы пассивного излучателя), но и электрическим способом - изменяя сопротивление резистора, подключенного параллельно звуковой катушке пассивного излучателя [12]. Этот нетрадиционный метод позволяет изменять характеристики системы в широких пределах. На рис. 7 приведены экспериментально полученные зависимости от частоты модуля полного электрического сопротивления динамической головки 25ГДНЗ-4 в закрытом корпусе объемом 7 л с пассивным излучателем 25ГДН4-4. Как видно из рисунка, введением шунта пассивной головки Rш возможно регулировать характеристики громкоговорителя с фазоинвертором.

Автозвук: устанавливаем сами

На рис. 8 представлены результаты моделирования АЧХ такой АС программой JBL SpeakerShop с учетом передаточной функции салона "классик" автомобиля ВАЗ. Кривая 1 - АЧХ для закрытого корпуса, кривая 2 - для фазоинвертора. Участки графиков для частот ниже 30 Гц физического смысла не имеют, так как моделирование передаточной функции не учитывает реальных свойств салона.

Автозвук: устанавливаем сами

Выбор акустического оформления напрямую связан с характеристиками динамической головки, прежде всего с ее полной добротностью QK. Низкой считается полная добротность головки меньше 0.3...0,35; высокой - больше 0,5...0.6. Для работы в закрытом корпусе пригодны головки с добротностью не более 0.8...1, для работы с фазоинвертором - менее 0,6. Открытое акустическое оформление рекомендуется для головок с полной добротностью более 1.

Кроме того, необходимо знать эквивалентный объем для головки и ее собственную резонансную частоту в открытом пространстве Fv Она определяет нижнюю границу полосы воспроизводимых частот. Поскольку все виды акустического оформления, кроме открытого, повышают частоту резонанса головки, зная эквивалентный объем, можно оценить необходимый объем корпуса исходя из допустимой степени ее повышения.

Пригодность головки для воспроизведения низших частот можно оценить по эмпирическому соотношению Fv/Qk. Если это отношение составляет 50 или меньше, излучатель предназначен для работы в закрытом корпусе, если 90 и больше - в фазоинверторе. С этих же позиций для работы в открытом оформлении надо выбирать головку с высокой полной добротностью (не меньше 0.5) и резонансной частотой 40...50 Гц. Правда, в этом случае приходится учитывать и другие факторы.

Выбирая акустическое оформление, рекомендуем ориентироваться на результирующую добротность в диапазоне 0.5...1,0. Если она равна 0,5. то достигается наилучшая импульсная характеристика, если 0,707, то АЧХ наиболее гладкая. При добротности, равной 1. на частоте среза появляется подъем около 1.5 дБ. воспринимаемый на слух как "хлесткий" звук. С ростом добротности на АЧХ появляется ярко выраженный резонансный "горб", дающий характерный "гудящий" призвук. Впрочем, в некоторых случаях с учетом характера музыкального материала и передаточной характеристики салона это может оказаться полезным.

Открытое оформление автомобильной АС создается, как правило, панелями салона. Их характеристики далеки от необходимых, а изменения практически невозможны. Поэтому приходится заранее мириться с ухудшением АЧХ в области низких частот. Площадь идеального акустического экрана, не влияющего на воспроизведение частот выше резонансной частоты головки Fs. составляет

S = 0,125(Vs/FsQk)2(м2).

где Vs = 340 м/с - скорость звука;

Qk - полная добротность головки.

Поскольку площадь реального акустического экрана значительно меньше идеальной, при таком оформлении динамических головок на нижней частоте воспроизводимого диапазона появится спад АЧХ:

N=10lg (S'/S) (дБ), где S' - фактическая площадь экрана.

Поясним сказанное на примере. Если взять Fs= 60Гц, Оk = 0,8 (типичные значения для "лопухов"), площадь идеального экрана составит 6,2 м2! Площадь задней полки даже в "четверке" раз в шесть меньше, поэтому спад АЧХ на частоте 60 Гц составит порядка 8 дБ. Даже с учетом передаточной характеристики салона воспроизведение частот ниже 100 Гц будет заметно ослаблено.

Аналогичный эффект наблюдается и при установке головки в закрытый корпус, только причины ее другие. Частота резонанса и полная добротность головки при установке в закрытый корпус объемом V. соизмеримым с эквивалентным Vas. увеличиваются:

F's = kFs;

Qk = kQk;

k = √(1+Vas/V).

Здесь Vas - эквивалентный объем; V- объем корпуса.

Таким образом, при установке головки в закрытый корпус с объемом, равным эквивалентному, ее резонансная частота и добротность увеличиваются в 1.41 раза, в корпусе объемом 0.5Vas - в 1,73 раза и так далее. Именно это обстоятельство ограничивает применение в автомобиле головок от "домашних" АС. поскольку они в большинстве случаев требуют значительного обьема корпуса. Однако можно несколько подкорректировать характеристики корпуса, если заполнить его звукопоглотителем.

Введение звукопоглотителя в корпус эквивалентно увеличению его обьема на 5...30 %. Соответственно снижается и резонансная частота громкоговорителя, в пределе она уменьшается до 0.85 от исходной величины для незаполненного корпуса. Кроме того, звукопоглотитель позволяет уменьшить отражения сигнала и резонансные явления, что благоприятно сказывается на результирующей АЧХ. Экспериментально установлено, что этот метод наиболее эффективен для корпусов небольшого объема. Концентрация звукопоглотителя должна составлять 20...24 г на литр объема [13J. На практике добавление звукопоглотителя прекращают после того, как резонансная частота головки перестанет снижаться.

В закрытом корпусе нужно заполнить приблизительно 60 % обьема позади головки, при наличии фазоинвергора или пассивного излучателя достаточно нанести звукопоглотитель на заднюю (обязательно) и боковые (желательно) стенки слоем толщиной не менее 20 мм. В резонансных камерах - акустического оформления высоких порядков - звукопоглотитель не обязателен, но в некоторых случаях может быть полезным нанести его на одну из стенок слоем 10 ..20 мм для снижения добротности.

Звукопоглощающий материал для заполнения внутреннего объема корпуса должен быть рыхлым и пористым. Применимы вата в виде матов (для закрытого оформления можно в матерчатом или марлевом мешке), дакрон (синтепон). Удобно также применять листовой поролон (пенополиуретан) в виде ковриков и матов толщиной 20...50 мм. Не следует размещать звукопоглотитель вблизи отверстия или трубы фазоинвертора. так как чрезмерное демпфирование может привести к полному прекращению его действия. Маты крепят к внутренним поверхностям корпуса гвоздями, шурупами или на клею.

По конструктивному исполнению автомобильные АС можно разделить на встроенные и корпусные. Для встроенной АС акустическое оформление в значительной мере (а нередко и полностью) создается элементами конструкции кузова и салона автомобиля. Это. прежде всего, штатные или созданные самостоятельно посадочные места в дверях, задней полке, приборной панели. Как правило, акустическое оформление в этом случае - открытый корпус или акустический экран. Корпусные громкоговорители используются главным образом для закрытого и фазоинверсного акустического оформления.

В любом акустическом оформлении следует избегать каких-либо щелей и отверстий, корпус должен быть максимально герметичным. Перетекание воздуха с задней стороны диффузора и связанные с этим потери - основная причина значительного отклонения измеренных АЧХ на низких частотах от расчетных. Отверстия или щели вблизи места установки головки приводят к акустическому "короткому замыканию", вследствие чего воспроизведение низших частот резко ухудшается. При установке трубы фазоинвертора также необходимо обеспечить герметичность стыка ее с панелью. С этой же целью в конструкции корпусных АС рекомендуется применять проходные разъемы, установленные на корпусе, потому что вывод кабеля через резиновые втулки не обеспечивает должной герметичности. Поскольку компоненты аудиосистемы не должны затруднять техническое обслуживание автомобиля, разъемные соединения улучшают эксплуатационные характеристики.

Для акустического оформления типа "акустический экран" и "открытый корпус", применяемого для широкополосных и СЧ головок, требование герметичности желательно выполнить для всей передней панели. Если это невозможно, следует обеспечить это условие хотя бы в пределах площади, ограниченной удвоенным размером диффузора головки. Это относится, прежде всего, к установке динамических головок в двери и заднюю полку.

При любом варианте установки динамической головки в дверь получившееся акустическое оформление, с одной стороны, обладает достаточно большим объемом (20...30 и более литров в зависимости от типа автомобиля), с другой - герметичность этого объема весьма условна. Даже при герметизации внутренней облицовки по периметру остаются уплотнения стекла, отверстия для стока воды, ручки замков. Вследствие этого акустическое оформление головки при установке в дверь обычно ближе к акустическому экрану, нежели к закрытому корпусу. Если же в двери необходимо организовать закрытый объем или фазоинвертор, зачастую проще специально изолировать там нужный объем, чем герметизировать всю дверь.

При установке излучателей в заднюю полку нужно учитывать - изолирован объем багажника от салона или нет. Так. в отечественных автомобилях ВАЗ ("классик") объем багажника отделен от салона только картонной перегородкой, и его герметичность определяется исключительно плотностью прилегания и конструкцией спинки заднего сиденья (спинка может быть оборудована откидным подлокотником). У многих иномарок, наоборот, багажник отделен от салона сплошной металлической перегородкой. В автомобилях с кузовами "универсал" и "хетчбек" багажное отделение вообще не изолировано от салона, поэтому акустическое оформление тыловой АС в этом случае - типичный акустический экран.

При установке головки с внутренней стороны панели диаметр отверстия для нее должен быть равен диаметру диффузора с учетом гофра. Если толщина панели более 5...10 мм. образующийся перед головкой "тоннель" (рис. 9,а) может увеличить неравномерность АЧХ в области частот выше 3...5 кГц за счет интерференционных явлений. Для исключения такого эффекта в отверстии нужно снять фаску (рис, 9,б) или скруглить кромку (рис. 9,в). Интересен тот факт, что штатные посадочные места во многих автомобилях вопреки здравому смыслу отличает именно глубокая установка головок (15...50 мм), а конструкция защитных решеток не отвечает акустическим требованиям. При установке с наружной стороны диаметр отверстия выбирают по размерам диффузоро-держателя. Такой вариант установки предпочтителен для широкополосных и СЧ головок, особенно при большой толщине панелей (рис. 9,г). Устанавливая импортные головки, для разметки отверстий можно воспользоваться нанесенными на упаковочной коробке шаблонами.

Автозвук: устанавливаем сами

Диффузор головки нужно в любом случае защитить от повреждений тонкой решеткой или сеткой с ячейками 5... 10 мм. Увеличение размера ячейки уменьшает акустическое сопротивление решетки, но увеличивает риск случайного повреждения. Полезно таким же образом защитить тоннель фазоинвертора от попадания посторонних предметов, koгда сабвуфер расположен в багажнике.

Если в конструкции динамической головки не предусмотрено посадочное уплотнение, ее следует устанавливать на панель через прокладку из губчатой резины или резиновой трубки. Это требование в равной степени призвано обеспечить как герметичность конструкции, так и механическую развязку головки от корпуса. Головки закрепляют винтами, шурупами или шпильками. Их не следует затягивать слишком сильно, чтобы не вызвать перекос диффузородержателя и подвижной системы и не увеличить вибрации. Особенно это относится к низкочастотным головкам.

Материал корпуса должен обеспечивать жесткость панелей, особенно той, на которой смонтированы головки. Наиболее подходящие материалы из доступных - фанера, ДВП и ДСП. Для изготовления криволинейных поверхностей применяют композитные материалы (стеклоткань, бумага, картон, эпоксидные смолы, стеклотекстолит, пенопласт и т. д.). Поклонниками car audio разработано немало интересных технологий. Объем журнальной публикации не позволяет подробно остановиться на деталях, но основные принципы изложены ниже.

Чем больше размеры корпуса и мощность головки, тем толще должен быть материал корпуса. Для сабвуферов толщина панелей под излучатель должна быть не меньше 15 мм, прочих - не менее 10 мм. Жесткость панелей большого размера можно увеличить с помощью дополнительных распорок между противоположными стенками или ребер жесткости в виде прикрепленных к панели брусков. Еще большую жесткость обеспечивают шпангоуты в виде рамок замкнутого профиля, вклеенные в пазы панелей. Они же могут быть образующей панели сложной формы. Материал для шпангоутов - фанера толщиной 10.. 12 мм (рис. 10).

Автозвук: устанавливаем сами

С другой стороны, необходимо обеспечить демпфирование упругих колебаний панели. Проще всего обеспечить это на границе раздела разнородных материалов. Отличные результаты дает применение многослойных панелей - "сэндвичей" (фанера+ДСП, ДСП+стек-лоткань) (рис. 11) и демпфирование панелей шумопоглощающей мастикой.

Автозвук: устанавливаем сами

Технология изготовления прямоугольных корпусов из фанеры и ДСП неоднократно описывалась на страницах радиолюбительских изданий, поэтому здесь будет освещена вкратце. Поскольку требования к отделке корпуса в данном случае вторичны (зачастую его кроме владельца никто и не увидит), основное требование - прочность и надежность. Проще всего соединять панели с помощью металлических уголков или деревянных брусков. Деревянные бруски упрощают изготовление непрямоугольного корпуса, более приспособленного к установке под передними сиденьями или за спинкой заднего. В любом случае панели и связующие элементы устанавливают на клею и крепят шурупами или винтами, а после высыхания клея стыки герметизируют изнутри силиконом, эпоксидной смолой или герметиком. Для заделки наружных щелей на стыке панелей можно приготовить смесь древесных опилок с клеем или эпоксидной смолой или взять шпатлевку. Готовый корпус нужно ошкурить, затем зашпаклевать, загрунтовать и покрасить, а можно и отделать ковровым покрытием (рис. 12).

Автозвук: устанавливаем сами

Внутренние поверхности корпуса следует хорошо за демпфировать. Наружные поверхности акустического оформления, установленного в салоне, обычно обтягивают винилом.

Корпусы прямоугольной или трапециевидной формы просты и технологичны, но неэкономно используют пространство под сиденьями или в багажнике. Этот недостаток устранен в корпусах типа "стелс" (невидимки). Для максимального использования объема (обычно ото ниша в крыле или место для запасного колеса) одна или несколько поверхностей, а иногда и весь корпус выклеивают из стеклоткани "по месту". Технология изготовления такова [14].

Очищенную и подготовленную полость (матрицу будущего корпуса) смазывают маслом и выстилают полиэтиленовой пленкой. Затем на пленку укладывают два-три слоя стеклоткани, предварительно пропитанной эпоксидной смолой. Куски лучше нарезать небольшие, чтобы избежать образования складок при формовке сложных поверхностей. Стеклоткань тщательно разглаживают, чтобы удалить воздушные пузыри и излишки смолы. После полимеризации смолы полученную "скорлупу" аккуратно извлекают из "матрицы". Дальнейшую выклейку производят внутрь, чтобы не нарушить форму и размеры будущего корпуса. Не следует торопиться и укладывать более двух-трех слоев стеклоткани за один раз.

В процессе выклейки в стенках корпуса заформовывают элементы жесткости - деревянные бруски, фанерные распорки. Если корпус не имеет отдельной передней панели, на этом же этапе нужно заформовать фанерное кольцо для крепления динамической головки. После того, как толщина стенок дойдет до 5... 10 мм (в зависимости от размера корпуса), корпус стыкуют с передней панелью. Остается отделка наружной поверхности корпуса и демпфирование внутренней. Для контроля объема корпуса и его герметичности внутрь заливают воду. Излишки объема можно устранить, вклеивая внутрь корпуса куски пенопласта.

Другая, не менее интересная технология тоже использует стеклоткань для изготовления корпусов-оболочек. Наибольшее распространение она получила при изготовлении подиумов для установки головок на двери или в кик-панели. Есть две ее разновидности - выклейка по модели, как в [15], и использование поверхности минимальной кривизны ("текстильная технология") [16].

Если предполагается "серийное" изготовление, то модель, конечно, нужно сделать из дерева, гипса или металла. При этом возникает ряд проблем с установкой закладных элементов и элементов жесткости. В любительских условиях легче использовать одноразовую модель из пенопласта. Предварительно изготавливают каркас (рис. 13.), фиксирующий положение опорного кольца для крепления головки относительно установочной поверхности подиума.

Автозвук: устанавливаем сами

Каркас может быть деревянным, проволочным, спаянным из фольгированного стеклотекстолита. Затем на каркасе фиксируют куски пенопласта, поверхности оформляют строительной пеной "Макрофлекс". После этого модель доводят до требуемой формы и размеров и оклеивают стеклотканью вместе с установочным кольцом, как указано ранее. Если внутренний объем подиума нужен полностью, модель можно извлечь по частям или растворить ацетоном, но чаще ее оставляют, чтобы получить дополнительную жесткость и прочность корпуса. Можно обойтись и без пенопласта, выклеивая внутренний слой корпуса из тонкого картона, но эта работа требует большой аккуратности - все дефекты поверхности модели проявятся на внешнем слое.

"Текстильная технология" несколько проще. В этом случае также изготавливают каркас, соединяющий опорную плоскость и установочное кольцо. Затем каркас обтягивают тканью. Хорошо зарекомендовали себя тонкий х/б трикотаж в один слой или колготки в несколько слоев. Получившаяся конструкция пропитывается эпоксидной смолой, а затем так же доводится до нужной толщины отрезками стеклоткани. Клеить можно как снаружи (это проще, но потом усложняет отделку), так и изнутри.

Еще один (но не последний!) материал для изготовления корпусов - бумага. Корпусы сабвуферов цилиндрического сечения ("трубы"), изготовленные из папье-маше, благодаря своей геометрии обладают большой прочностью и жесткостью при незначительной - всего несколько миллиметров - толщине стенок. С тем же успехом можно использовать пластиковые трубы подходящего сечения. Торцевые стенки изготавливают из ДСП или фанеры.

ПОДКЛЮЧЕНИЕ АС К МАГНИТОЛЕ

Большинство создателей автомобильных аудиосистем убеждены, что без мощного усилителя и дорогой АС высокое качество звуковоспроизведения недостижимо. По-своему они правы. Но при грамотном подходе к выбору, размещению и подключению динамических головок хорошего результата можно добиться и со встроенными усилителями магнитолы, используя относительно недорогие головки. Причем вполне возможно добиться достаточно большой громкости. Так. в машине автора этих строк звуковое давление 117 дБ было достигнуто за счет суммарной мощности около 60 Вт. что, как известно, меньше максимальной мощности современных магнитол (80...160 Вт).

Предлагаемые в статье решения представляют наибольший интерес для начинающих любителей автозвука, поскольку не требуют серьезных затрат времени и средств. Все рекомендации, кроме особо оговоренных случаев, касаются магнитол с четырехканальными усилителями мощности. Устаревшие модели магнитол с двухканальным усилителем малой мощности здесь рассматриваться не будут.

Справедливости ради следует отметить, что некоторые из приводимых рекомендаций имеют смысл только при использовании недорогих моделей магнитол и CD-ресиверов. Многие современные аппараты имеют в своем составе и перестраиваемые фильтры, и эквалайзеры, и другие полезные устройства. Так, CD-ресивер Pioneer DEH-2000R позволяет включить в тракт тыловых каналов ФНЧ с перестраиваемой от 100 до 250 Гц частотой среза и оснащен параметрическим эквалайзером с регулировкой центральной частоты и добротности для каждой из трех полос.

Многие автолюбители устанавливают динамические головки в двери и заднюю полку с подключением к магнитоле по штатной схеме "фронт-тыл". Аналогичные аудиосистемы встречаются на машинах, прошедших предпродажную подготовку и на подержанных автомобилях. Акустические недостатки этого варианта АС уже были рассмотрены ранее, однако, поскольку он все еще распространен, предложу метод его улучшения, практически не требующий затрат.

При установке головок в заднюю полку СЧ и ВЧ составляющие сигнала вызывают чрезмерное смещение звуковой сцены назад. Исправить положение можно, ограничив полосу воспроизведения задних громкоговорителей нижними частотами. Так как в этой роли выступают обычно коаксиальные головки, самый простой способ - отключить "пищалки" (их можно на первых порах использовать при модернизации фронтальной АС). Допустимо также применить в качестве тыловых низкочастотные головки. Однако остаточный уровень СЧ и ВЧ составляющих сигнала достаточно велик, поэтому для его снижения необходимо применить ФНЧ с частотой среза в интервале 0.8... 1 кГц.

С другой стороны, у большинства распространенных малогабаритных громкоговорителей, используемых в таких установках для фронтальной АС, низкочастотные составляющие сигнала могут привести к перегрузке и искажениям уже при среднем уровне громкости. Очевидно, что для устранения этого дефекта потребуется ФВЧ. Хорошие результаты обычно получают уже с фильтрами первого порядка с частотой среза около 200 Гц.

Схема одного канала комбинированного фильтра, реализующего оое эти функции, показана на рис. 14.

Автозвук: устанавливаем сами

Конденсаторы С1, С2 - любые оксидные, например. К50-24. Если есть возможность, вместо них лучше использовать неполярный оксидный конденсатор емкостью 220 мкФ. Катушка L1 содержит 160 витков провода ПЭВ-2 1.0, ее наматывают на оправке диаметром 25 мм (длина намотки 24 мм). Индуктивность катушки - около 0,6 мГн.

Этот же вариант подключения (при размещении всех излучателей спереди) иногда применяют и для компонентной фронтальной АС. В этом случае придется регулировать тональный баланс не только регуляторами тембра, но и соответствующим распределением мощности усилителей, что отчасти компенсирует отсутствие эквалайзера. Если имеется готовый комплект двухполосной АС. проще всего использовать штатный кроссовер, разделив входы ФВЧ и ФНЧ для подключения к фронтальным и тыловым каналам соответственно (так называемый bi-amping). При самостоятельном изготовлении АС расчет фильтров производят по любой известной методике, например [7]. Предпочтение следует отдать фильтрам первого порядка - они вносят минимальные фазовые искажения и потери, просты в изготовлении и настройке.

При частоте раздела 5...7 кГц, характерной для малогабаритных ВЧ головок, в таком включении наилучшим образом проявят себя магнитолы с неравным распределением мощности между фронтальными и тыловыми каналами (например, 2X7 Вт - "фронт" и 2x25 Вт - "тыл"). Этому условию отвечает ряд недорогих аппаратов: CD-ресивер ТСН-77 (LG Electronics), магнитолы Daewoo AKF-4087X. AKF-4237X, AKF-4377X, AKF-8017X, ProJogy KX-2000R. ARX-9751/52. обновленный "Урал" (модели 206. 207. 208). С целью упрощения фильтр для НЧ головки можно и не использовать, поскольку естественный спад АЧХ большинства из них начинается именно в этой области частот. Правда, головки с диффузором диаметром более 13 см могут работать и в зонном режиме излучения, но это приводит к неравномерности спада АЧХ на высших частотах.

У магнитол же с каналами равной мощности, те из них. которые работают на "пищалки", используют не более трети своей мощности. В этом случае есть смысл подумать о снижении частоты раздела до 1.5...3 кГц, но тогда потребуются ВЧ головки с низкой частотой основного резонанса и ФВЧ высоких порядков. Стоимость их немалая, поэтому трехполосная фронтальная АС может оказаться даже дешевле.

В качестве низкочастотного звена трехполосной АС при монтаже "в двери" желательно использовать автомобильные широкополосные или низкочастотные головки диаметром 16 см или эллиптические 6x9 дюймов. Автомобильные головки меньшего размера редко способны обеспечить полноценное воспроизведение частот ниже 100... 120 Гц. Для корпусных громкоговорителей "под сиденья" можно использовать отечественные головки 25ГДНЗ-4 (с фазоинвертором) и 25ГДН4-4 (в закрытом корпусе). В качестве СЧ-ВЧ звена на первом этапе вполне подойдут коаксиальные головки диаметром 7.5... 13 см.

В таком варианте лучшая частота раздела между полосами НЧ и СЧ-ВЧ - около 350 Гц. При этом катушка L1 должна содержать уже 240 витков провода ПЭВ-2 1.0. Ее наматывают на оправке диаметром 25 мм (длина намотки - 24 мм). Индуктивность катушки - 1,8 мГн. Емкость конденсаторов CI. С2 нужно уменьшить до 220 мкФ или взять неполярный емкостью 100 мкФ.

В более совершенной разнесенной трехполосной АС применяют отдельные излучатели СЧ и ВЧ. Как упоминалось ранее, это снимает ряд компоновочных ограничений и позволяет наилучшим способом использовать каждую головку. ВЧ излучатели в такой системе обычно работают при относительно высокой частоте раздела (5... 10 кГц) и поэтому не требуют применения сложных фильтров. Для первых экспериментов вполне подойдут "пищалки", изъятые ранее из коаксиальных головок, но лучше взять для этой цели специальные малогабаритные ВЧ головки.

Доступные СЧ головки с "мягким" диффузором диаметром до 10 см или широкополосные в этой полосе можно использовать только с ФВЧ. не ограничивая полосу частот сверху, поскольку их АЧХ в рабочем диапазоне частот достаточно равномерна и плавно спадает на высоких частотах. Головки большего диаметра, как уже отмечалось, обладают значительной неравномерностью АЧХ. Головки с диффузорами высокой жесткости часто имеют в области СЧ несколько резонансов, создающих призвуки, поэтому для них необходимы полосовые фильтры.

Для исправления локальных дефектов АЧХ головок в рабочей полосе частот профессиональные студии иногда применяют кроссоверы с корректирующими LCR-звеньями. Их настройка должна сопровождаться обязательными измерениями АЧХ по звуковому давлению.

Несколько проще обстоит дело с демпфированием резонанса ВЧ головки, расположенного достаточно близко к рабочей полосе частот [17]. Для этой цели применяется последовательный LC-контур, подключенный параллельно головке и настроенный на частоту ее основного механического резонанса (рис. 15).

Автозвук: устанавливаем сами

Резистор R1 выполняет сразу несколько функций. Прежде всего он стабилизирует импеданс нагрузки, одновременно улучшая условия работы и усилителя, и фильтра. При установке резистора увеличивается также глубина режекции. Этим резистором возможно подстроить АЧХ на высоких частотах. Нужно, однако, иметь о виду, что его сопротивление входит в нагрузку ФВЧ и влияет на частоту среза.

Для СЧ головок этот метод демпфирования малопригоден, поскольку частота их основного механического резонанса составляет обычно НО... 150 Гц. Индуктивность и емкость корректирующего контура получаются слишком большими Исключение составляют только купольные СЧ головки, для которых эта частота значительно выше - 350...450 Гц.

Приведенные способы подключения АС предполагают использование усилительных каналов магнитолы, однако перечень вариантов таких способов отнюдь не исчерпан. Они бывают, например, комбинированными, когда используются особенности построения мостовых усилителей, которые имеют все современные магнитолы.

Рассмотрим варианты подключения двух- или трехполосной АС к магнитолам Sony 1253/1853 и аналогичным [18] УМЗЧ этих моделей можно использовать как двухканальный мостовой с максимальной мощностью 2V25 Вт или как четырехканальный с обычным подключением нагрузки и "виртуальной землей". Мощность при этом составляет 4x6 Вт. Возможен и третий вариант, разработанный автором. На рис. 16 приведена схема для одного канала.

Автозвук: устанавливаем сами

В этом случае НЧ головка ВА1 подключается по мостовой схеме, а коаксиальная или среднечастотная ВА2 (и высокочастотная ВАЗ в трехполосной АС) - по обычной. Необходимые при этом разделительные конденсаторы С2, C3 одновременно выполняют роль ФВЧ первого порядка. Поляризующие напряжения обеспечиваются усилителем, поэтому можно применить доступные полярные оксидные конденсаторы. При таком включении регулятор фейдера используется для установки тонального баланса. С учетом выбранных частот раздела - 440 Гц и 4 кГц - и разной чувствительности головок (у низкочастотных она обычно на 2...4 дБ ниже) баланс достигается в близком к среднему положении регулятора.

Зависимость подводимой к головкам мощности от положения движка фейдера показана на рис. 17.

Автозвук: устанавливаем сами

В процессе регулирования мощность на мостовой нагрузке снижается максимально на 6 дБ (в 4 раза), поскольку в крайних положениях регулятора возбуждение головок сводится к обычному (оставшееся без сигнала плечо усилителя выполняет роль "виртуальной земли"). Следует учитывать, что в зоне совместного действия головок они оказываются соединенными параллельно, но. поскольку на этих частотах уже сказывается рост импеданса нагрузки из-за индуктивности звуковой катушки, реально перегрузка усилителя не возникает. Эксплуатация такой системы в течение года подтвердила ее высокую надежность. Таким же образом используются и мостовые усилители двухканальных магнитол с фейдером на выходе, который следует отключить, чтобы регулятор не оказывал влияния на частоту среза фильтров.

Естественно, по предложенной схеме можно включить нагрузку и для более современных магнитол. Все сказанное выше останется в силе, только исчезнет возможность регулировать соотношение мощностей фронтальной АС. Например, более мощные усилители уже упоминавшихся моделей с каналами разной мощности выполнены по мостовой схеме, а менее мощные - по обычной. В таком варианте можно применить смешанное подключение фронтальных головок к тыловым каналам, а тыловую АС для "подзвучки", не требующей большой мощности, подключить к фронтальным каналам по обычной схеме или схеме Хаффлера (с разностным сигналом). Положения фейдера "фронт-тыл" поменяются местами, но в эксплуатации это практически не существенно.

Помимо смешанного подключения головок к усилителю одного канала, уже давно используется мостовое включение нагрузки между левым и правым каналами. Подобным образом можно организовать суммарный канал для подключения сабвуфера или отдельной НЧ головки. Такая схема подключения в англоязычной литературе получила наименование "mixed mono" ("смешанное моно"). Однако для читателей "Радио" она не будет чем-то принципиально новым [19, 20].

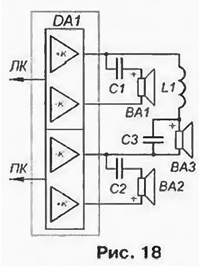
Рассмотрим схему подключения к АС усилителя с двумя мостовыми выходами каналов (рис. 18). Динамические головки ВА1, ВА2 образуют громкоговорители левого и правого стереоканалов. Они условно показаны широкополосными. Низкочастотная головка ВАЗ подключена между выходами усилителей левого и правого каналов, при этом сигналы суммируются и головка воспроизводит монофонический сигнал.

Автозвук: устанавливаем сами

В этой схеме подключения обязательно наличие двух ФВЧ для стереоканалов и ФНЧ для суммарного канала. Их задача - исключить параллельную работу головок и перегрузку усилителя. Обычно для стереоканалов используются фильтры первого порядка (С1, С2), для суммарного - второго (C3L1) или третьего. Расчет их производится обычным способом. Частоту раздела и порядок ФНЧ выбирают в пределах 80...200 Гц в зависимости от места размещения низкочастотной головки. Если она размещена в задней части салона, частоту раздела следует выбирать как можно ниже, а порядок - выше, чтобы избежать воспроизведения сабвуфером "голосового" диапазона. Однако это требует изготовления относительно больших катушек индуктивности. Использовать в их конструкции ферромагнитные магнитопроводы нежелательно, поскольку искажения, вызванные неизбежным намагничиванием сердечника, значительно ухудшают качество звучания.

Для магнитол с четырехканальным мостовым усилителем, которым снабжены практически все современные модели, приведенные варианты включения АС можно комбинировать различным образом. Например, используя одновременно "низкочастотное моно" и обычную (не мостовую) схему подключения (рис. 19), по получившейся схеме можно подключить сабвуфер и "пищалки" или тыловые АС (с ограничением полосы частот), а оставшиеся каналы использовать для фронтальной АС. Поскольку в таком варианте используются инвертирующие и неинвертирующие выходы УМЗЧ, обратите внимание на полярность подключения головок. Словом, вариантов много - была бы фантазия.

Автозвук: устанавливаем сами

Однако всем названным здесь решениям присущ один недостаток - пассивные разделительные фильтры на выходе усилителя. В них приходится применять оксидные конденсаторы, негативное влияние которых на качество звучания общеизвестно. Можно, конечно, набрать соответствующие "батареи" из бумажных или полипропиленовых конденсаторов, но габариты и стоимость этих фильтров превзойдут все разумные пределы. Изготовление катушек индуктивности для низкочастотных звеньев кроссовера также являются серьезным испытанием для радиолюбителя. При использовании распространенных обмоточных проводов диаметром 1...1,5 мм трудно получить активное сопротивление меньше 0,5 Ом, что означает ощутимую потерю и без того небольшой мощности встроенных усилителей.

Кроме того, в процессе настройки нередко возникает необходимость изменить частоты раздела полос или уровень сигнала, подводимого к отдельным головкам. Можно, конечно, предусмотреть аттенюаторы, переключаемые емкости и индуктивности, но это сильно усложняет и удорожает конструкцию, особенно для фильтров высокого порядка. Ведущие производители автомобильных АС выпускают несколько моделей "универсальных" кроссоверов с переключаемыми частотами раздела, но, как правило, в них использованы фильтры первого порядка. С целью повышения надежности и удешевления кроссоверов переключатели в них применяют редко, а выбор частоты производят подключением головок к соответствующим клеммам.

Большинство этих проблем можно избежать, если перенести разделительные фильтры с выхода усилителей на их вход и перейти к двухполосному усилению. Для этого не обязательно применять активные фильтры высокого порядка. Даже пассивные фильтры первого порядка на входе УМЗЧ (1] обеспечивают заметно лучшее качество звучания, чем с фильтрами на выходе (при тех же частотах раздела).

Наиболее удобен такой вариант при использовании современной магнитолы с четырехканальными мостовыми усилителями равной мощности и трехполосной фронтальной АС. В этом случае одна пара каналов служит для усиления сигналов в полосе НЧ, а вторая - в полосе СЧ-ВЧ. Для разделения сигналов СЧ и ВЧ используется пассивный фильтр на выходе усилителя, конструкция которого для этих частот достаточно проста. Кроме того, возможны варианты смешанного подключения, однако для сабвуфера лучше применять отдельный усилитель.

Частота раздела полос зависит от характеристик применяемых головок, а порядок фильтров - от частот раздела (см. ниже). Можно руководствоваться следующим графиком распределения мощности (рис. 20), построенным для равной чувствительности головок [21]. Верхняя кривая соответствует белому шуму, нижняя - усредненному музыкальному сигналу.

Автозвук: устанавливаем сами

Так, при равной или близкой чувствительности НЧ и СЧ головок рекомендуется частота раздела в интервале 250...400 Гц. Чувствительность специализированных СЧ головок обычно выше чувствительности НЧ головок на 3...5 дБ, в этом случае частоту раздела желательно сместить в область 500...800 Гц. Окончательно распределение уровней сигнала настраивается фейдером.

Кроме того, при выборе нижней границы полосы СЧ необходимо учитывать частоту основного механического резонанса, которая должна отстоять от рабочей полосы частот минимум на октаву. Если интервал между частотой резонанса и нижней границей полосы СЧ превышает две октавы, можно использовать фильтр первого порядка, а если он меньше, то желательно применение фильтра второго порядка. Для полосы НЧ вполне достаточно фильтра первого порядка.

Перечисленные критерии выбора частот раздела вполне достаточны при проектировании домашней аудиосистемы, но в автомобиле приходится учитывать и специфические особенности акустики салона. В области 300...700 Гц всегда есть риск появления неравномерности АЧХ. причем характер ее зависит от конкретного места установки динамических головок. Для коррекции суммарной АЧХ в салоне автомобиля желательно иметь возможность перестраивать частоту среза хотя бы одной из полос в пределах примерно одной октавы вверх и вниз от номинального значения.

Поскольку приобретение малогабаритных четырехсекционных переменных резисторов, необходимых для перестройки фильтра второго порядка, представляет проблему для многих радиолюбителей, можно ограничиться фильтром первого порядка или перестраивать в фильтре второго порядка только одно звено. При расчете фильтров нужно знать входное сопротивление микросхем УМЗЧ. Как правило, оно составляет 25...35 кОм. Для выбранной структуры фильтров удобнее перестраивать частоту среза канала НЧ.

В качестве примера на рис. 21 и рис. 22 приведены схемы фильтров первого и второго порядка соответственно, спроектированные по этим принципам. В магнитолу их удобнее всего включить вместо разделительных конденсаторов на входе УМЗЧ (для этого они перенесены на выход фильтров). Большинство производителей магнитол указывают на плате функциональное назначение выводов микросхемы, и найти входы нужных каналов и соответствующие им конденсаторы не составит труда. При отсутствии маркировки и документации на микросхему назначение выводов можно определить, поочередно подавая на них сигнал частотой 1 кГц и амплитудой 30...50 мВ от генератора 3Ч через конденсатор емкостью 0,01 мкФ и прослушивая его на подключенные к выходам динамические головки.

Автозвук: устанавливаем сами Автозвук: устанавливаем сами

Детали в конструкции фильтра можно использовать любые, желательно малогабаритные, поскольку свободного места внутри магнитолы немного. Рекомендуемые постоянные резисторы - МЛТ-0,125, конденсаторы - группы К73, сдвоенные переменные резисторы - СП2-6в, СПЗ-4дМ, ОПЗ-23, СПЗ-33, счетверенные - СПЗ-33. Монтаж может быть как навесной, так и печатный - все зависит от возможностей радиолюбителя. Общий провод фильтров необходимо соединить с общим проводом магнитолы, лучше всего - на минусовом выводе конденсатора фильтра питания (в магнитоле это оксидный конденсатор самой большой емкости, обычно 4700 мкФ и больше).

Регулятор частоты среза нужно разместить так, чтобы иметь к нему доступ. В съемных моделях магнитол его можно вывести "под шлиц" или с утоп ленной рукояткой на заднюю, верхнюю или боковую панель. В магнитолах со съемной или откидной панелью управления удобнее вывести регулятор на переднюю панель, чтобы доступ к нему был оперативным. Как правило, слева от ЛПМ есть место, достаточное для установки регулятора (зона монтажа) (рис.23). В CD-ресиверах "транспорт" занимает почти всю ширину корпуса, но малогабаритный переменный резистор вполне можно разместить и в них.

Автозвук: устанавливаем сами

После того, как все компоненты системы установлены и смонтированы, остается последний этап.

НАСТРОЙКА

Главный критерий при настройке - получение не плоской, а максимально гладкой АЧХ. Из практики известно, что звучание автомобильных аудиосистем даже при безупречно плоской АЧХ в ряде случаев неприятно режет слух на высоких частотах. По-видимому, это объясняется особенностью человеческого слуха, по-разному воспринимающего прямые и отраженные сигналы. Измерительный же микрофон не способен их разделить. Опытным путем установлено, что наиболее естественное и выразительное звучание в автомобиле достигается в том случае, когда АЧХ по звуковому давлению имеет небольшой (2...3 дБ) подъем на частотах ниже 150...200 Гц и такой же спад на частотах выше 3...7 кГц. Точные значения частотной коррекции зависят от акустических свойств конкретного салона и определяют их экспериментально.

Измерить АЧХ системы можно двумя способами. Первый из них предполагает использование источника белого или розового шума и анализатора спектра звукового диапазона частот. Этот способ требует минимального времени, а результаты измерений весьма наглядны. К сожалению, из-за высокой стоимости оборудования он практически недоступен любителям, но широко применяется в процессе настройки АЧХ в специализированных установочных студиях. Как вариант, для измерения АЧХ можно использовать ПК со звуковой платой и программу - анализатор спектра [22], но при отсутствии калиброванного измерительного микрофона точность измерений вряд ли будет удовлетворительной. Впрочем, если отказаться от измерения абсолютного уровня звукового давления, ограничившись только оценкой относительной неравномерности АЧХ (что, собственно, нас и интересует), этот метод вполне пригоден. Следует лишь учитывать, что далеко не все звуковые платы могут одновременно работать на ввод и вывод, а микрофон (с учетом возможной неравномерности АЧХ) должен нормально работать при звуковом давлении вплоть до 110 дБ. Измерения проводят при стандартном уровне, равном 90 дБ, что на слух соответствует громкости немного выше средней.

Другой, хотя и более дешевый, но несравненно более трудоемкий способ - измерение АЧХ по точкам.

Для этого потребуются источник тестовых сигналов (компакт-диск с записью третьоктавной сетки частот или генератор сигналов) и измеритель звукового давления. К сожалению, и этот прибор дефицитен (правда, стоит он не намного дороже китайского мультиметра). Однако его вполне заменят микрофон с известной АЧХ и милливольтметр. Качество измерений практически не пострадает, но придется учитывать АЧХ самого микрофона и оценивать только неравномерность АЧХ. При этом способе также используют ПК со звуковой платой, что позволяет применить сколь угодно мелкую сетку частот, вплоть до скользящего тона. Программное обеспечение для подобных измерений вы найдете в Интернете [23].

После анализа полученной АЧХ можно сделать заключение о необходимости частотной коррекции. Провалы и пики в области средних и высоких частот шириной не более 0,5 октавы и величиной до 4...5 дБ мало заметны на слух, большая неравномерность воспринимается как изменение тембровой окраcки. В большинстве случаев "детальная" коррекция в этом диапазоне не требуется. Обычно обходятся интегральной коррекцией регулятором тембра ВЧ. Допустимая локальная неравномерность АЧХ в области нижних частот меньше - 2...3 дБ, но провалы АЧХ менее заметны на слух, чем пики. Неравномерность АЧХ в этой области воспринимается на слух как разная громкость звучания отдельных нот на пассажах.

В зависимости от характера дефектов выбирают метод коррекции. При небольших погрешностях вблизи частот раздела полос прежде всего нужно попытаться слегка разнести или, наоборот, перекрыть их, чтобы скомпенсировать подъемы и провалы АЧХ. Но возможности этого метода ограничены, поэтому для коррекции АЧХ на других участках необходим эквалайзер.

Участки с неравномерностью до 6...8 дБ подлежат коррекции с помощью эквалайзера. Более глубокая коррекция может быть заметной на слух, свидетельствуя, прежде всего, о серьезных просчетах в проектировании системы. Как правило, подавление пиков менее заметно на слух, чем "подтягивание" провалов, требующее к тому же запасу мощности (каждые 3 дБ соответствуют удвоению мощности сигнала в полосе коррекции). К сожалению, использование внешнего эквалайзера обычно возможно только с внешним УМЗЧ, так как практически во всех магнитолах отсутствует вход усилителя мощности. Однако радиолюбитель может ввести соответствующие изменения в конструкцию магнитолы, воспользовавшись приведенными выше рекомендациями по подключению фильтров.

Для коррекции большого количества локальных дефектов АЧХ необходим 15-полосный (2/3 октавный) или 30-полосный (третьоктавный) графический эквалайзер. Поскольку взаимное влияние регулировок слишком велико, для получения гарантированного результата процесс настройки требует постоянного контроля АЧХ. При отсутствии анализатора спектра трудоемкость настройки многократно возрастает, поэтому в любительских установках многополосные графические эквалайзеры пока широкого распространения не получили - это прерогатива профессионалов.

Если ограничиться устранением только наиболее заметных специфических погрешностей АЧХ, возникающих в салоне автомобиля, количество полос регулирования в области средних и высоких частот можно сократить. Известны модели автомобильных эквалайзеров на пять-семь полос, выполненные по такому принципу, в том числе и встроенные в магнитолу. Их легко отличить от остальных по уплотненной сетке частот в области НЧ (три-четыре полосы) и редкой (две-три полосы) на ВЧ. В этом случае вполне допустимо установить коррекцию с приемлемой точностью, не прибегая к постоянному контролю АЧХ, что делает этот вариант более пригодным для любителей.

В первом приближении можно установить на эквалайзере "зеркальную" АЧХ по отношению к измеренной, однако все же лучше произвести контрольные измерения.

В тех счастливых случаях, когда коррекция требуется только в трех-четырех полосах, удобнее использовать параметрический эквалайзер, который позволит выбрать центральную частоту и ширину полосы регулирования (добротность) для каждого регулятора. Это позволит произвести регулировку только в необходимых частотных полосах, не затрагивая другие участки. С точки зрения минимального вмешательства в сигнал этот класс эквалайзеров вне конкуренции, но он пока не получил широкого распространения. К сожалению, среди автомобильных эквалайзеров полных параметрических (с регулируемой добротностью) - считанные единицы. Гораздо больше моделей предлагается с фиксированной добротностью, но их возможности несколько меньше. Распространение эквалайзеров этой группы также сдерживается необходимостью объективного контроля результатов настройки.

Некоторые магнитолы и CD-ресиверы высокого класса имеют в своем составе электронный эквалайзер с анализатором спектра и в состоянии автоматически скорректировать большинство погрешностей АЧХ по входящему в комплект измерительному микрофону. Это идеальное решение для меломана, не имеющего измерительной аппаратуры.

Описанный порядок создания аудиосистемы (выбор концепции, установка, измерения, выбор оптимального метода коррекции, настройка) предназначен для истинных ценителей, не ограниченных фактором времени. При профессиональной установке нередко предварительное измерение АЧХ не проводят вовсе, а в систему изначально устанавливают графический эквалайзер. Его регулировкой при контроле АЧХ анализатором спектра достигается необходимая коррекция. Степень реализации задуманного зависит при этом от профессионального уровня установщика и отведенного ему времени на работу. Во всяком случае теперь читателю должно быть ясно, что за два часа "правильный" звук в машине ну никак не получается...

Литература

  1. Шихатов А. Звук в автомобиле. - Радио, 1999. № 2, с. 15-17.
  2. Конференция по автозвуку на сервере "Блюзмобиль"; httр.//bluesmobil.соm/
  3. Конференция по автозвуку на сервере "Автомобили в России": httр://auto.ru/ boards/music/
  4. Шихатов А. Адаптивный тыловой канал системы пространственного звучания. - Радио. 1999, № 9, с. 14-16.
  5. Рекомендаций по выбору диаметра проводов питания caraudio.ru/Jnfores/GAUGE.htm.
  6. Эфрусси М. Расчет громкоговорителей. - Радио. 1977. № 3. с. 36.37; № 4. с. 39. 40.42.
  7. Справочная книга радиолюбителя-конструктора под ред. Н. И. Чистякова (Массовая радиобиблиотека, вып. 1195). - М. Радио и связь. 1993.
  8. Программа BlauBox (DOS) hnp://caraudio.ru/infores/soft/b2au.exe.
  9. Программа BoxPlot (DOS) caraudio.ru/infores/soft/boxpit2.zip.
  10. Программа JBL SpeakerShop (WIN) caraudra.ru
  11. Программа Speaker Workshop (WIN) audua.corn/spkrhome.htm
  12. Пикерсгиль А. Усилитель и акустический агрегат. - Радио. 1959. № 8. с. 48- 52.
  13. Линовицкий М. bluesmobil com/shikhman/leners/fiberr.htm.
  14. Джалалов В. wvw.bluesmobil. com/s27.htm
  15. Джалалов В. wvw.bluesmobil. com/s27.htlm
  16. Перцев К. redline.ru/~kika/tipo/audio/doors.html
  17. Елютин А. caraudio.ru /articles/impdoors/
  18. Шихатов А. Автомобильные магнитолы. - Радио. 1999. № 7. с. 16 - 18.
  19. Захаров А. "Мелодия-101-стерео" с общим низкочастотным каналом. - Радио, 1987, № 4, с. 34, 35.
  20. Сапожников М. УМЗЧ с однополярным источником питания. - Радио, 1999, № 6, с.16, 17, 21.
  21. Описание микросхемы TDA2030A (SGS-Thomson) st.com/stonline/ books/pdf/docs/ 1459.pdf, bluesmobil.com/shikhman/amplif/actbox1.gif
  22. Анализатор спектра: htlp://wssh.net/-waUsup/audio/ffeq5.2ip (DOS) wssh.net/-wattsup/audio/Ptab95.zip (WIN)
  23. Измеритель АЧХ; www sumuller.de/audiolester/

Автор: А.Шихатов, г.Москва

Смотрите другие статьи раздела Акустические системы.

Читайте и пишите полезные комментарии к этой статье.

<< Назад

Последние новости науки и техники, новинки электроники:

Токсичность интернета преувеличена 07.01.2026

Социальные сети нередко воспринимаются как арена постоянной агрессии, оскорблений и распространения фейковой информации. Новое исследование Стэнфордского университета показывает, что реальность значительно отличается от популярного представления: интернет гораздо менее токсичен, чем многие пользователи считают. Ученые опросили более тысячи американцев, попросив их оценить долю пользователей соцсетей, которые ведут себя агрессивно или распространяют ненависть. Оказалось, что впечатления людей сильно преувеличивают масштабы проблемы. Например, респонденты считали, что почти половина пользователей Reddit хотя бы раз оставляла оскорбительные комментарии, тогда как фактические данные платформы показывают, что таких людей не более 3%. Аналогичная ситуация наблюдается с дезинформацией. Опрос показал, что большинство участников считали почти половину аудитории Facebook распространителями фейковых новостей, однако статистика говорит об обратном: фактическая доля таких пользователей состав ...>>

Процессоры Ryzen AI 400 07.01.2026

Современные вычисления все больше ориентируются на интеграцию искусственного интеллекта и высокую производительность в компактных устройствах, таких как ноутбуки и мини-ПК. Новая линейка процессоров AMD Ryzen AI 400 демонстрирует, как разработчики объединяют мощные центральные ядра, графику и нейросетевые ускорители в одном чипе, чтобы удовлетворять растущие потребности пользователей в играх, контенте и ИИ-приложениях. AMD представила процессоры серии Gorgon Point, которые включают до 12 ядер Zen 5 и до 24 потоков вычислений. Чипы поддерживают интегрированную графику RDNA 3.5, обеспечивают максимальную тактовую частоту до 5,2 ГГц и имеют энергопотребление от 15 Вт до 54 Вт. Особое внимание уделено NPU, способному обрабатывать до 60 триллионов операций в секунду (TOPS), что делает эти процессоры эффективными для задач с искусственным интеллектом. Конструкция Ryzen AI 400 сочетает ядра Zen 5 и Zen 5c, обеспечивая высокую гибкость и производительность. Несмотря на то, что архитектур ...>>

Женщины лучше распознают признаки болезни по лицу 06.01.2026

Способность распознавать, что кто-то нездоров, часто проявляется интуитивно: бледная кожа, опущенные веки, уставшее выражение лица могут сигнализировать о недомогании. Новое исследование международной группы ученых показало, что женщины в среднем точнее мужчин улавливают такие тонкие невербальные признаки болезни, что может иметь эволюционные и социальные объяснения. В отличие от предыдущих работ, где использовались отредактированные фотографии или имитация больных лиц, ученые решили проверить, насколько люди способны распознавать естественные признаки недомогания. Такой подход позволил оценить реальную чувствительность к изменениям в лицах, возникающим при болезни. В исследовании приняли участие 280 студентов, поровну мужчин и женщин. Участникам предложили оценить 24 фотографии, на которых изображены люди как в здоровом состоянии, так и во время болезни. Это дало возможность сравнить восприятие естественных признаков недомогания в реальных лицах. Для анализа состояния каждого ...>>

Случайная новость из Архива

Бюджетная добыча геотермальной энергии 21.10.2024

Геотермальная энергия - это один из самых перспективных и экологически чистых источников энергии, который использует тепло из недр Земли. Это может обеспечить человечество почти неиссякаемым запасом энергии на миллионы лет. Однако значительные технические сложности ограничивали использование геотермальной энергии на больших глубинах, что вызывало необходимость поиска новых решений. Недавние научные исследования показывают, что пластичность пород на глубине более 10 километров может быть преодолена, открывая новые возможности для эффективной добычи геотермальной энергии.

Основная проблема заключалась в том, что на глубинах свыше 10 километров горные породы приобретают пластические свойства, подобные поведению мягких материалов вроде игрушки Silly Putty. Это означало, что они не могли легко раскалываться для создания трещин, по которым могла бы циркулировать вода. Однако швейцарские ученые нашли способ дробить эти пластичные породы, что может значительно изменить подход к добыче геотермальной энергии на таких больших глубинах.

Исследования показали, что при правильных условиях породы на глубине более 10 километров могут быть разбиты на фрагменты, что позволяет воде свободно перемещаться по созданным трещинам. Это открытие стало возможным благодаря применению новейших технологий, таких как синхротронное 3D-сканирование и компьютерное моделирование методом конечных элементов. Эти методы позволили детально изучить поведение горных пород на больших глубинах и подтвердили возможность их дробления аналогично процессу гидравлического разрыва пласта, применяемому в нефтегазовой отрасли.

Вдохновившись этими результатами, стартапы, такие как Quaise Energy, разрабатывают новые технологии для бурения на экстремальных глубинах. Их основной метод основан на использовании ускорителей частиц, что потенциально может заменить традиционные буровые установки. Бурение на глубине более 12 километров остается технологически сложной задачей, но результаты исследований подтверждают, что циркуляция воды через глубинные пластичные породы вполне возможна.

Подобные исследования открывают новые перспективы для создания высокоэффективных геотермальных электростанций. Эти станции смогут производить значительные объемы энергии, что позволит странам мира значительно снизить зависимость от ископаемого топлива и снизить выбросы углерода в атмосферу. Это особенно важно в контексте глобальных климатических изменений и поисков устойчивых источников энергии.

Несмотря на сохраняющиеся технические сложности, достижения в области бурения и дробления глубинных пород вселяют надежду на скорое развитие геотермальной энергетики на новом уровне. Если текущие разработки удастся успешно внедрить, человечество получит доступ к практически бесконечному источнику возобновляемой энергии.

Другие интересные новости:

▪ Новейшие микропроцессоры AM389x Sitara ARM

▪ NCP4589 - LDO-регулятор с автоматическим энергосбережением

▪ Проводной видеодомофон Logitech Circle View Doorbell

▪ Переработка лунной пыли в кислород

▪ Первые 60 спутников глобального интернета

Лента новостей науки и техники, новинок электроники

 

Интересные материалы Бесплатной технической библиотеки:

▪ раздел сайта Ограничители сигнала, компрессоры. Подборка статей

▪ статья Труды и дни. Крылатое выражение

▪ статья Чем мы дышим? Подробный ответ

▪ статья Аквилегия. Легенды, выращивание, способы применения

▪ статья Лампа больше не мигает. Энциклопедия радиоэлектроники и электротехники

▪ статья Электрическое освещение. Аварийное освещение. Энциклопедия радиоэлектроники и электротехники

Оставьте свой комментарий к этой статье:

Имя:


E-mail (не обязательно):


Комментарий:





Главная страница | Библиотека | Статьи | Карта сайта | Отзывы о сайте

www.diagram.com.ua

www.diagram.com.ua
2000-2026