Menu Home

Бесплатная техническая библиотека для любителей и профессионалов Бесплатная техническая библиотека


Сверхлинейный УМЗЧ с глубокой ООС. Энциклопедия радиоэлектроники и электротехники

Бесплатная техническая библиотека

Энциклопедия радиоэлектроники и электротехники / Усилители мощности транзисторные

 Комментарии к статье

Можно ли на отечественных компонентах создать усилитель, который бы успешно конкурировал с любым фирменным? Автор публикуемой статьи на этот вопрос ответил утвердительно. Причем в УМЗЧ он использовал биполярные транзисторы и операционные усилители.

На отечественных компонентах этот сверхлинейный усилитель с глубокой и широкополосной обратной связью обеспечивает долговременную мощность до 150 Вт на нагрузке 4 Ом. Применением импортных компонентов можно увеличить мощность в нагрузке 8 Ом до 250 Вт. Он способен работать на комплексную нагрузку, имеет защиту от перегрузки по входу и выходу. Интермодуляционные искажения УМЗЧ настолько малы, что автор вынужден был измерять их на радиочастотах. Конструкция и печатная плата, разработанные автором, представляют образец для обучения "разводке" монтажа широкополосных устройств.

Некоторое время назад среди аудиофилов и радиолюбителей преобладало мнение, что по-настоящему высококачественный УМЗЧ обязательно должен быть выполнен на лампах. В качестве обоснования высказывалось много суждений. Однако, если отбросить совсем уж надуманные, то останутся всего два. Первое - искажения, вносимые ламповым усилителем, приятны на слух. Второе - нелинейности в ламповых усилителях более "гладкие" и дают значительно меньше продуктов интермодуляции.

Надо сказать, что и то, и другое подтверждается практикой. Более того, давно существует даже специальный прибор обработки звука - эксайтер, действие которого основано именно на внесении искажений четных порядков в высокочастотную часть спектра. В ряде случаев применение эксайтера позволяет улучшить проработку инструментов и голосов второго-третьего плана, придать дополнительную глубину звуковой сцене. Подобный эффект в усилителе может быть приятен, иногда даже полезен. Тем не менее внесение "хорошо звучащих" искажений все-таки относится скорее к прерогативе звукорежиссера, нежели самого УМЗЧ. Что же касается достижения верности звуковоспроизведения, то с этой точки зрения необходимо добиваться устранения искажений, вносимых усилителями и громкоговорителями. Тема снижения искажений, вносимых громкоговорителями, была ранее затронута в статье [1]. Здесь же речь пойдет о "классических" УМЗЧ с малым выходным сопротивлением, поскольку они все же более универсальны, чем УМЗЧ с "токовым" выходом.

С первого взгляда может показаться, что при сегодняшнем уровне техники спроектировать усилитель "прозрачным" совсем несложно, и дебаты вокруг этой проблемы - лишь плод рекламной шумихи. Отчасти так оно и есть: если наладить массовый выпуск безупречного УМЗЧ, то спустя некоторое время отрасль промышленности, производящая эти усилители, на мой взгляд, попросту останется без сбыта.

Автору этих строк приходилось разрабатывать ламповые и транзисторные прецизионные усилители для измерительной техники, ремонтировать и настраивать различную аппаратуру - преимущественно зарубежного производства. Естественно, проводились измерения параметров и оценка конструкций. Причем не только по стандартным (для звуковой техники) методикам, но и по более информативным, в частности, путем анализа спектра выходного сигнала при многотональном входном сигнале.( При этом на вход усилителя подается сигнал, состоящий из суммы синусоид примерно равной амплитуды с частотами, пропорциональными некоторому набору взаимно простых, т. е. не имеющих общих множителей, чисел.)

Подобная методика широко применяется для контроля усилителей, используемых в технике дальней кабельной связи, поскольку требования к "незагрязнению" спектра проходящего через них сигнала очень жестки (в линии связи последовательно включены тысячи таких усилителей, и их искажения суммируются). В качестве примера: усилители для системы К-10800 имеют уровень интермодуляционных искажений ниже -110 дБ в полосе частот около 60 МГц.

Ясно, что получить такие характеристики непросто: квалификация разработчиков подобных усилителей должна быть весьма высокой. К сожалению, предприятия, производящие аудиотехнику, видимо, довольствуются менее квалифицированными разработчиками, за исключением разве что Руперта Нива - конструктора пультов звукозаписи Neve и Amek. Замечу, что последний пульт Нива (9098i), получивший восторженную оценку профессионалов звукозаписи, целиком полупроводниковый, а его усилители имеют очень большую глубину ООС. Примечательно, что в свое время Нив разработал много ламповых пультов, большинство из которых считались эталонными.

Имея, таким образом, пищу для сравнений и будучи человеком дотошным, автор пришел к выводу, что во многих случаях реальное качество работы большинства полупроводниковых, да и ламповых УМЗЧ оказывается значительно хуже, чем следует из результатов измерений по стандартным для аудиоаппаратуры методикам. Известно, что многие из них были приняты под давлением коммерческих обстоятельств и весьма далеки от жизненных реалий.

Хорошим примером может служить перечень требований к способу измерения шумов, представленный Р. Долби в его статье с описанием предложенной им методики CCIR/ARM2K. Вторым пунктом в этом перечне стоит "...коммерческая приемлемость: ни один изготовитель не пойдет на применение новой методики, если цифры, получаемые при измерении, будут хуже, чем при применении существующих...". Предложенная Р. Долби замена пикового измерителя на измеритель средневыпрямленного значения улучшила параметры примерно на 6 дБ, а уменьшение коэффициента передачи взвешивающего фильтра в два раза привело к общему "выигрышу" 12 дБ. Неудивительно, что такая методика была тепло встречена многими изготовителями.

Аналогичный "финт" частенько делается и при измерении нелинейных искажений: запись, сделанная в паспорте усилителя, - "0,005 % THD в диапазоне частот 20 Гц - 20 кГц" чаще всего означает лишь то, что гармоники сигнала с частотой 1 кГц, попадающие в упомянутую полосу частот, не должны превышать указанной величины, однако она ничего не говорит об искажениях на частоте, скажем, 15 кГц. Некоторые изготовители полагают, что подключать нагрузку к усилителю, проводя измерения искажений, совершенно необязательно, при этом в паспорте мелким шрифтом указывают: "...при выходном напряжении, соответствующем мощности ХХ Ватт на нагрузке 4 Ома...".

Совсем не редкость также, когда усилитель, имеющий по спецификации "менее 0,01 % THD" на частоте 1 кГц, работая на реальную нагрузку (с кабелями и акустической системой), показывает интермодуляционные искажения по весьма щадящему стандарту SMPTE (На вход усилителя подаются два синусоидальных сигнала с частотами 60 Гц и 7 кГц, отношение их амплитуд 4:1, а результатом измерения считается относительная величина модуляции амплитуды высокочастотного сигнала - низкочастотным.) на уровне 0,4...1 %, а иногда и больше. Иными словами, интермодуляционные искажения уже на умеренно высоких частотах при работе на реальную нагрузку оказываются намного выше пресловутого коэффициента гармоник. Подобное явление характерно и для многих ламповых УМЗЧ, охваченных обратной связью по напряжению.

При анализе спектра многотонального сигнала, усиливаемого подобным усилителем, обнаруживается немало комбинационных составляющих. Их количество и общая мощность с увеличением числа составляющих входного сигнала возрастают практически по факториальному закону, т. е. очень быстро. При воспроизведении музыки на слух это воспринимается как "грязное", "непрозрачное" звучание, обычно называемое "транзисторным". Кроме того, зависимость уровня искажений от уровня сигнала далеко не всегда оказывается монотонной. Бывает, что при уменьшении уровня полезного сигнала мощность продуктов искажений не уменьшается.

Ясно, что в таких устройствах паспортный набор характеристик усилителя (коэффициент гармоник, полоса частот) ни о чем, кроме изворотливости изготовителя, не свидетельствует. В результате обычный потребитель зачастую оказывается в состоянии покупателя "кота в мешке", поскольку нормально послушать (со сравнением по контрасту) перед покупкой как-то не удается. Конечно, не все так мрачно - в отношении цвета корпуса, габаритов и веса практически все дорожащие своей маркой фирмы ведут себя безупречно.

Это никоим образом не означает, что на рынке вообще нет достойных внимания УМЗЧ - их мало, но они есть. Из всех промышленных усилителей, с которыми автору довелось поработать, наиболее "точным" показался старый "Yamaha M-2" (сейчас в Японии ничего подобного не делают). Цена его, правда, немалая, да и на нагрузку 4 Ома он не рассчитан, кроме того, выходные транзисторы в нем работают с нарушением требований ТУ. Из любительских - очень хорошее впечатление оставил усилитель А. Витушкина и В. Телеснина [2]. Он работает явно лучше ("прозрачнее"), чем УМЗЧ ВВ [3]. Еще один хороший усилитель - М. Александера из PMI [4].

Тем не менее все эти усилители далеко не полностью реализуют возможности элементной базы в отношении реального уровня искажений, быстродействия и воспроизводимости. По этим причинам, а также из соображений инженерного престижа автор настоящей статьи предпочел разработать собственную версию УМЗЧ, которая бы отражала реальные возможности элементной базы (в том числе имеющейся в России и СНГ) и была бы несложна в повторении. Параллельно разработан и "коммерческий" вариант с использованием импортной элементной базы - с еще большими возможностями и большей выходной мощностью.

Главной целью разработки стало не столько достижение высоких "паспортных" характеристик, сколько обеспечение максимально возможного качества в реальных условиях эксплуатации. Исключительные значения параметров при этом получились автоматически, как результат оптимизации схемы и конструкции.

Основной особенностью предлагаемого УМЗЧ является широкополосность, достигнутая рядом схемотехнических и конструктивных мер. Это позволило получить частоту единичного усиления по петле ООС около 6...7 МГц, что на порядок больше, чем в большинстве других конструкций УМЗЧ. Как следствие, достижимая глубина ООС во всей звуковой полосе частот оказывается более 85 дБ (на частоте 25 кГц), на частоте 100 кГц глубина ООС составляет 58 дБ и на частоте 500 кГц - 30 дБ. Полоса полной мощности превышает 600кГц (при искажениях ок. оло 1%). Ниже приведены основные характеристики УМЗЧ (при измерении искажений и скорости нарастания входной фильтр и устройство мягкого ограничения отключены).

Выходная мощность (долговременная) на нагрузке 4 Ом с фазовым углом до 50 град., Вт, не менее 160
Номинальное входное напряжение, В 1,5
Выходная мощность, до которой сохраняется работа выходного каскада в режиме класса А, Вт, не менее 5
Скорость нарастания выходного напряжения, В/мкс, не менее 160
Уровень интермодуляционных искажений (250 Гц и 8 кГц, 4:1), %, не более (19 и 20 кГц, 1:1), %, не более (500 и 501 кГц, 1:1, на 1 и 2 кГц), %, не более 0,002
0,002
 0,01
Отношение сигнал/шум, дБ, взвешенное по МЭК-А невзвешенное в полосе от 1 до 22 кГц -116 -110
Энергоемкость источника питания, Дж, на канал 90

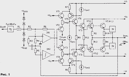
Усилитель (рис. 1) состоит из следующих узлов: входного ФНЧ второго порядка с частотой среза 48 кГц, "мягкого" ограничителя уровня сигнала, собственно усилителя мощности, выходной LRC-цепи, а также каскадов автоматической балансировки по постоянному току и компенсации сопротивления проводов (схема четырехпроводного подключения нагрузки). Кроме того, предусмотрен вспомогательный усилитель сигнала в суммирующей точке УМЗЧ. Появление заметного напряжения на инвертирующем входе усилителя, охваченного параллельной ООС, свидетельствует о нарушении слежения в петле обратной связи и, соответственно, об искажениях, какими бы причинами они ни были бы вызваны. Этот дополнительный усилитель усиливает сигнал искажений до уровня, необходимого для работы индикатора искажений.

Сверхлинейный УМЗЧ с глубокой ООС

В сигнальном тракте усилителя используются ОУ КР140УД1101, редко применяемые в аудиоаппаратуре, но обладающие, несмотря на давность разработки (Боб Добкин разработал его прототип LM118/218/318 еще в начале 70-х годов), уникальной комбинацией характеристик. Так, перегрузочная способность для дифференциального входного сигнала у К(Р)140УД11(01) в 40 раз лучше, чем у традиционных "звуковых" ОУ. Одновременно с этим у него отличные скорость нарастания и произведение усиления на полосу (50x106 Гц на частоте 100 кГц). К тому же этот ОУ очень быстро выходит из перегрузок, а его выходной каскад работает с большим током покоя и имеет высокую линейность еще до охвата обратной связью. Единственный его недостаток - спектральная плотность ЭДС шума у этого ОУ примерно вчетверо выше средней для малошумящих приборов. В УМЗЧ, однако, это не имеет большого значения, поскольку отношение максимального сигнала к шуму получается не хуже 110 дБ, что вполне достаточно при данной мощности. В сигнальном тракте ОУ используются в инвертирующем включении с целью устранения искажений, вызываемых наличием синфазного напряжения на входах.

Собственно усилитель мощности построен по усовершенствованной "классической" структуре [3, 5] - на входе для обеспечения высокой точности включен ОУ, затем следуют симметричный усилитель напряжения на основе "сломанного каскода" и выходной каскад на основе трехкаскадного эмиттерного повторителя. За счет, казалось бы, мелких усовершенствований и конструктивных мер (рис. 2) реальное качество звучания и воспроизводимость параметров этого усилителя радикально улучшены по сравнению с [3, 5, 6].

Сверхлинейный УМЗЧ с глубокой ООС

В выходном каскаде, рассчитанном на нагрузку 4 Ом, использовано не менее восьми транзисторов в плече. Несмотря на кажущуюся избыточность и громоздкость, такое решение совершенно необходимо при работе на реальную комплексную нагрузку по двум причинам. Первая, и наиболее важная, состоит в том, что при работе на комплексную нагрузку резко увеличивается мгновенная мощность, выделяемая на выходных транзисторах.

На рис. 3 приведены графики зависимостей величины мгновенной мощности, рассеиваемой на выходных транзисторах, от мгновенного значения выходного напряжения для разных нагрузок (кривые 1-3) при напряжении питания +40 В. Кривая 1 соответствует работе УМ на чисто активную нагрузку с сопротивлением 0,8 от номинального (т. е. 3,2 Ом), кривая 2 - на комплексную нагрузку с модулем импеданса 0,8 от номинального и фазовым углом 45 град. (требование ОСТ.4.ГО.203.001-75), а кривая 3 - при фазовом угле 60 град. Из графиков видно, что при работе на комплексную нагрузку пиковая мощность, рассеиваемая выходными транзисторами, оказывается в 2,5 - 3 раза больше, чем при аналогичной по модулю резистивной нагрузке.

Это само по себе - проблема, но наибольшие неприятности вызывает тот факт, что максимум рассеиваемой на транзисторах мощности при работе на комплексную нагрузку приходится на моменты, когда выходное напряжение близко к нулю, т. е. когда к транзисторам приложено большое напряжение источника питания. Модуль импеданса некоторых громкоговорителей может снижаться с 4 до 1,6 Ом (в некоторой полосе частот), а фазовый угол - возрастать до 60 град. [7]. Это удваивает рассеиваемую мощность по сравнению с кривой 3.

Для биполярных транзисторов очень важно, при каком напряжении на них рассеивается мощность: при повышении напряжения допустимая мощность рассеяния существенно снижается из-за появления "горячих пятен", вызываемых локальной термической неустойчивостью, приводящих к деградации параметров и вторичному пробою. Поэтому для каждого типа транзисторов существует область безопасных режимов (ОБР), внутри которой и допускается их эксплуатация. Так, для КТ818Г1/819Г1 (они обладают наилучшей ОБР среди отечественных мощных комплементарных транзисторов) максимальная мощность рассеяния при напряжении 40 В и температуре корпуса 60...70°С составляет не 60, а 40 Вт, при напряжении 60 В допустимая мощность рассеяния падает до 32 Вт, а при напряжении 80 В - до 26 Вт.

Для наглядности на рис. 3 приведена кривая 4, показывающая возможности этих транзисторов по рассеянию мощности в зависимости от выходного напряжения усилителя. Видно, что даже при работе на чисто активную нагрузку необходимо включить в параллель не менее двух приборов в плечо. У мощных полевых транзисторов (MOSFET, МОППТ) ОБР больше, однако степень их комплементарности значительно хуже, чем у биполярных. Это приводит к тому, что искажения МОП-ПТ выходного каскада на малых уровнях сигнала (из-за разброса порогового напряжения, а также большего выходного сопротивления) и высоких частотах (из-за сильной асимметрии емкостей и крутизны) оказываются в несколько раз больше, чем у правильно спроектированного каскада на биполярных транзисторах. Тем не менее УМЗЧ с выходным каскадом, выполненным на MOSFET, в производстве за рубежом оказывается более дешевым, чем на биполярных. Причина - цены на мощные биполярные и полевые транзисторы за рубежом примерно одинаковы, а полевых требуется меньше. ОБР лучших импортных биполярных транзисторов существенно больше, чем у отечественных, однако при работе на нагрузку 4 Ом их тоже нужно включать в параллель.

Сверхлинейный УМЗЧ с глубокой ООС

Рассчитывать на кратковременность выделения мощности нельзя, поскольку время образования пятен тока измеряется десятками микросекунд, что много меньше полупериода низкой частоты. Следовательно, количество выходных транзисторов нужно выбирать, исходя из обеспечения работы каждого из них в границах ОБР для постоянного тока. Это приводит к необходимости увеличения числа выходных транзисторов, что дорого и трудоемко. Именно поэтому в большинстве коммерческих усилителей транзисторов существенно меньше, чем требуется. Однако параметры транзисторов, эксплуатируемых с нарушением ОБР, постепенно деградируют, что приводит к ухудшению звучания.

Вторая причина необходимости большого числа выходных транзисторов связана с тем, что их характеристики, в первую очередь быстродействие, с ростом тока начинают ухудшаться задолго до достижения предельно допустимых токов. Так, у широко распространенного японского транзистора 2SA1302, формально рассчитанного на 15 А, резкий спад граничной частоты начинается с 3 А, а у комплементарного ему 2SC3281 - с 2,5 А. Есть и другие причины, приводящие к целесообразности параллельного включения нескольких мощных транзисторов. Увеличение суммарной емкости база-эмиттер приводит к прямому прохождению сигнала с предыдущего каскада (при определенном запасе по мощности) и полоса пропускания выходного повторителя фактически превышает граничную частоту выходных транзисторов. Именно поэтому в данном усилителе оказалось возможным применять относительно "медленные" выходные транзисторы без ущерба для достигаемых характеристик.

В усилителе использована элементная база отечественного производства. В сигнальном тракте каждого канала применены ОУ К(Р)140УД1101 (3 шт.), во вспомогательных цепях - К(Р)140УД14(08) и КР140УД23 (по 1 шт.). В предварительных каскадах использованы комплементарные транзисторы серий КТ3102 и КТ3107 (по 2 шт.), КТ632 и КТ638 (по 4 шт.), КТ502 и КТ503 (2 и 1 шт.), КТ9115 и КТ969 (по 3 шт.). В ступенях выходного каскада усилителя установлены КТ961А и КТ639Е (4 и 5 шт.), а также КТ818Г1 и КТ819Г1 (по восемь транзисторов в плече). В усилителе также использованы диоды серий КД521 или КД522, КД243Б и КД213Б.

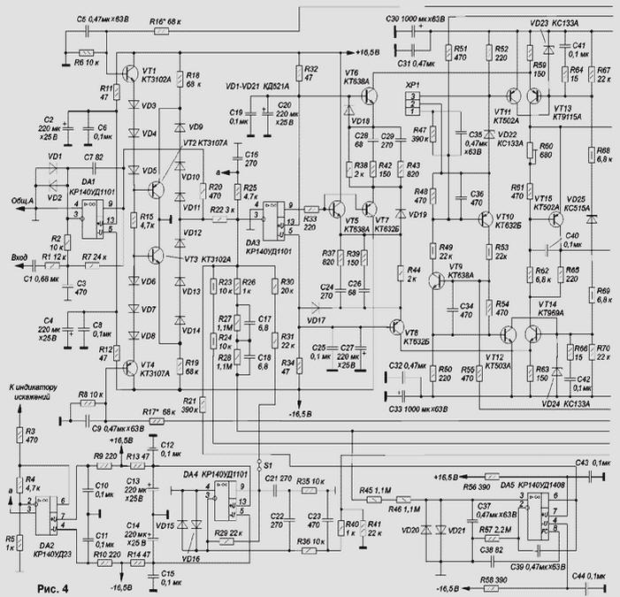
На рис. 4 приведена принципиальная схема УМЗЧ. Входной ФНЧ выполнен на ОУ (DA1) в инвертирующем включении. Сигнал с выхода ФНЧ проходит через "мягкий ограничитель" ("soft clipper"), реализованный на транзисторах VT1- VT4 и диодах VD3-VD14, а затем поступает на входной каскад собственно усилителя мощности, выполненный на ОУ DA3. За ним следуют симметричный каскодный транзисторный усилитель напряжения на VT5-VT8, VT13-VT15 и усилитель тока (выходной повторитель) на транзисторах VT16-VT45. ОУ DA2 выполняет функцию усилителя сигнала в суммирующей точке УМЗЧ для работы индикатора искажений.

Сверхлинейный УМЗЧ с глубокой ООС
(нажмите для увеличения)

Сверхлинейный УМЗЧ с глубокой ООС
(нажмите для увеличения)

Усилитель напряжения, следующий за ОУ DA3, имеет высокую линейность за счет симметричности структуры и весьма глубокой (более 40 дБ) местной ООС. Цепи этой ООС совместно с R71C46 и DA3 использованы также для формирования требуемой АЧХ петлевого усиления УМЗЧ в целом.

В таком каскаде есть одна тонкость: для минимизации потерь усиления падение напряжения на резисторах в эмиттерных цепях последних транзисторов каскода (на рис. 4 это - R59, R63) должно быть не менее 2,5 В, или же эти резисторы следует заменить на источники тока. В противном случае ухудшается линейность усилителя напряжения. Заметим, что в УМЗЧ, описанных в [5] и особенно в [3], это условие не выполняется. С целью дальнейшего повышения линейности (особенно на высоких частотах) напряжение питания усилителя выбрано на 10...12 В большим, чем напряжение питания выходного каскада. Диоды VD17-VD19 предназначены для ускорения переходных процессов при выходе усилителя из перегрузки, а также для защиты от деградации эмиттерных переходов транзисторов VT5-VT8.

Цепи R64C41, R66C42 исключают паразитное самовозбуждение VT13 и VT14, а диоды VD26, VD27 предотвращают насыщение транзисторов выходного каскада (эти диоды должны выдерживать обратное напряжение не менее 100 В при токе 10 мкА; большинство экземпляров КД521А или 1N4148 этому условию удовлетворяют). Необычная схема параллельного включения транзисторов в первых двух каскадах повторителя обеспечивает эффективное выравнивание токов через транзисторы, избавляя от необходимости их подбора. Конденсаторы С45, С47-С49 предотвращают появление динамической асимметрии выходного каскада.

Стабилитрон VD25 задерживает включение транзисторов VT13 и VT14 во время зарядки накопительных конденсаторов источника питания, чтобы к моменту их включения напряжение питания ОУ достигло +5...7 В и они вошли в нормальный режим. Эта мера предотвращает скачки выходного напряжения при включении питания. С этой же целью диапазон автоподстройки нуля на выходе УМЗЧ ограничен величиной +0,7 В.

Может показаться необычным последовательное соединение резисторов в цепях ООС (R23, R24, цепи R27C17 и R28C18, а также R45, R46). Это сделано с целью снижения нелинейности цепей ООС (величины сопротивления резисторов и емкости конденсаторов, хотя и в весьма малой мере, зависят от приложенного к ним напряжения). По той же причине резисторы R23, R24, а также R122 и R123 выбраны с большим запасом по мощности рассеяния.

Среди других заслуживающих внимания особенностей следует отметить устройство начального смещения на базы трехкаскадного повторителя, построенное на VT15 (он смонтирован на радиаторе выходных транзисторов) и резисторах R60-R62 и R65. Температурный коэффициент напряжения смещения выбран несколько больше обычного для учета разницы в температуре радиатора и кристаллов мощных транзисторов.

Не совсем обычно использование конденсатора C40. Отсутствие этой детали в большинстве конструкций приводит к динамическому изменению напряжения смещения и росту нелинейности усилителей на сигналах со скоростью нарастания или спада более 0,2...0,5 В/мкс. А это весьма существенно сказывается на величине интермодуляционных искажений в области высших частот. Кстати, использование в качестве VT15 "медленного" транзистора (типа КТ502 или КТ209) предотвращает еще один часто возникающий, но редко замечаемый дефект - самовозбуждение транзистора на частотах порядка 50...200 МГц из-за индуктивности проводов. Наличие такого самовозбуждения проявляет себя повышенным уровнем шума и интермодуляционных искажений на звуковых частотах.

Устройство "мягкого ограничения" на транзисторах VT1-VT4 и диодах VD3- VD14 отличается тем, что его порог зависит от напряжения питания выходного каскада, тем самым достигается максимальное использование выходной мощности усилителя.

Для обеспечения надежной работы УМЗЧ устройство защиты учитывает не только ток, протекающий через мощные транзисторы, но и напряжение на них. Триггерный вариант использован потому, что ограничители тока обычного типа ("прикрывающие" выходные транзисторы в аварийных ситуациях) не гарантируют сохранности усилителя, а, кроме того, ухудшают работу выходного каскада на высоких частотах. Немаловажен и диагностический эффект: срабатывание защиты говорит о том, что в системе что-то не в порядке.

Индикатор срабатывания защиты "Перегрузка" и кнопка SB1 сброса защиты размещены вне платы усилителя и подключены к ней через разъем ХР1 (XS1 - на рис. 5).

Сверхлинейный УМЗЧ с глубокой ООС

Ток покоя каждого из транзисторов VT28-VT35, VT36-VT43 выходного каскада выбран в пределах 80...100 мА, поскольку при меньшей величине недопустимо ухудшаются частотные свойства мощных транзисторов.

Как видно из схемы, выпрямительные диоды и накопительные конденсаторы источника питания отнесены к усилителю и расположены на печатной плате - см. рис. 2 в первой части статьи. Это позволило резко (в десятки раз) снизить величину паразитной индуктивности цепей питания, что необходимо для обеспечения малого излучения помех выходным каскадом, а также повышения быстродействия усилителя.

Суммарная емкость накопительных конденсаторов в блоке питания усилителя составляет 56 400 мкФ на каждое плечо и может показаться слишком большой по сравнению с обычно встречающимися значениями (10...20 000 мкФ). Тем не менее это - не роскошь: для обеспечения пульсаций напряжения в пределах 1,5...2 В при токе до 9 А нужна емкость не менее 45...60 000 мкФ (энергоемкость - 75...100 Дж на канал). Недостаточная емкость конденсаторов в блоках питания большинства коммерческих усилителей объясняется исключительно экономическими причинами.

Влияние выходных цепей - кабелей и прочего - на передачу сигнала от усилителя к громкоговорителю практически полностью устранено. С этой целью использовано четырехпроводное подключение нагрузки, заимствованное из измерительной техники (обычное включение обеспечивается установкой перемычек между контактами S2 и S3 соответствующих линий АС и ОС). Кроме того, на выходе усилителя установлена RLC-цепь, оптимизированная с помощью компьютера и эффективно изолирующая на частотах выше 100...200 кГц выходной каскад усилителя от любых паразитных воздействий. Это одна из мер, позволивших практически реализовать столь большую широкополосность ООС (6...7 МГц).

Вопреки распространенному представлению, следует заметить, что между глубиной ООС и склонностью усилителя к появлению динамических искажений прямой связи в действительности нет. Более того, расширение полосы пропускания в петле ООС и увеличение ее глубины за пределами диапазона звуковых частот на самом деле облегчает выполнение условий отсутствия динамических искажений и перегрузки входных каскадов. Их перегрузка большим разностным сигналом приводит к срыву слежения в петле обратной связи и "выключению" ООС. Для предотвращения этого явления необходимо уменьшать величину разностного сигнала. Лучшим средством следует признать увеличение глубины ООС на высоких частотах.

Теперь о применении ООС для повышения линейности. Анализ схемотехники многих усилителей приводит к выводу, что большинство разработчиков, по всей видимости, не отдают себе отчета в том, что способность ООС исправлять искажения зависит не только от ее глубины, но и от места возникновения этих искажений.

Рассмотрим простейшую модель трехкаскадного усилителя с ООС (рис. 6), где сверху изображена его структурная схема с источниками ЭДС шумов (en) и искажений (ed) в каждом каскаде. Ниже приведена эквивалентная ей схема, где все источники шумов и искажений пересчитаны на вход (т. е. в суммирующую точку усилителя). При этом становится очевидным, что абсолютный уровень приведенных ко входу продуктов искажений при введении ООС в первом приближении остается неизменным, а степень ослабления искажений и шумов прямо пропорциональна усилению от суммирующей точки до места возникновения этих искажений и шумов. Снижение же относительного уровня искажений при введении ООС происходит за счет того, что общее ("внешнее") усиление системы снижается, и относительная доля шумов и искажений падает. Если искажения, вносимые выходным каскадом, имеющим единичное усиление, действительно ослабляются во столько раз, какова глубина ООС на частоте соответствующего продукта искажений, то искажения первого каскада, приведенные к его входу, не ослабляются совсем.

Сверхлинейный УМЗЧ с глубокой ООС

Именно это обстоятельство вынуждает до предела повышать исходную линейность всех каскадов усилителя, охватываемого ООС, особенно входных. В противном случае может получиться, что после введения ООС произойдет резкое расширение спектра интермодуляционных искажений. Механизм этого явления прост: спектр разностного сигнала, поступающего на вход собственно усилительных каскадов, всегда оказывается расширенным за счет продуктов искажений. При этом, если глубина ООС с ростом частоты убывает быстрее, чем спадают уровни продуктов искажений (это характерно для большинства усилителей), то доля высокочастотных продуктов искажений в разностном напряжении на входе при замкнутой ООС превосходит долю полезного сигнала. Поскольку с ростом частоты линейность усилительных каскадов обычно снижается, возникает масса продуктов интермодуляции, часть из которых попадает и в область звуковых частот. Именно для того, чтобы это явление не возникало, и необходим достаточный запас по линейности входных каскадов, особенно в отношении асимметричных нелинейностей.

Диапазон линейности (по входному дифференциальному напряжению) у примененного в усилителе ОУ КР140УД1101 составляет +0,8 В, что больше, чем у практически всех ОУ со входом на полевых транзисторах. Линейность входного дифференциального каскада у КР140УД1101 благодаря глубокой местной ООС (в виде относительно высокоомных резисторов в эмиттерных цепях) также значительно выше, а входная емкость в несколько раз меньше, чем у ОУ с полевыми транзисторами на входе. В то же время напряжение сигнала на входе ОУ DA3 (при работе усилителя без перегрузки) не превышает 1 мВ.

Размах сигналов на выходе DA3 при нормальной работе усилителя не превышает 0,5 В от пика до пика. По данным измерений при этих условиях ОУ КР140УД1101 еще до охвата ООС имеет на частотах до 50 кГц нелинейность менее 0,05 %. Следующий за ОУ усилитель напряжения на транзисторах VT5 - VT14 также обладает очень высокой линейностью - его интермодуляционные искажения на средних частотах при полном размахе сигнала составляют примерно 0,02...0,03 %.

Как следствие, общая ООС в данном усилителе, в отличие от большинства других, оказывается в состоянии эффективно подавлять гармонические и интермодуляционные искажения, вносимые выходным каскадом и не вносит сколько-нибудь заметных побочных эффектов. Остаются искажения, связанные с особенностями конструкции УМЗЧ, почти полностью определяющиеся монтажными наводками от токов выходного каскада на входные цепи усилителя. Опасность этих наводок состоит в том, что формы токов, проходящих по цепям питания половин выходного каскада, работающего в режиме класса AB, значительно искажены по сравнению с током в нагрузке. Как следствие, если наводки от этих токов попадают во входные цепи не в точной симметрии (чего на практике все равно добиться невозможно), то возникают заметные искажения, особенно на высоких частотах, где паразитные связи усиливаются.

Для борьбы с этим явлением при разработке печатной платы данного усилителя был принят ряд мер, причем некоторые из них не имеют прецедента в звукотехнике и характерны для разработки прецизионной измерительной аппаратуры. Например, с целью предельной минимизации паразитной индуктивности сильноточных цепей в цепях питания вместо традиционных "банок" применены распределенные по плате конденсаторы меньшей емкости, а фольга одной из сторон выполняет роль общего провода (на схеме соединения с ним показаны утолщенными линиями). Цепи мощных транзисторов выходного каскада разведены предельно компактно, что вместе с распределенным по плате общим проводом более чем на порядок снизило излучение помех выходным каскадом по сравнению с традиционной конструкцией. Далее, во избежание проблем с наводками на соединительные провода, на одной плате смонтированы все цепи усилителя, включая даже диоды выпрямителя питания (VD38-VD41).

Все эти меры позволили создать усилитель, отличающийся не только очень высоким качеством, но и высокой воспроизводимостью характеристик. Эти достоинства сохраняются в широком диапазоне условий эксплуатации (температура окружающей среды, нагрузка, источники сигналов и т.д.). Описаний или промышленных образцов усилителей столь же высокого класса автору обнаружить не удалось.

О заменах полупроводниковых приборов. Вместо транзисторов КТ818Г1 подойдут КТ818Г в количественном соотношении 2:3 (т.е. 12 шт. вместо 8), а также КТ864А, 2Т818А, КТ818ГМ, 2SA1302, КП964А, 2SA1294, 2SA1215, 2SA1216; вместо КТ819Г1 - транзисторы КТ819Г (также в количественном соотношении 2:3) и КТ865А, 2Т819А, КТ819ГМ, 2SC3281, КП954А, 2SC3263, 2SC2921, 2SC2922. Применяя комплементарные импортные транзисторы 2SA1302 и 2SC3281, 2SA1294 и 2SC3263, а также КП964 и КП954 при напряжении питания ±40 В, их число можно сократить до четырех в плече с одновременным удвоением тока покоя каждого транзистора и уменьшением номинала резисторов в эмиттерных цепях до 0,5 Ом.

Применяя транзисторы 2SA1215 и 2SC2921 при том же напряжении питания (+40 В), их достаточно ставить по три на плечо, а транзисторы 2SA1216 и 2SC2922 на большом радиаторе можно ставить всего по два, естественно, с соответствующим уменьшением сопротивления упомянутых резисторов. Суммарная площадь ребер радиаторов для каждого канала должна составлять не менее 1500...2000 см 2.

Транзисторную пару КТ961, КТ639 можно заменить на BD139 и BD140, КП961А(Б) и КП965А(Б), 2SD669 и 2SB649, 2SA1837 и 2SC4793. Пару КТ969, КТ9115 вполне заменят КП959А(Б) и КП960А(Б) или BF871 и BF872.

Что касается транзисторов КТ632Б и КТ638А, то их заменять нет смысла. Тем не менее в позиции VT8 допустимо применить КТ9115, КП960, 2SA1538, 2SA1433, КТ9143, в позиции VT7 - 2N3906, в позициях VT10, VT45 - 2N5401. Транзистор КТ638А в позиции VT6 заменим на КТ969А, КП959, 2SC3953, 2SC3504, КТ9141, в позиции VT5 - на 2N3904, в позициях VT9, VT44 - на 2N5551, КТ604, КТ605, КТ602. Транзисторы КТ3102А можно заменить на любые из этой серии или на BC546 - BC550 (с любым индексом), а комплементарные им КТ3107А - на КТ3107 с любым другим индексом и на BC556 - BC560.

ОУ КР140УД1101 в УМЗЧ (DA3) допустимо заменять только на К(Р)140УД11 или LM118/218/318 (отечественный, правда, работает лучше), в остальных местах - на AD841 (что, однако, неоправданно дорого). ОУ КР140УД1408 можно заменить на К140УД14, LM108/208/308 или на AD705, OP-97. Во входном ФНЧ для снижения шума полезно использовать LF356 (КР140УД22), OP-176. Для ОУ КР140УД23 аналогом является LF357, возможно применение и OP-37 (КР140УД26).

Блок питания. Устройство защиты и индикации искажений

При высокой энергоемкости конденсаторов блока питания важен правильный выбор его трансформатора. Связано это с тем, что выпрямитель, работающий на батарею конденсаторов большой емкости, создает в обмотках трансформатора отнюдь не синусоидальный ток, который подразумевается в большинстве методик расчета трансформаторов. Пиковая величина (до 50 А) и скорость нарастания тока в этом случае оказываются существенно больше, чем при резистивной нагрузке. Это резко увеличивает излучение помех цепями питания. Кроме того, падение напряжения на обмотках оказывается большим, чем при работе трансформатора на равную по мощности активную нагрузку. Потери в обмотках определяются пиковым током, а выходная мощность выпрямителя - средним. Поэтому трансформатор для УМЗЧ должен быть очень мощным, с малым сопротивлением обмоток. Для уменьшения помех индукция магнитного поля в этом трансформаторе должна быть снижена по сравнению с обычными значениями [8]. Надо также учитывать, что потребляемая усилителем мощность при работе на комплексную нагрузку оказывается заметно выше, чем на активную (см. рис. 3 в первой части статьи - "Радио",1999,№10).

Максимальная величина пульсаций на оксидных конденсаторах изготовителями нормируется и для конденсаторов большой емкости при комнатной температуре и частоте пульсаций 100 Гц редко допускается более 8...10 % от рабочего напряжения. Срок службы даже лучших конденсаторов при таких пульсациях и указанной на корпусе температуре (85 или 105 °С) обычно не превышает 2000 ч, увеличиваясь примерно в два с половиной раза при снижении температуры на каждые 10 °С [9]. Тем не менее концертные и бытовые усилители по экономическим соображениям проектируют с сильно заниженной емкостью конденсаторов (и завышенными пульсациями), поскольку считается, что концертный усилитель дольше гарантийного срока не проживет (его раньше сожгут или разобьют), а бытовой у большинства владельцев, как правило, используется не более чем на 10 % его мощности.(Немаловажная подробность: обычно полагают, что более высокотемпературные конденсаторы имеют и лучшие электрические характеристики. На самом деле это не так. Наоборот, эквивалентное последовательное сопротивление (ESR - англоязычная аббревиатура) конденсаторов, рассчитанных на температуру до 105 °С, при прочих равных условиях почти вдвое выше, а допустимые токи - ниже, чем у менее теплостойких (до 85 °С).

В описываемом усилителе относительная величина пульсаций на конденсаторах фильтра при полной нагрузке выбрана равной примерно 5 %, что и привело к суммарной емкости в плече в пределах 50...60 000 мкФ.

Предположим, что уменьшение выходного напряжения выпрямителя под полной нагрузкой не превышает 5...7 % (напряжение холостого хода - 42...43 В, при токе 9...10 А оно снижается до 39...40 В, что соответствует потере 10...15 % мощности). В этом случае нетрудно определить, что выходное сопротивление выпрямителя не должно превышать 0,2...0,25 Ом. При выбранной величине пульсаций это требует приведенного к выходу суммарного сопротивления первичной и вторичной обмоток не более 0,05...0,06 Ом на плечо. С этой точки зрения лучше применить два отдельных для каждого канала трансформатора, поскольку легче будет разместить обмотки.

Общеизвестно, что для обеспечения надежной работы АС в конструкции УМЗЧ должны быть предусмотрены меры их защиты от подачи на них постоянного напряжения и сигналов инфразвуковой частоты. Кроме того, из-за большой суммарной емкости конденсаторов питания и низкого сопротивления обмоток трансформатора включение подобного БП в сеть без ограничения тока недопустимо - ток зарядки конденсаторов может вызвать срабатывание предохранителей, выход из строя диодов выпрямителей. Поэтому предлагаемый УМЗЧ снабжен автоматикой, обеспечивающей "мягкую" зарядку конденсаторов блока питания, перезапуск при кратковременном пропадании сетевого напряжения, а также отключение АС на время пуска усилителя и при появлении постоянного напряжения на выходе УМЗЧ.

Особенность схемотехники БП и автоматики состоит в том, что во времязадающих цепях оксидные конденсаторы не применяются. По мнению автора, они снижают надежность работы подобных устройств и стабильность их характеристик. Эксплуатационная надежность всего усилителя за счет соблюдения всех ограничений на режимы работы транзисторов, по оценке автора, существенно повышена, поэтому защита АС от постоянного напряжения при наличии разделительного конденсатора C1 на входе УМЗЧ (см. схему на рис. 4 во второй части статьи - "Радио",1999,№11) в любительской версии усилителя необязательна. Тем не менее при подготовке данной публикации эта функция была введена.

Как видно из принципиальной схемы (рис. 7), для питания УМЗЧ используются два трансформатора. Первый - мощный T1 - имеет независимые обмотки для питания выходных каскадов двухканального усилителя, второй - маломощный T2, от него питаются предварительные каскады с ОУ и блок автоматики. Это улучшило помехозащищенность и снизило стоимость блока, поскольку облегчается подбор стандартных трансформаторов.

Сверхлинейный УМЗЧ с глубокой ООС
(нажмите для увеличения)

Требования к трансформатору T1 для стереоусилителя таковы: ток холостого хода - не более 40 мА (это при сетевом напряжении 242 В), сопротивление первичной обмотки не должно быть более 1,2 Ом, суммарное сопротивление между концами обеих половин обмотки 2x30 В - не более 0,07...0,08 Ом. Напряжение холостого хода между средней точкой и каждым из концов обмотки при этом должно быть в пределах 29...31 В (при напряжении сети 220 В). Дополнительные обмотки для получения выпрямленных напряжений +52...54 В должны иметь напряжение холостого хода по 8...9 В и сопротивление не более 1 Ом каждая. Суммарная асимметрия напряжения обмоток не должна превышать 0,3 В.

При самостоятельном расчете трансформатора Т1 под имеющийся в наличии магнитопровод сечением не менее 10 см2 (не менее 6 см2 для раздельных трансформаторов) целесообразно воспользоваться рекомендациями в [8]. Заметим, что стержневые магнитопроводы (ПЛ) с тщательно пришлифованными стыками не уступают кольцевым (ОЛ) по ряду показателей при более технологичной намотке катушек.

Ток холостого хода трансформатора T2 не должен превышать 10 мА (при напряжении сети 242 В), а сопротивление его первичной обмотки - 150 Ом. Две вторичные обмотки, соединенные с VD20, VD26, должны иметь напряжение холостого хода между крайними выводами 34...38 В и сопротивление до 3...4 Ом, а третья обмотка - 25...29 В и сопротивление не более 2 Ом. Все три обмотки имеют отвод от средней точки, асимметрия напряжений на их половинах допускается не более 0,2 В.

Весьма желательно, чтобы трансформаторы имели экранирующие обмотки.

Например, мощный трансформатор Т1 можно выполнить на стержневом магнитопроводе ПЛМ 32x50x90 из высококачественной стали Э330А (при пиковой величине индукции 1,1 Тл).

Все мощные обмотки разделены так, что их секции, размещенные на двух одинаковых катушках, соединены последовательно, при этом ток любой из обмоток проходит через обе катушки - в этом случае наводки минимальны.

В каждой секции сетевая обмотка (крайние выводы 1-2) содержит по 285 витков провода Ø1,4 мм. Вторичные обмотки 4-5, 5-6 и 9-10, 10-11 также разделены пополам, при этом в каждой из восьми секций содержится по 40 витков провода Ø2...2,1 мм; обмотки 3-4, 6-7, 8-9, 11-12 не секционированы, имеют по 24 витка и намотаны в два провода Ø0,5 мм.

Для обмоток следует использовать провод ПЭВ-2 или аналогичный. Экранная обмотка - незамкнутый виток из алюминиевой фольги, ламинированной лавсаном. Контакт с ней достигается с помощью закладываемой под нее полоски луженой сетки. Экранная обмотка размещается между первичной и вторичной обмотками. Намотку катушек производят на гильзе с предельной плотностью укладки.

Рассмотрим работу автоматики. Пусковой ток трансформатора T1 при включении усилителя кнопкой SB1 ограничивается резисторами R11 и R12 (рис. 7). Далее, по истечении примерно 20 с, эти резисторы шунтируются встречно-параллельной парой оптотиристоров VS1 и VS2, затем через 8 с подключается АС. Временная последовательность задается с помощью простейшего конечного автомата на микросхемах DD3 и DD4, а триггер DD5.2 используется для привязки момента включения оптотиристоров к моменту малого мгновенного напряжения в сети. Триггер DD5.1 фактически использован как инвертор.

После включения SB1 на выходе элемента DD1.4 за счет действия цепи R10C9 в течение примерно 2 с сохраняется напряжение низкого уровня, через инвертор DD3.2 оно обнуляет счетчики DD4. В этом состоянии оптотиристоры (а также реле К1) выключены, трансформатор T1 подключен к сети через балластные резисторы, а нагрузка от усилителя отключена. По окончании режима сброса включаются генератор импульсов и делитель частоты в составе DD4. При этом на выходе первой секции делителя (выв. 1 DD4) появляются импульсы с частотой примерно 2 Гц. Через элемент DD3.1 они проходят на вход второй секции делителя частоты. По прохождении 32 импульсов высокий уровень на выводе 5 DD4, следуя через DD5.2, открывает VT1, управляющий оптотиристорами VS1 и VS2. Еще через 16 последующих импульсов низкий уровень на выходе DD3.3 блокирует дальнейший счет и после инверсии в D-триггере DD5.1 открывает VT2, включающий обмотку реле К1.

Устройство контроля сетевого напряжения выполнено на резисторах R20- R22, конденсаторе C8, диодах VD12- VD14 и элементах DD1.3, DD1.4. Если в сетевом напряжении появляются пропуски периодов или резкие "провалы" напряжения, то напряжение в точке соединения R22 и С8 становится меньше порогового для DD1.3 (4...5 В), что приводит к сбросу DD4 через элементы DD1.4 и DD3.2. Импульсы с частотой сети для тактирования D-триггеров DD5 снимаются с выхода DD3.4. Появление в процессе пуска на выходе УМЗЧ постоянной составляющей величиной более 0,6...0,7 В вызывает срабатывание какого-либо из компараторов DA4, и через DD3.2 также сбрасывает DD4, что блокирует процесс включения.

Применение двух оптотиристоров вместо одного оптосимистора вызвано тем, что, во-первых, оптотиристоры менее дефицитны, а во-вторых, симисторам присуща асимметрия падения напряжения, вызывающая подмагничивание магнитопровода трансформатора постоянным током. Это резко увеличивает наводки.

Подключение АС к усилителю осуществляется двумя группами нормально разомкнутых контактов реле K1. Оптимальное (с точки зрения минимизации искажений) место включения контактной пары реле - в разрыв между собственно усилителем и выходным RLC-фильтром (конденсатор С52 остается подключенным к L1, R118 - см. схему на рис. 4). На печатной плате усилителя для этого предусмотрены точки подпайки ленточного кабеля,"" идущего к контактам реле. Практически же, в случае четырехпроводного подключения нагрузки, контакты реле можно подключать и к выходу RLCфильтра, в разрыв провода между точкой соединения L2, R120, R121 и выходной цепью УМЗЧ (+АС) с конденсатором С79 (он размещен на клеммах для подключения АС). Надо сказать, что реле - не очень надежный элемент, поскольку его контакты могут "пригореть".(Ленточный кабель с чередующимися "прямым" и "обратным" проводниками использован для снижения паразитной индуктивности).

Более надежное решение - построение защиты АС на основе шунтирования выхода усилителя мощным симистором, способным выдержать силу тока через пробитые транзисторы выходного каскада. Однако емкость столь мощного симистора весьма велика и, что самое главное, нелинейна (зависит от напряжения). Поэтому применение такого элемента увеличивает интермодуляционные искажения на высших звуковых частотах до сотых долей процента.

Отличительной особенностью устройства обнаружения постоянного напряжения на выходе усилителя является применение двухзвенного ФНЧ. Благодаря этому снижены постоянные времени фильтров и исключены оксидные конденсаторы, повышены надежность, чувствительность и быстродействие устройства защиты. Время его срабатывания с момента появления постоянного напряжения 2 В не превышает 0,25 с, при напряжении 20 В - не более 0,08 с. При срабатывании защиты АС отключаются также и оптотиристоры.

Устройство индикации искажений в каждом канале представляет собой комбинацию из порогового узла с зоной нечувствительности (его еще называют "оконным" компаратором), построенного на двух элементах DA3.1, DA3.2, и цифрового ждущего мультивибратора с перезапуском (на соответствующей "половинке" DD2). Принцип его действия основан на том, что в исходном состоянии счет блокирован высоким уровнем на выходе четвертого триггера счетчика. При сбросе счетчика, вызываемом срабатыванием любого из двух объединенных по выходу компараторов, низкий уровень на выходе четвертого триггера одновременно разрешает счет и зажигает светодиод индикации искажений (HL1 или HL2 соответственно). По приходу восьмого тактового импульса счетчик возвращается в исходное состояние, блокируя дальнейший счет. Одновременно гаснет соответствующий светодиод. Таким образом, индикация перегрузки действует в течение всего времени, когда напряжение на входах компараторов выходит за пределы зоны нечувствительности и сохраняется еще 7-8 периодов тактовых импульсов (3...3,5 с) после возвращения компараторов в исходное состояние.

Аналогичные "оконные" компараторы на элементах DA4 использованы и для определения наличия постоянной составляющей на выходе УМЗЧ. Опорные напряжения (0,5...0,6 В) компараторам заданы параметрическими стабилизаторами R18VD18 и R28VD19. Преобразование выходных уровней компараторов, питающихся от напряжений +12 В, к уровням логических микросхем, питающихся от источника +12 В, выполнено на резисторах R3 и R4, R7 и R8, R19 и R29. Цепь R25С12 обеспечивает форсированное включение и выключение реле К1. Использованное автором реле фирмы Omron имеет номинальное напряжение срабатывания 12...15 В и ток 40 мА. Однако можно подобрать отечественное реле, при необходимости изменив номиналы элементов R25, R45, C12. Единственное принципиальное требование к нему - его контакты должны быть рассчитаны на ток не менее 15 А при напряжении не менее 50 В.

Стабилизаторы источников питания для ОУ обоих каналов усилителя выполнены на микросхемах DA5-DA8. Использование микросхем регулируемых стабилизаторов КР142ЕН12 (LM317) и КР142ЕН18 (LM337) вызвано двумя причинами. Во-первых, для повышения частотных характеристик и динамического диапазона ОУ их напряжение питания выбрано близким к максимально разрешенному (+18 В) и нестандартно - +16,5...17 В. В данном усилителе это вполне допустимо, поскольку ОУ по выходу нагружены слабо. Требуемое выходное напряжение стабилизаторов задано внешними резисторами. Во-вторых, за счет применения конденсаторов C25, C28, C35 и C38 на порядок улучшено подавление пульсаций и шумов стабилизаторов (по сравнению с микросхемами на фиксированное выходное напряжение) - они не превышают 0,2 мВ. С целью предотвращения образования "земляных" контуров для каждого канала использованы отдельные изолированные источники питания.

Ввод напряжения сети производится через фильтр, образованный элементами С17-С20 и T3 - так называемым синфазным трансформатором (или синфазным дросселем). Последний представляет собой обмотку из сложенных вместе жгутом трех проводов на ферритовом кольце большого типоразмера. Число витков обмотки некритично; для кольцевого магнитопровода сечением примерно 1 см2 из феррита, например марки 1500НМ, достаточно около 20 витков. Этот фильтр существенно улучшает защиту усилителя от помех, проникающих из сети. Все соединения в цепях ввода сети нужно выполнять проводом сечением не менее 2 мм2 . Фильтр R35R36C21 предотвращает проникание помех от работы тиристоров VS1, VS2 в малосигнальные цепи через трансформатор T2. Выключатель SB2, в зарубежной аппаратуре обозначаемый как "Ground Lift" (отсоединение "заземления"), позволяет при необходимости отключить корпус усилителя от защитного заземления сети, если оно имеется.

Кстати, с той же целью повышения помехозащищенности данного усилителя предусмотрено включение синфазных трансформаторов и во входных сигнальных цепях. Об этой весьма полезной детали при конструировании аппаратуры зачастую забывают или экономят на ней. Поэтому некоторые мелкие фирмы (например, Transparent Audio Technology) организовали весьма прибыльный бизнес по торговле межблочными кабелями со встроенными синфазными трансформаторами (иногда с помехоподавляющими фильтрами) для улучшения помехозащищенности аппаратуры. Польза от этого действительно есть, но на $500 (цена не самого дорогого межблочника вышеупомянутой фирмы) никак не тянет.

О возможных заменах элементов

Микросхема К1401СА1 - точный аналог LM339 (BA10339, KA339, KIA339, HA17339, μPC339). При их отсутствии можно использовать К554СА3. Аналогом КР1157ЕН1202 (в корпусе КТ-26) является микросхема 78L12 (другие аналоги могут иметь различие в цоколевке выводов), а КР1168ЕН12 - 79L12. Вместо КР142ЕН12 вполне подойдут LM317, KA317, а вместо КР142ЕН18 - LM337, KA337 (все - в корпусах ТО-220). При монтаже их надо установить на радиаторы площадью 15...25 см2. Транзисторы КТ972 (VT1, VT2) могут быть заменены на любые составные транзисторы структуры n-p-n (например КТ829), рассчитанные на ток не менее 150 мА, или транзисторы, сохраняющие большой коэффициент передачи тока (более 60) при токе 100 мА, например, на КТ815. Диоды КД243 - это аналог 1N4002-1N4007, КД521 - 1N4148.

Резисторы R11, R12 - типа С5-16 или группы ПЭ. Основное требование к ним - способность выдерживать кратковременные перегрузки во время зарядки конденсаторов блока питания. С этой точки зрения отечественные резисторы оказываются более надежными. Конденсаторы С1, C2, C6, C7, C24, C27, C34, C37 - керамические, на напряжение 25 В, например, КМ-6, К10-17, К10-23 или аналогичные импортные, группа ТКЕ - Н30, хотя допустима и Н70. Конденсатор C16 - пленочный (К73-9) или керамический (К10-17) группы ТКЕ не хуже М1500. Конденсаторы C4, C5, C8-С11, C13, C14 - К73-17 или аналогичные импортные. Помехоподавляющие конденсаторы C17- C21 - типа К78-2 или аналогичные импортные, специально предназначенные для работы в цепях фильтрации (их корпус обычно усеян значками сертификации безопасности).

Оксидные конденсаторы - К50-35 или импортные аналоги. Резисторы R37-R44 должны быть либо точными (серий С2-13, С2-26, С2-29 и т. п.), либо подобранными из близких по номиналу МЛТ, ОМЛТ, С2-23. Резисторы повышенной мощности - 2 Вт - МЛТ, ОМЛТ, С223 или их импортные аналоги. Остальные маломощные резисторы могут быть углеродистыми - С1-4, ВС и проч. Выпрямительные мосты КЦ405 заменимы на КЦ402, КЦ404 или на набор диодов КД243 (1N4002-1N4007). В качестве оптотиристоров VS1, VS2 применимы любые из серии ТО125 с классом по напряжению 6 и более (ТО125-10-6, ТО125-108, ТО125-10-10, ТО125-12,5-6, ТО12512,5-10 и т. п). Можно также использовать и серию ТО132.

Выпрямительные мосты серии КЦ407 также могут быть заменены на набор диодов КД243 (1N4002-1N4007).

Если усилитель планируется часто использовать на полной мощности, выпрямительные мосты в усилителе (VD38- VD41 на рис. 4) полезно умощнить, включая параллельно в каждое плечо моста по паре диодов КД213, а при возможности - заменить на более мощные КД2997. Использовать низкочастотные выпрямительные диоды не следует из-за явно выраженного эффекта "скачкообразного восстановления": выключение диода происходит с задержкой на рассасывание накопленных носителей заряда. Окончание этого процесса порождает большие помехи. Шунтирование диодов конденсаторами при этом помогает слабо. С высокочастотными диодами (КД213, КД2997, КД2995 и т. п.) этой проблемы не возникает.

Можно также использовать диоды Шоттки, рассчитанные на напряжение не менее 100 В. Что касается применения импортных высокочастотных диодов, то их нужно брать на ток не менее 30 А, поскольку эта величина, как правило, для зарубежных высокочастотных диодов представляет собой либо допустимый пиковый ток, либо средневыпрямленный ток на активную нагрузку, а не средневыпрямленный ток при работе на емкостный фильтр, как для большинства отечественных диодов. В частности, можно порекомендовать диоды 40CPQ100 и 50CPQ100 (IR), однако розничная цена их составляет около $6...7.

Чтобы при повторении усилителя уйти от проблем, вызванных использованием дефектных и некондиционных компонентов, рекомендуем обратить внимание на их проверку. Поиск неисправной детали в широкополосном усилителе с глубокой ООС и непосредственной связью десятков транзисторов почти наверняка потребует больше сил, чем предварительный контроль элементов.

Проверка компонентов

Несмотря на то, что схемотехника и конструкция представленного усилителя гарантирует получение заявленных характеристик (при настройке только одного параметра - тока покоя резистором R60), это отнюдь не означает, что компоненты не нуждаются в проверке перед установкой.

Такая ситуация вызвана тем, что "растворение" небольшого количества бракованных изделий среди годной продукции практикуется отнюдь не только юго-восточными, но и многими западными фирмами, особенно при поставке в розничную сеть и в Россию. Отечественные предприятия также нередко "сбрасывают" в розничную продажу или на радиорынки наряду с годными и бракованные изделия.

В результате вероятность покупки некондиционных элементов для частного лица, по оценкам и личному опыту автора, вряд ли ниже 2...4%. Иными словами, в среднем два-три элемента из сотни оказываются бракованными, и это при том, что в каждом канале усилителя более двухсот деталей.

Если учесть, что поиск неисправных элементов в уже собранной конструкции отнимает массу времени и сил, а также то, что один неисправный элемент может повлечь за собой неисправность других, необходимость входного контроля компонентов становится очевидной.

Проблема надежности осложняется тем, что в ТУ на многие как отечественные, так и зарубежные компоненты введен лишь небольшой (и зачастую недостаточный) набор параметров, удобных для контроля в массовом производстве. При этом ряд важных характеристик, например, таких, как критический ток и объемное сопротивление коллектора биполярных транзисторов, просто не нормируются и не проверяются при производстве, несмотря на то что их влиянием пренебрегать нельзя. Поэтому вполне возможна ситуация, когда, например, некий экземпляр транзистора формально исправен, но устанавливать его в конструкцию нежелательно, поскольку какой-либо из его параметров, не регламентированных в ТУ на поставку, оказывается намного хуже, чем в среднем для компонентов данного типа.

Именно поэтому при сборке устройств высокого класса необходима тщательная проверка компонентов. Что касается основной части пассивных элементов (резисторов, конденсаторов малой емкости, диодов, стабилитронов), то их проверка не вызывает проблем. Резисторы проверяют омметром на допустимое отклонение от номинала, а также на надежность контакта (у отечественных резисторов типов С1-4 и ВС бывают некачественно навальцованы контактные колпачки). Кроме того, выводы отечественных резисторов зачастую требуют облуживания перед сборкой. Применять активные флюсы при этом недопустимо, а для зачистки выводов лучше использовать "чернильный" ластик. Рекомендуемые типы маломощных резисторов - МЛТ, ОМЛТ С2-23.

Наиболее высокие требования предъявляются к резисторам R1, R2, R7, R20, R22 - R24, R29 - R31, R36, R40, R122, R123. Эти резисторы обязательно должны быть металлодиэлектрическими или, что еще лучше, металлопленочными (Metal Film) - МЛТ, ОМЛТ С2-23, С2-13, С2-26, С2-29В.

При подборе резисторов, если они с допуском ±2% и более, желательно выдержать следующие соотношения:

[(R23+R24+R122+R123)/(R30+R31)]x(R29/(R36+R40)]=1 - с отклонением не более 1...3%;

[(R23+R24+R122+R123)/R30]x[R29/(R36+R40)]=2 - с отклонением не более 2...3%.

Большинство продаваемых в России импортных резисторов являются углеродистыми (Carbon), поэтому при приобретении импортных резисторов вместо вышеупомянутых есть риск купить под видом металлодиэлектрических углеродистые или композиционные. При этом лучше ориентироваться на резисторы с допуском 1% и менее, которые бывают углеродистыми только в подделках. Основные недостатки углеродистых и композиционных резисторов - большая нелинейность (до 0,05...0,1%) и повышенный шум при протекании через них тока.

Шумы резисторов складываются из термодинамического (со спектральной плотностью ) и избыточного (токового) шума, проявляющегося при протекании тока через резистор и вызываемого флуктуациями сопротивления. В диапазоне звуковых частот величина этого шума у углеродистых резисторов может превосходить 10 мкВ (на декаду частоты при падении напряжения 1 В). Как правило, это на порядок и более превышает тепловой шум такого резистора.

Из-за избыточного шума резисторов собственные шумы усилителя с увеличением уровня сигнала возрастают, и при использовании в качестве R1, R7, R22, R23, R24 углеродистых резисторов этот прирост может достигать 20..30 дБ! Применение металлопленочных резисторов снимает эту проблему: их шум составляет 0,1...0,5 мкВ/В, у металлодиэлектрических он несколько выше 0,5...2 мкВ/В.

Резисторы R1, R2, R7, R20-R31, R35R40, R42-R46, R59, R63, R94-R109, R122, R123 желательно использовать металлодиэлектрические (МЛТ, ОМЛТ, С2-23). Желательно также попарно подобрать R38, R44 и R59, R63, чтобы они отличались не более чем на 2...3%.

Требований к остальным резисторам значительно ниже. Так, резисторы R3-R6, R8-R19, R32, R34, R47-R58, R61, R62, R64-R93, R110-R117 и даже R33, R37, R39, R42, R43 могут быть углеродистыми без ущерба для характеристик усилителя. Подстроечный резистор R60 - керметный СПЗ-19а (из импортных также пригоден керметный или "полимерный"). Применять другие подстроечные резисторы, особенно открытой конструкции, не рекомендуется из-за низкой надежности. В качестве резисторов R118-R121 автором применены имевшиеся в наличии импортные (типа SQP), но они заменимы на С5-16 или параллельно соединенные двухваттные МЛТ С2-23 и т. п.

Конденсаторы с емкостью до 1000 пФ целесообразно использовать керамические - К10-7в, К10-17, К10-43а, К10-47а, К10-506 (групп ТКЕ ПЗЗ-М75), из импортных - конденсаторы группы NPO. Конденсаторы менее термостабильных групп изготавливают из сегнетоэлектриков, обладающих нелинейными свойствами, пьезо- и пироэффектами и другими "достоинствами". Дурная слава керамических конденсаторов в звуковых цепях связана именно с этими особенностями. Конденсаторы с малым ТКЕ ведут себя, как правило, безупречно. Можно также использовать стеклоэмалевые конденсаторы СКМ, К22У-16, К22-5. Из пленочных конденсаторов малой емкости допустимо применение полистирольных (ПМ, К70-6) и аналогичных импортных, однако присущая им паразитная индуктивность может уменьшить запасы устойчивости.

Контроль конденсаторов малой емкости сводится к проверке их сопротивления утечки (не менее 100 МОм), величины емкости (допуск до ±5%) и пробивного напряжения не менее 25 В (кроме С46, который должен выдерживать 50 В). Если используемый измеритель емкости позволяет определить добротность (или обратный ей тангенс угла потерь), то для исправных конденсаторов добротность на частотах 100 кГц - 1 МГц должна быть не менее 2000. Меньшие значения свидетельствуют о дефекте в конденсаторе. Рекомендуемые приборы - Е7-12, E7-14.

Конденсаторы С6, С8, С10-С12, С15, С19, С25, С40-С44 - блокировочные, поэтому особых требований к ним не предъявляется. Тем не менее желательно использовать керамические конденсаторы КМ-5, К10-17, К10-23 и аналогичные с группой ТКЕ не хуже НЗО (X7R для импортных конденсаторов). Связано это с тем, что у конденсаторов групп Н70Н90 (Z5U, Y5V) на частотах выше нескольких мегагерц заметно падает реальная емкость. Проверять их имеет смысл только на отсутствие обрыва (наличия емкости) и пробоя при напряжении 25-30 В.

Разделительный конденсатор С1 пленочный, лучше полипропиленовый, полистирольный или поликарбонатный (К78-2б, К71-4, К71-5, К71-7, К77-1, К77-2а). Однако габариты у них, кроме К77-2, весьма велики, и поэтому автор применил лавсановые конденсаторы К73-17, отобранные по добротности на частотах 100 Гц (не менее 700) и 1 кГц (не менее 200). Разница в емкости на частотах 100 Гц, 1 кГц и 10 кГц не должна превышать 3%.

К сожалению, вероятность брака у низковольтных К73-17 в отдельных партиях бывает весьма велика, поэтому при отсутствии измерительных приборов рекомендуется применять более высоковольтные (на 160 или 250 В). По той же причине в качестве С77, С78 использованы высоковольтные конденсаторы. Кстати, замечу, что исследование импортных конденсаторов популярных у аудиофилов марок (например, MIT, SOLEN) показало отсутствие преимуществ даже перед хорошими экземплярами К73-17, не говоря уже о К78-2 и особенно К71 -7.

Номинал С1 выбран из условия получения частоты среза около 20 Гц, но при использовании усилителя с малогабаритной АС имеет смысл повысить частоту среза до 40...50 Гц во избежание перегрузки низкочастотных головок громкоговорителей. Качество, а зачастую и "количество" басов при этом даже улучшается за счет снижения искажений, вызываемых чрезмерным ходом диффузора. Разброс емкости конденсаторов С1 в каналах УМ не должен превышать 5%.

Конденсаторы С5, С9, C31, C32, C35, C37, C39, С45, С47-С51, С77, С78 - лавсановые - К73-17 или аналогичные импортные (майларовые, полиэфирные). Основное требование к ним - малые габариты и умеренная паразитная индуктивность (не более 0,02...0,04 мкГн). После приобретения конденсаторов желательно проверить их эквивалентное сопротивление на высоких частотах (см. далее), поскольку встречается дефект контакта алюминиевой металлизации обкладок с торцевой заливкой конденсатора на основе цинка или оловянно-свинцового припоя. Наиболее это важно для С47 - С49, С77 и С78. Активная составляющая их сопротивления не должна превышать 0,2...0,3 Ом.

Конденсаторы С52 и С79 - полипропиленовые, К78-2 или аналогичные импортные с малой индуктивностью (помехоподавляющие). Их замена на конденсаторы других типов нежелательна, емкость же некритична: номинал С52 - в пределах 4700-2200 пФ, С79 - 1500 - 3300 пф. Проверка сводится к контролю по допустимому напряжению (не менее 50 В), емкости и добротности (не менее 1000 на частоте 100 кГц или 1 МГц).

Оксидные конденсаторы С2, С4, С13, С14, С20, С27, C30, C33, С53-С76, С80, С81 - отечественные К50-35, К50-68. При выборе импортных конденсаторов важен не столько изготовитель, сколько реальные их характеристики. Наилучшими являются конденсаторы с малой индуктивностью и малым эквивалентным последовательным сопротивлением - ЭПС (в импортных это группа "Low ESR"). В основном они предназначены для импульсных блоков питания. Подобные конденсаторы выпускаются многими изготовителями, но они дороже обычных и их приобретение нередко возможно только под заказ. Из обычных конденсаторов можно рекомендовать изделия Hitachi, Marcon, Nichihon, Rifa, Rubicon, Samsung. Кстати, внимательный анализ каталогов фирм-изготовителей оксидных конденсаторов показывает, что так называемые конденсаторы "For Audio" с большой емкостью в лучшем случае оказываются ничем иным, как конденсаторами группы "Low ESR" с измененной маркировкой.

Проверка оксидных конденсаторов относительно малой емкости (С2, С4, С13, С14, С20, С27) сводится к замеру их тока утечки при номинальном напряжении (не более 10...20 мкА), а также оценке их индуктивности и ЭПС. Способ измерения тока утечки очевиден, а определение последовательного сопротивления и индуктивности проводят следующим образом.

Через конденсатор, подключенный последовательно с непроволочным резистором сопротивлением R=300-750 Ом (0,5-1 Вт) к генератору синусоидального сигнала с выходным напряжением не менее 5 В, пропускается переменный ток различной частоты, а напряжение на нем измеряют милливольтметром или осциллографом. График зависимости напряжения на конденсаторе от частоты в диапазоне 1 кГц...1 МГц строят в логарифмических координатах по обеим осям (рис. 8). Обычно он имеет вид тупого угла вершиной вниз, причем ход левой ветви определяется эффективной емкостью конденсатора, рост напряжения на более высоких частотах связан с паразитной индуктивностью конденсатора, а "острота" угла зависит от последовательного сопротивления.

Сверхлинейный УМЗЧ с глубокой ООС

Эти величины с достаточной для практики точностью можно определить по графику следующим способом.

Во-первых, находят напряжение U1, соответствующее минимуму кривой. Во-вторых, строят касательные к поднимающимся вверх "ветвям" кривой и отмечают точку их пересечения (рис.8). Напряжение и частота, соответствующие точке пересечения, обозначают как U2 и fo соответственно.

После этого нетрудно найти ЭПС, эффективную емкость и паразитную индуктивность конденсатора по формулам:

где Rэп - ЭПС, UG - напряжение генератора.

Естественно, график достаточно построить только для одного-двух экземпляров конденсаторов, импеданс остальных проверяют в двух-трех точках на частотах, соответствующих минимуму последовательного сопротивления, и на частоте около 1 МГц. Допустимая величина ЭПС - не более 0,1...0,15 Ом для конденсаторов на 4700 и 3300 мкФ и не более 1,5 Ом для конденсаторов на 220 мкф. Их допустимые индуктивности - соответственно не более 0,02...0,05 мкГн.

При невозможности проверки оксидных конденсаторов большой емкости для "подстраховки" их можно зашунтировать пленочными или керамическими на соответствующее напряжение с номиналом в несколько микрофарад.

Проверка маломощных диодов, кроме контроля прямого напряжения (не более 0,7 В при токе 20 мА), сводится к оценке их тока утечки при небольшом обратном напряжении - 3...6 В. Для этой цели подходит, например, стрелочный вольтомметр с пределом измерения не менее 100 МОм, например, ВК7-9, ВК7-15. Так, у ВК7-9 на пределе 100 МОм ток полного отклонения стрелки составляет 60 нА, а заметное ее отклонение возникает уже при токе 1 нА. При измерении обратного тока диоды надо защищать от света.

Наиболее жесткие требования в отношении тока утечки предъявляются к VD1, VD2, VD15, VD16 (не более 2...3нА при температуре +60...80°С); для VD9-VD14 допустим ток не более 10... 15 нА. Особо стоит отметить требования к диодам VD26, VD27 - это прямое падение напряжения не более 0,7В (при температуре 20°С и токе 20мА), и ток утечки не более 3...5мкА при обратном напряжении 120В и температуре +60...80°С. В отношении остальных малосигнальных диодов достаточно ограничиться простой проверкой с помощью омметра.

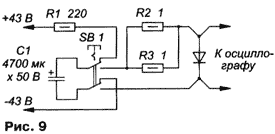
Выпрямительные диоды VD28 - VD31, и особенно VD36-VD41, должны быть проверены на пробивное обратное напряжение - не менее 100 и 150В соответственно (при величине обратного тока до 100 мкА и температуре +60...80°С). Кроме того, необходимо проверить прямое напряжение на диодах VD36-VD41 при протекании импульса тока 50.. .60 А.

Схема для такой проверки приведена на рис.9. Наблюдаемая на осциллографе величина прямого напряжения на диодах для моста VD38-VD41 не должна превышать 1,3...1,5 В. Для диодов VD36, VD37 это напряжение допускается большим до 2 В. Выпрямительные диоды с завышенным падением напряжения на предельных токах являются потенциально ненадежными.

Сверхлинейный УМЗЧ с глубокой ООС

Стабилитроны VD22-VD25 проверяют обычным способом на напряжение стабилизации при токе 7...8 мА.При установке стабилитронов в усилитель желательно, чтобы напряжение стабилизации VD23 было равным или примерно на 70... 100 мВ большим, чем у VD24.

Транзисторы VT1-VT10, VT44, VT45 достаточно проверить на коэффициент передачи тока базы и пробивное напряжение Uкэ Коэффициент h21Э для VT1-VT4 должен быть в пределах 80...600, VT5-VT12 - в пределах 50...250 при токе коллектора 5...10 мА. Пробивное напряжение для VT1 -VT4 при отключенной базе и температуре 80...100°С должно быть не менее 25 В, для VT5, VT8, VT9, VT10, VT44, VT45 - не менее 80 В, а у VT6, VT7 - не менее 40 В. Критерием начала пробоя считается увеличение тока свыше 50 мкА. При выборе транзисторов экземпляры с наибольшим коэффициентом h21Э лучше использовать в качестве VT6, VT7. Транзисторы VT11, VT12 и VT15 должны иметь h21Э не менее 50 и начальный ток коллектора Iкэо не более 5 мкА при температуре 60...80°С и напряжении Uкэ=6...10 В.

Коэффициент передачи тока для VT13, VT14 некритичен; важно лишь, чтобы при токе коллектора 10 мА и Uкэ=6...10 В он был больше 40. Требования к транзисторам VT16-VT19 более жесткие - их h21э при токе коллектора около 10 мА и Uкэ=5 В должен быть не менее 60 (лучше 70...100). Аналогичное требование предъявляется и к VT20-VT27. Подбирать транзисторы по коэффициенту h21э нет надобности, достаточно, если разброс не превышает 50...80%.

Для выходных транзисторов (VT28-VT43) коэффициенты h21э должны быть не менее 40 при токе 1 А. Применять транзисторы с h21э&№62;80 нежелательно, поскольку их область безопасной работы меньше. Напряжение пробоя Uкэо при отключенной базе должно быть не менее 100 В при токе 20 мкА для VT13, VT14, VT1 б-VT19 и не менее 80 В для VT20 - VT43 (при токе начала пробоя 0,2 мА для VT20-VT27 и 2 мА для VT28-VT43). Температура проверки напряжения Uкэо-60...80°С.

Для VT13, VT14, VT16-VT43 требуется более тщательная проверка. Это связано с тем, что дефекты в любом из этих транзисторов с большой вероятностью приводят к выходу из строя ряда других.

В связи с этим у них дополнительно желательно проверить критический ток и объемное сопротивление коллектора. Чрезмерно высокое сопротивление (характерное для высоковольтных транзисторов) приводит к раннему входу транзистора в режим квазинасыщения. Транзистор в этом режиме сохраняет работоспособность, но его усилительные и частотные свойства резко снижаются: граничная частота падает на один, а то и на два порядка, уменьшается коэффициент передачи тока и возрастает эффективная емкость коллектора.

Столь резкое увеличение инерционности транзисторов, помимо ухудшения характеристик усилителя, приводит к риску его самовозбуждения на частотах 0,6...2 МГц с последующим выходом из строя изза перегрева сквозными токами.

В связи с этим попадание транзисторов VT13, VT14, VT16-VT42 в режим квазинасыщения исключено за счет выбора их режимов с относительно малыми рабочими токами. Дальнейшее уменьшение токов приведет к снижению скорости нарастания и запаса устойчивости усилителя.

Тем не менее, поскольку разброс объемного сопротивления коллектора изготовителями транзисторов не нормируется, необходима проверка. В любительских условиях она заключается в определении зависимости h21э от напряжения Uкэ.

Методика состоит в установке заданного тока коллектора транзистора при напряжении Uкэ=5...10 В регулировкой тока базы и последующем снижении этого напряжения до величины, соответствующей снижению тока коллектора на 10...15% (при том же токе базы). Это напряжение, при котором начинается резкое падение тока коллектора, и будет пороговым для начала квазинасыщения транзистора (при данном токе коллектора).

Пороговое напряжение транзисторов КТ9115 должно быть не более 5 В при токе коллектора 14 мА, а КТ969 - 3 В при том же токе. В качестве VT13 желательно использовать транзисторы с наименьшим напряжением порога квазинасыщения. Величину h21э принимаемую за начальную, для них нужно измерять при Uкэ=10...12В.

Транзисторы КТ961 и КТ639 проверяют на токе 100...150 мА, измеряя начальный коэффициент h21э при Uкэ=5В. Пороговое напряжение при этом токе не должно превышать 1,5 В для КТ639 и 1,2 В для КТ961.

Транзисторы КТ818 и КТ819 проверяют при токе 2 А, при этом начальный h21э нужно измерять при Uкэ= 5 В, а пороговое напряжение не должно превышать 1,8 В для КТ818 и 1,5 В для КТ819.

Проверка критического тока для транзисторов КТ818 и КТ819 состоит в измерении h21э при Uкэ=5 В и двух значениях тока коллектора: 1 А и 3 А. Уменьшение h21э измеренного на токе 3 А, допустимо до 65% от значения, соответствующего току 1 А.

Транзисторы КТ818 и КТ819 с индексами Г1 являются точными аналогами КТ818ГМ и КТ819ГМ и отличаются только типом корпуса (пластмассовый - КТ43-1).

Поскольку при проверке транзисторов и токах более 50 мА на них выделяется достаточно большая для нагрева мощность, измерения нужно производить либо очень быстро (в течение нескольких секунд), либо установив транзисторы на теплоотвод.

Проверка ОУ DA1, DA3, DA4 состоит в следующем.

Частотные и скоростные характеристики проверяют в схеме на рис.10 с помощью осциллографа и генератора. Критерием годности является скорость нарастания и спада прямоугольного сигнала большой амплитуды (5 В на входе) не менее 60 В/мкс и отсутствие видимых искажений формы синусоидального сигнала амплитудой 4 В вплоть до частоты 1,5...2 МГц. Ток потребления ОУ без сигнала (измеряется по падению напряжения на резисторах фильтра питания) должен быть в пределах 5...10 мА, амплитуда максимального выходного напряжения на частоте 20 кГц - не менее ±14 В. Выход из ограничения не должен сопровождаться переходными процессами.

Сверхлинейный УМЗЧ с глубокой ООС

Шумы и напряжение смещения проверяют при короткозамкнутом входе и замыкании контактов S1 и S2, переводящих ОУ в режим масштабного усилителя с коэффициентом передачи, равным 50 дБ (включение S2 ограничивает полосу шума до 50 кГц). Напряжение шума на выходе не должно превышать 1,4 мВ (7 мВ от пика до пика на экране осциллографа), а смещение по постоянному току - не более ±1,5 В.

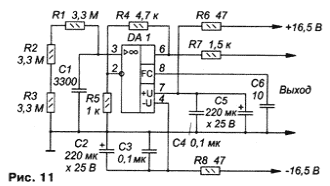
Проверку ОУ DA2 проводят, включив его по схеме, показанной на рис. 11. Критерием годности является присутствие на выходе постоянного напряжения не более 200 мВ и появление на выходе ОУ сигнала наводок при касании рукой вывода 3 DA2.

Сверхлинейный УМЗЧ с глубокой ООС

ОУ DA5 проверяют по аналогичной схеме. На его выходе в установившемся режиме (через 1-2 мин) постоянное напряжение не должно превышать 80 мВ, а размах напряжения шума на экране осциллографа - не более 1 мВ (от пика до пика). При измерении шумов должна быть обеспечена хорошая экранировка.

Плата размерами 310 x 120 мм (см. рис. 12) выполнена из двустороннего фольгированного стеклотекстолита толщиной 1,5-2 мм с металлизацией отверстий. Она рассчитана на установку в выходном каскаде до 12 штук на плечо мощных транзисторов в корпусах КТ-28 (например. КТ818Г и КТ819Г) или ТО-220 (с шагом выводов 2.5 мм).

Сверхлинейный УМЗЧ с глубокой ООС
Рис. 12 (нажмите для увеличения)

ОСОБЕННОСТИ ПЕЧАТНОЙ ПЛАТЫ И МОНТАЖА УСИЛИТЕЛЯ

На рис. 13 представлено расположение элементов на плате одного канала (см. рис. 12). Помимо большинства элементов, указанных на принципиальной схеме (рис. 4). на плате предусмотрена установка ряда дополнительных компонентов. Для сохранения соответствия нумерации прежних и новых элементов на плате им присвоены очередные порядковые номера или буквенные индексы, например, VT23A. R86B.

Сверхлинейный УМЗЧ с глубокой ООС
Рис. 13 (нажмите для увеличения)

Выводы К0, К1 - общий питания

К2 - общий сигнальный, КЗ - вход сигнальный;

FBH - выход +ОС; FBL - выход -ОС.

Плата рассчитана на установку более распространенных мощных транзисторов КТ818Г и КТ819Г до 12 штук на плечо. В связи с этим увеличено число транзисторов во второй ступени повторителя (VT20-VT27B) с четырех до шести на плечо, а также увеличены токи покоя VT16-VT27B. Кроме того, потребовалось изменить номиналы ряда резисторов: R76. R77 теперь - 130- 150 Ом (вместо 390 Ом). R78-R81 - по 8,2-to Ом (вместо 15 Ом). Номинал R64, R66 также имеет смысл уменьшить до 10 Ом. Транзисторы VT16-VT19 надо снабдить пластинчатыми теплоотводами из алюминиевого сплава толщиной 1,5...2 мм и площадью поверхности не менее 25 см^ - по одному на каждую пару транзисторов. Для VT13 и VT14 также предусмотрены небольшие теплоотводы (8...10 см^). Для уменьшения нагрева VT13. VT14 можно также слегка увеличить номиналы R59 и R63 до 160 Ом (вместо 150 Ом).

Далее, номиналы R82-R85 снижены до 13 Ом (вместо 68 Ом), a R86 - R93 - до 3,3 Ома (вместо 4,7 Ома). Изменения коснулись также номиналов цепей коррекции - С16 теперь имеет емкость 470 пФ (вместо 270). R25 и R26 - по 2.7 кОм (вместо 4,7 кОм и 1 кОм соответственно). R33 теперь имеет номинал 47 Ом (вместо 220). R38 и R44 - по 2.2 кОм (вместо 2 кОм). R64 и R66 - по 10 Ом (вместо 15). Конденсаторы С17. С18 могут быть либо заменены одним трубчатым на 3-3,3 пФ, либо двумя по 6,2 пФ (при необходимости подбирается по виду переходного процесса).

Для увеличения минимального падения напряжения на VT20-VT43 при открывании VD26, VD27 желательно последовательно с эмиттером транзисторов VT16-VT19 включить по диоду типа КД521А в прямом направлении. На плате места для них нет. поэтому диод удобнее всего впаять в разрыв между соответствующим выводом эмиттера и контактной площадкой.

В дополнение к индикации искажений собственно УМ (вызываемых "жестким" ограничением выходного сигнала) введена возможность индикации срабатывания "мягкого" ограничителя. Это достигается за счет изменения его схемы (см. рис. 14). При срабатывании "мягкого" ограничителя на резисторе R126 появляется напряжение соответствующего знака, абсолютная величина которого достигает величины 0,6 В при превышении порога мягкого ограничения всего на 90... 100 мВ. Дальнейшее увеличение этого напряжения выше 1,2...1,3 В блокируется диодами VD46-VD49.

Сверхлинейный УМЗЧ с глубокой ООС

Кроме того, предусмотрена возможность вывода выходного каскада ОУ DA 1 в режим класса "А" для снижения его нелинейности и эффектов детектирования ВЧ помех при работе на относительно низкоомную (3.5 кОм) нагрузку. Источник тока величиной 4...6 мА выполнен на полевом транзисторе VT46 типа КП303Е или КП364Е и резисторе R125 (около 150 Ом). Поскольку искажения КР140УД1101 и без источника тока весьма малы и не вносят чрезмерного вклада в общий уровень искажений УМЗЧ. установка VT46 и R125 необязательна. При установке VT46 необходимо проверить его пробивное напряжение сток-затвор, оно не должно быть меньше 40 В.

Для предельного уменьшения паразитной индуктивности монтажа выводы транзисторов выходного каскада VT20-VT43 запаяны непосредственно в печатную плату. Эта мера вызвана тем. что паразитная индуктивность эмиттерного вывода мощного транзистора снижает его фактическую граничную частоту. С учетом этого становится очевидным, что для реализации быстродействия даже сравнительно "медленных" выходных транзисторов с граничной частотой 5...8 МГц необходимо всемерное снижение паразитной индуктивности монтажных проводников за счет уменьшения площади петель протекания тока и размещения их вблизи проводящих плоскостей.

С этой целью, в частности, выходные транзисторы, как и диоды VD37-VD41 (на рис. 13 они показаны красным цветом), размещены под печатной платой со стороны теплоотвода и изолированы от него прокладкой из теплопроводя-щей резины типа "Номакон" или аналогичной, в крайнем случае, из лавсана. Можно также применить слюду, берил-лиевую или алюмонитридную керамику в сочетании с теплопроводящей пастой. При использовании прокладок, особенно тонких, нужно очень тщательно проверять чистоту сопрягаемых поверхностей для предотвращения попадания на них металлических опилок или заусенцев.

Два теплоотвода для двух каналов интегрированы в корпус усилителя в виде его боковых стенок. Чертеж теплоотвода приведен на рис. 15.

Сверхлинейный УМЗЧ с глубокой ООС
(нажмите для увеличения)

Прижим VT28-VT43 и VD36-VD41 осуществляется с помощью стальной пластины (рис. 16).

Сверхлинейный УМЗЧ с глубокой ООС

При "плaнарном" размещении мощных полупроводниковых приборов плата конструктивно объединяется с теплоотводом. Это обстоятельство требует использования особой технологии сборки усилителя.

Сначала на печатную плату монтируют все детали, кроме конденсаторов С80, С81, транзисторов VT15, VT20- VT43 и диодов VD36-VD41. Далее эти транзисторы (кроме VT15) и диоды с отформованными выводами раскладывают по посадочным местам на теплоотводе, например, с помощью кондуктора и прижимают пластиной (о ней ниже) так. чтобы оставалась возможность их перемещения при небольшом усилии. Затем на их выводы надевают плату, используя для совмещения выводов с отверстиями подвижность элементов. После этого плату фиксируют на крепежных стойках высотой 10 мм (четыре отверстия вблизи углов платы) или на нескольких временных опорах, например, десятимиллиметровых кубиках из твердого дерева. Далее пропаивают все выводы VT20-VT43 и VD36 -VD41. После этого освобождают прижим, и плату вместе с диодами и транзисторами снимают с радиатора. Проверяют качество пайки VT20-VT43, VD36-VD41 (выводы VD40, VD41, оказывающиеся под С80. С81. не должны выступать из платы более чем на 0,6 мм) и монтируют конденсаторы С80. С81. Установку транзисторов и диодов можно проводить в несколько приемов, начинать удобнее с VT28-VT43. Транзистор VT15, выполняющий функцию датчика температуры, впаивают в плату так, чтобы его корпус входил в глухое отверстие. просверленное в теплоотводе. Подобная конструкция обеспечивает наименьшую паразитную емкость этой высокоомной цепи усилителя.

Затем остается только смазать все контактирующие поверхности тонким слоем теплопроводящей пасты, заполнить пастой отверстие в теплоотводе для VT 15 и аккуратно все собрать "начисто".

При раскладке транзисторов следует руководствоваться правилом: транзисторы с наименьшим h21э располагаются со стороны малосигнальной части платы усилителя, а с наибольшим - со стороны ХР4.

Транзисторы VT20-VT27 крепят к теплоотводу через изолирующие прокладки, используя шпильки с гайками или болты М2.5 с шестигранной головкой. Гайки (или болты) затягивают рожковым ключом. Для предотвращения замыкания крепежа с коллектором транзистора на шпильки надевают отрезки тонкостенной изоляционной трубки диаметром 2,8...3 мм и длиной 2 мм. Такую трубку нетрудно изготовить, намотав, например, несколько витков лавсановой липкой ленты ("скотч") на слегка смазанной машинным маслом оправке диаметром 2,5...2,6 мм.

Посадочные плоскости транзисторов и диодов перед установкой нужно пришлифовать на бруске. После этого с целью предотвращения надрезания прокладок снимают небольшие фаски (0,2...0,3 мм) с кромок крепежных отверстий и корпусов транзисторов.

Для подключения реле коммутации нагрузки на плате установлена 26-контактная секция штыревого разъема ХР2 типа PLS [10]. применяемого в компьютерах. К четным контактам разъема подключена цепь выходного фильтра, к нечетным контактам - выход мощного каскада усилителя. Если есть сомнения относительно качества имеющихся разъемов, кабель, идущий от реле, можно распаять непосредственно на плате.

Выходной сигнал с платы каждого канала усилителя тоже подается по 26-жильному ленточному кабелю через разъем ХРЗ. "Сигнальными" служат нечетные контакты, а четные контакты соединены с общим проводом. При этом элементы выходного фильтра L1, L2, R118-Р.121, С77-С79. а также перемычки S2 и S3 расположены на небольшой экранированной плате, размещаемой вблизи выходных клемм усилителя так, чтобы был обеспечен доступ к перемычкам со стороны задней панели. Расстояние между кадушками - не менее 25 мм, причем их лучше располагать под прямым углом друг к другу.

Катушка L1 (1,3 мкГн) имеет 11, a L2 (1.8 мкГн) - 14 витков провода ПЭВ диаметром 1.7...2 мм. Они намотаны виток к витку на каркасе диаметром 18 мм. Витки фиксируют эпоксидной смолой.

Экран платы фильтра выполнен из немагнитного материала. Он должен быть удален от катушек не менее чем на 25 мм. Для сохранения устойчивости усилителя длина ленточных кабелей не должна пре~ вышать 350 мм.

С целью упрощения монтажа усилителя диодные мосты выпрямителей ±53 В (VD8, VD9 - на рис. 7) перенесены из блока автоматики на платы УМ. Каждый мост (на плате - VD42-VD45) собран на отдельных диодах КД243Б. КД243В или КД247Б. Для уменьшения пикового тока конденсаторы С80. С81 надо взять меньшей емкости - 1000 мкФ.

Выводы обмоток трансформатора питания Т1 подключены к плате усилителя через восьмиконтактный разъем ХР4 типа MPW-8 [11] с шагом выводов 5.08 мм. Надежность и малое переходное сопротивление достигается дублированием контактов сильноточных цепей. Вместо разъема можно установить клеммный соединитель или просто впаять провода в отверстия печатной платы.

Для удобства монтажа все соединения между платой усилителя и блоком автоматики выведены на один разъем - ХР1. Поэтому вместо разъема с тремя контактами (ХР1 - на рис. 4) на плате установлен один разъем типа IDC14 с 14-ю контактами. Назначение и нумерация его контактов изменены в соответствии с табл. 1.

Сверхлинейный УМЗЧ с глубокой ООС

Соответственно корректируют и нумерацию контактов ответной части разъема (XS1 - на рис. 5). через которые индикатор перегрузки и кнопка "Сброс" соединены с платой усилителя. Резистор R16 (R26 - для другого канала) фильтра НЧ устройства обнаружения постоянного напряжения (см рис. 7) подключен к выходу усилителя через контакт 5 разъема ХР1 и дополнительный защитный резистор R124 (сопротивлением 0,3 - 4,7 кОм - на схеме он не показан, но на плате он есть). Сигнал срабатывания мягкого ограничителя (см. рис. 14) поступает на индикатор (о нем в следующей части статьи) через дополнительный пороговый узел, выполненный аналогично индикатору искажений.

В варианте, когда индикатор мягкого ограничения не вводится, диоды VD46- VD49 на плату усилителя не устанавливают, а вместо резистора R126 впаивают перемычку. Элементы VT46. R125 не устанавливают, если ОУ DA3 не требуется переводить в режим класса "А".

Вместо перемычки S1 (см. рис. 4) на плате установлена четырехштырьковая секция разъема PLS. выполняющая сразу несколько функций. Во-первых, можно менять режим работы компенсатора падения напряжения на проводах к АС. Установка перемычки между контактами 2 и 1 соответствует четырехпроводному режиму, а перемычка между контактами 2 и 4 включает трехпроводный режим (как в [3]). Во-вторых, при проверке усилителя этот разъем служит для подачи испытательного сигнала на усилитель через резистор R30 в обход входного ФНЧ и мягкого ограничителя. Это позволяет суммировать сигналы от двух генераторов для измерения интермодуляционных искажений и наблюдать переходные процессы в усилителе при импульсном сигнале прямоугольной формы.

Эксперименты с двумя опытными образцами усилителя показали, что у оказавшихся в нашем распоряжении транзисторов КТ9115 и КТ969 более 70% проверенных транзисторов имели существенно меньшую граничную частоту. Рекомендуемая замена для КТ9115 - 2SA1380. для КТ969 - КТ602БМ или 2SC3502. Эти транзисторы значительно менее склонны к самовозбуждению, чем 2SAl538n2SC3953.

Кроме того, во время тестирования усилителей в предельных режимах выявилась недостаточная надежность транзисторов предоконечного каскада - как КТ639. так и BD139. BD140. Исследование области безопасной работы имевшихся экземпляров этих транзисторов, проведенное автором, показало, что она недостаточна для гарантии надежной работы усилителя при повышенной температуре.

Для повышения надежности работы усилителя, особенно в населенных пунктах с нестабильной электросетью, рекомендуется понизить напряжение питания исходя из реально необходимой максимальной мощности в нагрузке. При питании выходного каскада усилителя напряжением более ±28 В вместо КТ639Ж и КТ961А следует использовать недорогие импортные транзисторы 2SB649. 2SB649A (структуры р-n-р) и 2SD669. 2SD669A (структуры n-p-n). а при питании ±40 В - 2SA1837 и 2SC4793.

При использовании в усилителе компонентов, отличающихся от рекомендованных, может возникнуть непрерывная или. что еще хуже, зависящая от полезного сигнала ВЧ генерация отдельных транзисторов. Этот дефект наиболее вероятен у VT13. VT14, VT6 и VT8. Для подавления генерации транзисторов VT13 и VT14 предусмотрены цепи В64С41 и R66C42 соответственно, однако применение стабилитронов VD23. VD24 с большой емкостью совместно с высокочастотными транзисторами (2SA1538 и 2SC3953) может потребовать включения в базовые цепи резисторов сопротивлением 22...47 Ом. Поэтому на обратной стороне платы предусмотрены площадки под эти резисторы (типоразмер 0805 для монтажа на поверхность). С той же целью предусмотрены места под установку между базой и эмиттером транзисторов VT5. VT8 последовательных RC-цепочек с номиналами 10...20 Ом и 100...300 пФ соответственно.

Для гарантии от возможности деградации р-n переходов VT6. VT8 во время переходных процессов при подаче питания в их коллекторные цепи необходимо включить по диоду КД521А в прямом направлении: одним выводом его запаивают в отверстие для коллектора (VT6. VT8). а к другому выводу подключают коллектор соответствующего транзистора.

Мощность резисторов R94 - R109. R122. R123 можно снизить до 0.5 Вт. Кстати, конструкция платы позволяет применить резисторы мощностью 0.25 Вт вместо 0,125 Вт.

Для повышения плотности монтажа на плате использовано размещение ряда элементов под другими (например, диод VD19 расположен под транзисторами VT5, VT7). Поэтому крупногабаритные элементы, например, пленочные конденсаторы, устанавливают после монтажа резисторов и диодов.

Установочные места для конденсаторов С53 - С76 допускают монтаж двух наиболее распространенных типоразмеров: диаметром 22 или 25 мм с расстоянием между выводами 10,3 или 12,7 мм соответственно. Возможна и установка конденсаторов с когтеобразными выводами.

При использовании неполного комплекта конденсаторов С53 - С76 их лучше разместить ближе к осевой линии платы. Конденсаторы C30, C3З. С80 и С81 должны иметь диаметр не более 18 мм и расстояние между выводами 7,5 мм.

Установочное место под С1 рассчитано на монтаж конденсаторов К73-17. К77-2. К78-2 или импортных (расстояние между выводами 3.5. 15 или 22.5 мм).

Выводы керамических конденсаторов формуют так. чтобы расстояние между ними было 5 мм. Дополнительно введенные конденсаторы C11А. С19А - блокировочные по цепям питания =16,5 В, их емкость - 0.1 мкФ.

Из-за того, что одна из сторон печатной платы практически полностью занята слоем общего провода, проверка ее "на просвет" при поиске замыканий между дорожками затруднена, поэтому ее нужно делать с предельной внимательностью.

После сборки двух опытных образцов плат проведены предварительные испытания усилителя, собранного с учетом перечисленных рекомендаций. При этом, в отличие от ранее проводившихся измерений собственно усилителя мощности (без входного фильтра и мягкого ограничителя), измерены искажения сквозного тракта - вместе с фильтром и ограничителем. Испытания происходили на комплексе Audio Precision System One, являющемся фактически мировым стандартом в аудиотехнике. Используемые в этом комплексе методики измерения искажений, стандартизованные МЭК. учитывают не только продукты искажений, но и широкополосный шум (в полосе 22, 80 или 200 кГц). Эта особенность, хотя и завышает уровень искажений при уменьшении уровня сигнала (они маскируются шумом), но зато позволяет обнаружить продукты всевозможных параметрических эффектов: от возрастания шума при увеличении уровня сигнала до выявления динамической неустойчивости и монтажных наводок.

Результаты измерения коэффициента гармоник плюс шум (THD+N) как функции уровня мощности в нагрузке сопротивлением 4 Ом при напряжении питания ±38 В на частотах 1 и 20 кГц показаны на рис. 17. На этом графике хорошо виден пилообразный ход характеристик, вызываемый автоматическим переключением пределов при максимальной чувствительности анализатора. Началу работы "мягкого ограничителя" соответствует мощность примерно 80... 100 Вт. а при выходной мощности от 12 до 80 Вт значение THD+N в полосе до 200 кГц не превышает 0.003%. причем уровень искажений на частоте 20 кГц (нижняя кривая) оказывается даже несколько меньше, чем на частоте 1 кГц. При мощности 1 Вт суммарный фон, шум, наводки и искажения в полосе до 200 кГц платы УМЗЧ (без экранировки и корпуса) не превысили уровня 0,0085 % (-81) дБ.

Сверхлинейный УМЗЧ с глубокой ООС

Из других характеристик представляет интерес зависимость уровня динамических интермодуляционных искажений (DIM-100) для частоты 15 кГц от напряжения входного сигнала (рис. 18).

Сверхлинейный УМЗЧ с глубокой ООС

При тщательном изучении макетов усилителей выявилось и подтвердилось много других интересных особенностей, например, исчезновение "ступеньки" в выходном каскаде по мере увеличения частоты сигнала еще до включения ООС.

Конструктивно усилитель мощности выполнен в металлическом корпусе, разделенном на несколько отсеков. Элементы расположены в основном на печатных платах. Помимо плат усилителей мощности, смонтированных на боковых стенках-радиаторах, в корпусе установлены платы выходных фильтров, платы реле защиты нагрузки, плата автоматики. Плата со светодиодами HL1 - HL4 индикации искажений и срабатывания защиты и кнопкой SB1 сброса триггера защиты (см. схему на рис. 19) вынесена на переднюю панель усилителя. Все платы соединены между собой через разъемы серии IDC и плоские кабели с числом проводников 14 и 26. Паяные соединения использованы только в сигнальных цепях и сильноточных цепях питания.

Трансформаторы питания (ТТ. Т2) закреплены непосредственно на шасси усилителя в одном из экранированных отсеков. Оптотиристоры VS1 и VS2 установлены через изолирующую прокладку на пластинчатом теплоотводе площадью около 100 См\ который расположен в том же отсеке, что и трансформаторы. Он изолирован и от корпуса усилителя. Для подавления искрообразования на контактах выключателя сети параллельно контактам дополнительно введены последовательные RC-цепочки (0,022 мкФ. 240 Ом).

Входные цепи усилителя имеют дополнительную экранировку. Для повышения помехозащищенности усилителя в его входных и выходных цепях предусмотрены синфазные трансформаторы (Т1. Т4 - Т7 на рис. 19). Синфазные трансформаторы Т1 в каждом канале должны быть выполнены на крупногабаритных (диаметром 40...80 мм) кольцах из феррита с магнитной проницаемостью не менее 1000 и площадью сечения не менее 1 см2. Число витков обмоток из четырех вместе сложенных проводов - в пределах 10 - 15, причем сильноточные проводники должны иметь сечение не менее 1.5 мм2. Обмотки для цепи ОС проще всего выполнить из провода МГТФ-0.12. Синфазные трансформаторы Т4 - Т7 могут быть выполнены проводом МГТФ-0.07 на кольцах из феррита К17х8x5 или аналогичных, число витков - около 20 (намотка до заполнения окна). Для демпфирования паразитных резонансов введены также резисторы R47 - R50. Изменена также конструкция перемычек S2 и S3 (см. рис. 4 в "Радио". №11 за 1999 г.) - они сведены в единую шестиконтактную группу. Для включения усилителя в четырехпроводный режим замыкают контакты 3 и 5, 4 и 6. в двухпроводном режиме - 1 и 3, 2 и 4.

НАСТРОЙКА УСИЛИТЕЛЯ

Описанный усилитель имеет большое количество активных элементов с непосредственной связью, поэтому в любительских условиях настраивать его целесообразно поэтапно.

Для настройки необходимо следующее оборудование: осциллограф с полосой пропускания минимум 20 МГц (лучше - 150...250 МГц) и чувствительностью не хуже 5 мВ на деление (например. С1-64. C1-65. C1-70, C1-91, C1-97. С1 -99. С1 -114. С1 -122), генератор прямоугольных импульсов амплитудой 3... 10 В с частотой повторения 10...250 кГц и длительностью фронта не более 15 не. генератор синусоидального сигнала с амплитудой до 5 В и верхней границей частотного диапазона не менее 1 МГц (лучше до 10...20 МГц. например. ГЗ-112). Коэффициент гармоник этого генератора не имеет значения. Кроме этого, потребуются цифровой или стрелочный мульти-метр, а также два проволочных резистора сопротивлением 3.9... 10 Ом на мощность рассеивания не менее 25 Вт (они включаются в шины питания при проверке работоспособности). Разумеется, необходим и эквивалент нагрузки.

Генератор импульсов можно собрать на элементах быстродействующих микросхем КМОП. например, серий КР1564, КР1554, КР1594, 74АНС, 74АС, 74АСТ, лучше всего использовать триггер Шмитта из микросхем ТЛ2 (или аналогичных). Собственно генератор (мультивибратор) может быть собран по любой из известных схем, но для формирования крутых фронтов его сигнал нужно пропустить через несколько последовательно включенных логических элементов.

Для проверки каскадов усилителя на отсутствие вспышек самовозбуждения на ВЧ нужен осциллограф с полосой пропускания не менее 250 МГц (С1-75. С1-104. С1-108). при его отсутствии можно попробовать обойтись вольтметром с детекторной головкой, имеющей полосу не менее 250 МГц (ВК7-9. ВК7-15).

Если есть желание оценить величину и характер нелинейных искажений, вносимых усилителем, потребуются генератор синусоидального сигнала с малыми шумами и искажениями (ГЗ-102. ГЗ-118. ГС-50). укомплектованный режекторным фильтром, а также высокочувствительный (не хуже 100 мкВ на деление) осциллограф для наблюдения остаточного сигнала. Полезен также анализатор спектра с динамическим диапазоном не менее 80дБ (СК4-56).

Нелишне напомнить, что при всех перепайках в усилителе его необходимо отключать от сети.

В первую очередь проверке подлежит блок питания и автоматики. Как уже говорилось в предыдущей части, в него введена возможность выбора источника сигнала для индикации искажений. С этой целью используется контактная группа S1 (рис. 19). Установка перемычек между контактами 1 и 3, 2 и 4 соответствует индикации искажений собственно УМ, а между контактами 3 и 5, 4 и 6 - индикации срабатывания "мягкого" ограничителя.

Сверхлинейный УМЗЧ с глубокой ООС
(нажмите для увеличения)

Сначала необходимо проверить значения стабилизированных напряжений (они должны быть в пределах от ±16...17.2 В), амплитуду пульсаций (размах не более 1 мВ) и отсутствие самовозбуждения стабилизаторов DA5 - DA8 при нагрузке примерно 100 мА (резистор 160 Ом мощностью 2 Вт). Пульсации и возможную генерацию проверяют осциллографом при "закрытом" входе.

Затем проверяют блок автоматики. Для этого временно выводы 7 и 8 (или 4и 11) DАЗ и DА4 соединяют перемычками из монтажного провода 1МГТФ-0.07 и т.п.) с общим проводом. Далее, включив питание блока автоматики, проверяют прохождение импульса сброса на вывод 6 DD3. наличие импульсов на выводах 12 и 8 DD3 и прохождение последовательности включения оптотиристоров и реле (см. рис. 7 в "Радио", № 12 за 1999 г.). Заметим, что в связи с увеличением суммарного тока покоя усилителя количество "пусковых" резисторов (R11. R12) увеличено до 3, а номинал их снижен до 100 - 120 Ом. Для проверки узлов диагностики на компараторах DA3. DA4 снимают соединение их входов с общим проводом После снятия соответствующей перемычки с выводов DA3 на его входе за счет входных токов появляется сигнал и включаются светодиоды HL1 или HL2 (плата У5. см. рис. 19). исключение любой из двух перемычек с выводов DA4 должно спустя несколько секунд привести к выключению реле и оптотиристоров.

По окончании проверки удаляют все перемычки с DA3 и DA4. Нелишне также проверить правильность маркировки выводов трансформатора Т1 - неправильное подключение обмоток может иметь далеко идущие последствия, вплоть до выхода из строя мощных транзисторов и "салюта" из батареи оксидных конденсаторов.

После проверки блока питания и автоматики можно приступать к наладке собственно усилителя (естественно, отдельно каждого канала).

Прежде всего движок подстроенного резистора R60 нужно установить в положение, соответствующее максимальному его сопротивлению (до упора против часовой стрелки). Для разрыва петли ООС при проверке выходных каскадов усилителя временно выпаивают R33. Чтобы при настройке исключить влияние "мягкого" ограничителя, сопротивление резисторов R16, R17 нужно уменьшить до 56...62 кОм. И еще нужно запастись одним многооборотным переменным или подстроечным резистором на номинал 10 - 22 кОм и одним обычным (однообо-ротным) переменным или подстроечным резистором - на 10 кОм. Никаких перемычек в контактной группе S1 при наладке усилителя стоять не должно.

Первый этап - оценка работоспособности каскадов на VT5 - VT43. Сначала проверяют режимы по постоянному току и исправность узла защиты. Для этого к общему проводу перемычкой подключают выводы базы транзисторов VT5. VT7, используя при этом отверстие от выпаянного вывода R33 (базы VT5, VT7 соединены на плате); затем замыкают на общий провод цепи питания ±40 В и подключают к разьему ХР1 блок питания и автоматики, а к ХР4 - обмотку трансформатора, обеспечивающую питание ±53 В (крайние контакты). При этом обмотки для выпрямителя ±40 В должны быть ОТКЛЮЧЕНЫ от ХР4. Выходную RLC-цепь и нагрузку пока не подключают.

После этого включают блок питания и проверяют режимы по постоянному току транзисторов VT13, VT14. Напряжение питания каскада (его удобно измерять на выводах резисторов R72 и R75 соответственно) должно быть ±52...55 В или на 12... 15 В выше, чем фактическое напряжение питания выходного каскада. Напряжение на сюбил и тронах VD23 и VD24 должно составлять примерно 3 В. на резисторах R59 и R63 - примерно по 2.4 В. на R44 и R38 - около 15 В. Напряжение на коллекторах VT13, VT14 относительно общего провода не должно превышать 1 В. При измерениях необходимо соблюдать осторожность во избежание случайных замыканий проверяемых цепей с общим проводом щупом прибора (предпочтительны платы с изолирующим покрытием - "зеленкой"). Транзисторы VT9 - VT12, VT44, VT45 после включения питания должны оставаться закрытыми.

Чтобы проверить порог срабатывания защиты, между базой VT44 и проводом питания +53 В подключают переменный резистор сопротивлением 10 кОм, движок которого соединен с одним из выводов через ограничительный резистор (1- 1.5 кОм) и установлен в положение максимального сопротивления. Далее, включив питание, медленно поворачивают движок резистора до срабатывания триггера защиты и включения светодиода HL3 (или HL4) на плате индикации, присоединенного параллельно VD22 на соответствующей плате усилителя.

Затем замеряют напряжение между выходом усилителя и базой транзистора VT44: значение в интернале 1,7... 2.2 В считается нормальным. Далее пробуют сбросить триггер защиты кнопкой SB1 (на плате индикации, см. рис. 19). при этом сброса происходить не должно. После этого выключают питание, отпаивают переменный резистор и замеряют его сопротивление между крайними выводами. При напряжении питания ±53 В оно должно быть около 5 кОм.

Далее аналогичным образом проверяют порог переключения VT45. с той лишь разницей, что для подключения резисторов используется цепь питания -53 В. Пороги срабатывания защиты должны быть примерно одинаковыми. Необходимо также проконтролировать падение напряжения на стабилитронах VD23 и VD24 после срабатывания защиты - оно не должно превышать 0.4 В.

После этого проверяют прохождение сигнала через ОУ DA1. Постоянная составляющая на выходе DA1 не должна превышать 25 мВ. а при касании рукой выводов конденсатора С1 на выходе DA1 должен появляться сигнал помех и наводок с частотой сети. При необходимости можно воспользоваться генератором для контроля прохождения сигнала и оценки АЧХ фильтра (частота среза по уровню -3 дБ должна составлять примерно 48 кГц). На частоте 1 кГц его коэффициент передачи равен 2.

Следующий этап - проверка работоспособности и установка тока покоя каскадов на транзисторах VT5 - VT8. VT13 - VT43.

Для этого потребуется генератор синусоидального сигнала, осциллограф (лучше двухканальный). мультиметр. способный измерять постоянное напряжение 80... 100 м8 с погрешностью не более 5 мВ, и упоминавшийся ранее многооборотный переменный резистор. Проверка состоит в следующем. Базы VT5 и VT7 теперь отсоединяют от общего провода и подключают к движку многооборотного резистора, два других вывода резистора подключают к шинам +16.5 и -16,5 В. Устранив на плате ранее сделанные соединения цепей ±40 В с общим проводом, выводы обмотки трансформатора, предназначенной для питания выходного каскада, подключают к соответствующим контактам ХР4 (контакты 2.3 и 6.7) через резисторы сопротивлением 3,9 - 10 Ом и мощностью не менее 25 Вт. Чтобы случайно не обжечься, каждый резистор полезно положить в отдельный стакан с водой.

Включив питание, проверяют наличие и симметрию выпрямленного напряжения на шинах питания ±40 В (оно может быть в пределах 9...25 В), а также напряжение между коллектором и эмиттером VT15. Если оно превышает 4,5 В, необходимо сразу же выключить питание и увеличить сопротивление R61.

Далее подключают вольтметр к коллектору VT14 и снова включают питание. Вращая движок многооборотного переменного резистора, устанавливают на коллекторе VT14 напряжение -2.5...-3.5 В относительно общего провода. При этом напряжение на базах VT5 и VT7 не должно выйти за пределы ±1 В. Асимметрию устраняют подбором в небольших пределах резистора R59. стабилитрона VD23 (при отклонении в "плюс") или R63. VD24 (при отклонении в "минус"). Если симметрию не удается установить или требуемое для балансировки напряжение на базах VT5. VT7 превышает 3...4 В. необходимо проверить монтаж и заменить неисправные элементы. Косвенными признаками неисправности могут служить чрезмерный разогрев резисторов или транзисторов.

Достигнув симметрии в усилителе напряжения, приступают к установке тока покоя выходного каскада. Эту процедуру также лучше делать в несколько приемов. В первую очередь, включив питание, проверяют напряжение между базами транзисторов VT20 - VT23 и VT24 - VT27. Если оно более 2.5 В - скорее всего, пробит какой-то из транзисторов VT20-VT27. Затем проверяют напряжения на переходах база-эмиттер VT16. VT18 и VT17. VT19 - они должны быть смещены в прямом направлении. Далее проверяют отсутствие обратного смещения на переходах база-эмиттер VT20 - VT23 и VT24 - VT27. После этого, осторожно вращая движок R60 по часовой стрелке, устанавливают напряжение между базами транзисторов VT20 - VT23 и VT24 - VT27 в пределах 2.2...2.3 В. Выходные транзисторы при этом останутся в режиме класса В.

После этого проверяют работоспособность выходного каскада. Синусоидальный сигнал от генератора подают на базы VT5, VT7 через разделительный конденсатор емкостью не менее 0.33 мкФ (можно керамический), а "открытый" вход осциллографа подключают к шине, соединяющей эмиттерные резисторы выходного каскада (R94 - R108). Для подключения удобно использовать разъем ХР2. на контакты которого при наладке устанавливают перемычку, замыкающую между собой все контакты.

При использовании двухканального осциллографа второй канал удобно подключить к базам VT5, VT7. После включения питания проверяют постоянное напряжение на выходе усилителя - оно должно установиться в пределах ±4 В. в противном случае нужно подстроить многооборотный резистор, задающий напряжение на базах VT5, VT7.

Установив частоту генератора, равную 10 кГц, и плавно увеличивая уровень его выходного сигнала до 0.2...0.5 В, наблюдают ограничение выходного сигнала усилителя. Вход и выход из ограничения должны быть без переходных процессов. Коэффициент передачи от баз VT5, VT7 до выхода усилителя на частоте 10 кГц может быть в пределах 110... 160. Уменьшив уровень выходного сигнала до 1...2 В и подключив нагрузку к усилителю, проверяют резкое уменьшение "ступеньки" на выходном сигнале при увеличении его частоты до 50... 100 кГц.

Убедившись в исправности выходного каскада, приступают к окончательной установке тока покоя, контролируя его по напряжению на эмиттерных резисторах. Для этого подключают вольтметр между эмиттерами какой-либо пары выходных транзисторов, например. VT28 и VT36, и регулировкой резистора R60 устанавливают это напряжение равным 180 мВ. Когда сигнал от генератора не подается, напряжение на выходе каскада не должно превышать ±3.-4 В (при необходимости подстраивают многооборотным резистором). Ток покоя данного усилителя, в отличие от большинства других, с прогревом уменьшается, поэтому окончательно регулировать его нужно после прогрева усилителя.

После установки тока покоя проверяют падение напряжения на других эмиттерных резисторах каскада. Оно должно быть в интервале 70... 120 мВ. Транзисторы, на эмиттерных резисторах которых напряжение аномально мало или чрезмерно велико, лучше заменить, однако добиваться точного равенства напряжений не нужно. Разброс значений напряжения база-эмиттер у параллельно включенных выходных транзисторов способствует более плавному переключению плеч выходного каскада и, соответственно, снижению искажений (относительно случая, когда все транзисторы переключаются одновременно).

После установки тока покоя целесообразно проверить усилитель на вспышки ВЧ генерации отдельных транзисторов. Для этого к концу щупа 1:10 высокочастотного осциллографа (такой щуп имеет входное сопротивление 500 Ом, но пренебрежимо малую входную емкость) припаивают конденсатор емкостью 2,2...3.9 пФ. Затем на базы VT5, VT7 от генератора подают сигнал с частотой 0.3... 1 кГц и, плавно увеличивая уровень сигнала, просматривают наличие вспышек ВЧ колебаний в следующих точках: на эмиттерах VT5, VT7, на эмиттерах и коллекторах VT6, VT8, на базах VT13, VT14, на коллекторах VT13, VT14, на эмиттерах VT16 - VT19. Если осциллограф достаточно чувствительный, щуп лучше не подключать, а просто подносить, так как ВЧ напряжения отлично наводятся на него.

Нелишне также проверить отсутствие ВЧ напряжения на шинах, соединяющих базы транзисторов выходного и предыдущего каскадов Просмотр в каждой точке нужно проводить во всем диапазоне амплитуд сигнала, подаваемого на базы VT5, VT7 - от его отсутствия до глубокого ограничения. При отсутствии высокочастотного осциллографа можно использовать широкополосный вольтметр, однако он может дать ложные показания из-за гармоник низкочастотного сигнала при его ограничении.

При выявлении самовозбуждающихся транзисторов их лучше заменить на исправные из другой партии. Если замена не дает нужного эффекта, между выводами базы и эмиттера устанавливают последовательные RC-цепочки с номиналами от 33 - 68 Ом и 100 пФ для маломощных транзисторов до 470 пФ и 10 Ом для транзисторов средней мощности. Можно также попробовать включить последовательно в цель базы генерирующего транзистора малогабаритный резистор номиналом 10 - 39 Ом.

После выполнения проверок на пониженном напряжении питания резисторы в цепях выпрямителя ± 40 В исключают и заново проверяют отсутствие самовозбуждения на ВЧ при полном питании

При наличии генератора синусоидальных сигналов, перекрывающего диапазон частот до 10 МГц, весьма желательно проконтролировать малосигнальные АЧХ и ФЧХ тракта от VT5, VT7 до ХР2.

В любительских условиях это удобнее всего делать с помощью двухканального осциллографа. На один канал подают входной сигнал (с базы VT5, VT7), на другой - сигнал с разъема ХР2. Пользуясь одноканальным осциллографом, придется перевести его развертку в режим внешней синхронизации сигналом от генератора (многие генераторы сигналов имеют и выход для синхронизации осциллографа), чтобы оценивать фазовый сдвиг по смещению осциллограмм. При снятии малосигнальных АЧХ и ФЧХ размах выходного напряжения от пика до пика нужно поддерживать в пределах 0.5... 1 В. Для устойчивости усилителя наиболее важен интервал частот 1...10 МГц. допуски и номинальные значения АЧХ и ФЧХ приведены в табл. 2.

Сверхлинейный УМЗЧ с глубокой ООС

Измерения нужно провести для трех значений постоянной составляющей выходного напряжения - один раз для напряжений около нуля, а два других - при выходном напряжении, не доходящим на 2...4 В до порога ограничения с каждой стороны. Увеличение фазового сдвига из-за изменения постоянной составляющей выходного напряжения до частоты 7 МГц не должно превышать 6...9". Если при измерениях обнаруживается чрезмерный фазовый сдвиг, то, как правило, это связано с недостаточной граничной частотой транзисторов VT 13 - VT 19, реже - VT20 - VT23 или VT24 - VT27.

Паразитные резонансы некачественных конденсаторов С53 - С76 также могут привести к аномалиям на АЧХ и ФЧХ. поэтому имеет смысл плавно "пройти" генератором интервал частот 1...10 МГц, наблюдая изменения выходного напряжения, чтобы убедиться в отсутствии резких скачков на АЧХ и выбросов ФЧХ. Подключать нагрузку при измерении АЧХ и ФЧХ на высоких частотах не следует, поскольку выходная RLC-цепь выше 500 кГц практически отделяет нагрузку от выхода собственно усилителя.

При желании можно проверить максимальную скорость нарастания усилителя, подав на базы VT5. VT7 сигнал частотой 0.8... 1.2 МГц и. плавно увеличивая его уровень, заметить момент появления ограничения по скорости нарастания (полуволны синусоиды теряют симметрию). Этот эксперимент, однако, крайне рискованный и может привести к выходу из строя мощных транзисторов. Связано это с тем. что максимально допустимая скорость нарастания напряжения коллектор - эмигтер для транзисторов серий КТ818, КТ819 составляет 150 В/мкс (для лучших импортных транзисторов - 250...300 В/мкс), а усилитель способен развивать скорость до 160..200 В/мкс. Напряжение питания выходного каскада на время этой проверки рекомендуется снизить до ±30 В.

После успешного завершения проверок впаивают на место резистор R33. подключая предварительный каскад на ОУ DA1. и вновь вводят защитные резисторы в цепи выпрямителя ±40 В. На разъем ХР2 устанавливают перемычку, замыкают выводы С52. а вход усилителя соединяют с общим проводом. Вход осциллографа должен быть подключен к ХР2. После включения питания усилителя, охваченного теперь общей ООС. установившееся значение постоянной составляющей на выходе усилителя не должно превышать нескольких мВ, а амплитуда широкополосного выходного шума - 10 мВ. причем основная часть этого шума - ВЧ наводки от радиостанций и фон с частотой сети. Если питание ОУ появляется позже или спадает раньше, чем нарастает или спадает питание выходного каскада, то при включении и выключении усилителя возможны вспышки самовозбуждения по петле ООС. Опасности они не представляют, нежелательно только включать усилитель сразу после выключения. Для задержки спада напряжения питания ОУ емкость конденсаторов С22. С23 и C32, C33 в блоке автоматики рекомендуется повысить до 2200 мкФ.

Если усилитель после включения питания входит в состояние непрерывной генерации, а проведенная ранее проверка ФЧХ каскадов от VT5, VT7 до разъема ХР2 дала положительные результаты, то, скорее всего, либо имеется ошибка в монтаже или номинале элементов R22 - R25. R27. R28. С16-С18. либо ОУ DA3 имеет дефект - пониженный запас устойчивости. Еще одной причиной может быть изменение тока покоя выходных транзисторов после каких-либо замен (снижение тока покоя уменьшает быстродействие выходных транзисторов и увеличивает вносимый ими фазовый сдвиг). Остальные причины маловероятны.

Примечание: неравномерность АЧХ в диапазоне от 4 до 10 МГц должна укладываться в интервале -0.7 ..+2 дБ относительно значения на частоте 4 МГц, а подъем АЧХ на частотах выше 10 МГц не должен превышать 3.. 3.5 дБ .

После устранения генерации остается только проверить запас устойчивости в петле ООС. Для этого сигнал от генератора прямоугольных импульсов подается на вывод 1 группы S1 (рис. 13) на плате усилителя. Амплитуда сигнала генератора должна составлять 5... 10 В. при этом амплитуда выходного сигнала усилителя, наблюдаемого на ХР2. должна быть вдвое меньше. Относительная величина выброса на фронтах импульсов при этом не должна превышать 20 % (в авторском экземпляре она составила около 8 % - см. рис. 20) и. что самое главное, "звон" после фронта должен полностью затухать не более, чем за полтора периода. Небольшая "рябь" на "полках", видимая на рис. 20, - результат паразитного резонанса в цепи питания цифровой микросхемы, на которой собран генератор импульсов. Время нарастания или спада (по уровням 10 и 90 % от установившихся значений) должно составлять примерно 70 не (см. рис. 21).

Сверхлинейный УМЗЧ с глубокой ООС

Вид фронта и спада на выходе усилителя, если сигнал с генератора имеет одинаковые фронт и спад, на глаз должен быть совершенно симметричен. Если это не так. то велика вероятность, что е одном из плеч усилителя напряжения (VT5 - VT8, VT13, VT14) или выходного повторителя имеются дефектные элементы. Дефектным может быть и DA3. Если выброс превышает 20...25 % или заметен "звон" после выброса, необходимо увеличить емкость конденсатора С46 и подобрать резистор R71 по наиболее быстрому затуханию переходного процесса.

Затем желательно проверить запас устойчивости усилителя во всем диапазоне выходных напряжений под нагрузкой. Для этого к ХРЗ подключают выходную RLC-цепь (L1. L2. R118-R121. С77. С78) и активную нагрузку сопротивлением 0.8 от номинального. После этого проверяют вид переходных процессов на ХР2 при подключенной нагрузке.

Далее устраняют замыкание входа усилителя с общим проводом и подают на вход усилителя низкочастотный (100...200 Гц) сигнал от генератора синусоидального сигнала. При этом генератор импульсов прямоугольной формы по-прежнему должен быть подключен к S1. Увеличивая амплитуду синусоидального сигнала, наблюдают переходный процесс на ХР2 при разных мгновенных выходных напряжениях, вплоть до порога ограничения. Если при приближении выходного напряжения к порогу ограничения не происходит чрезмерного увеличения выброса и "звона" на переходном процессе от прямоугольных импульсов, можно замкнуть предохранительные резисторы в цепях выпрямителя ± 40 В и повторить контроль при полной мощности. Шлейф, через который подключена плата выходного фильтра, не должен иметь длину, большую, чем 0,4 м. В заключение можно отключить нагрузку и проверить переходные характеристики без нагрузки.

Увеличивать запас по фазе до 80...90' для получения переходного процесса без выброса в УМЗЧ (как и в большинстве других широкополосных усилителей) нецелесообразно. При этом в несколько раз сужается полоса действия ООС и особенно достижимая ее глубина на верхней границе диапазона рабочих частот. Подобные решения обычно аргументируются необходимостью обеспечения стабильности при работе усилителя на комплексную нагрузку, однако, как известно, гильотина - не единственное и не лучшее средство от головной боли. Несколько элементов в выходном фильтре, по мнению автора, не слишком дорогая плата за возможность на порядок расширить полосу ООС.

Последней операцией при наладке является установка порога мягкого ограничения. Перед установкой порога необходимо снять перемычку с С52 и соединить вывод +ОС - контакт FBH (на плате - между резисторами R40 и R41) с выводами ХР2. сохранив на разьеме перемычку. Нелишне подключить к выходу усилителя выходной фильтр и номинальную нагрузку

Наиболее удобный способ подгонки порога мягкого ограничения - установить резисторы R16 и R17 большего номинала (например, 75 кОм). а затем, подключая параллельно им резисторы сопротивлением 0,2... 1 МОм, добиться того, чтобы вход в ограничение собственно усилителя мощности (определяемый по появлению сигнала на выходе DA2) наступал только при перегрузке по входу в 2...3 раза (по сравнению с ситуацией отсутствия мягкого ограничителя). Несмотря на то. что порог ограничения отслеживает величину напряжения питания выходного каскада, компенсация не идеальна, поэтому настраивать ограничитель нужно при номинальном напряжении питания и подключении номинальной нагрузки. Резистор R16 отвечает за порог ограничения отрицательной полуволны (на выходе усилителя), a R17 - положительной.

При напряжении питания выходного каскада выше ±30 В желательно также поточнее выставить порог защиты по ОБР. Для этого сопротивления R114 и R117 устанавливают на 12... 15% больше того, с которым происходит срабатывание защиты при максимальном выходном напряжении усилителя на холостом ходу без нагрузки.

После сборки и настройки усилителя возникает естественное желание определить его характеристики. Измерения мощности. АЧХ. коэффициента передачи обычно не вызывают проблем. Более аккуратно надо подходить к измерению шума - из-за весьма широкой полосы пропускания усилитель мощности усиливает наводки от радиостанций вплоть до диапазона КВ. Поэтому при измерении шума нужно ограничить полосу сигнала, подаваемого на вольтметр.

Проще всего это сделать пассивным фильтром первого порядка. Шумовая полоса такого фильтра в 1.57 раза шире его полосы пропускания, поэтому, если есть желание измерить шум в полосе 22...25 кГц. частоту среза RC-цепи нужно выбирать равной 14... 16 кГц.

Другой проблемой при измерении шумов являются наводки с частотой сети. Проще всего их отфильтровать с помощью ФВЧ с частотой среза 1 кГц, но в любом случае нужно грамотно выполнить соединения и экранировать усилитель.

Для исключения появления замкнутых контуров общего провода все источники питания изолированы и соединяются только на плате усилителя, причем на плате общие проводники для цепей сигнала и питания разделены. Точка их соединения снабжена отверстием для подпайки провода (сечением не менее 0.75 мм2), соединяющего общий провод платы усилителя с корпусом, это отверстие расположено между R65 и R69. Соединение всех цепей (кроме экрана трансформаторов) с корпусом усилителя выполняется в одном месте, подбираемом экспериментально по наименьшему уровню помех.

Напряжение шума нужно измерять милливольтметром истинного среднеквадратичного значения, например. ВЗ-57. При использовании обычного милливольтметра в результат нужно вносить поправку - он занижает шум на 12... 15 %. В авторском макете усилителя выходной шум в полосе 1...22 кГц при замкнутом входе даже без экранировки не превышает 80... 100 мкВ.

Наибольшие сложности вызывает измерение нелинейных и интермодуляционных искажений, вносимых усилителем. Связано это с тем. что благодаря малым искажениям усилителя еще до охвата ООС (не более 1...2%) и глубине ООС во всем диапазоне звуковых частот, превышающей 85 дБ. основными источниками искажений оказываются неидеальность пассивных компонентов, наводки от двухтактного выходного каскада и искажения, вносимые входным фильтром на DA1 На частотах выше нескольких килогерц начинает вносить свою лепту нелинейность емкости диодов VD9 - VDI4 в схеме "мягкого" ограничителя. С учетом всех принятых мер. в итоге искажения исправного усилителя не превышают 0.002%. что ниже пределов измерения большинства измерительных приборов, а также меньше искажений и шума большинства генераторов. Динамический диапазон большинства анализаторов спектра также не превышает 90 дБ. или 0.003%. Поэтому прямое измерение нелинейных и интермодуляционных искажений подобных усилителей стандартными средствами практически неосуществимо.

Общепринятым решением в подобной ситуации является использование методики, аналогичной применяемой для поверки генераторов. Сигнал основной частоты на выходе испытываемого устройства ослабляется режекторным фильтром, а для извлечения гармоник и комбинационных составляющих из широкополосного шума используют анализатор спектра. Однако при этом возникает проблема, связанная с влиянием режекторного фильтра на характеристики испытываемого устройства. В случае УМЗЧ, имеющего низкое (и достаточно линейное!) выходное сопротивление еще без общей ООС и фильтра с высоким входным сопротивлением при использовании аттестованных устройств (например, фильтра из комплекта генератора ГЗ-118) этим влиянием можно пренебречь.

Далее, для измерений требуется анализатор спектра. В связи с широким распространением ПК. оснащенных звуковыми платами, рядом недостаточно внимательных авторов рекомендуется применять программные анализаторы спектра (SpectraLab и т.п.). При этом игнорируется тот факт, что частотный диапазон АЦП звуковых карт не превышает 22 кГц. т.е. при частоте сигнала выше 11 кГц даже вторая гармоника выходит за пределы полосы пропускания платы.

Для экспресс-оценки искажений можно поступить следующим образом. К выходу УМЗЧ подключают ФНЧ с частотой среза 200...250 кГц и далее предварительно настроенный режекторный фильтр, входящий в комплект генератора. Затем на вход усилителя подают сигнал от генератора с малыми нелинейными искажениями, например. ГЗ-118 или ГС-50 (0.0002% на 10 кГц), а сигнал на выходе режекторного Фильтра наблюдают высокочувствительным осциллографом.

ФНЧ нужен для уменьшения уровня шума, чтобы можно было увидеть продукты искажений. Тем не менее в авторском экземпляре продукты искажений оказались неразличимы на фоне шума вплоть до самого начала работы "мягкого" ограничителя даже на частоте 20 кГц.

Ответы на вопросы

1. Чем обусловлена повышенная сложность усилителя?

В этом усилителе мощности применены практически все дополнительные узлы - входной фильтр, устройства "мягкого" ограничения, "мягкого" пуска, защиты, индикации. Такой подход типичен для усилителей профессионального назначения.

2. Какая конструкция послужила для него прототипом?

Прототип этого УМЗЧ (как и ряда других популярных в свое время конструкций) - усилитель, описание которого было опубликовано в № 14 за 1977 г. журнала "Radio. Fernsehen, Elektronik" (Wiederhold M. "Neuartige Konzeption fur einen Hi-Fi Leistungverstrker"). На рис. 1 показана его функциональная схема. В качестве предварительного усилителя применен ОУ. за которым следует усилитель, состоящий из эмиттерного повторителя на транзисторе VT2 и транзисторов VT1, VT3 (включены по схеме с ОБ). К недостаткам этого УМЗЧ можно отнести использование нелинейных диодно-резистивных цепей для задания тока покоя выходного каскада и применение ОУ, страдающего "ступенькой" - (μА709 - аналог К153УД1). Кроме того, не оптимальна и частотная коррекция этого усилителя.

Сверхлинейный УМЗЧ с глубокой ООС

Другой УМЗЧ с аналогичной структурой каскодного усилителя, описанный В. Клецовым ("Усилитель НЧ с малыми искажениями". - Радио. 1983. № 7. с. 51 - 53), отличается отсутствием ОУ в цепи сигнала (рис. 2) и появлением стабилитрона VD1 для согласования уровней. Применение простого дифференциального каскада, да еще с несимметричным съемом сигнала, привело к сильному влиянию цепи питания +Uпит1. Здесь следует отметить, что применение входных каскадов на дискретных элементах с использованием известной более сложной схемотехники может быть оправдано и может привести к интересным результатам.

Сверхлинейный УМЗЧ с глубокой ООС

Далее следует назвать "УМЗЧ высокой верности" Н.Сухова (Радио, 1989. № 6. с. 55 - 57: № 7. с. 57- 61). Структурная схема этого УМ показана на рис. 3.

Сверхлинейный УМЗЧ с глубокой ООС

Применение относительно линейного ОУ снизило уровень искажений (по крайней мере, на НЧ) не менее чем на порядок по сравнению с конструкциями, выполненными по традиционным схемным решениям. Вместе с тем интегратор на ОУ в цепи ООС УМ по постоянному току, полезный по сути, подключен к одному из выводов цепи балансировки ОУ DA1, что приводит к нарушению симметрии его входного каскада. Применение в цепи смещения транзистора VT7 двух вместо трех диодов (как в прототипе на рис. 1) увеличило нелинейность каскодного усилителя, а отсутствие мер по предотвращению входа транзисторов усилителя напряжения в режим квазинасыщении вынудило "затрубить" частотную коррекцию. В результате динамические характеристики этого УМЗЧ оказались далеки от потенциально возможных. Интересным узлом в этом усилителе стал компенсатор сопротивления соединительных проводов в цепи нагрузки, который использовался до этого в основном в измерительной аппаратуре.

Отметим, что в усилителе Н. Сухова (а затем и в усилителе С. Агеева) использованы удачные схемные решения, предложенные П. Зуевым ("Усилитель с многопетлевой ООС". - Радио. 1984. № 11. с. 29 - 32. с. 42, 43). Это эффективная "триггерная" защита от токовой перегрузки (особенно при возникновении сквозного тока), выполненная на транзисторах VT3 - VT6, VT15 (рис. 3). а также входной фильтр, ограничивающий воздействие внеполосных помех на усилитель.

Заметим, что ни в одной из вышеперечисленных конструкций, кроме конструкции С. Агеева, нет защиты, выполненной с учетом области безопасной работы (ОБР) выходных транзисторов. Это существенно, поскольку при работе на реальную нагрузку траектории рабочих точек выходных транзисторов в этих конструкциях выходят далеко за пределы ОБР. что резко снижает их надежность.

Структурная схема УМЗЧ С. Агеева приведена в "Радио", 1999, № 10. с. 16. Одна поправка - верхний по структурной схеме транзистор VT6 должен иметь обозначение VT8.

Заметим, что реальные характеристики и "поведение" усилителя при работе на реальную нагрузку определяются степенью проработки "мелочей" схемотехники, частотной коррекции и конструктивным выполнением. Так, резкое повышение линейности усилителя напряжения обеспечено как симметрией схемы, так и повышением напряжения питания. Отдельное питание выходного каскада при этом значительно улучшает использование напряжения, повышает достижимую выходную мощность и облегчает режим работы выходных транзисторов. Уменьшение максимального тока, приходящегося на каждый выходной транзистор, позволило избежать резкого спада их усиления по току (спад коэффициента передачи тока базы h21э у КТ818 и КТ819 начинается при токе коллектора выше 1 А) и сохранить линейность выходного каскада.

Распределение частотной коррекции в усилителе близко к оптимальному, что позволило улучшить его динамические характеристики на порядок величины, а глубину ООС на высших частотах звукового диапазона - на два порядка по сравнению с лучшим прототипом. За счет модификации источника начального смещения обеспечена термостабильность усилителя. Подавление эффекта детектирования ВЧ сигналов достигнуто симметрированием структуры, введением резисторов последовательно с конденсаторами коррекции и введением конденсаторов между базами транзисторов выходного каскада для обеспечения его динамического симметрирования. В усилителе применены также специально рассчитанная RLC-цепь на выходе, устройство защиты с учетом ОБР. а ОУ использованы в инвертирующем включении.

Конструктивное выполнение усилителя, хотя и довольно сложно, полностью отвечает задаче получения минимальных фазовых сдвигов и паразитного излучения выходного каскада.

Повышение исходной (без ООС) линейности, улучшение скоростных свойств и широкополосности ООС всегда улучшает усилители, и "слуховые" экспертизы это подтверждают.

3. Опубликуйте полную схему межблочных соединений узлов и плат усилителя.

Полная схема межблочных соединений усилителя приведена на рис. 4.

4. Как уменьшить выходную мощность усилителя и упростить его без ухудшения параметров?

Для уменьшения мощности усилителя до 60...80 Вт на нагрузке 4 Ом достаточно уменьшить число транзисторов выходного каскада, напряжение питания выходного каскада снизить до ±28...±30 В, а напряжение питания усилителя напряжения - соответственно до ±40...±43 В. Для отечественных транзисторов оптимальный вариант выходного каскада - по 5 - 6 шт. КТ818- КТ819 с индексами В. Г или 2 - 3 шт. КТ8101-КТ8102 на плечо в оконечной ступени, по 4 шт. КТ639 (с индексами Д, Е) - КТ961 (с индексами А. Б) на плечо во второй ступени, а также по два КТ9115 (с индексами А. Б) и КТ602Б (или 6М) в первой ступени выходного каскада.

Резисторы в цепи эмиттеров КТ818- КТ819 - сопротивлением 0.6...0,7 Ом (по два в параллель по 1,2... 1,5 Ом) при токе покоя 90... 100 мА на транзистор, для КТ8101 - КТ8102 - 0.3...0.4 Ом (по три в параллель по 1...1.2 Ом) при токе покоя около 200 мА на транзистор.

Ток покоя КТ639-КТ961 - по 65...70 мА (R82 - R855 - сопротивлением 18...22 Ом), ток покоя КТ9115/КТ602 - по 15 мА (R76. R77 - no 180...200 Ом).

Диоды в эмиттерах VT16-VT19 (см. "Радио". 2000. № 4) - КД521, КД522, КД510 с любым индексом.

Как уже упоминалось в статье С. Агеева, при возможности рекомендуется применение импортных транзисторов (см. "Радио", 2000, № 5, с. 23). Автор рекомендует вместо КТ9115 транзисторы 2SA1380. КТ969 нужно заменить на КТ602БМ или 2SC3502. Для варианта на 60...80 Вт при питании 28...31 В в первой ступени выходного каскада достаточно одной пары транзисторов с током покоя около 20 мА (номинал R76 - 130- 150 Ом), во второй ступени - по 2 шт. на плечо 2SB649 и 2SD669 или 2SA1249 и 2SC3117 с током покоя 80...90 мА (номинал R82, R83 - 13 - 15 Ом). На выходе достаточна пара 2SA1216/2SC2922 с резисторами в эмиттерах сопротивлением 0,2 ...0,25 Ом и при токе покоя около 200 мА, однако лучше (но дороже) поставить две пары 2SA1215 и 2SC2921 с резисторами по 0,3 Ом. с током покоя около 120 мА на каждую пару.

Конденсаторы фильтра напряжения питания 28...30 В - по 6 шт. емкостью 4700 мкФ на 35 В в каждом плече. Диоды выпрямителя - КД213 с любым буквенным индексом.

При самостоятельной разводке платы УМ надо обращать особое внимание на минимизацию паразитных индуктивностей цепей питания и общего провода мощного выходного каскада.

Сверхлинейный УМЗЧ с глубокой ООС
(нажмите для увеличения)

5. Каковы АЧХ и ФЧХ усилителя?

АЧХ собственно УМ (без фильтров) простирается от постоянного тока до 3.5...4 МГц (по уровню -ЗдБ). Полоса действия ООС несколько шире за счет действия форсирующих конденсаторов, включенных параллельно резисторам ООС. Фазовый сдвиг УМ в звуковой полосе частот составляет доли градуса.

6. В чем причина применения столь "древнего" ОУ?

Дело в том. что ОУ КР140УД1101 по своим характеристикам подходит для применения в УМЗЧ гораздо лучше, чем какой-либо другой.

Во-первых, АЧХ этого ОУ имеет дополнительную полюсно-нулевую пару, позволяющую резко повысить эффективное произведение усиления на полосу. В полиостью скорректированном усилителе его значение составляет примерно 50х103 на частоте 100 кГц, а частота единичного усиления - около 15 МГц. Именно это обстоятельство (втрое большее петлевое усиление, чем при стандартной однополюсной коррекции) значительно улучшает способность данного ОУ исправлять погрешности, вносимые другими элементами.

Во-вторых, время выхода ОУ из ограничения не превышает 200 не, это. в частности, предотвращает возбуждение УМЗЧ при перегрузках. Еще одно достоинство - отличное использование напряжения питания. Немаловажны также малые входные токи и емкость (менее 2 пФ), высокое усиление на постоянном токе, очень высокая линейность в широкой полосе частот.

Встречающиеся иногда утверждения о существенной (по сравнению с другими ОУ) нелинейности или асимметрии передаточных характеристик LM318 (КР140УД1101) не находят экспериментального подтверждения. Наоборот, благодаря глубоким местным ОС и относительно большому току покоя собственные искажения этого ОУ без ООС. особенно на ВЧ или под нагрузкой, оказываются ниже, чем у большинства ОУ общего применения. Асимметрия максимальных скоростей нарастания и спада (превышающих, как правило. 75 В/мкс) в инвертирующем включении не превышает 15 %. причем переходный процесс сохраняет вид и симметрию вплоть до скоростей нарастания и спада в 50...60 В/мкс (65...75 % от максимальной). Последнее свойство встречается не часто и свидетельствует о высокой динамической линейности.

Спектральная плотность ЭДС шума у КР140УД1101 на частоте 1 кГц составляет. 13.. 16 нВДТц, фликкер-шум выражен слабо (частота среза около 100 Гц). Спектральная плотность тока шума на средних частотах не превышает 0.4 пА/уТц. что позволяет использовать относительно высокоомные резисторы в цепях ООС. Рекомендуемый рядом авторов К574УД1 уступает по всем статьям - от диапазона линейности по входу (0.5 .0.6 В против 0,8 В) и полосы в режиме единичного усиления (5...6 МГц против 16...18 МГц) до статических характеристик (напряжения смещения, дрейфа и т. п.). Спектральная плотность ЭДС шума уК574УД1 (14...20 нВД'Гцна 1 кГц) в лучшем случае такая же. как у КР140УД1101.

Что касается скорости нарастания и частоты единичного усиления (50 В/мкс и 10 МГц), то для К574УД1 они даны ъ нескорректированном включении, при этом он устойчив (по ТУ) при коэффициенте передачи не менее 5. Это не лучше, чем у распространенного LF357 (КР140УД23). При коррекции на единичное усиление К574УД1 имеет при минимальном запасе устойчивости полосу не более 5...6 МГц и скорость нарастания около 25 В/мкс. Частота единичного усиления по петле ОС для УМЗЧ в целом в случае применения К574УД1 не может быть выше 2,5...3 МГц из-за относительно большого фазового сдвига на ВЧ (т. е. задержки сигнала), вносимого ОУ. Поэтому глубина ООС на частотах в десятки килогерц при использовании К574УД1 оказывается на порядок меньше, чем с КР140УД1101, соответственно выше искажения и УМЗЧ в целом.

Среди современных зарубежных ОУ есть много превосходящих КР140УД1101 (LM318) по отдельным параметрам. Однако заметно лучших по всему комплексу параметров до настоящего времени нет, и именно поэтому LM318 никто за рубежом с производства не снимает.

Что касается наилучших из существующих ОУ. невзирая на цены и редкость, то в качестве DA1 и DA4 автор рекомендует LT1468 или НА5221. а в качестве DA3 - AD842. однако при применении AD842 нужно существенно изменить цепи коррекции УМЗЧ. Кстати, выигрыш по глубине ООС при применении AD842 в сочетании с лучшими импортными транзисторами не превышает 6...8 дБ. выигрыш же по частотным свойствам УМЗЧ составляет 30...40 %. Это совсем немного, а главное, что эти улучшения практически уже незаметны на слух.

7. Почему в усилителе применены отечественные выходные транзисторы, тогда как импортные по параметрам лучше?

Автор исходил из условия доступности используемых в усилителе полупроводниковых приборов. Действительно, недостатки примененных отечественных транзисторов проявляются, в частности, о ограничении мощности усилителя и необходимости параллельного включения большого числа транзисторов для обеспечения гарантированной надежности. Наиболее слабым элементом, кстати, оказываются не выходные, а предвыходные транзисторы (КТ639Е).

Тем не менее, по мнению автора. 100 Вт неискаженной мощности при комплексной нагрузке усилителя в домашних условиях вполне достаточно. Более того.большинство дорог их импортных усилителей не способны и на это. Например, модель "Symphonic Line RG-9 Mk3" ($2990). получившая очень хорошие оценки в зарубежной прессе (по сведениям журнала "Аудио Магазин"), при заявленной мощности 300 Вт на нагрузке 8 Ом, на тональном сигнале частотой 50 Гц фактически отдает без искажений (К- не более 0.1%) мощность, которая не превышает 70 Вт на чисто активном сопротивлении 8 Ом, около 95 Вт - на 4 Ом, а при комплексной нагрузке - и того меньше. Поэтому еще раз заметим что при желании снизить мощность сверхлинейного УМЗЧ целесообразно уменьшать номинальные значения напряжений его блока питания, при этом можно сократить и число транзисторов в выходном каскаде

Как показали специально проведенные исследования, выходной каскаде параллельным включением восьми отечественных транзисторов по искажениям не уступает варианту выходного каскада мощностью 120 Вт на лучших из существующих импортных транзисторов - в первом каскаде 2SA1380 и 2SC3502, по два на плечо 2SB649 и 2SD669. а на выходе - 2SA1215 и 2SC2921. также по два на плечо. Кроме того, вариант с использованием большего числа выходных транзисторов обеспечил более "мягкое" переключение плеч, при этом наблюдалось полное отсутствие "переключательных" искажений. Что касается скоростных характеристик, то осциллограммы, демонстрирующие отличную динамическую линейность усилителя (см. статью в 'Радио, 2000. № 6). сняты именно на блоке УМЗЧ с отечественными мощными транзисторами.

Следует отметить, что применение импортных транзисторов, безусловно, снижает трудоемкость монтажа усилителя, а вместе с изменением цепей коррекции на 30...40 % улучшает скоростные характеристики. Однако на качество звука это уже практически не влияет.

8. При измерении коэффициента передачи тока базы транзисторов КТ819Г получено значение h21э = 400, а КТ818Г - 200. Не слишком ли это много для них?

Да, это чрезмерно много. Значения h21э= 100...160натоке 100 мА еще допустимы, ноболее двухсот - нежелательно. К сожалению, встречаются транзисторы с h21э до 500. Они крайне ненадежны, и у них наблюдается заметный спад коэффициента передачи тока базы уже при токе коллектора более 1 А. Лучше применять транзисторы КТ818Г и КТ819Г выпуска позднее середины 1997 г. - у них параметры обычно получше.

9. Можно ли использовать в выходном каскаде транзисторы серий КТ8101 и КТ8102 в качестве аналогов упоминаемых в статье 2SA1215, 2SC2921 ?

Проблема в том. что среди приобретаемых на рынках транзисторов этого типа встречается много брака, в том числе по ОБР. Электрические же параметры позволяют устанавливать эти транзисторы в выходном каскаде не более четырех-пяти на плечо из-за значительной емкости их переходов - в два раза больше, чем у КТ818. КТ819. Если транзисторы хорошего качества, то применять их в усилителе вполне допустимо

10. Чем объясняется применение в УМЗЧ дорогих транзисторов КТ632Б и КТ638А?

Во-первых, в продаже имеются и недорогие версии, но "в пластмассе* (например. КТ638А1). Во-вторых, это. по мнению автора статьи, единственно подходящие комплементарные отечественные транзисторы для усилителей с напряжением питания выше ±40 В. Кстати, линейность их выходных характеристик весьма высока, а объемное сопротивление коллектора при этом невелико. Импортные же транзисторы 2N5401 и 2N5551 в этом отношении несколько хуже, но применять их допустимо (с учетом разницы в цоколевке). В качестве их замены можно рекомендовать транзисторы КТ6116А. КТ6117А.

11. Нужно ли вносить какие-либо изменения в усилитель, если использовать в цепях питания оксидные конденсаторы большей емкости - по 15000 мкФ, установив их рядом с платой УМ?

В таком случае на плату нужно установить на место оксидных "высокочастотные" конденсаторы (например, 6- 10 шт. К73-17 емкостью 4,7 мкФ на 63 В) и демпфирующие RC-цепочки из двух-четырех параллельно включенных оксидных конденсаторов суммарной емкостью 1000-2200 мкФ на 63 В и последовательного резистора сопротивлением 1 Ом 0.5 Вт для подавления резонанса с проводами питания (их надо обязательно свить). Предостережение: при таком быстродействии и токе, который обеспечивает этот усилитель, всякое существенное изменение конструкции приводит к необходимости заново подгонять цепи коррекции (R71, С46) для оптимизации переходной характеристики.

12. Уточните напряжение и ток вторичных обмоток трансформатора Т2.

Ток в обмотках трансформатора питания можно рассматривать как пиковый или эквивалентный синусоидальный. При расчете трансформатора, работающего на выпрямитель с емкостным фильтром, нужно учитывать пиковый ток, так как именно он определяет падение напряжения на обмотках. Изготовители обычно имеют в виду ток при резистивной нагрузке, пиковое значение которого много меньше - соответственно у промышленных трансформаторов при той же мощности сопротивление обмоток завышено. Именно по этой причине в статье были приведены значения сопротивления обмоток, а не тока. В других вариантах конструкции трансформаторов питания сопротивления обмоток можно определить достаточно точно, исходя из расчетной длины и сечения провода.

Для варианта усилителя с напряжением питания выходного каскада 32 В напряжение холостого хода на обмотках должно составлять 23...24 В эфф максимальный ток вторичной обмотки в импульсе (при выходном токе усилителя 7 А на частоте 20 Гц) - 32...37 А, при этом снижение напряжения под нагрузкой не должно превышать 2...3 В. Требования к остальным обмоткам изложены в статье.

13. Каковы особенности включения усилителя в режиме мостовой схемы с целью увеличения выходной мощности ?

При мостовом включении двух усилителей имеет смысл сделать следующие изменения.

Во-первых, нужно объединить вместе шины питания ±40 В и общего провода обоих усилителей в жгут из семи плотно скрученных проводов сечением не менее 1 мм2 каждый, как это показано на рис. 1. Специальное расположение проводников позволяет максимально снизить паразитную индуктивность соединения. Объединение мощных цепей питания позволяет удвоить эффективную емкость конденсаторов фильтра и снизить эквивалентное сопротивление выпрямителя за счет использования обеих половин источника питания при усилении каждой полуволны сигнала. Необходимое условие - отдельные для каждого канала вторичные обмотки трансформатора питания Т1 (их лучше намотать одним жгутом проводов), чтобы исключить уравнивающий ток между выпрямителями и компенсационный ток в общем проводе жгута.

Сверхлинейный УМЗЧ с глубокой ООС

Во-вторых, нужно снизить напряжение питания выходного каскада с ±40 до ±32 В. что облегчит условия работы его транзисторов, позволяя им без нарушения ОБР работать в мостовом включении на нагрузку 4 Ом. Кроме того, меньшее напряжение позволит применить конденсаторы с рабочим напряжением 35 В большей емкости (при тех же габаритах).

В-третьих, исключают ОУ DA4 и цепи, связанные с ним.

14. Насколько низким должен быть импеданс источника сигнала для нормальной работы входного фильтра усилителя?

Прототип этого усилителя имел дополнительный каскад с симметричным входом и не нуждался в низком сопротивлении источника сигнала. Однако и без такого каскада при выходном сопротивлении источника сигнала менее 3 кОм изменения в АЧХ входного фильтра весьма незначительны,

15. Каким образом сделать симметричный вход усилителя без потери в качестве звуковоспроизведения?

Вариант схемы каскада с симметричным входом приведен на рис. 2.

Сверхлинейный УМЗЧ с глубокой ООС

В сравнении с КР140УД1101 или LM318. указанным на схеме, применение популярных у аудиофилов ОУ (LT1028, LT1115, AD797. ОРА627, ОРА637, ОРА604. ОРА2604 и др.) в реальных условиях, например, при наличии ВЧ помех, часто показывает худший результат. Из опробованных ОУ лучше всего работает AD842, однако сейчас производство этой микросхемы, похоже, прекращено. Заметим, что из-за большого входного тока этого ОУ сопротивление резисторов каскада нужно снизить в несколько раз.

16. Что можно рекомендовать для сверхлинейного УМЗЧ в качестве предусилителя? Какой предварительный усилитель использовал автор?

Вход УМЗЧ рассчитан на непосредственное подключение к проигрывателю компакт-дисков WADIA. имеющему максимальное выходное напряжение 2 В (кстати. DAT-магнитофон тоже имеет аналогичный уровень). Установка уровня сигнала в нем производится ЦАП с функцией регулятора (причем регулировка комбинированная - и в "цифре", и о "аналоге" - за счет изменения опорного напряжения). У двухблочного проигрывателя регулятор с цифровым управлением в сравнении с переменным резистором имеет меньший модуляционный шум.

Из относительно распространенных проигрывателей компакт-дисков можно рекомендовать модели SONY XA30ES, XA50ES, а также ТЕАС-Х1. Хорошо зарекомендовали себя и проигрыватели SACD. Вместо предусилителя автор использовал простой коммутатор на герконовых реле.

При конструировании сверхлинейного УМЗЧ советуем применить регуляторы громкости с дискретным затуханием. В крайнем случае можно на вход усилителя поставить переменный резистор сопротивлением 10 кОм. причем подключать его надо после конденсатора С1. чтобы частота среза входного ФВЧ. образованного Cl и параллельным включением регулятора и R1, была минимальной при малой громкости и максимальной - при большой.

17. Как можно временно уменьшить выходную мощность (чувствительность)?

Для введения режима "20 дБ" ("тихо") проще всего ввести во входную цепь дополнительный "гасящий" резистор и реле (РЭС-49 либо РЭС-55, РЭС-60, РЭС-80, РЭС-81, РЭС-91 и т.п.) с нормально замкнутыми контактами, включаемыми параллельно этому резистору. Размыкание контактов и приводит к снижению уровня. Контакты должны быть золоченые (проверьте по паспортам реле). Подойдут также другие герконовые реле, тоже с золочеными контактами. Питать реле надо постоянным напряжением с низким уровнем пульсаций, иначе возможен фон переменного тока.

18. В широкополосных электронных приборах большие оксидные конденсаторы обычно шунтируют керамическими. Стоит ли поэтому предусмотреть на плате размещение SMD конденсаторов?

Специально проведенные измерения показали, что при полной установке на плату оксидных конденсаторов стандартного качества (Samsung. Jamicon и т.п.), введение дополнительных керамических конденсаторов практически не меняет импеданс шин питания в диапазоне частот до 20 МГц, переходные характеристики усилителя также не изменяются. SMD-конденсаторы (для поверхностного монтажа) на напряжение 63 В - редкость, обычно они на 50 В. Нужно иметь в виду, что большая плата при монтаже деформируется, что может привести к трещинам в таких конденсаторах.

Литература

  1. Агеев С. Должен ли УМЗЧ иметь низкое выходное сопротивление? - Радио, 1997, № 4, с. 14-16.
  2. Витушкин А., Телеснин В. Устойчивость усилителя и естественность звучания. - Радио, 1980, № 7, с. 36, 37.
  3. Сухов Н. УМЗЧ высокой верности. - Радио, 1989, № 6, с. 55-57; № 7, с. 57-61.
  4. Alexander M. A Current Feedback Audio Power Amplifier. 88-th Convention of the Audio Eng. Society, reprint №2902, March 1990.
  5. Wiederhold M. Neuartige Konzeption fur einen HiFi-Leistungsfersterker. - Radio fernsehen elektronik, 1977, H.14, s. 459-462.
  6. Акулиничев И. УМЗЧ с широкополосной ООС. - Радио, 1989, № 10, с. 56-58.
  7. Baxandal P.J. Technique for Displaying the Current and Voltage Output Capability of Amplifiers and Relating This to the Demands of Loudspeakers. - JAES, 1988, vol. 36, p. 3-16. 17.
  8. Поляков В. Уменьшение поля рассеяния трансформаторов. - Радио, 1983, № 7, с. 28, 29.
  9. ECAP Theory. - Издание фирмы EvoxRifa Co., 1997.
  10. Популярные разъемы зарубежного производства. - Радио, 1997, № 4, с. 60.
  11. Популярные разъемы зарубежного производства. - Радио. 1997, № 9. с 49-51.

Автор: С.Агеев, г.Москва

Смотрите другие статьи раздела Усилители мощности транзисторные.

Читайте и пишите полезные комментарии к этой статье.

<< Назад

Последние новости науки и техники, новинки электроники:

Токсичность интернета преувеличена 07.01.2026

Социальные сети нередко воспринимаются как арена постоянной агрессии, оскорблений и распространения фейковой информации. Новое исследование Стэнфордского университета показывает, что реальность значительно отличается от популярного представления: интернет гораздо менее токсичен, чем многие пользователи считают. Ученые опросили более тысячи американцев, попросив их оценить долю пользователей соцсетей, которые ведут себя агрессивно или распространяют ненависть. Оказалось, что впечатления людей сильно преувеличивают масштабы проблемы. Например, респонденты считали, что почти половина пользователей Reddit хотя бы раз оставляла оскорбительные комментарии, тогда как фактические данные платформы показывают, что таких людей не более 3%. Аналогичная ситуация наблюдается с дезинформацией. Опрос показал, что большинство участников считали почти половину аудитории Facebook распространителями фейковых новостей, однако статистика говорит об обратном: фактическая доля таких пользователей состав ...>>

Процессоры Ryzen AI 400 07.01.2026

Современные вычисления все больше ориентируются на интеграцию искусственного интеллекта и высокую производительность в компактных устройствах, таких как ноутбуки и мини-ПК. Новая линейка процессоров AMD Ryzen AI 400 демонстрирует, как разработчики объединяют мощные центральные ядра, графику и нейросетевые ускорители в одном чипе, чтобы удовлетворять растущие потребности пользователей в играх, контенте и ИИ-приложениях. AMD представила процессоры серии Gorgon Point, которые включают до 12 ядер Zen 5 и до 24 потоков вычислений. Чипы поддерживают интегрированную графику RDNA 3.5, обеспечивают максимальную тактовую частоту до 5,2 ГГц и имеют энергопотребление от 15 Вт до 54 Вт. Особое внимание уделено NPU, способному обрабатывать до 60 триллионов операций в секунду (TOPS), что делает эти процессоры эффективными для задач с искусственным интеллектом. Конструкция Ryzen AI 400 сочетает ядра Zen 5 и Zen 5c, обеспечивая высокую гибкость и производительность. Несмотря на то, что архитектур ...>>

Женщины лучше распознают признаки болезни по лицу 06.01.2026

Способность распознавать, что кто-то нездоров, часто проявляется интуитивно: бледная кожа, опущенные веки, уставшее выражение лица могут сигнализировать о недомогании. Новое исследование международной группы ученых показало, что женщины в среднем точнее мужчин улавливают такие тонкие невербальные признаки болезни, что может иметь эволюционные и социальные объяснения. В отличие от предыдущих работ, где использовались отредактированные фотографии или имитация больных лиц, ученые решили проверить, насколько люди способны распознавать естественные признаки недомогания. Такой подход позволил оценить реальную чувствительность к изменениям в лицах, возникающим при болезни. В исследовании приняли участие 280 студентов, поровну мужчин и женщин. Участникам предложили оценить 24 фотографии, на которых изображены люди как в здоровом состоянии, так и во время болезни. Это дало возможность сравнить восприятие естественных признаков недомогания в реальных лицах. Для анализа состояния каждого ...>>

Случайная новость из Архива

Удаленное родительское собрание 25.01.2014

"Не был на собрании из-за проблем с Интернетом". Вполне возможно, что именно такую причину вскоре будут называть некоторые родители, не попавшие на родительское собрание. Этой весной Департамент образования и Департамент информационных технологий начнут 2-й этап реализации проекта "Школа новых технологий".

О новых технологиях, применяемых в области начального образования руководитель Департамента информационных технологий (ДИТ) Артем Ермолаев рассказал в ходе церемонии награждения школ, ставших победителями первого этапа.

Столичные власти собираются отобрать в этом году 200 школ, показавших лучшие результаты в процессе конкурсного отбора, и, кроме того, представят самые интересные заявки.

Руководитель Департамента информационных технологий напомнил, что статус "школы новых технологий" даст образовательному учреждению определенные преимущества, и в первую очередь - технологическую и финансовую поддержку от города.

К примеру, в этом году 20 московских школ, ставшие победителями первого этапа, получат интернет-канал, обеспечивающий скорость соединения 100 Мбит/с, техподдержку для развития дистанционного обучения, а также дополнительные вычислительные мощности, в том числе доступ к городской системе веб-конференций с целью проведения родительских собраний в онлайн-режиме. Готовое техзадание появится к 1 апреля, после чего 20 школ начнут подключать к городской ИТ-инфраструктуре. Также в этих школах появится новый курс "Полезный Интернет", и будут проводиться стажировки от компаний-партнеров проекта.

Артем Ермолаев напомнил, каких именно заявок ожидают власти от будущих участников проекта. "Очень важно, чтобы это был действительно проект, и мы видели, какого вы хотите добиться эффекта", - сказал глава ДИТ.

Проект "Школа новых технологий" был начат в прошлом году. Его основная направленность - стимулирование школ к более активному применению в образовательном процессе современных технологий. Проект осуществляется в виде конкурсного отбора, который состоит из нескольких этапов. В ходе этих этапов оценивается уровень развития образовательных учреждений в технологическом плане. В выборе победителей участвуют профессиональные участники рынка телекоммуникационных и информационных технологий. Первый этап завершился в прошлом году. Его победителями стали 20 школ.

Другие интересные новости:

▪ Новое решение для зарядки и резервного копирования данных смартфонов

▪ Самая интересная спортивная игра

▪ Ноутбков с предустановленной ОС будут выпускать меньше

▪ Скоростной электромобиль Sunswift 7

▪ Изменение состояния вещества при помощи вспышки света

Лента новостей науки и техники, новинок электроники

 

Интересные материалы Бесплатной технической библиотеки:

▪ раздел сайта Аудиотехника. Подборка статей

▪ статья Мичуринцы CAR AUDIO. Искусство аудио

▪ статья Как перевести черно-белый телевизор в цветной режим? Подробный ответ

▪ статья Профессиональные заболевания и их классификация

▪ статья Черная протрава для бронзы. Простые рецепты и советы

▪ статья Схема, распиновка (распайка) кабеля Alcatel One Touch Easy DB. Энциклопедия радиоэлектроники и электротехники

Оставьте свой комментарий к этой статье:

Имя:


E-mail (не обязательно):


Комментарий:





Главная страница | Библиотека | Статьи | Карта сайта | Отзывы о сайте

www.diagram.com.ua

www.diagram.com.ua
2000-2026