Menu Home

Бесплатная техническая библиотека для любителей и профессионалов Бесплатная техническая библиотека


Автомобильные магнитолы. Энциклопедия радиоэлектроники и электротехники

Бесплатная техническая библиотека

Энциклопедия радиоэлектроники и электротехники / Аудиотехника

 Комментарии к статье

Статья, предлагаемая вашему вниманию, продолжает цикл публикаций под общим названием "Звук в автомобиле", открытый нашим постоянным автором А. Шихатовым во втором номере журнала "Радио".

В этом цикле планируется рассмотреть основные особенности и специфику радиоприемных трактов и лентопротяжных механизмов современных автомагнитол, их усилительно-коммутационных узлов, блоков регулировок и акустических систем. Большое внимание будет уделено проблемам оптимального выбора компонентов, размещения аппаратуры в автомобиле, технологическим приемам стандартного и оригинального монтажа акустических систем, достижению высококачественного звучания комплекса.

Статьи будут полезны тем, кто интересуется высококачественным звуковоспроизведением, любит делать все своими руками, занимается ремонтом, техническим обслуживанием и регулировкой автомобильной радиоаппаратуры. С планом их публикаций можно ознакомиться на нашем сайте в Интернете.

Автор статей А. Шихатов известен как один из активных участников популярной конференции "Автозвук" на сайте auto.ru.

Выпускник МАТИ, он выбрал своим хобби звукотехнику. И теперь разрабатывает собственные конструкции, увлеченно работает над совершенствованием техники звуковоспроизведения в своем автомобиле, был участником проходивших в 1998 г. в Москве первых соревнований по автозвуку.

НЕМНОГО ИСТОРИИ

Сейчас уже трудно установить, кому первому пришла в голову мысль объединить автомобильный приемник с магнитофоном. Даже при наличии сети станций радиовещания удовлетворить музыкальные вкусы всех слушателей невозможно, и попытки использования магнитофона в автомобиле предпринимались давно. Практическая реализация этой идеи стала возможной с появлением различных вариантов магнитофонной кассеты, упрощающих водителю и слушателям манипуляции с магнитофоном. Конкурировавшие между собой на рынке домашней аудиотехники компакт-кассета, предложенная фирмой Philips в 1964 г., и так называемая EL-кассета, несколько большего размера, продолжили борьбу и на рынке автомагнитол. В EL-кассете использовалась стандартная для звукозаписи магнитная лента шириной 6,25 мм (как в катушечных магнитофонах), скорость ее движения также была "катушечной" - 9,53 см/с. Несмотря на более высокие технические параметры, со временем этот стандарт потерпел полное поражение - для массового потребителя малые габариты компакт-кассеты перевесили ее недостатки, поэтому к середине 70-х годов EL-кассеты полностью вышли из употребления. Этому способствовало и быстрое улучшение качества магнитных лент, головок, да и самих кассетных магнитофонов.

Появившаяся несколько позже картридж-кассета в равной степени обязана своим рождением автомобилю и модной в ту пору квадрафонии (автомобиль благодаря определенному расположению слушателей относительно акустической системы способствовал попыткам внедрения квадрафонического звуковоспроизведения). В картридж-кассете, предназначавшейся, прежде всего, для распространения готовых квадрафонических (четырехдорожечных) фонограмм, также использовалась широкая магнитная лента, но особенность кассеты была не в этом. Рулон ленты был бесконечным - лента вытягивалась из середины рулона и наматывалась на него снаружи, и перемотка не была предусмотрена. Это качество преподносили в тот момент как дополнительный фактор безопасности - водителю уже не нужно отвлекаться от управления. Кстати, в некоторых странах водителю запрещается управлять магнитолой во время движения, что в немалой степени способствовало появлению органов дистанционного управления, монтируемых на руле. К сожалению, конструкция картридж-кассеты оказалась не совсем удачной. Несмотря на малую длину ленты (25 метров), она нередко запутывалась, не помогло и введение графитовой смазки. Поэтому к концу 70-х годов производство аппаратуры с картриджкассетой было прекращено.

В СССР автомагнитолы появились еще в начале 70-х годов. Первоначально это были привезенные из-за рубежа экземпляры, рассчитанные главным образом на использование компакт-кассет, но вместе с иностранными автомобилями к нам иногда попадали аппараты других типов. Первый отечественный автомобильный проигрыватель компакт-кассет (еще не магнитола) "Электрон-501" появился в 1976 г. и сразу стал "хитом сезона". Конструкция его не отличалась особой оригинальностью, но оказалась удивительно надежной, а сама модель стала редкой долгожительницей и претерпела несколько модернизаций. В конце 80-х - начале 90-х гг. его даже продавали в виде набора узлов для самостоятельной сборки.

Основные функции и конструктивные решения большинства автомагнитол примерно одинаковы, а схемотехника достаточно традиционна. Но компоновка аппаратов прошла через несколько этапов. Первоначальная компоновка передней панели, унаследованная от автомобильного радиоприемника (две ручки по краям, шкала в центре), была продиктована конструкцией штатного посадочного места в автомобиле и достаточно долго сдерживала разработчиков. Разместить дополнительные органы управления на маленькой панели совсем непросто, поэтому широкое распространение получили соосные регуляторы. Обычно левыми регуляторами регулировали громкость, баланс и тембр ВЧ, а правыми производили настройку приемника и переключали диапазоны приемника. Для других органов управления места практически не оставалось.

В самых первых магнитолах кассету устанавливали в кассетоприемник лентой вперед (подобная компоновка сохранилась в аппаратах отечественного производства и поныне), но очень скоро появились ЛПМ, в которые кассету вставляли узкой стороной, что позволило на сэкономленном месте разместить дополнительные органы управления. Однако конструкция оставалась внешне симметричной, а крепление магнитолы в автомобиле по-прежнему производилось с помощью гаек на осях регуляторов. В конечном итоге производители автомобилей и автомобильной радиоаппаратуры выработали некий стандарт, определяющий установочные габариты магнитолы и соединительные размеры. Это позволило ввести унифицированные соединители ISO для подключения магнитолы к бортовой сети автомобиля, применяемые всеми европейскими производителями. Следующим шагом стал отказ от симметрии передней панели, что позволило улучшить эргономику.

Первоначально магнитолы устанавливали в автомобиле стационарно, однако участившиеся кражи заставили и производителей обратить внимание на улучшение сохранности аппаратуры. Так появились съемные модели магнитол, которые владелец мог унести с собой, покидая машину. Этот метод предотвращения кражи до сих пор остается самым эффективным, но и самым неудобным. Внедрение микропроцессорного управления магнитолами позволило применить санкционирование доступа (кодирование), используемое обычно в аппаратах достаточно высокой ценовой категории. Для того чтобы включить магнитолу, необходимо установить в нее специальную карточку с кодом или ввести кодовую комбинацию с клавиатуры. К сожалению, на каждый замок найдется отмычка, и расшифровать код краденой магнитолы - дело техники. Поэтому после перехода от аналоговых регуляторов тракта ЗЧ к цифровым широкое распространение получили съемные передние панели, на которых сосредоточены все органы управления магнитолой, однако, как показывает практика, и этот метод - не панацея.

Помимо исторических особенностей конструкции, автомагнитолам свойственны особенности региональные, связанные с местными стандартами. В первую очередь это относится к радиоприемнику. Для моделей, ориентированных на Западную Европу, обязательно наличие помимо диапазона УКВ 88-108 МГц диапазонов длинных и средних волн, а во многих моделях имеются и коротковолновые диапазоны 41 и 49 м, на которых в ряде стран ведется местное вещание. В моделях для Восточной Европы также обязательно наличие диапазонов ДВ и СВ, но коротковолновые диапазоны практически не встречаются, а диапазон УКВ либо имеет границы 65,8-74 МГц, либо разбит на два поддиапазона.

В моделях для США и азиатско-тихоокеанского региона нет диапазона ДВ, кроме того, в моделях для азиатско-тихоокеанского региона используется диапазон УКВ 76-90 МГц. Поскольку в США для радиовещания принята своя сетка частот, то модели для американского рынка могут оказаться непригодными для использования в других странах, и наоборот. (В США шаг сетки частот в диапазоне средних волн - 10 кГц, в диапазоне УКВ - 50, в Европе - 9 и 25 кГц соответственно, а переключение сетки частот предусмотрено далеко не во всех синтезаторах частоты приемников). Специально для стран СНГ и Восточной Европы фирма Sony выпускает модели магнитол не только с расширенным УКВ диапазоном, но и двухстандартным стереодекодером "Стерео плюс", рассчитанным на стереосигналы как с пилот-тоном, так и с полярной модуляцией.

И наконец, есть особенности, которые можно объяснить только традициями. Так, для европейских и азиатских моделей характерна установка кассеты узкой стороной вперед, лентой вправо. Для большинства отечественных и ряда моделей производства США - широкой стороной вперед. Кроме того, в США страсть к большим автомобилям распространилась и на магнитолы, поэтому многие аппараты для американского рынка имеют высоту 105 мм. В 70-х и 80-х годах там были популярны блочные автомагнитолы, которые в миниатюре повторяли домашние радиокомплексы - дека, эквалайзер, тюнер, усилитель. Однако объяснить отсутствие стереодекодеров в отечественных автомагнитолах невозможно даже традициями, хотя по результатам опроса, проведенного журналом "Радио" более десяти лет назад, именно стереофонический прием радиопередач признан важнейшей функцией приемника.

РАДИОПРИЕМНЫЙ ТРАКТ

Поскольку магнитолы - прямые потомки автомобильных радиоприемников, то и рассказ об их схемотехнике уместно начать с радиоприемного тракта. Для радиоприемной части автомагнитол характерно использование уже зарекомендовавших себя решений и некоторый консерватизм. Так, использование обычных конденсаторов переменной емкости (КПЕ) с воздушным диэлектриком в первых автомобильных приемниках приводило к модуляции сигнала из-за вибрации пластин, поэтому для настройки стали применять блок катушек переменной индуктивности - ферровариометр, который продолжали использовать и после того, как появились КПЕ с твердым диэлектриком, свободные от указанного недостатка. Ферровариометры применяли вплоть до широкого распространения специализированных микросхем синтезаторов частоты.

В качестве примера рассмотрим средневолновый тракт магнитолы "Road Star" модели конца 80-х годов, выполненный полностью на дискретных элементах (рис. 1). Хотя схема и выглядит теперь несколько архаичной, она построена по проверенным временем принципам традиционной схемотехники. Настройка производится ферровариометром. Входная цепь образована контуром L2C1 и дросселем L1, ослабляющим помехи по зеркальному каналу. С катушки связи L3 сигнал поступает на первый каскад на транзисторе VT1 - резонансный УВЧ. Для упрощения сопряжения контуров и снижения опасности самовозбуждения на высокочастотном участке диапазона добротность контура L4C4 снижена резистором R3. Каскад на транзисторе VT2 - преобразователь частоты с совмещенным гетеродином. С контура ПЧ L5C7 через катушку связи L6 сигнал поступает на резонансный УПЧ, выполненный на транзисторе VT3. Нагрузка усилителя - полосовой фильтр L11C11C12L13C14. Сигнал с первого контура поступает на детектор АРУ, выполненный на кремниевом диоде VD1. Напряжение АРУ поступает на базы транзисторов УВЧ и УПЧ, уменьшая их усиление при сильных сигналах. Со второго контура сигнал поступает на детектор сигнала, выполненный на кремниевом диоде VD2. На диод через резисторы R13R14 подается небольшое напряжение, повышающее чувствительность детектора.

Автомобильные магнитолы
(нажмите для увеличения)

Большая часть магнитол имеет полностью раздельные тракты АМ и ЧМ, что вызвано стремлением упростить коммутацию и повысить качественные показатели. Выполняются они, как правило, на микросхемах, причем в моделях более высокого класса используются микросхемы меньшей степени интеграции. Это объясняется тем, что при совмещении на одном кристалле нескольких функциональных узлов усиливается их взаимное влияние, что неизбежно приводит к ухудшению параметров. В особо качественных трактах используются каскады на дискретных транзисторах. Совмещение же трактов АМ и ЧМ в одной микросхеме (частичное либо полное) встречается только в простых моделях с аналоговой настройкой.

Примером может служить схема радиоприемного тракта магнитолы UNISEF выпуска 1995 г. (рис. 2). По такой же или сходной схеме выполнен радиоприемный тракт практически всех дешевых автомагнитол азиатского производства с аналоговой настройкой. Тракты АМ, ЧМ и стереодекодер выполнены на одной микросхеме CXA1238 фирмы Sony, включенной по типовой схеме.

Автомобильные магнитолы
(нажмите для увеличения)

Перестройка приемника производится счетверенным блоком конденсаторов переменной емкости. Коммутация диапазонов - внутренняя по выводу 15, единственный орган управления - переключатель SA1. Сигналы диапазона СВ выделяются входной цепью L1C2L5CP2.1 и поступают на вход тракта АМ (вывод 19). Контур гетеродина L7C6CP2.2 подключен к микросхеме полностью. Широкополосная входная цепь диапазона УКВ образована контуром L2C3C1, далее сигнал после резонансного УВЧ (нагрузка - контур L3C5CP1.1) поступает на преобразователь частоты. Широкополосный УПЧ - общий для обоих трактов, его избирательность определяется пьезокерамическими фильтрами ZF1 и ZF2. Резонатор ZF3 входит в состав ЧМ детектора с ФАПЧ. Стереодекодер помимо основной функции выполняет функции линейного усилителя в тракте АМ. Подстроечным резистором RP1 устанавливают режим работы стереодекодера (частота поднесущей - 38 кГц, синхронизируемая пилот-тоном). Конденсаторы C21, C22 совместно с резисторами R10, R11 образуют цепи компенсации предыскажений.

Поскольку в современной аппаратуре тракт АМ стал дополнительным, а тракт ЧМ является основным, то его конструкции уделяется основное внимание. Структура этого тракта такова: резонансный УВЧ (возможна АРУ либо дискретное управление усилением), преобразователь частоты, пьезофильтр ПЧ, широкополосный УПЧ, частотный детектор, стереодекодер. Число настраиваемых контуров - от двух до четырех, в зависимости от требований, предъявляемых к избирательности приемника. УВЧ и преобразователь частоты выполнены, как правило, на одной микросхеме (например, TA7358AP или KA22495), реже - на дискретных элементах (в моделях высокого класса). УПЧ и стереодекодер также представляют собой отдельные микросхемы, хотя есть и комбинированные, объединяющие эти два узла.

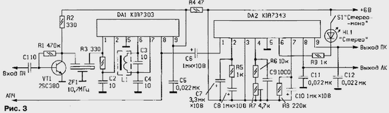
В качестве примера рассмотрим тракт ПЧ ЧМ и стереодекодера автомагнитолы "Road Star" выпуска 1993 г. (рис. 3). С выхода преобразователя частоты сигнал ПЧ частотой 10,7 МГц поступает на первый апериодический каскад УПЧ. Его задача - согласовать преобразователь с пьезокерамическим фильтром ZF1 и компенсировать потери в нем. Далее сигнал поступает на широкополосный УПЧ. Фазосдвигающий контур L1C3, настроенный на ПЧ, входит в состав частотного детектора. После детектирования комплексный стереосигнал поступает на стереодекодер. Установку режима его работы производят резистором R7. Конденсаторы C11, C12 совместно с элементами коммутатора сигнала (на схеме не показаны) образуют цепи компенсации предыскажений.

Автомобильные магнитолы
(нажмите для увеличения)

Структура входных каскадов тракта ЧМ - резонансный УВЧ и преобразователь частоты с отдельным гетеродином - также традиционна. В старых моделях блок УКВ выполнен на дискретных биполярных транзисторах и представляет собой единую конструкцию с ферровариометром. В настоящее время широко применяют настройку контуров варикапами, причем исключительно в радиоприемных трактах с синтезаторами частоты (в петле ФАПЧ). В отечественных автомобильных приемниках часто применяют для настройки многооборотные резисторы. Настройка конденсаторами сейчас применяется только в дешевых моделях, выполненных с совмещенным трактом АМ-ЧМ на микросхемах. Поскольку при таком построении в тракте УКВ только один перестраиваемый контур на выходе УРЧ, избирательность по зеркальному каналу невысока.

В крупных городах, где много УКВ станций, а их мощность ограничена, высокая чувствительность приемника при недостаточной селективности только ухудшает качество приема. Входные каскады на биполярных транзисторах в таких условиях создают значительные перекрестные искажения. Для получения высокой избирательности и чувствительности в высококачественных трактах УКВ использовали двухкаскадные УРЧ и дополнительный перестраиваемый полосовой фильтр. С этой же целью в последние годы в трактах УКВ среднего и высокого классов все чаще применяют полевые транзисторы. Благодаря их высокому входному сопротивлению сохраняется высокая добротность контуров и повышается уровень сигнала, а малая проходная емкость способствует высокому усилению, что позволяет обойтись всего одним каскадом УРЧ.

Смеситель преобразователя частоты как в интегральном, так и в дискретном исполнении выполняется исключительно на биполярном транзисторе по схеме с общим эмиттером. В этом отношении тракт ЧМ отечественных автомобильных радиоприемников, построенный с применением балансного смесителя на микросхеме К174ПС1, гораздо совершеннее. Сигнал РЧ и сигнал гетеродина в рассматриваемых смесителях подают в цепь базы, а сигнал ПЧ частотой 10,7 МГц выделяется в коллекторной цепи одиночным контуром. Избирательность по соседнему каналу полностью определяется пьезокерамическим фильтром в тракте ПЧ.

Гетеродин тракта УКВ на дискретных элементах выполняют обычно по схеме емкостной трехточки. В преобразователях частоты интегрального исполнения используют гетеродины на двух транзисторах, контур гетеродина подключается к ним только двумя точками. В радиоприемных трактах с аналоговой настройкой обязательно используется неотключаемая АПЧГ с помощью варикапа в контуре гетеродина, управление которым производится с выхода частотного детектора. В радиоприемных трактах с цифровой настройкой за стабильность частоты гетеродина отвечает синтезатор частоты, при этом в специальных элементах подстройки нет необходимости. Неотъемлемая часть практически всех современных блоков УКВ - буферный каскад для подачи сигнала гетеродина на синтезатор частоты или цифровую шкалу, которая все чаще применяется в аппаратах с аналоговой настройкой вместо традиционной шкалы. Для обеспечения стабильности частоты гетеродина связь буферного каскада с контуром гетеродина минимальна, иногда через емкость монтажа. Катушки УРЧ и гетеродина обычно бескаркасные, намотаны медным эмалированным проводом 0,6...1 мм с диаметром витка 4...6 мм. Сопряжение контуров выполняется подгибанием крайних витков, после настройки витки катушки фиксируют парафином или компаундом.

В качестве примера рассмотрим блок УКВ автомагнитолы Yamaha YX-9500 выпуска 1996 г. (рис. 4). В нем есть несколько интересных технических решений, характерных и для аппаратуры других производителей.

Автомобильные магнитолы
(нажмите для увеличения)

Сигнал с антенны через конденсатор связи C1 поступает на входной контур L1C2C3VD1. Перестройку блока по частоте производят изменением управляющего напряжения на варикапах VD1- VD3. Резонансный УРЧ выполнен на двухзатворном полевом транзисторе VT1. Особенность построения каскада заключена в том, что входной сигнал подан на второй затвор, а первый затвор используется для регулировки усиления. Транзистор VT2 - ключ, изменяющий смещение на первом затворе VT1 (а следовательно, и усиление) по команде от управляющего микропроцессора. Для получения оптимального согласования и устойчивой работы во всем диапазоне частот применено включение нагрузки - контура L3VD2 - через катушку связи L2.

На входе смесителя включен режекторный контур L4C8, настроенный на промежуточную частоту. Он уменьшает вероятность перегрузки смесителя сигналами с частотой, близкой к промежуточной. Усиленный входной сигнал и сигнал гетеродина подаются на базу транзистора смесителя VT3. Сигнал ПЧ частотой 10,7 МГц выделяется в коллекторной цепи и подается на УПЧ через катушку связи L6.

Гетеродин собран на транзисторе VT4 по традиционной схеме емкостной трехточки. Контур гетеродина L7VD3 для получения возможно более высокой добротности слабо связан как с транзистором гетеродина, так и с буферным каскадом на транзисторе VT5. Конструкция тракта ПЧ и стереодекодера аналогична уже рассмотренной - согласующий каскад на транзисторе, два пьезофильтра, УПЧ на микросхеме LA1140 и стереодекодер на микросхеме LA3375.

Контурные катушки намотаны медным эмалированным проводом диаметром 0,8 мм, диаметр витка 5 мм и имеют следующие данные: L1 - 6,5 витка, L2 - 2,5 витка, L3 - 6,5 витка, L7 - 5,5 витка. Катушки фильтров: L4 - стандартный дроссель индуктивностью 0,68 мкГн; L5, L6 - стандартный фильтр ПЧ 10,7 МГц (конденсатор С" входит в конструкцию фильтра). Чувствительность тракта - 2,5 мкВ, избирательность по соседнему каналу - 45 дБ.

Рассмотренное построение радиоприемного тракта характерно, главным образом, для аппаратуры европейских производителей. В современных массовых моделях автомагнитол японского производства все шире применяют совмещенные радиоприемные тракты второго поколения, выполненные на одной микросхеме. Например, фирма Sanyo производит микросхему LA1883M в корпусе с 64 выводами, работающую совместно с управляющим микропроцессором. Подобные тракты применяют в своих магнитолах фирмы Sony, Kenwood, Pioneer.

Рассказ о радиоприемных трактах АМ и ЧМ завершим рассмотрением синтезаторов частоты, без которых уже немыслим современный автомобильный радиоприемник или автомагнитола. Широкое распространение синтезаторов частоты с середины 80-х годов полностью изменило представление об автомобильном приемнике. Помимо высокой стабильности частоты настройки даже в отсутствие полезного сигнала, появились такие функции, как автоматическая настройка, сканирование фиксированных настроек, настройки на станции с наилучшим качеством сигнала, память настроек и др.

Попытки ввести дополнительные функции в управление радиоприемником предпринимались и ранее, но их технические решения распространения не получили. Более-менее удачно была реализована только автоматическая настройка в диапазоне УКВ. Зарядка конденсатора в интеграторе изменяла его выходное напряжение, подаваемое на варикапы для настройки приемника в диапазоне частот. Сканирование прекращалось по сигналу системы бесшумной настройки, которая контролировала уровень полезного сигнала в полосе пропускания ПЧ, и интегратор переводился в режим хранения. Удержание станции производила система АПЧ. Настройка сохранялась до выключения приемника или получения команды на дальнейшую перестройку. Попытки ввести аналоговую память настройки успеха не имели, как и попытки применения подобных систем в диапазонах АМ.

Синтезаторы частоты современных приемников выполнены по схеме с ФАПЧ (в англоязычной терминологии PLL - Phase Locked Loop). Принципы построения подобных систем известны: сигнал гетеродина после деления частоты сравнивается по частоте и фазе с опорным сигналом, частота которого равна шагу сетки частот в выбранном диапазоне. Полученный в результате сравнения сигнал ошибки изменяет частоту гетеродина таким образом, что она становится равна опорной частоте, умноженной на коэффициент деления. Быстродействие интегральных синтезаторов первого поколения было недостаточным, поэтому в диапазоне УКВ их использовали в комплекте с внешним делителем частоты. Набор функций был крайне ограничен. Синтезаторы второго поколения уже выполнены полностью в одной микросхеме. Они включают в себя управляющий микропроцессор и ячейки памяти настроек. Обычно используется по 5-6 ячеек памяти в каждом из диапазонов АМ и от 10 до 30 и более в диапазоне УКВ. Ячейки в диапазоне УКВ для удобства пользования обычно разбивают на группы. Для индикации частоты настройки в синтезаторах первого поколения использовали светодиодные индикаторы, затем перешли к использованию жидкокристаллических экранов (LCD display) с задней подсветкой и катодолюминесцентных индикаторов (в дорогих моделях). Изменение сетки частот (европейский или американский стандарт) ранее производилось внешними перемычками или переключателями на плате магнитолы, в новых моделях эта операция проводится с клавиатуры чисто программным путем.

Помимо управления собственно частотой настройки приемника, микропроцессор синтезатора частоты выполняет и ряд сервисных функций. Алгоритм работы и наименование функций у разных производителей достаточно сильно отличаются. Обычный набор функций таков: переключение диапазонов (band), ручная настройка (manual tuning) с возможностью запоминания (memory), автоматическая настройка и запоминание всех доступных станций (auto tuning, auto memory store - AMS) или станций с максимальным уровнем сигнала (best stations memory, BSM), автоматическая настройка на следующую по частоте станцию (seek), сканирование ячеек памяти вперед (scan up) или назад (scan down) с прослушиванием в течение 5-10 с. Кроме того, автоматически запоминается последняя настройка на каждом из диапазонов (в приемниках с аналоговой настройкой это свойство было само собой разумеющимся).

В функции микропроцессора входит также сканирование клавиатуры, индикация диапазона, частоты настройки, номеров ячеек памяти, режимов работы приемника или магнитофона, набор которых может довольно сильно отличаться от модели к модели даже среди продукции одной фирмы. С распространением в звуковом тракте цифровых регуляторов (громкость, баланс, тембр) управление ими также было возложено на микропроцессор синтезатора. Лентопротяжные механизмы с логическим управлением и ряд внешних устройств тоже обслуживаются этим микропроцессором, что дает основание причислить подобные управляющие системы к третьему поколению.

Появившиеся в последние годы системы передачи данных по радиоканалу (RDS) используют для вывода информации все тот же дисплей и микропроцессор. Передаются дорожные сводки для водителей, прогноз погоды, финансовые новости и другая информация, которая может быть сохранена в памяти. Декодирование данных пока производится отдельным устройством, но можно предположить, что его функции тоже скоро перейдут к основному микропроцессору. К сожалению, в России эта система пока находится на первом этапе развития.

Алгоритм автоматической настройки для современных радиоприемных трактов примерно одинаков и отличается только деталями. Настройка, например, сначала производится в режиме местного приема (Local) при пониженной чувствительности приемного тракта и лишь затем в режиме дальнего приема (DX). Некоторые современные приемники могут осуществлять поиск станций, транслирующих определенные программы (спорт, новости, музыка определенных жанров). К сожалению, отечественные радиостанции пока не передают опознавательные сигналы, да и музыкальный винегрет в эфире не способствует использованию этой функции. Процессор перестраивает приемник по диапазону до тех пор, пока не получит от него стопсигнал. Он вырабатывается по совпадению двух условий - захвата частоты и достижения заданного уровня сигнала ПЧ. В диапазоне УКВ для этого обычно используют сигнал системы бесшумной настройки, имеющийся у большинства микросхем. Далее, в зависимости от выбранного алгоритма, анализируются другие условия. Например, в диапазоне УКВ, помимо уровня сигнала, можно контролировать наличие и уровень пилоттона. Тогда при слабом сигнале стереодекодер принудительно переводится в монорежим. Если станция удовлетворяет поставленным условиям, ее частота заносится в память процессора.

В качестве примера рассмотрим синтезатор частоты и управляющий микропроцессор UPD1719G-014 магнитолы Yamaha YX-9500 выпуска 1996 г. (рис. 5). Эта микросхема сейчас уже несколько устарела, но на ее примере легко разобрать построение простого синтезатора частоты и его взаимодействие с радиоприемным трактом.

Автомобильные магнитолы

Автомобильные магнитолы
(нажмите для увеличения)

Тактовая частота микропроцессора 4,5 МГц стабилизирована кварцевым резонатором. Большая часть входов и выходов микросхемы занята обслуживанием жидкокристаллического дисплея и клавиатуры, 16 кнопок которой объединены в неполную матрицу 6(4. При переходе в режим проигрывания кассет питающие и управляющие напряжения с радиоприемного тракта снимаются, сканирование клавиатуры прекращается и осуществляется только индикация направления движения ленты.

В зависимости от выбранного с клавиатуры диапазона настройки набор сигналов на выводах 12 и 13 через ключи на биполярных транзисторах (на схеме не показаны) подает питание на соответствующие каскады приемника. Сигнал гетеродина тракта АМ поступает на вывод 5, тракта ЧМ - на вывод 6. Широтно-модулированный сигнал управления частотой гетеродинов с вывода 3 подается на интегратор, выполненный на транзисторах VT4,VT5. Напряжение настройки для варикапов снимается с конденсатора C1. Данный микропроцессор не производит автоматическое переключение чувствительности приемного тракта и стереорежима, режимы "Local"/"DX" и "Моно-Стерео" (только для УКВ) переключают вручную. Соответствующие сигналы формируются на выводах 10 и 18. В процессе поиска станций или переключения фиксированных настроек микропроцессор выдает на выводе 14 сигнал выключения звукового тракта (mute), который управляет ключами на входе УМЗЧ (на схеме не показаны). По выводу 63 высоким уровнем действуют стоп-сигналы для тракта ЧМ (от системы бесшумной настройки) и тракта АМ. Дополнительно от тракта АМ подводится промежуточная частота (вывод 16). По выводу 64 поступает сигнал от детектора пилот-тона стереодекодера для индикации стереоприема.

Для питания микропроцессора используется несколько источников. Во первых, это стабилизатор напряжения 3,6 В на стабилитроне VD20, от которого осуществляется питание собственно микропроцессора в рабочем режиме. Для питания ячеек памяти использован источник стабилизированного напряжения 5 В, выполненный на основе микромощного стабилизатора напряжения 78L05. Питание на него постоянно подано от аккумулятора автомобиля через диод VD18. При снятии основного аккумулятора можно подключить гальваническую батарею напряжением 9...15 В через цепь VD19R13. Наконец, на случай полного отключения источников питания (магнитола съемная) предусмотрен ионистор С8 емкостью 0,22 Ф. Запасенной им энергии хватает для питания ячеек памяти в течение 4-5 дней.

В процессе эволюции автомагнитол и проигрывателей кассет наибольшие изменения претерпел лентопротяжный механизм (ЛПМ). Как уже упоминалось в первой части статьи, существует два варианта установки кассеты - "лентой вперед" и "лентой вбок". Первый из них оказался не самым удачным по соображениям компановки передней панели и применялся недолго только в ЛПМ с перемоткой ленты в обе стороны. Их доля в общем выпуске была невелика. В большинстве старых моделей применялась загрузка кассеты "лентой вбок" и рассчитывалась лишь на воспроизведение и перемотку вперед. Появившиеся на рубеже 80-х годов магнитолы с автореверсом строились уже на основе ЛПМ с загрузкой кассеты "лентой вбок".

В первых моделях автомагнитол и проигрывателей кассет приемный контейнер был неподвижен, а узлы транспортирования ленты при загрузке кассеты опускались на него сверху ("Электрон-501") или поднимались снизу (АМ-302, "Звезда", "Эола"). Преимущества подобных систем - стабильное относительно кассеты положение головок и удобство при чистке их рабочей поверхности с открытой шторкой кассетоприемника. Однако, в зависимости от выбранной схемы загрузки, установка или извлечение кассеты требовали приложения значительных усилий для взвода пружин и преодоления веса ЛПМ. Поэтому в настоящее время применяется, главным образом, загрузка кассеты в неподвижный ЛПМ с помощью подвижного контейнера - кассетоприемника.

В механизмах с единственным приемным узлом применяются качающиеся контейнеры. Кассета в этом случае поворачивается в приемном окне, опускаясь на тонвал и приемный узел. Часть кассеты при этом выступает из окна кассетоприемника. В ЛПМ с автореверсом необходима полная установка кассеты, поэтому там применяется лифтовый механизм загрузки. При установке кассеты она сначала движется параллельно плоскости ЛПМ, а затем опускается. Такой механизм бывает с ручным приводом (в недорогих моделях) или с электроприводом загрузки. Последний получает в настоящее время все большее распространение, поскольку полностью исключает возможность неправильной установки кассеты. Процесс загрузки контролирует микропроцессор: если установка не завершилась в отведенное время или возрос ток, потребляемый двигателем загрузки, ЛПМ возвращается в исходное состояние.

ЛПМ большинства автомагнитол построены по одномоторной кинематической схеме с косвенным приводом ведущего вала резиновым пассиком квадратного или плоского сечения. Известны случаи применения в магнитолах высокого класса двух- и трехмоторных ЛПМ, в том числе и с прямым приводом. Из всего многообразия ЛПМ автомагнитол широко распространены в основном две группы - простейшие, обеспечивающие только рабочий ход и перемотку ленты вперед, и механизмы с автореверсом, допускающие перемотку ленты в обе стороны. Исключение из этого правила составляют некоторые отечественные модели автомагнитол и модели самого высокого класса.

В простейших ЛПМ помимо узла ведущего вала с прижимным роликом имеется только приемный узел, в котором необходимое усилие подмотки обеспечивает фрикционная муфта. Вращение на приемный узел передается от маховика пассиком квадратного сечения либо зубчатой передачей. Для перемотки вперед прижимной ролик отводится от тонвала. Скорость перемотки невысока, полная перемотка кассеты С-90 занимает обычно 4...6 минут.

Механическое управление таким ЛПМ производится одной кнопкой. Обычно она расположена сбоку от окна кассетоприемника. При установке кассеты в ЛПМ включается режим воспроизведения, при неполном нажатии кнопки фиксируется режим перемотки (выключается повторным нажатием). Выброс кассеты и перевод ЛПМ в режим "Стоп" производится после полного нажатия кнопки.

Из-за отсутствия подающего узла и тормоза при переключении режимов возможно образование петель и ступенек в рулоне ленты. Поскольку стабильность натяжения ленты осуществляется исключительно механизмом кассеты, то при использовании кассет невысокого качества коэффициент детонации может возрасти до недопустимых значений. Типичное же значение коэффициента детонации для таких ЛПМ - около 0,2 %. Каретка с головкой воспроизведения может быть поворотной или скользящей, конструкция ее обеспечивает стабильное положение ГВ относительно ленты. С этой же целью используется направляющая, которая вводится в малое окно кассеты (рядом с ГВ). Она ограничивает перемещение ленты по высоте и в какой-то мере стабилизирует ее натяжение.

Большинство ЛПМ этого типа оснащено автостопом, как правило, при его срабатывании включается радиоприемный тракт. В простейшем случае датчиком автостопа служит подпружиненный рычаг, контактирующий с лентой. При окончании ленты в кассете ее натяжение увеличивается, рычаг перемещается и размыкает цепь питания двигателя. Такая система работает только в режиме рабочего хода. В более современных ЛПМ используют механический датчик вращения приемного узла, который отключает двигатель не только по окончании ленты в кассете, но и остановке ее по любым причинам во время рабочего хода или перемотки. Прижимной ролик в момент срабатывания автостопа не отводится от тонвала, что может вызвать деформацию ролика и повышение коэффициента детонации. Об этом необходимо помнить и не оставлять кассету в выключенной магнитоле.

Простота таких ЛПМ - залог их высочайшей надежности. Они в состоянии прослужить более 10 лет.

Благодаря тому, что часть кассеты остается снаружи, извлечь застрявшую ленту удается без разборки магнитолы и ЛПМ, чего нельзя сказать о системах с лифтовой загрузкой. Отсутствие перемотки назад для тех, кто слушает кассету от начала до конца, не является недостатком, поэтому аппараты с таким ЛПМ по-прежнему пользуются спросом. Однако комплектуются они, как правило, дешевыми ГВ с относительно большим зазором, поэтому полоса воспроизводимых частот обычно невелика - 100...8000 Гц. Чувствительность таких головок относительно низкая, следовательно, и уровень шума в канале воспроизведения может быть заметным (при выключенном двигателе). Замена воспроизводящей головки более совершенной значительно улучшит качество воспроизведения.

ЛПМ с автореверсом выполняются практически по двум-трем кинематическим схемам и различаются незначительно. В таких механизмах имеется два ведущих вала, вращающихся в разные стороны, и два прижимных ролика, поочередно подводимых к ленте механизмом реверса. В большинстве ЛПМ вращение от двигателя передается маховикам длинным пассиком, обратная ветвь которого проходит через обводной ролик. Маховики снабжены зубчатым венцом, перемотка включается введением паразитных шестерен между подкассетными узлами и маховиками ведущих валов. Механизм реверса приводится в движение от основного двигателя коротким пассиком. При остановке одного из подкассетных узлов кулисный механизм перемещает прижимные ролики, что приводит к изменению направления движения ленты.

В недорогих моделях применяется механическое управление ЛПМ. Обычно с левой стороны окна кассетоприемника расположена кнопка выброса кассеты, а с правой - кнопки включения перемотки, одновременное нажатие которых изменяет направление движения ленты. Включение ЛПМ в режим воспроизведения происходит при установке кассеты, и блок ГВ на каретке вводится в кассету пружиной. В более дорогих ЛПМ управление осуществляется маломощными электромагнитами и кулачковым механизмом, приводимым во вращение от маховика ведущего вала. Такие ЛПМ допускают оставлять кассету в магнитофоне, поскольку в режиме "Стоп" прижимные ролики отведены от ведущих валов.

До начала 90-х годов в ЛПМ с автореверсом использовали исключительно неподвижный четырехканальный блок головок, коммутация осуществлялась либо малогабаритным механическим переключателем (на ЛПМ), либо электронным коммутатором в составе усилителя воспроизведения (УВ). Тогда технологический разброс параметров головок в блоке (взаимный перекос и смещение зазоров) приводил к тому, что головку удавалось отъюстировать только для воспроизведения в прямом направлении, а полоса частот в режиме реверса была значительно уже. Для головок среднего качества типовые значения полосы воспроизводимых частот - 50...12000 Гц в прямом направлении и 100...8000 Гц в режиме реверса. Зачастую полоса частот в режиме реверса не нормировалась вовсе. Теперь усовершенствованная технология производства ГВ позволяет получать четырехканальные блоки головок с близкими по величине параметрами. Поэтому в современных магнитолах воспроизведение в обе стороны одинакового качества: полоса частот составляет обычно 14 кГц в массовых моделях, а в дорогих моделях она достигает 16...18 кГц.

В начале 90-х широкое распространение получили ЛПМ с двухканальными ГВ, перемещаемыми механизмом реверса вверх при воспроизведении в обратном направлении. Узел блока головок позволяет регулировать их положение по высоте и азимуту раздельно для каждого направления движения ленты. Однако зазоры и люфты в этом механизме приводят к нестабильности положения ГВ при эксплуатации, поэтому такие ЛПМ в настоящее время используют только в недорогих моделях.

Значительная часть узлов современных ЛПМ изготавливается из пластика, поэтому существует опасность их коробления при установке магнитол в отечественных автомобилях вблизи печки. В дешевых ЛПМ пластмассовым может быть даже маховик ведущего вала, а для увеличения момента инерции на него напрессована штампованная стальная шайба. Шасси, кассетоприемник и каретка обычно отштампованы из тонкой листовой стали.

Дополнительные функции, обеспечиваемые магнитофоном, зависят от его класса. Так, в простых и недорогих аппаратах при перемотке блокировка усилителя отсутствует и поэтому возможно проникание помех и шумов. В магнитолах более высокого уровня такая блокировка обязательна, в некоторых из них также встроена система поиска первой паузы в воспроизводимой фонограмме. В части моделей с электронным логическим управлением возможно программирование порядка воспроизведения.

В современных автомагнитолах УВ выполняют исключительно на специализированных микросхемах, включенных обычно по типовой схеме. Чаще всего в простых аппаратах используются микросхемы BA328, BA329, BA3302 (Rohm), KA1222, KA2221, KA21222 (Samsung), LA3160, LA3161 (Sanyo), TA7375P (Toshiba). Эти микросхемы близки по своим характеристикам и схемам включения. Уровень сигнала на их выходе составляет обычно 30...50 мВ. В современных отечественных аппаратах обычно применяют микросхему К157УЛ1, параметры которой при пониженном до 5...6 В напряжении питания и достаточно высоком (150...200 мВ) выходном напряжении заметно ухудшаются.

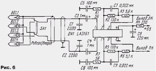
В качестве примера рассмотрим усилитель воспроизведения на микросхеме LA3161 (рис. 6). Схема включения практически не отличается от типовой. Переключатель SA1 выбирает соответствующие головки блока BG1 в зависимости от направления движения ленты. В моделях с "плавающим" блоком ГВ такой переключатель отсутствует. Высокочастотная коррекция производится конденсатором C1 (C2), образующим резонансный контур с индуктивностью головки. Стандартная АЧХ канала воспроизведения формируется цепью частотно-зависимой ООС C5R1C7R2R3 (C6R7C9R5R6). Напряжение питания подается на УВ при включении ЛПМ, постоянная составляющая выходного напряжения используется для управления коммутатором сигнала. Такая схема с незначительными вариациями применяется в магнитолах Pioneer (KEH2430, KE2800), Yamaha (YX9500, YM95000) и им подобных.

Автомобильные магнитолы

Более совершенный тракт с микросхемой BA3413 показан на рис. 7. В микросхему встроены электронный коммутатор, переключающий головки блока ГВ, и два электронных ключа, которые изменяют постоянные времени воспроизведения для лент с различным рабочим слоем. Особенность схемы - наличие "виртуальной земли" (вывод 4, конденсатор C5) и отсутствие входных разделительных конденсаторов. Назначение остальных деталей аналогично ранее рассмотренным. Такой УВ применялся, в частности, в некоторых моделях автомагнитол фирмы Sony. Переключение коррекции АЧХ для различных типов ленты производится либо вручную с передней панели магнитолы, либо автоматически - от датчика на шасси ЛПМ, реагирующего на окно в задней стенке кассеты.

Автомобильные магнитолы

Во многих автомагнитолах ранее использовался динамический шумоподавитель DNR (Dynamic Noise Reduction) на основе специализированной микросхемы LM1894. Принцип его работы - динамическая фильтрация сигналов управляемым ФНЧ, частота среза которого изменяется в пределах 1,5...25 кГц. Для управления фильтром сигналы стереоканалов суммируются в полосе частот выше 6 кГц. При отсутствии или малом уровне высокочастотных составляющих его полоса частот ограничена и шум мало заметен. С увеличением уровня высокочастотных сигналов полоса пропускания расширяется и шум хорошо маскируется.

В автомагнитолах обычно применяется упрощенная схема включения микросхем (рис. 8). Конденсаторы C5, C6 входят в состав перестраиваемых ФНЧ, переменный резистор R2 служит для подстройки порога срабатывания. Если в схеме элементы R2 и C9 отсутствуют, конденсатор C10 включается между выводами 5 и 6. В некоторых моделях такой шумоподавитель использовали в общем тракте усиления сигнала, в этом случае вместо конденсатора C8 устанавливали режекторный фильтр пилот-тона на частоту 19 кГц, предусмотренный типовой схемой включения. Без этого фильтра проникание пилот-тона в управляющую цепь шумоподавителя блокирует его работу.

Автомобильные магнитолы

В современных автомагнитолах все чаще применяют системы шумопонижения Dolby-B (в массовых моделях) и Dolby-C. Экспандеры выполнены либо на отдельных специализированных микросхемах, либо входят в состав комбинированных микросхем УВ. Номенклатура их достаточно разнообразна, примером может служить микросхема TEA0675 (Philips). Она включает в себя коммутатор головок, усилитель воспроизведения с переключаемой коррекцией, детектор паузы для системы поиска (программирования), ключи приглушения звука и шумоподавитель Dolby-B. Аналогичные микросхемы выпускают и другие производители.

ТРАКТ ЗВУКОВОЙ ЧАСТОТЫ

Тракт ЗЧ автомагнитолы - это именно то, что нередко определяет ее класс в оценке потребителя. Различия в структуре и параметрах радиоприемных трактов и дек мало кому понятны, тем более, что в моделях одного семейства они практически отсутствуют. Сервисные функции также в основном стандартны. Главное же, что отличает магнитолы, это - построение тракта ЗЧ.

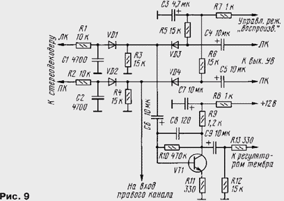
Поскольку в магнитоле как минимум два источника сигнала (тюнер и магнитофонная дека), то тракт ЗЧ начинается с коммутатора сигналов. В самых дешевых аппаратах он в явном виде отсутствует - выходы обоих источников сигнала объединяются на резистивном смесителе или на регуляторе громкости, а активизация одного из них осуществляется только включением его питания. Так как выходные каскады источников сигнала с отключенным питанием обладают достаточно высоким выходным сопротивлением, их взаимное влияние исключено. Однако это возможно лишь при невысоких уровнях сигнала - несколько десятков милливольт, в противном случае резко возрастут нелинейные искажения тракта. В более совершенных трактах используют диодные коммутаторы. В качестве примера рассмотрим схему, примененную в магнитолах "Pioneer" серий KEH23xx, KE28xx (рис. 9).

Автомобильные магнитолы

Сигнал от радиоприемного тракта с уровнем порядка 100 мВ нормируется с помощью делителей R1VD1R3, R2VD2R4 и поступает на вход усилителя, выполненного на транзисторе VT1 по схеме с общим эмиттером (на схеме показан только один канал усилителя). Диодные ключи VD1, VD2 открываются постоянной составляющей сигнала (разделительные конденсаторы на выходе радиоприемного тракта отсутствуют). Цепочки R1C1, R2C2 одновременно осуществляют коррекцию сигнала и дополнительную фильтрацию остатков пилот-тона.

Сигнал от УВ с уровнем около 50 мВ проходит на вход усилителя на VT1 через диодные ключи VD3, VD4. Открывающее напряжение на них поступает через резисторы R5, R6 с цепи R7C3 при включении ЛПМ. На выходе УВ имеются разделительные конденсаторы С4 и С5. Сигнал с уровнем около 200 мВ с выхода усилителя приходит на пассивный двухполосный регулятор тембра по схеме Баксандала. Затем, в зависимости от уровня сложности магнитолы, сигнал через регуляторы громкости и баланса приходит на вход УМЗЧ либо непосредственно, либо через линейный усилитель с усилением 20 дБ, выполненный на сдвоенном ОУ (монтируется на дополнительной плате). Последнее обстоятельство вызвано тем, что в магнитолах "младших" серий применяются микросхемы УМЗЧ чувствительностью 50 мВ, а в "старших" - 500 мВ, имеющие более высокие параметры.

Во избежание искажений напряжение сигнала в диодных коммутаторах не должно превышать 100 мВ. В более совершенных трактах коммутация сигнала выполняется ключами на полевых транзисторах. Часто для этой цели используют цифровые микросхемы CD4052 (аналог К561КП1). Допустимый уровень сигнала в этом случае увеличивается до 1 В. Подобное решение применялось в магнитолах "Supra", "Philips" и др. Для подключения внешних источников сигнала (например, CD-плейера) в недорогих моделях магнитол установлен наружный аудиоразъем для штекера на 3,5 мм (с размыкаемыми контактами), в более сложных коммутация сигнала с внешнего входа выполняется электронными коммутаторами.

Регуляторы громкости и тембра используют как традиционные, с переменными резисторами, так и электронные. Последние в настоящее время практически вытесняют переменные резисторы, поскольку при массовом производстве себестоимость электронных регуляторов существенно ниже.

Двухполосные регуляторы, как правило, выполняют пассивными, при этом величина подъема АЧХ ограничена 6...8 дБ во избежание перегрузки УМЗЧ. Регуляторы громкости обычно обеспечивают простую тонкомпенсацию (переменный резистор с одним отводом), но величина коррекции при малой громкости выбирается несколько больше, чем в "домашней" аппаратуре. Следует заметить, что диапазон регулирования громкости для автомобильной аппаратуры, с учетом шума в салоне без принятия мер по звукоизоляции, составляет не более 35...40 дБ, поэтому начальный участок регулятора громкости остается невостребованным.

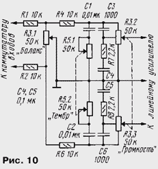
В качестве примера пассивного узла регулировок приведем схему, примененную в магнитоле "Philips-410" (рис. 10). Она достаточно проста и не требует дополнительных пояснений.

Автомобильные магнитолы

В тракте ЗЧ некоторых магнитол вместо регуляторов тембра используют трех- или пятиполосный графический эквалайзер. Такие конструкции нельзя считать удачными, так как для коррекции акустических дефектов, присущих салонам автомобилей, их возможности явно недостаточны, надежность же малогабаритных движковых регуляторов оставляет желать лучшего.

Несравнимо большими возможностями обладают электронные эквалайзеры. Они выполнены на основе микросхем с управлением по шине I2C (например, TEA6360 производства Philips). Узел коммутации источников сигнала и регулировок с такими эквалайзерами теперь также собирают на микросхемах с управлением по шине I2C (TDA7312 производства SGS-Thomson, TDA8425, TEA6320, TEA6321, TEA6330 производства Philips и других аналогичных микросхем).

Помимо регуляторов громкости и тембра в УЗЧ магнитол предусмотрены другие функции и регулировки. Практически все современные модели магнитол имеют четырехканальный звуковой тракт - два передних (фронтальных) стереоканала и два задних (тыловых). Это не квадрафоническая система, как думают некоторые пользователи, и сигналы передних и задних каналов ничем, кроме уровня, не отличаются.

Поскольку встроенные в магнитолы усилители не в состоянии обеспечить высокую мощность, в большинстве современных моделей предусмотрены линейные выходы для подключения внешних УМЗЧ. В простых моделях имеется только одна пара линейных выходов (обычно они обозначены как тыловые), а в более сложных - две пары (фронтальные и тыловые). В магнитолах высокого класса также есть отдельный линейный выход для низкочастотного (сабвуферного) канала, уровень сигнала на котором не зависит от распределения уровней между фронтальными и тыловыми каналами. Уровень суммарного (монофонического) сигнала на этом выходе регулируется независимо. В некоторых моделях при этом возможно изменение частоты среза ФНЧ.

Все линейные выходы снабжены буферными каскадами, как правило, на ОУ. При уровне сигнала на линейном выходе около 0,5 В они включены повторителями, а для более высокого уровня сигнала - усилителями. В связи с ужесточением требований к уровню помех в аудиосистеме (главным образом, изза наводок от бортовой сети автомобиля) в последнее время наметилась тенденция к увеличению уровня сигнала на линейных выходах до 4 и даже 8 В, а в самых совершенных системах введены дифференциальные выходы. Повышение уровня сигнала до таких значений требует применения повышенного напряжения питания для буферных каскадов, поэтому в подобных системах предусмотрен встроенный преобразователь напряжения.

Для регулировки распределения сигнала между передними и задними каналами используют специальный регулятор - фейдер (Fader). Его характеристика регулирования такова (рис. 11), что при перемещении регулятора из крайнего положения к среднему уровень сигнала введенного канала снижается незначительно, а выведенного - наоборот, быстро растет. После прохождения среднего положения картина меняется на обратную.

Автомобильные магнитолы

В магнитолах, выполняющих функцию основного блока аудиосистемы, размещен усилитель мощности. Некоторые аппараты высокого класса предназначены для использования с внешним усилителем мощности и встроеннолях магнитол УМЗЧ выполнялся на дискретных элементах, то уже с середины 70-х годов широко применяют микросхемы - сначала гибридные, а затем и интегральные. В настоящее время усилители мощности выполняют исключительно на ИМС. Практически все УМЗЧ (кроме моделей с выходной мощностью до 4...5 Вт) сейчас выполняют по мостовой схеме.

Практически все современные аппараты со встроенными усилителями, кроме самых дешевых, могут работать на две акустические системы - переднюю (фронтальную) и заднюю (тыловую). У встроенных усилителей два или четыре канала, причем в последнем случае их мощность может быть различной. Акустические системы первых автомагнитол "простоты ради" монтировали на задней полке салона, поэтому четырехканальные аппараты "по инерции" имели мощный усилитель (2x20...25 Вт) для тыловых каналов и маломощный (2x5...7 Вт) для фронтальных. В настоящее время каналы по мощности равноценны, хотя еще попадаются модели, выполненные "по старинке" (например, несколько последних моделей производства корпорации LG Electronics).

В двухканальных усилителях распределение сигнала между передними и задними громкоговорителями производят на выходе усилителя, что приводит к потерям мощности на механическом регуляторе (мощном переменном резисторе или переключателе). Подобное решение имеет смысл, только при использовании мостового усилителя мощности - в противном случае мощность усилителя будет слишком мала. Такая конструкция родилась на заре автомобильной аудиотехники и в современных моделях уже практически не встречается. В качестве примера рассмотрим регуляторы, примененные в магнитолах "Pioneer" серий KEH23xx, KE28xx, а также в аппаратах других производителей (на рис. 12 упрощенно показан один канал).

Автомобильные магнитолы

Переменный резистор-переключатель устроен таким образом, что в среднем его положении движок замкнут с крайними выводами. При перемещении движка из среднего положения одна из секций вводится в цепь громкоговорителя. Сопротивление секции - около 180 Ом, что позволяет снизить уровень сигнала на нем практически до нуля. Усилитель магнитолы можно использовать в двух вариантах - в двухканальном (в этом случае выходная мощность достигает 25 Вт на канал) и в четырехканальном (11 Вт на канал). Собственно регулятор имеет достаточно массивную конструкцию с ребрами охлаждения.

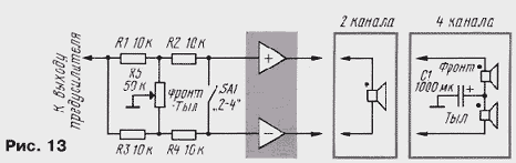
В магнитолах с четырехканальным усилителем проблемы потери мощности нет, здесь регулировки производятся на входе усилителей мощности (как правило, электронным регулятором, реже - переменным резистором). Рассмотрим схему такого узла (рис. 13), примененную, например, в магнитолах "Sony 1253" и ей подобных.

Автомобильные магнитолы

Собственно фейдер (R1 - R5) в данном случае представляет собой не что иное, как изобретенный еще в 50-е годы панорамный регулятор, распределяющий сигнал одного источника между двумя усилительными каналами. Такой усилитель также может использоваться как двух- или четырехканальный. При двухканальном включении входы усилителей замыкают между собой, усилитель становится мостовым с максимальной выходной мощностью 2x25 Вт. Фейдер при этом практически не влияет на коэффициент усиления. При четырехканальном включении каждый из каналов работает независимо, а оксидный конденсатор C1 образует "виртуальную землю". Выходная мощность магнитолы при этом - 4x12 Вт.

Подобное построение сейчас применяют только в самых дешевых моделях магнитол. В современных аппаратах каждый из четырех усилительных каналов выполнен по мостовой схеме, а фейдер входит в состав микросхемы-регулятора звукового тракта. При использовании современной магнитолы в двухканальной конфигурации два оставшихся канала просто оставляют неподключенными. Соединять между собой выходы каналов для увеличения мощности недопустимо!

В качестве усилителей мощности в автомагнитолах применяют ИМС TDA2003, TDA2004 (одноканальные), TDA1719, TDA1521 (двухканальные), TA8210, TA8221, TDA1554, TDA1556 (двухканальные мостовые). В последних моделях магнитол используются четырехканальные мостовые УМЗЧ, выполненные на микросхеме TDA7384.

Мостовые усилители используют в автомагнитолах неспроста. Максимальную выходную мощность можно реализовать в том случае, когда размах напряжения сигнала становится равным напряжению питания. На практике это невозможно, так как напряжение насыщения транзисторов не позволяет довести выходной сигнал до напряжения питания. Наиболее простой способ увеличить выходную мощность - снизить сопротивление нагрузки. Однако у этого способа есть недостатки:

  • дополнительные потери в соединительных проводах между усилителем и нагрузкой;
  • увеличение тока нагрузки приводит к снижению максимального выходного напряжения;
  • увеличение тока нагрузки приводит к росту искажений;
  • ухудшение демпфирования может привести к росту резонансного "горба" на АЧХ.

Одно время в магнитолах высокого класса использовались гибридные усилители мощности серии STK, предназначенные для работы с нагрузкой 2, 1 и даже 0,5 Ом. Их потенциальные возможности могли быть реализованы только при работе совместно со специальными низкоомными головками, поэтому распространения такие усилители не получили.

Более удобным оказалось включение двух усилителей по мостовой схеме (когда один из них инвертирует фазу). Громкоговоритель подключают к их выходам непосредственно без разделительных конденсаторов, что в известной мере способствует повышению качества звучания. Выходное напряжение на нагрузке оказывается вдвое больше, поэтому при одном и том же напряжении питания и нагрузке выходная мощность усилителя по мостовой схеме теоретически оказывается в 4 раза больше, чем у отдельно взятого канала (практически она несколько ниже, поскольку с ростом тока нагрузки снижается максимальное выходное напряжение). По такой схеме выполнены усилители мощности практически всех современных моделей, кроме самых дешевых.

Наряду с достоинством - большей выходной мощностью - мостовым усилителям свойственны и недостатки. Прежде всего, это - повышенный примерно в 1,2...1,7 раза по сравнению с исходными усилителями коэффициент гармоник и вдвое худший коэффициент демпфирования. Казалось бы, коэффициент гармоник изменяться не должен, но на практике увеличение происходит из-за различия характеристик реальных (даже выполненных на одном кристалле) усилителей. Ухудшение демпфирования объясняется тем, что выходные сопротивления усилителей складываются.

Кроме того, поскольку нагрузка подключается к выходам без разделительных конденсаторов, ее провода находятся относительно массы под постоянным напряжением, поэтому случайное замыкание нагрузки на массу может привести к выходу усилителя из строя. В современных интегральных УМЗЧ есть встроенные системы защиты от подобных неприятностей, но микросхемы старых серий были недостаточно надежны.

Но есть класс усилителей, буквально рожденный для автомобилей. Это УМЗЧ, в которых выходной каскад работает в режиме H (с изменяемым напряжением питания). Толчком для разработки таких усилителей послужило то, что реальный звуковой сигнал имеет импульсный характер и средняя мощность намного ниже максимальной. В основе устройства лежит обычный усилитель, включенный по мостовой схеме, а "изюминка" - в удвоении напряжения питания с помощью накопительного конденсатора большой емкости, который подзаряжается от основного источника питания. На пиках мощности этот конденсатор подключается последовательно с основным источником. Напряжение питания выходного каскада усилителя на доли секунды удваивается, позволяя ему справиться с передачей пиков сигнала и почти вчетверо увеличить максимальную мощность.

Пример усилителя такого класса - УМЗЧ на микросхеме TDA1560Q, пригодной для этого режима работы. Она развивает выходную мощность 40 Вт на нагрузке 8 Ом при напряжении питания 14,4 В.

К сожалению, производители такой аппаратуры, сообщая об этом, умалчивают о существенном недостатке. Максимальная мощность усилителей в режиме H зависит от емкости накопительных конденсаторов и частоты сигнала. Чем меньше их емкость, тем меньше "прибавка" мощности на низких частотах, т. е. как раз там, где она особенно нужна.

Из приведенных на рис. 14 графиков хорошо видна зависимость максимальной выходной мощности от емкости накопительных конденсаторов.

Автомобильные магнитолы

Совершенно очевидно, что упрятать батарею конденсаторов внушительной емкости (2x10 000 мкФ для каждого из четырех каналов!) внутрь стандартного корпуса трудно, поэтому заявленная производителями магнитол мощность 4x40 Вт обеспечивается лишь на средних и высших частотах.

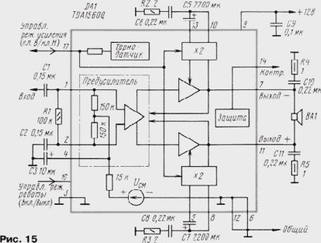
Пример усилителя класса H - микросхема TDA1560Q, развивающая выходную мощность 40 Вт на нагрузке 8 Ом при напряжении питания 14,4 В. Типовая схема ее включения приведена на рис. 15.

Микросхема имеет функции управления режимами (выключена, режим ожидания, режим приглушения звука, работа в режиме B, работа в режиме H). Буферные конденсаторы емкостью 2200 мкФ обеспечивают практически удвоение напряжения питания в режиме H. Из приведенных на рис. 14 графиков хорошо видна зависимость максимальной мощности от емкости накопительных конденсаторов.

ОРГАНЫ УПРАВЛЕНИЯ И КОМПОНОВКА

Компоновка узлов автомагнитолы определяется в первую очередь компоновкой ЛПМ и органов управления. Габариты магнитол ограничены шириной 178 и глубиной 150 мм. Высота стандартной магнитолы 50 мм, но в последнее время все чаще встречаются аппараты высотой 76 и 102 мм (соответственно полуторной и двойной высоты). Именно на такой размер рассчитаны установочные места во многих американских и японских автомобилях. В отечественных автомобилях, к сожалению, подобные аппараты установить непросто, хотя они имеют ряд достоинств. Увеличенные габариты корпуса позволяют снизить плотность монтажа и более рационально скомпоновать узлы. Охлаждение УМЗЧ облегчено, а мощность можно заметно увеличить. На увеличенной передней панели легко размещаются все органы управления, число которых в современной магнитоле может быть больше двадцати. В последнее время в таких корпусах размещают и комбинированные аппараты (магнитола и CD-проигрыватель).

Автомобильные магнитолы

В магнитолах стандартных габаритов органы управления иногда выполняют несколько функций. Совмещенные (соосные) регуляторы громкости, тембра, баланса появились несколько десятилетий назад и давно уже стали "классикой". Редко используемые механические органы управления могут выполняться скрытыми, чтобы не загромождать переднюю панель. Так, фирма Blaupunkt использует для регуляторов тембра переменные резисторы с выдвижной осью, ручки-кнопки которых в нерабочем состоянии находятся вровень с передней панелью.

С распространением электронных регуляторов в тракте ЗЧ, электронно-логического управления ЛПМ и новой элементной базы ряд компоновочных проблем отпал. Стало возможным регуляторы тракта ЗЧ разместить в непосредственной близости к УМЗЧ исдвинуть ЛПМ к боковой стенке корпуса. Упрощенная компоновка съемной панели уменьшила ее габариты. Например, первые магнитолы со съемными передними панелями были оснащены толкателями привода ЛПМ, что увеличивало толщину снятой панели до 30 мм, современная же съемная панель имеет толщину не более 15 мм. Съемные передние панели соединяются с управляющим микропроцессором многоконтактным разъемом, который является слабым местом конструкции. Даже золочение контактов не всегда обеспечивает бесперебойную работу - зимой при прогреве салона они запотевают, что приводит к ложным срабатываниям. Поэтому некоторые производители используют для связи с микропроцессором оптический канал, а через разъем подводят только цепи питания (например, ряд моделей LG Electronics).

Органы управления современных магнитол выполнены на основе кнопок с малым ходом либо резиновых толкателей с графитовым покрытием. В зависимости от режимов работы одна и та же группа кнопок выполняет несколько функций. Так, кнопки фиксированных настроек могут управлять сменой дисков в чейнджере, режимами работы ЛПМ. Регулятор громкости через меню позволяет проводить другие звуковые регулировки - тембр НЧ иВЧ, баланс уровня по фронту и тылу (фейдер), настройки звукового процессора и др. Выход из меню звуковых регулировок - автоматический, через несколько секунд. Система меню широко используется для вызова редко используемых функций (установка часов, уровня начальной громкости при включении магнитолы, глубины тонкомпенсации, цвета подсветки дисплея, выбора сетки частот радиоприемника).

Большинство производителей использует в качестве органов управления кнопки или клавиши разных размеров и формы, сгруппированные по функциональному назначению, но существуют и другие виды регуляторов. Так, фирма Sony использует для основных регулировок вращающееся колесико - энкодер, дополненное в последних моделях соосным рычажком переключения настроек приемника или дорожек CD-чейнджера. В магнитолах Clarion для той же цели применяется миниатюрный джойстик в виде качающейся пирамидки или полусферы. Для дистанционного управления можно использовать также выносной джойстик, монтируемый на руле, или инфракрасный пульт дистанционного управления.

КЛАССИФИКАЦИЯ МАГНИТОЛ

В поле зрения любого желающего приобрести новую аппаратуру могут оказаться автомагнитолы различного уровня сложности, поэтому имеет смысл еще раз классифицировать их, чтобы облегчить выбор при покупке и оценить возможности их самостоятельного ремонта и модернизации. Классификация современных магнитол проведена по функциональной насыщенности и техническим характеристикам, поэтому в одной ценовой категории могут оказаться аппараты, весьма отличающиеся по возможностям. Приводимое деление весьма условно, поскольку некоторые признаки могут встречаться и в других группах.

Семейство магнитол одного производителя образуется на основе базовой платы, при этом в упрощенных моделях часть компонентов на плате отсутствует. Радиолюбителю средней квалификации даже без принципиальной схемы несложно найти точки подключения и ввести необходимые функции. Монтаж современных магнитол достаточно плотный, широко используются элементы поверхностного монтажа, но представляющие интерес узлы обычно либо смонтированы на субплатах, либо соединяются с остальной узлами проволочными перемычками, поэтому трудностей при ремонте и модернизации не возникает. Практически при эксплуатации всех моделей выходят из строя только УМЗЧ (при неправильном подключении питания и нагрузки) и электродвигатель (износ подшипников, коллектора, щеток). До износа переменных резисторов и узла тонвала автомагнитолы доживают редко. Основное техобслуживание - периодическая чистка рабочих поверхностей головок, тонвала и прижимного ролика. Современные ЛПМ не требуют смазки в течение всего срока службы.

Первая группа - простейшие автомагнитолы. В настоящее время она представлена отечественными моделями и дешевыми аппаратами производства стран Юго-Восточной Азии. Приемник таких магнитол имеет аналоговую настройку, шкала может быть аналоговой, цифроаналоговой или цифровой. ЛПМ имеет механическое управление и рассчитан обычно только на воспроизведение и перемотку вперед, реже - имеет автореверс и перемотки в обе стороны. Переключение режимов работы приемника производится механическими переключателями с фиксацией, как правило, кнопочными.

Регулировки в каналах ЗЧ производятся переменными резисторами, сам тракт двухканальный, выходная мощность УМЗЧ незначительна (3-5 Вт). Регулировка тембра, как правило, производится только по ВЧ "на завал". В некоторых моделях встречается 3-5-полосный эквалайзер или тонрегистры (режимы "classic", "rock", "pop" и др.). Выпускаются эти модели как в несъемном, так и в полностью съемном исполнении. Технические характеристики находятся на нижнем пределе требований к нормальному звуковоспроизведению, эксплуатационные удобства практически отсутствуют. Улучшить характеристики тюнера без кардинальной переделки невозможно, без существенных затрат модернизации можно подвергнуть только тракт воспроизведения и УЗЧ. Если автолюбитель предпочитает магнитофонные записи радиопередачам, такой выбор оправдывает экономию средств при покупке.

Вторую группу составляют магнитолы начального уровня. Приемник имеет уже цифровую настройку и память фиксированных настроек. В большинстве моделей ЛПМ имеет механическое управление и обычно оснащен автореверсом, гораздо реже ЛПМ обеспечивает только воспроизведение и перемотку вперед. Регулировки в тракте ЗЧ, как правило, производятся переменными резисторами, но встречается и комбинированное управление (электронная регулировка громкости, остальные регулировки - обычные). УМЗЧ, как правило, рассчитан на работу в двухканальном мостовом и четырехканальном вариантах, выходная мощность составляет 2x(20...25) и 4x(5...7) Вт соответственно. Выпускаются как в несъемном, так и в полностью съемном исполнении.

Технические характеристики как магнитофонной части, так и радиоприемного тракта достаточно высоки, но из эксплуатационных удобств есть только автоматическая настройка и память фиксированных настроек. Работа с разными типами ленты обычно не предусмотрена, системы шумоподавления отсутствуют. Во многих моделях на передней панели установлено гнездо линейного входа, предназначенное для подключения посредством кабеля (со штекером 3,5 мм) переносного CD-плеера. Линейные выходы, как правило, не предусмотрены. Несложные доработки, доступные даже начинающему радиолюбителю, позволяют значительно улучшить эксплуатационные характеристики магнитол этого класса и приблизить их по своим возможностям к аппаратам следующей группы. Типичные представители этого класса - "Sony XR-1253", "Sony XR-1853", "LG TCC-672X".

Третья группа, самая многочисленная, представлена магнитолами среднего класса. В них установлены ЛПМ исключительно с автореверсом, в подавляющем большинстве моделей он имеет электронно-логическое управление. Магнитолы этой группы выпускают обычно в варианте со съемной передней панелью, несъемный вариант встречается реже. Все регулировки в тракте ЗЧ электронные, УМЗЧ - четырехканальный мостовой с выходной мощностью 4x(20...35 Вт). Остальные технические характеристики такие же, как и в моделях начального уровня, но значительно расширены эксплуатационные удобства (приглушение звука, включение радиоприемника во время перемотки ленты, автопоиск по паузам, часы, переключение цвета подсветки дисплея, анализатор спектра, RDS и т. д.). В отличие от упрощенных магнитол, в этих обязательно ручное или автоматическое переключение типа ленты, и практически во всех моделях имеется система шумопонижения Dolby B, а иногда и Dolby C. Во многих моделях, как правило, в наличии есть вход на передней панели, одна или две пары линейных выходов (фронтальные и тыловые) для дальнейшего наращивания системы. Такая магнитола без всяких доработок способна устроить достаточно взыскательного меломана. Типичные представители - "Sony XR-C850RDS", "Sony XR653SP", "Philips RC429 RDS".

Четвертую группу составляют магнитолы - управляющие центры. По своим техническим характеристикам и функциональным возможностям они практически не отличаются от магнитол третьей группы (выходная мощность может быть повышена до 40...45 Вт на канал), но могут управлять CD- или MD-чейнджером совместимого семейства. Линейный вход у таких магнитол расположен на задней панели и активизируется только при наличии в системе чейнджера, ряд моделей имеет дополнительный линейный выход низкочастотного канала (сабвуфера). Протоколы обмена данными с головным устройством и соединители у разных производителей несовместимы, но в некоторых случаях проблему удается обойти с помощью устройства сопряжения. Приобретать такую магнитолу имеет смысл только в том случае, если в дальнейшем предполагается покупка чейнджера той же фирмы. Помимо чейнджера возможно также управление и другими компонентами того же производителя (например, внешним звуковым процессором). Во многих моделях этой группы есть встроенный звуковой процессор, позволяющий компенсировать временные задержки в кроссовере и разность времени распространения сигнала от различных групп излучателей, а также имитировать акустические характеристики определенных помещений. Типичные представители - "Pioneer KEH-P7600R", "Kenwood KRC-758RE", "Clarion ARX7470".

В пятую группу, очень немногочисленную, входят магнитолы без УМЗЧ. Технические характеристики их в целом аналогичны четвертой группе, но функциональная насыщенность еще выше (системы CD-text, меню пользователя при управлении чейнджером и т. д.). Магнитола этой группы уже становится ядром высококачественной аудиосистемы с чейнджером, звуковым процессором, несколькими усилителями. Выпуск их, однако, почти прекращен, поскольку в роли ядра автомобильной аудиосистемы высокого уровня должен выступать цифровой источник сигнала.

С распространением цифровых источников и устройств обработки сигнала появилась возможность устанавливать компоненты в любом удобном месте автомобиля. Такая компоновка позволяет разместить основной источник сигнала - CDчейнджер в багажнике рядом с усилителем и избежать проблем, связанных с длинными сигнальными проводами.

Фирма Alpine выпускает системный контроллер "CRA-1656", в котором осуществляется коммутация источников сигнала и все звуковые регулировки, на приборной доске в этом случае остается только пульт управления системой. Радиоприемник или магнитола в этом случае становятся дополнительным источником сигнала и подключаются к входам высокого уровня.

Но компакт-кассета как звуковой носитель за рубежом уже отмирает, сдавая свои позиции компакт- и мини-дискам. В нашей же стране она сохранит свою популярность еще лет пять-десять. Выпуск автомагнитол постепенно сокращается, а гонка за техническими характеристиками магнитофонной секции прекратилась уже давно. Поэтому появление автомобильной аппаратуры с CD- и MD-проигрывателями- закономерность. Помимо уже упоминавшихся чейнджеров, имеющих достаточно внушительные габариты, появились встраиваемые аппараты в габаритах стандартной магнитолы. Кроме однодисковых моделей, выпускаемых многими производителями, фирма Alpine предложила трехдисковый CD-ресивер с кассетной загрузкой "3DE-7886R", фирма JVC - трехдисковый же "KD-GT5R", а Nakamichi - шестидисковый со щелевой загрузкой "MB-100". Фирма JVC недавно выпустила комбинированный аппарат "KD-MX3000R", который работает и с CD, и с MD (считывающий механизм автоматически распознает тип носителя).

У компакт-диска, при всех его достоинствах, только один недостаток - невозможность самостоятельно составлять фонограммы. Записываемые и перезаписываемые диски, как правило, не воспринимаются автомобильной аппаратурой. Поэтому прекрасная альтернатива и магнитофону, и компакт-диску - минидиск, разработанный фирмой Sony. Качество его звучания незначительно уступает компакт-диску, но зато его габариты значительно меньше, а гарантированное число перезаписей - до миллиона. Автомобильная аппаратура под мини-диск выпускается, помимо Sony, и другими производителями.

Автор: А.Шихатов, г.Москва

Смотрите другие статьи раздела Аудиотехника.

Читайте и пишите полезные комментарии к этой статье.

<< Назад

Последние новости науки и техники, новинки электроники:

Алкоголь может привести к слобоумию 29.11.2025

Проблема влияния алкоголя на стареющий мозг давно вызывает интерес как у врачей, так и у исследователей когнитивного старения. В последние годы стало очевидно, что границы "безопасного" употребления спиртного размываются, и новое крупное исследование, проведенное международной группой ученых, вновь указывает на это. Работы Оксфордского университета, выполненные совместно с исследователями из Йельского и Кембриджского университетов, показывают: даже небольшие дозы алкоголя способны ускорять когнитивный спад. Команда проанализировала данные более чем 500 тысяч участников из британского биобанка и американской Программы миллионов ветеранов. Дополнительно был выполнен метаанализ сорока пяти исследований, в общей сложности включавших сведения о 2,4 миллиона человек. Такой масштаб позволил оценить не только прямую связь между употреблением спиртного и развитием деменции, но и влияние генетической предрасположенности. Один из наиболее тревожных результатов касается людей с повышенным ге ...>>

Искусственный мозговой матрикс 29.11.2025

Биоинженерия стремительно выходит за пределы традиционной работы с клетками и биоматериалами. Ученые пытаются не просто выращивать ткани, но и воссоздавать механизмы, управляющие жизнью клеток в реальном организме. Одним из наиболее амбициозных направлений стала разработка искусственных матриксов, которые могли бы подменить природную среду и дать исследователям возможность изучать работу мозга без участия биологических компонентов. На этом фоне работа специалистов Калифорнийского университета в Риверсайде представляет собой особенно заметный шаг вперед. В центре их исследования - платформа BIPORES, созданная полностью из синтетических веществ. Цель проекта заключалась в попытке смоделировать сложную, многослойную структуру внеклеточного матрикса, который в настоящем мозге обеспечивает питание, связь и организацию нервных клеток. При этом разработчики сознательно отказались от каких-либо белков, традиционно необходимых для прикрепления клеток, таких как ламинин или фибрин. Это решени ...>>

Ранняя Вселенная не была ледяной 28.11.2025

Понимание того, как формировались первые структуры во Вселенной, требует взгляда в эпохи, в которых не существовало ни звезд, ни галактик, ни привычных нам источников света. Научные группы по всему миру пытаются восстановить картину тех времен при помощи слабейших радиосигналов, оставшихся от водорода, который наполнял космос вскоре после Большого взрыва. Новые результаты, полученные на радиотелескопе Murchison Widefield Array в Австралии, неожиданным образом меняют представление об этих ранних этапах. Сразу после Большого взрыва, произошедшего около 13,8 миллиарда лет назад, пространство стремительно расширялось и остывало. Через несколько сотен тысяч лет образовался нейтральный водород, и началась так называемая эпоха тьмы, когда Вселенная была лишена источников излучения. Лишь значительно позже гравитация собрала газ в плотные области, где зародились первые звезды и ранние черные дыры, а их интенсивное излучение привело к реионизации водорода и окончательному появлению света. ...>>

Случайная новость из Архива

Мозга способен запоминать иностранные слова во сне 19.06.2023

Недавние исследования, проведенные учеными Бернского университета, подтвердили интересную возможность мозга: способность запоминать иностранные слова во время сна. Легенда о том, что сон может способствовать более эффективному обучению, получила научное подтверждение, хотя ученые остаются скептически настроенными в отношении этого утверждения. Тем не менее, есть определенные свидетельства того, что мозг способен обрабатывать и сохранять информацию, полученную в определенных фазах сна.

Исследователи сфокусировались на медленно волновом сне, особенно на его первой фазе. В этот момент мозг проходит через короткие периоды активности и спадов, которые длится около 30 секунд. Команда ученых, во главе с Флавио Шмидигом, разработала алгоритм, который позволяет предсказывать точные моменты наступления следующего пика и спада мозговых волн на основе данных электроэнцефалографии. Этот алгоритм использовался для проведения экспериментов на 30 добровольцах, которые спали в лаборатории и были носителями немецкого языка.

Во время эксперимента добровольцам проигрывали короткие двусложные слова. Одно слово звучало в их одно ухо на немецком языке, а "перевод" этого слова, представляющий собой случайный набор слогов, не существующих в реальности, звучал в другое ухо. Такой подход исключал возможное влияние предыдущего знакомства с иностранными языками. Половина добровольцев слушала эти слова во время пиков активности мозга, а другая половина - в периоды спадов. Всего каждое слово проигрывалось четырежды, а выбор слов охватывал три категории: животные, места и инструменты.

Через 12 часов проводилась проверка эффективности этого обучения. Добровольцам снова проигрывали "переведенное" слово и просили отнести его к одной из трех категорий. Ожидаемо, при случайном ответе вероятность правильного выбора составила около 33 процентов, и именно такой результат продемонстрировала группа, которая слушала слова во время пиков активности мозга. Вторая группа, которая слушала слова в периоды спадов, показала незначительно более высокий результат - 37 процентов, что почти не отличается от случайного угадывания. Однако при повторной проверке через 24 часа эта группа продемонстрировала лучшие результаты, достигнув 41 процента правильных ответов.

Статистический анализ подтвердил, что эти результаты не могут быть простым случайным явлением. Исследователи пришли к выводу, что запоминание действительно происходит, когда слова воспроизводятся во время коротких спадов мозговой активности в начальный период глубокого сна. Однако эффект этого запоминания оказался умеренным, и его значение в обучении остается относительно невеликим. Он скорее демонстрирует сам факт способности мозга воспринимать и сохранять новую информацию во время сна, но маловероятно, что это станет значительной помощью в образовательном процессе.

Другие интересные новости:

▪ Новый способ переработки пластика

▪ Обезьяны любят музыку больше, чем кино

▪ Съедобный дрон

▪ Чип TDA15600 для управления ЖК экраном телевизора

▪ Микросхемы TB6865FG и TB6860WBG для беспроводной зарядки

Лента новостей науки и техники, новинок электроники

 

Интересные материалы Бесплатной технической библиотеки:

▪ раздел сайта Устройства защитного отключения. Подборка статей

▪ статья Семенов Николай. Биография ученого

▪ статья Видят ли собаки сны? Подробный ответ

▪ статья Циклантера лопастная. Легенды, выращивание, способы применения

▪ статья Самодельные радиаторы. Энциклопедия радиоэлектроники и электротехники

▪ статья Простой передатчик на диапазон 144 МГц. Энциклопедия радиоэлектроники и электротехники

Оставьте свой комментарий к этой статье:

Имя:


E-mail (не обязательно):


Комментарий:




Комментарии к статье:

Сергей Сергеевич
Помогите пожалуйста разобраца с магнитолой сони хрм510 в место лпм которого у меня в ней нету есть желание вмонтировать в место лпм плату мп з плэера неполучается найти линейный вход в итэрнете много советов связаных с тюнером но для меня это глупо схему эмулятора найти неполучается режим касеты без лпм невключается так как на нем много датчиков и как обойти эту систему у меня нехватает ума будте добры подскажите как мне быть с уважением мастер самоучка


Главная страница | Библиотека | Статьи | Карта сайта | Отзывы о сайте

www.diagram.com.ua

www.diagram.com.ua
2000-2025