Menu Home

Бесплатная техническая библиотека для любителей и профессионалов Бесплатная техническая библиотека


Правда и сказки о высококачественном звуковоспроизведении. Энциклопедия радиоэлектроники и электротехники

Бесплатная техническая библиотека

Энциклопедия радиоэлектроники и электротехники / Аудиотехника

 Комментарии к статье

За последние пять-шесть лет рынок бытовой звуковоспроизводящей аппаратуры в странах СНГ явно насытился различной зарубежной техникой, и сегодня далеко не каждый аудиофил, тем более радиолюбитель, поверит "на слово" рекламе о ее достоинствах, даже если речь идет о классе High End. К сожалению, очень многие, вложив немалую сумму в покупку, например, УМЗЧ той или иной фирмы, обнаруживают, что основное его достоинство - всего лишь красивый дизайн, но отнюдь не качество звука.

Известную роль в дезориентацию покупателей вносят появившиеся в последние годы красочные журналы для аудиофилов. В них почти все материалы рассказывают об особенностях аппаратуры, опираясь на данные, предоставляемые рекламодателями, как правило, в "розовом" цвете. Что ж, реклама, как известно, двигатель торговли, но настоящий любитель звукозаписи, отличающийся критическим складом ума, всегда способен разобраться, что такое "хорошо", что такое "плохо".

Москвич Николай Клименко, один из читателей "Радио", с большим сомнением воспринял рассуждения и голословную критику экспертов журнала "АУДИО МАГАЗИН" (далее "AM") по поводу УМЗЧ высокой верности (далее - УМЗЧ ВВ), описанного в [1]. В частности, он попросил прокомментировать некоторые суждения (в рубрике "Почта" - "AM", 1996, №4, с. 3,4).

Ознакомившись с заметками в "AM", могу отметить, что эксперты В. Зуев и С. Куниловский, на мой взгляд, в схемотехнике разбираются, мягко говоря, не очень хорошо. Так, например, В. Зуев, оценивая схемотехнику УМЗЧ ВВ, пытался доказать, что (цитирую) "микросхема на входе усилителя... наверняка украдет виртуальную глубину стереопанорамы, столь необходимую для создания эффекта присутствия" (имеется в виду быстродействующий ОУ К574УД1 с входным каскадом на полевых транзисторах). Уместно спросить, почему именно этот ОУ " украдет глубину", а десяток ОУ, через которые звуковой сигнал проходит до УМЗЧ в магнитофоне, CD-плейере или любом другом источнике сигнала (даже в "ламповых" CD-плейерах ЦАП выполнен, как должно быть известно и эксперту, на твердотельной ИМС, внутри которой несколько ОУ), будут вести себя "порядочно" и ничего "не украдут"?

Далее эксперт "AM" старается убедить нас в "практически невозможном получении хорошего звучания в любительских условиях", поскольку "для хорошего воспроизведения звука требуются изготовленные по специальной технологии дорогие "хай-файные" проводники, переключатели, сложные способы их соединения (бескислородная пайка, спецприпои)". Он оправдывает "смешную" цену усилителей фирм Audio Note ($120400) мощностью 17 Вт и Kegon ($247000) мощностью 45 Вт, а также, очевидно, соединительных кабелей с некристаллической структурой проводников стоимостью в несколько сотен долларов.

Из курса физики известно, что любой контакт металла с металлом (при наличии хотя бы тончайшей оксидной пленки) можно рассматривать как нелинейный элемент электрической цепи. И эта нелинейность способна ухудшить звучание систем высокой верности. Но мне, например, трудно поверить, что В. Зуев слышал реальную работу УМ3Ч ВВ и тем более сколь-нибудь знаком с его схемой, поскольку именно вопросам устранения нелинейности соединительных проводов, контактов разъемов и реле при разработке этого усилителя было уделено особое внимание. В частности, в усилитель введен специальный каскад, компенсирующий не только нелинейность, но также активную и реактивную составляющие распределенного сопротивления соединительных проводов, а цепь общей ООС выполнена так, что компенсирует нелинейность "холодных" контактов реле коммутации выхода УМЗЧ и разъемов. Другими словами, те отрицательные факторы, о которых упоминает В. Зуев и которые способны ухудшить звучание, в УМЗЧ ВВ устранены наиболее эффективным способом - схемотехнически.

Не могу согласиться и с утверждением, что "любительство в звукотехнике не может сейчас конкурировать с фирменной аппаратурой ... по качеству звука". Если речь идет о дизайне и исполнении корпуса - да, тут любителю трудно тягаться с промышленностью. Но если говорить о качестве звука, то сегодня даже радиолюбителю со средней подготовкой вполне под силу собрать УМЗЧ ценовой категории $300-500, затратив при этом всего $40...50. Но для этого надо быть радиолюбителем и не следовать совету В. Зуева "лучше купить готовый аппарат".

Несколько претенциозен, думается, и отзыв эксперта "AM" о том, что "г-н Сухов с большим опозданием обратил внимание на схемную экзотику некоторых зарубежных фирм, не отличающихся качеством звучания своих изделий (имеются в виду Kenwood и Akai. - Примеч. автора) и... опоздал примерно на 10 лет". Но почему же тогда "AM" обсуждает конструкцию семилетней давности как наиболее популярную и до сих пор не превзойденную по параметрам? Для мира электронной техники это большой срок.

Завершая изложение моего мнения о заметках в "AM", хочу отметить, что сами по себе такие журналы, конечно, полезны. Но многие утверждения отдельных авторов статей могут показаться бесспорными лишь тем читателям, которые, простите, не в состоянии отличить транзистор от резистора. На людей же, разбирающихся в схемотехнике аудиоаппаратуры, некоторые статьи в "AM" производят жалкое впечатление. Убежден, что учить кого-то можно в том случае, когда сам досконально, в мельчайших подробностях, знаешь то, о чем пишешь.

В своем письме в "Радио" Н. Клименко интересовался также "философией", которой я придерживался при разработке УМ3Ч ВВ, и проведением экспертных прослушиваний. Так вот, этот усилитель разрабатывался как оконечное звено стенда для субъективной экспертизы звучания CD-плейеров по заданию одной из испытательных лабораторий. Стояла задача выполнить конструкцию на отечественной элементной базе и обеспечить выходную мощность 100 Вт на нагрузке 8 Ом (студийные мониторы фирмы JBL) при уровне искажений и шумов на 10...20 дБ ниже, чем у CD-плейеров. Повторив на отечественных элементах до десятка вариантов УМЗЧ ведущих западных фирм, убедился, что на комплементарных транзисторах серий КТ818, КТ819 с низкой граничной частотой не удастся получить приемлемого (по ТЗ - не более 0,001%) уровня нелинейных искажений на высшей частоте звукового диапазона. Фазовый сдвиг, создаваемый этими транзисторами уже на звуковых частотах (т. е. на один-два порядка ниже, чем у зарубежных), вынуждал вводить для обеспечения устойчивости более глубокую частотно-фазовую коррекцию, что, в свою очередь, ограничивало глубину ООС на высших частотах и ухудшало линейность.

Проблему удалось решить, полностью отказавшись от включения транзисторов по схеме с ОЭ. Была введена коррекция по опережению, компенсирующая формируемый транзисторами выходного каскада полюс на АЧХ усилителя с разомкнутой ООС. В результате требования заказчика по линейности были выполнены с большим запасом во всем звуковом диапазоне и усилитель был принят в эксплуатацию.

Но затем обнаружилось (я участвовал как "слухач" в большинстве субьективных испытаний), что проигрываемый компакт-диск звучит через мониторы (студийную АС), соединяемые с УМЗЧ разными кабелями, по-разному! Тогда, тщательно исследовав феномен, мы поняли, что те тысячные доли процента искажений, которые давал УМЗЧ, ничто по сравнению с искажениями, создаваемыми соединительными кабелями с разъемами. Замена разъемов на позолоченные, а обычные соединительные провода - на специальные с "некристаллической" структурой ($250 за витую пару длиной 4 м), лишь частично решила проблему - искажения уменьшились в несколько раз, но не исчезли. Тогда, после ряда экспериментов со студийными усилителями Kenwood с системой "Sigma Drive", попробовал ввести в УМЗЧ каскады компенсации полного импеданса проводов и нелинейности "холодных" контактов. Результат превзошел все ожидания - искажения исчезли, причем независимо от качества (и цены!) соединительных проводов и разъемов. Так родилась конструкция, описанная в "Радио" №6, 7 за 1989 г.

Кстати, настоятельно рекомендую всем любителям высококачественного звука установить упомянутую схему компенсации в свои УМЗЧ. Это сделать несложно: потребуются лишь три прецизионных (или точно подобранных) резистора и один ОУ. Его тип особого значения не имеет, это может быть и К140УД6, ИК157УД2.

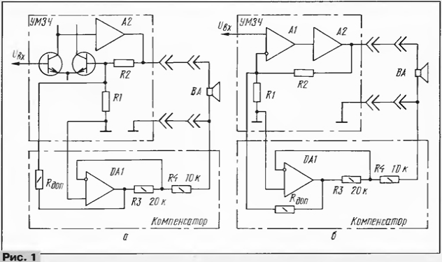
На рис. 1 показаны функциональные схемы типовых УМЗЧ: рис. 1, а - с входным каскадом на дискретных элементах, рис. 1, б - с входным каскадом на ОУ, остальные каскады "упрятаны" в блок А2. Вход цепи компенсации соединяют с общим выводом прямо на клемме громкоговорителя, а выход через резистор Rдоп, сопротивление которого должно быть точно равно сопротивлению резистора R2 в цепи общей ООС УМЗЧ, - с инвертирующим входом входного каскада. Резисторы в компенсаторе следует использовать прецизионные (с погрешностью не более 1%).

Правда и сказки о высококачественном звуковоспроизведении

Принцип работы такого компенсатора - измерение падения напряжения на одном из соединительных проводов, удвоение его и "добавка" к обычному сигналу на выходе УМЗЧ, что эквивалентно устранению проводов между усилителем и громкоговорителями. Такое схемное решение не требует какого-либо налаживания при замене соединительных кабелей или акустических систем. Попробуйте, и вы убедитесь, что эффект превзойдет все ваши ожидания (конечно, если ваш усилитель, источник сигнала и особенно акустические системы достаточно высокого качества).

Отвечая на вопрос о субъективном сравнении звучания УМЗЧ ВВ, хочу отметить, что я признаю только "анонимные" тесты, проводимые по системе так называемой А-В-Х экспертизы, в ходе которой сравниваемые устройства А и В невидимы экспертам и переключаются случайным образом (скажем,"А", затем "В", а последующие переключения "X" не объявляются).

Так вот, в ходе А-В-Х экспертизы сравнения УМЗЧ ВВ был лучше или не хуже имевшихся в распоряжении испытательной лаборатории Kenwood КА-500, Quad 405, Yamaha А-1 стоимостной категории $400 - 1000 и намного лучше "Брига","Одиссея-010" или лампового "Прибоя". Кстати, именно А-В-Х экспертиза позволила воочию убедиться, как многие знатоки High End теряли способность отличить компоненты классов Hi-Fi и High End, как только объект их безграничной, но "слепой" любви исчезал за черную перегородку.

Я, конечно, не обладаю идеальным музыкальным слухом, но, на мой взгляд, многое из того, что "крутится" сейчас вокруг слова "High End", похоже на религиозный диспут ("верю - не верю"), а ажиотаж нагнетается искусственно с единственной целью - стимулировать сбыт.

В связи с этим вспоминается случай с выпуском в свое время фирмой Nakamichi "спецварианта" популярного магнитофона "Nakamichi 1000 ZXL", в котором все детали, вплоть до радиаторов блока питания, были позолочены! Добавило ли это качества звуку - читатели догадаются сами, а вот цена выросла примерно втрое по сравнению со стандартной моделью.

Говоря о современном высококачественном звуковоспроизведении, не могу не поделиться некоторыми наблюдениями, которые также не соответствуют "розовым" оттенкам.

Ламповые усилители. Они, действительно, в большинстве своем звучат приятнее, чем транзисторные. Но "приятнее" не значит точнее. Выходной трансформатор - устройство с гораздо большей (из-за петли гистерезиса и конечной индукции насыщения магнитопровода) нелинейностью, частотными и фазовыми искажениями, чем транзистор в линейном режиме. "Чистые ламповики", понимающие проблему, создали бестрансформаторные УМЗЧ на 6C3ЗС, но это - исключение из правила. Именно из-за больших фазовых искажений ламповый УМЗЧ затруднительно охватить глубокой ООС, что и проявляется в конечном итоге в относительно большом выходном сопротивлении (единицы ома, у транзисторных - обычно сотые доли ома), а также сравнительно плавном ограничении при перегрузке (на рис. 2 кривые 1 и 2 изображают типовые амплитудные характеристики соответственно лампового и транзисторного усилителей).

Правда и сказки о высококачественном звуковоспроизведении

Попробуйте искусственно увеличить выходное сопротивление любого "среднего" транзисторного УМЗЧ до 2...4 Ом (для этого достаточно последовательно с акустической системой включить 10- 20-ваттный резистор с таким сопротивлением) и не превышайте четверти его номинальной мощности, чтобы кратковременные пики сигнала не обрезались. Вы убедитесь, что звук в 95% случаев приобретет "ламповую мягкость". Причина кроется в том, что многие (но не все!) громкоговорители обеспечивают минимум интермодуляционных искажений (по звуковому давлению) не при близком к нулю выходном сопротивлении УМЗЧ, а при его величине не менее 3...5 Ом *. Однако такое сопротивление нарушает линейность АЧХ и ФЧХ пассивных разделительных фильтров акустических систем, которые обычно проектируются в расчете на нулевое значение выходного сопротивления УМЗЧ.

Но ведь это проблемы не усилителей, а акустических систем! Именно акустики должны позаботиться при разработке систем не только о линейности АЧХ и ФЧХ по звуковому давлению на синусоидальном сигнале, но и о минимизации акустических интермодуляционных искажений при Rвых = 0 или, что хуже, нормировать Rвых, скажем, величиной 3 Ома и рассчитывать разделительные фильтры на такое сопротивление источника.

Еще одно распространенное заблуждение аудиофилов: якобы компакт-диски (КД) обеспечивают больший динамический диапазон, чем аналоговая компакт-кассета (КК). При этом в качестве основного аргумента приводится формула для расчета шумов квантования: Nкв=6N+1,8 [дБ], где N - разрядность квантования по уровню.

Для КД принято N=16, следовательно, теоретический уровень шумов квантования NKBKд =6X16+1,8=97,8 дБ. С чьейто легкой руки зто значение и принимают за динамический диапазон КД. Учитывая, что у лучших КК отношение сигнал/шум составляет (без систем шумопонижения) порядка 55 дБ, делают вывод о выигрыше КД более чем 40 дБ.

Но нельзя забывать, что принципы аналоговой КК и цифрового КД в корне отличаются, поэтому применять для оценки динамического диапазона КД методы измерения КК некорректно. В КК динамический диапазон снизу действительно определяется уровнем шумов, но это не значит, что так же обстоит дело и у КД! Взглянув на рис. 3, на котором изображены типовые зависимости коэффициента нелинейных искажений Кни КК и КД в функции уровня сигнала, можно легко заметить, что в аналоговой записи с уменьшением уровня Кни монотонно убывает, в то время как у цифровой записи возрастает, стремясь к 40% (поскольку увеличивается относительный размер ступеньки квантования).

Правда и сказки о высококачественном звуковоспроизведении

Если у аналоговой записи в спектре искажений преобладают не очень режущие слух третья и пятая гармоники, то у цифровой дело обстоит гораздо хуже - множество комбинационных составляющих не образуют привычного для слуха гармонического ряда, и их действие становится заметно уже при уровнях около 1%. Легко убедиться, что при уровнях сигнала порядка -50 дБ и ниже искажения сигналов КД переходят порог допустимых 1%. Снизу его динамический диапазон оказывается ограничен не шумами квантования, а нелинейными искажениями. И из теоретических 97,8 дБ остается только 50.

Но это еще не все! При перегрузке КК нелинейные искажения пропорциональны квадрату уровня записи (при увеличении уровня в два раза коэффициент гармоник возрастает всего в четыре раза), поэтому их кратковременное появление на пиках сигнала незаметно на слух. У КД при превышении номинального входного уровня аналого-цифрового преобразователя (АЦП) всего на 2...3 дБ нелинейные искажения возрастают в тысячи раз, поэтому в реальной аппаратуре цифровой записи за номинальный принимают уровень на 12...15 дБ (т. е. на пик-фактор реального музыкального сигнала) меньше предельного входного для АЦП. В результате из исходных 97,8 дБ остается всего 35...37 дБ реальных, что на 20 дБ меньше, чем у КК.

Вот почему, несмотря на субъективное отсутствие "шипа", многие фонограммы, воспроизводимые с КД, приводят к быстрой утомляемости и имеют заметно худшую "глубину стереопанорамы", чем та же фонограмма, воспроизводимая с аналоговой виниловой грампластинки или качественной КК. Кстати, современные грампластинки, выполненные по технологии Direct Metal Mastering, обеспечивают динамический диапазон 60...65 дБ и высоко ценятся аудиофилами.

Нельзя не упомянуть и еще о двух "наездах" на КК - со стороны фирм-разработчиков цифровой компакт-кассеты DCC и мини-диска MD. С момента появления DCC (1989 г.) и MD (1993 г.) фирма Philips - разработчик DCC - пыталась убедить аудиофилов, что именно DCC через 1-2 года полностью вытеснит КК. С аналогичным заявлением, но уже в отношении MD, выступала и Sony - разработчик MD. Но... время шло, а КК до сих пор является основным бытовым носителем аудиопрограмм с возможностью записи. Более того, если вначале формат DCC был поддержан мировым гигантом Matsushita и рядом других известных фирм, то сегодня DCC производит только Philips, да и то всего несколько моделей (на фоне десятков моделей КК).

Фирма Sony, также удрученная субъективной оценкой качества звучания, проведенной немецким журналом "Audio", в результате которой MD расположился на последнем месте с 45 баллами из 100 после разделивших 1-2-е места проигрывателя компакт-дисков (85 баллов) и кассетного магнитофона (85 баллов) и занявших 3-4-е места проигрывателя виниловых грампластинок (80 баллов) и DCC-магнитофона (80 баллов), начала лихорадочно совершенствовать систему сжатия цифровых аудиоданных, в результате чего за 4 года было рождено четыре(!) версии алгоритма сжатия ATRAC 1 - ATRAC 4, причем предыдущие не совместимы со всеми последующими (т. е. "старые" MD-плейеры не способны воспроизводить "новые" записи)...

Тут самое время вспомнить, что в DCC и MD применено, как и в КД, 16-разрядное квантование по уровню, но для снижения потока записываемых на носитель данных использовано цифровое сжатие по алгоритмам соответственно PASC (Precision Adaptive Subband Coding) и ATRAC (Adaptive TRansform Acoustic Coding), уменьшающих поток цифровых данных с 2 Мбит/с до 384 кбит/с и 300 кбит/с, т. е. и DCC, и MD принципиально менее точно воспроизводят звук, чем КД.

Прогноз - дело неблагодарное, но справедливости ради давайте вспомним судьбу еще одного (теоретически превосходящего по качеству КД) формата R-DAT, которому в момент его появления в 1987 г. также прочили место наследника КК. Показателен в этом смысле довольно точный прогноз автора этих строк, опубликованный в [2]. В то время, как практически вся зарубежная и отечественная пресса писала о том, что к 1991 г. R-DAT полностью заменит КК, это была, пожалуй, единственная публикация, в которой R-DAT отводилось скромное место разве что в полупрофессиональных студиях звукозаписи.

В заключение, пользуясь случаем, выражаю глубокую признательность всем корреспондентам и почитателям, чья моральная, информационная и материальная поддержка сделали возможной разработку многих моих конструкций.

Примечание

*"Должен ли УМЗЧ иметь низкое выходное сопротивление?" в "Радио", 1997, №4, с. 14-16.

Литература

  1. Сухов Н. УМЗЧ высокой верности. - Радио, 1989, № 6, с. 55-57; № 7, с. 57-61.
  2. Сухов Н. Что такое R-DAT Радиоежегодник. - М.: ДОСААФ, 1989, с. 165-176.

Автор: Н.Сухов, г.Киев, Украина

Смотрите другие статьи раздела Аудиотехника.

Читайте и пишите полезные комментарии к этой статье.

<< Назад

Последние новости науки и техники, новинки электроники:

Токсичность интернета преувеличена 07.01.2026

Социальные сети нередко воспринимаются как арена постоянной агрессии, оскорблений и распространения фейковой информации. Новое исследование Стэнфордского университета показывает, что реальность значительно отличается от популярного представления: интернет гораздо менее токсичен, чем многие пользователи считают. Ученые опросили более тысячи американцев, попросив их оценить долю пользователей соцсетей, которые ведут себя агрессивно или распространяют ненависть. Оказалось, что впечатления людей сильно преувеличивают масштабы проблемы. Например, респонденты считали, что почти половина пользователей Reddit хотя бы раз оставляла оскорбительные комментарии, тогда как фактические данные платформы показывают, что таких людей не более 3%. Аналогичная ситуация наблюдается с дезинформацией. Опрос показал, что большинство участников считали почти половину аудитории Facebook распространителями фейковых новостей, однако статистика говорит об обратном: фактическая доля таких пользователей состав ...>>

Процессоры Ryzen AI 400 07.01.2026

Современные вычисления все больше ориентируются на интеграцию искусственного интеллекта и высокую производительность в компактных устройствах, таких как ноутбуки и мини-ПК. Новая линейка процессоров AMD Ryzen AI 400 демонстрирует, как разработчики объединяют мощные центральные ядра, графику и нейросетевые ускорители в одном чипе, чтобы удовлетворять растущие потребности пользователей в играх, контенте и ИИ-приложениях. AMD представила процессоры серии Gorgon Point, которые включают до 12 ядер Zen 5 и до 24 потоков вычислений. Чипы поддерживают интегрированную графику RDNA 3.5, обеспечивают максимальную тактовую частоту до 5,2 ГГц и имеют энергопотребление от 15 Вт до 54 Вт. Особое внимание уделено NPU, способному обрабатывать до 60 триллионов операций в секунду (TOPS), что делает эти процессоры эффективными для задач с искусственным интеллектом. Конструкция Ryzen AI 400 сочетает ядра Zen 5 и Zen 5c, обеспечивая высокую гибкость и производительность. Несмотря на то, что архитектур ...>>

Женщины лучше распознают признаки болезни по лицу 06.01.2026

Способность распознавать, что кто-то нездоров, часто проявляется интуитивно: бледная кожа, опущенные веки, уставшее выражение лица могут сигнализировать о недомогании. Новое исследование международной группы ученых показало, что женщины в среднем точнее мужчин улавливают такие тонкие невербальные признаки болезни, что может иметь эволюционные и социальные объяснения. В отличие от предыдущих работ, где использовались отредактированные фотографии или имитация больных лиц, ученые решили проверить, насколько люди способны распознавать естественные признаки недомогания. Такой подход позволил оценить реальную чувствительность к изменениям в лицах, возникающим при болезни. В исследовании приняли участие 280 студентов, поровну мужчин и женщин. Участникам предложили оценить 24 фотографии, на которых изображены люди как в здоровом состоянии, так и во время болезни. Это дало возможность сравнить восприятие естественных признаков недомогания в реальных лицах. Для анализа состояния каждого ...>>

Случайная новость из Архива

Музыка, кофе и запахи улучшают работу мозга 20.12.2024

Мы постоянно сталкиваемся с различными сенсорными стимулами: слушаем любимую музыку, наслаждаемся чашкой кофе или чувствуем приятные ароматы. Ученые Нью-Йоркского университета обнаружили, что эти повседневные удовольствия оказывают заметное положительное влияние на мозг, улучшая такие когнитивные функции, как концентрация и память.

В рамках исследования испытуемым предложили пройти тесты на когнитивные способности в различных условиях: под музыку, с чашкой кофе или с вдыханием ароматов, выбранных в соответствии с их предпочтениями. Для объективной оценки активности мозга участники носили браслеты для мониторинга кожи и специальные датчики, фиксирующие изменения мозговой активности. Используя алгоритм Mindwatch, ученые анализировали электродермальную активность кожи и мозговые волны, чтобы выяснить, как повседневные стимулы влияют на производительность.

Результаты показали, что музыка и кофе оказывают особенно сильное воздействие на мозг, вызывая рост активности бета-волн. Эти волны связаны с состоянием концентрации и активного мышления, что способствует улучшению рабочих показателей при выполнении сложных задач.

Музыка оказалась наиболее эффективным стимулом. Ученые протестировали три ее типа: энергичную и расслабляющую, уже знакомую испытуемым, а также музыку, созданную искусственным интеллектом на основе индивидуальных предпочтений. Знакомая энергичная музыка продемонстрировала значительный прирост производительности, улучшая скорость реакции и точность ответов. Однако наибольший эффект вызвала музыка, сгенерированная ИИ. Она оказалась способной еще лучше подстраиваться под вкусы испытуемых, что делало ее наиболее эффективным инструментом для повышения когнитивных способностей.

Кофе, как мощный стимулятор, также показал положительное влияние, хотя его эффект был менее выраженным, чем у музыки. Тем не менее, потребление кофеина улучшило общее состояние бодрости и сосредоточенности у участников эксперимента.

Что касается ароматов, то их влияние оказалось наименее сильным из трех факторов. Однако исследователи отмечают, что ароматы все же способны оказывать положительное воздействие, особенно в сочетании с другими стимулами, такими как музыка или кофе.

Результаты исследования показывают, что повседневные удовольствия не только делают нашу жизнь приятнее, но и могут использоваться как эффективные инструменты для повышения умственной активности. Ученые подчеркивают, что такие простые стимулы, как музыка, кофе или ароматы, могут помочь не только в работе и учебе, но и в поддержании когнитивного здоровья в долгосрочной перспективе.

В будущем исследователи планируют более детально изучить влияние различных типов музыки, генерируемой искусственным интеллектом, а также других сенсорных стимулов, чтобы лучше понять механизмы их действия и потенциал использования в повседневной жизни.

Другие интересные новости:

▪ Солнечный дымоход

▪ Глаза моли помогут рентгенологии

▪ Новая версию DC/DC-преобразователя LT1936

▪ Электромобиль как резервный источник питания в доме

▪ ДНК в липосомных шариках

Лента новостей науки и техники, новинок электроники

 

Интересные материалы Бесплатной технической библиотеки:

▪ раздел сайта Загадки для взрослых и детей. Подборка статей

▪ статья Гиппократ. Биография ученого

▪ статья Какой фактор оказался решающим в выборе Нагасаки для ядерного удара американских войск? Подробный ответ

▪ статья Домашняя метеостанция. Детская научная лаборатория

▪ статья Эластичный каучуковый лак. Простые рецепты и советы

▪ статья Необыкновенные спички. Секрет фокуса

Оставьте свой комментарий к этой статье:

Имя:


E-mail (не обязательно):


Комментарий:





Главная страница | Библиотека | Статьи | Карта сайта | Отзывы о сайте

www.diagram.com.ua

www.diagram.com.ua
2000-2026