Menu Home

Бесплатная техническая библиотека для любителей и профессионалов Бесплатная техническая библиотека


Устранение эффекта транзисторного звучания мощных УМЗЧ. Энциклопедия радиоэлектроники и электротехники

Бесплатная техническая библиотека

Энциклопедия радиоэлектроники и электротехники / Усилители мощности транзисторные

 Комментарии к статье

Заядлые меломаны, музыканты и звукорежиссеры давно заметили, что существует разница в звучании мощных ламповых и транзисторных усилителей ЗЧ. В отношении измеренных значений своих параметров транзисторные усилители не уступают, а иногда и превосходят ламповые. Но при прослушивании транзисторных УЗЧ нередко появляется так называемое "транзисторное звучание". Оно проявляется в искажении естественного тембра музыкальных инструментов и может быть лаконично охарактеризовано как потеря естественной "легкости" звучания, недостаточная "прозрачность" звука, а также специфическое воспроизведение ВЧ-составляющих сигнала, выражающееся в ощущении их "трудного" прохождения через звуковоспроизводящий тракт.

Проведенные исследования показали, что данный эффект у разных усилителей одного и того же класса проявляется совсем не одинаково. Исследователи классифицировали усилители, упорядочив их в порядке ухудшения звучания и усиления "транзисторного звука". В результате, российские специалисты констатировали: появление "транзисторного звука" связано с коэффициентом нелинейных искажений, с оговоркой, что все остальные параметры усилителей одинаковы. Этот вывод подтверждается результатами, полученными рядом западных исследователей [1-3], показывающими сильное влияние нелинейности амплитудной характеристики, оцененной по коэффициенту нелинейных искажений сигнала. Следует отметить, что на качество звуковоспроизведения негативно влияют не только нелинейные искажения. В значительно большей степени это связано с комбинационными составляющими спектра сигнала, возникающими в силу нелинейности амплитудной характеристики при одновременном усилении сигналов с различным частотным спектром [4].

При исследованиях комбинационных составляющих использовались рекомендации МЕК для измерения так называемых "TIM-искажений" (Transient Inlermodulation Distortion). На вход усилителей подавались сигналы с частотами 3,18 кГц и 15 кГц с одинаковой амплитудой, обеспечивающей выходную мощность с уровнем меньше номинального на 3 дБ.

Результаты испытаний подтвердили теоретические предположения о том, что выходной сигнал у транзисторных усилителей более богат гармониками (наблюдается наличие примерно 11 гармоник), нежели у ламповых (спектр насчитывает до 5 гармоник), что оказывает влияние на субъективное восприятие звуковой картины. Кроме того, оказалось, что спектр комбинационных частот транзисторных усилителей "плотнее", нежели у ламповых. Эти особенности в спектре гармоник и комбинационные составляющие являются, по мнению авторов, одними из основных причин появления "транзисторного звучания".

Из вышесказанного следует очевидный вывод о том. что нормы для коэффициента нелинейных искажений (Кни) ламповых усилителей неприменимы для транзисторных УМЗЧ. Для них допустимые Кни должны быть значительно меньше. То же самое справедливо и для коэффициента интермодуляционных искажений. Предвидя трудности целенаправленного воздействия на ширину спектра гармонических составляющих полезного сигнала, единственный метод борьбы с "транзисторным звучанием" состоит в уменьшении Кни до значения, при котором влияние комбинационных частот сигнала субъективно не ощущается. Для этого необходима методика оценки нелинейных искажений, позволяющая однозначно определить порог, ниже которого "транзисторное звучание" не проявляется.

Метод оценки качества усилителей с помощью TIM-искажений существенно не отличается от хорошо известного спектрального метода, но неприменим на практике, поскольку требуется новая специализированная измерительная аппаратура. Как показывают исследования, приведенные в [6], односигнальный метод вполне применим для оценки Кни в любой звукотехнической системе с равномерной АЧХ, что легко достигается в высококачественных усилителях Hi-Fi. Приведенные ниже результаты получены в результате экспериментов, проведенных по односигнальному методу.

В силу присущей транзисторам нелинейности построение усилителей без введения специального устройства для уменьшения нелинейных искажений невозможно. Наиболее эффективно снижает Кни введение отрицательной обратной связи (ООС). Во избежание ряда неприятностей, с которыми сталкивается каждый конструктор при разработке выходного каскада с ООС [6, 7]. необходимо соблюдать следующие правила:

  • уменьшать количество каскадов, охватываемых общей ООС;
  • использовать компенсирующие цепи для удаления четных гармоник в некоторых каскадах;
  • вводить местные ООС.

Лучше всего удовлетворяет указанным требованиям УМЗЧ, разработанный и построенный Линчем Маршалом [8]. Этот усилитель сравним с ламповыми усилителями. Соответствующие результаты отражены в таблице.

Устранение эффекта транзисторного звучания мощных УМЗЧ

При испытаниях усилители включались по схеме, приведенной на рис.1. Здесь U1 - студийный магнитофон. Z1 - многополосный эквалайзер. А1 и А2 - усилители, качество звучания которых сравнивается.

Устранение эффекта транзисторного звучания мощных УМЗЧ

Чтобы не нарушать чистоту эксперимента, в громкоговорителях отсутствовали частотные фильтры, вносящие фазовые искажения. Акустические системы (собственной конструкции) имели громкоговорители ф.Gudmans, характеризующиеся малыми нелинейными искажениями в диапазоне частот 0,03...16.5 кГц. В качестве источника сигнала использовалась программа, записанная на студийной аппаратуре на ленту А4615-6Р со скоростью 38,1 см/с с высококачественной граммофонной пластинки, воспроизводимой проигрывателем "Otophon", встроенным в граммофонное шасси "XL-1550" устройства "Pioneer". Во избежание перегрузки на входах усилителей задавались такие уровни сигналов, чтобы даже при пиковой выходной мощности она оставалась на 3 дБ ниже максимальной.

При прослушивании ощущалось превосходство усилителя №1 над усилителями №2 и №3 в отношении "чистоты" и "прозрачности" звуковой картины при передаче высших составляющих звукового спектра. Кроме того, для получения примерно одинакового сбалансированного (по тембру) звучания, характеристика эквалайзера усилителя №1 была равномерна, тогда как при работе с усилителем №2 требовался подъем + 10 дБ в частотном интервале от 1 до 16 кГц. Усилитель №3 уступал по качеству звуковоспроизведения всем остальным.

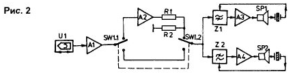
Для ламповых усилителей с №4 и №5 не выработалось единой точки зрения, однако было установлено, что они не имеют никаких преимуществ перед усилителем №1. В этой связи были проведены дополнительные испытания усилителя №1 при включении его в двухполосный ламповый звуковоспроизводящий комплекс с электромеханической обратной связью (ЭМОС) и с полосой пропускания (по звуковому давлению) 0,016...25 кГц. Блок-схема установки приведена на рис. 2.

Устранение эффекта транзисторного звучания мощных УМЗЧ

В качестве испытательной нагрузки усилителя №1 (А2 на рис.2) служил резисторный делитель R1-R2, подобранный так, чтобы получить коэффициент передачи, равный 1. Проверка показала, что включение усилителя №1 в аудиокомплекс не приводит к появлению никаких "транзисторных тонов" при воспроизведении разнообразных музыкальных программ. Было установлено, что характеристики УМЗЧ №1 почти совпадают с характеристиками УМЗЧ №2, но имеют существенно более низкий Кни- не превышающий 0.04% в полосе 0,02...20 кГц. Это значение Кни. очевидно, является искомой границей, при которой исчезает "транзисторное звучание*. Взяв за основу изложенные принципы конструирования высококачественной аппаратуры ЗЧ, а также относительно дешевую элементную базу, авторы разработали усилитель мощности, схема которого приведена на рис. 3.

Устранение эффекта транзисторного звучания мощных УМЗЧ
(нажмите для увеличения)

Предварительный усилитель состоит из эмиттерного повторителя на транзисторе VT1 и симметричного двухтактного каскада на VT2, VT3, охваченных местной ООС за счет эмиттерных резисторов R11 и R12 и общей ООС, заведенной с коллекторов VT2, VT3 через делитель R1-R2-RP3 на базу VT1. Сигнал ООС складывается там с входным сигналом. Резисторы R2 и RP3 одновременно служат делителем входного сигнала. Коэффициент усиления предварительного усилителя без ООС - порядка 100, Кни при максимальном входном сигнале - около 0,15%. Введение ООС снижает коэффициент усиления примерно до 5.5, а Кни - до 0.01%. Симметрирование каскада осуществляется резистором RP8.

Каскад "раскачки" собран на транзисторах VT4, VT5 и VT6 по схеме, аналогичной предусипителю. Коэффициент усиления этого каскада без ООС - около 100, а Кни=0,1 ...0,15%. Это достигнуто благодаря использованию транзисторов BD140/BD139 (без какого-либо подбора транзисторов по параметрам). Эмиттерный повторитель VT4 служит для повышения эффективности параллельной ООС, введенной с выхода усилителя посредством делителя R14-R15-R20. Граничная частота каскада определяется емкостями коллекторных переходов VT5, VT6 и величиной С13. Для указанной на схеме емкости С13 граничная частота составляет примерно 35 кГц. Цепочка R16-C8 корректирует АЧХ.

Выходной каскад по схеме аналогичен усилителю "Бриг 001-стерео". Чтобы избежать увеличения Кни и появления "транзисторного звучания", используются местные ООС, реализованные на резисторных делителях R38-R39 и R40-R41-R42-RP44 с малыми сопротивлениями. Как и в предыдущем каскаде, подбор транзисторов не проводился. С помощью RP44 минимизируется Кни выходного сигнала. Без ООС Кни во всей полосе звуковых час-тот составляет 0.5...0,7%, коэффициент усиления - 2.7.

Ток покоя выходных транзисторов устанавливается около 100 мА с помощью RP30. а установка "0" на выходе производится резистором RP24.

С общей отрицательной обратной связью, охватывающей "раскачивающий" и выходной каскады. Кни при максимальной выходной мощности во всем частотном диапазоне составляет 0,02% (измерялся компенсационным методом). При исключении фильтра НЧ, образованного цепочкой R14-C6, в режиме "малого сигнала" (на вход подавался сигнал с уровнем, составляющим 0,1 от номинального) верхняя граничная частота усилителя составила 1.8 МГц!

Для предотвращения самовозбуждения усилителя на выходе установлен компенсатор Бушеро - R54-L1. Катушка L1 (индуктивность - около 0,3 мкГн) намотана на R54 (по всей длине) проводом 0.8 (1,0) мм.

В усилителе возможны следующие замены элементов: VT1, VT3, VT4, VT7, VT8 - ВС546В, 2Т3167В(С), ВС107. КТ315В(Г); VT2, VT9 - ВС556В, ВС177В(С), 2Т3307В(С), KT361B(Г);VT5 - 2T9140C,КT814B; VT6 - 2Т9139С. КТ815В: VT10 -2Т7638В. КТ626В; VT11 -2Т7637В, КТ807Б; VT12, VT13 - KD3442. 2N3442, 2N6259A, KD502. Транзистор VT7 промазывается теплопроводящей пастой и закрепляется на радиаторе возле VT12 или VT13 (вверху радиатора). В заключение можно сказать, что:

  • "транзисторное звучание" вызвано несовершенством стандартной схемотехники УМЗЧ и самой структурой полупроводников;
  • "транзисторное звучание" исчезает при снижении Кни до 0,03...0.04% в рабочей полосе частот;
  • при современной элементной базе низкий Кни достигается при достаточно глубокой общей ООС.

Литература

  1. Otata M. Transientlntermodulation Distortion in Comercial Audio Amplifiers. - Jorurnat of the Audio Engineering Society, 1974, May.
  2. Marsha Leach W. Transient IM Distortion in Power Amplifiers. - Audio, 1975, February.
  3. Baxandoll P.J.Audio Power Amplifier Design. - Wireless World, 1978, January.
  4. Вольф В.М. Об интенсивности гармонических и комбинационных составляющих при нелинейных искажениях колебаний сложной формы. - Акустический журнал, 1955, т.1. вып.4.
  5. Раковский В.В. Измерения в аппаратуре записи звука кинофильмов. - М.: Искусство, 1962.
  6. Зуев. П. О динамических искажениях в транзисторных усилителях НЧ. - Радио, 1978, №8. С.ЗЗ.
  7. Майоров А. Динамические искажения в транзисторных усилителях низкой частоты.- Радио, 1976, №4, С41.
  8. Marshall Leach W. BuiW a low TIM Amplifiers. - Audio, 1976, February.
  9. Тюлиев Н. Усилитель 40 W. - Млад конструктор, 1983, №4, С.З.

Авторы: Д.Костов, В.Тодоров

Смотрите другие статьи раздела Усилители мощности транзисторные.

Читайте и пишите полезные комментарии к этой статье.

<< Назад

Последние новости науки и техники, новинки электроники:

Власть является ключевым фактором счастья в отношениях 11.03.2026

Исследования семейных и романтических отношений показывают, что длительное счастье пары зависит не только от привычных факторов, таких как доверие, уважение и преданность, но и от более тонких психологических аспектов. Современные ученые ищут закономерности, которые отличают действительно счастливые пары от остальных, чтобы понять, какие механизмы поддерживают гармонию в отношениях. Группа исследователей из Университета Мартина Лютера в Галле-Виттенберге и Бамбергского университета провела опрос среди 181 пары, которые состояли в совместных отношениях более восьми лет и прожили вместе хотя бы месяц. Участники заполняли анкету, описывая различные аспекты своих отношений, включая распределение обязанностей, эмоциональную поддержку и степень вовлеченности в совместные решения. Анализ данных показал интересный паттерн: пары, где оба партнера ощущали высокий уровень личной власти, оказывались наиболее счастливыми и удовлетворенными. В данном контексте под властью понимается способност ...>>

Защищенная колонка-повербанк Anker Soundcore Boom Go 3i 11.03.2026

Компания Anker представила новую модель линейки Soundcore - колонку Soundcore Boom Go 3i, ориентированную на активное использование на улице. Новинка отличается высокой степенью защиты: корпус соответствует стандарту IP68, что обеспечивает водо- и пыленепроницаемость, а ударопрочный дизайн выдерживает падение с высоты до одного метра. За качество звука отвечает 15-ваттный драйвер, обеспечивающий пик громкости до 92 дБ, а технология BassUp 2.0 усиливает низкие частоты, делая звучание более насыщенным. Колонка обладает автономностью до 24 часов, а LED-индикатор позволяет контролировать уровень заряда батареи. Кроме того, Soundcore Boom Go 3i может выполнять функцию павербанка: согласно внутренним тестам, устройство способно зарядить iPhone 17 с нуля до 40% за один час, что делает его полезным аксессуаром в походах и поездках. Среди функциональных особенностей модели стоит выделить технологию Auracast, которая улучшает подключение и позволяет создавать стереопару из двух колонок ...>>

Раннее воздержание от алкоголя перестраивает мозг и иммунитет 10.03.2026

Алкогольная зависимость - хроническое расстройство с компульсивным употреблением спиртного, которое влияет не только на поведение, но и на функционирование мозга и иммунной системы. Недавние исследования показали, что даже на ранних этапах воздержания организм начинает перестраиваться, открывая новые возможности для терапии зависимости. Ученые сосредоточились на пациентах, находящихся в первые недели абстиненции, и зафиксировали значительные изменения в мозговой активности. С помощью функциональной магнитно-резонансной томографии они выявили перестройку сетей нейронных связей, отвечающих за контроль импульсов и принятие решений. Эти изменения могут быть ключевыми для восстановления самоконтроля и снижения риска рецидива. Одновременно с нейронной перестройкой исследователи наблюдали колебания иммунной системы. В крови повышался уровень цитокинов - сигнальных белков, регулирующих воспалительные процессы. Эти данные свидетельствуют о существовании нейроиммунного взаимодействия, при ...>>

Случайная новость из Архива

Проблема принятия решения 08.09.2015

Ученые из Цюрихского университета выяснили, какие процессы в мозге осложняют нам принятие решений. Оказалось дело в интенсивности потока информации.

Все мы иногда сталкиваемся с нерешительностью, не можем выбрать, что съесть, куда сходить или что посмотреть. Ученые из Цюрихского университета выяснили, что наша решительность и желание придерживаться принятого решения зависят от интенсивности коммуникации между двумя зонами в мозге, которые представляют наши предпочтения или участвуют в пространственной ориентации и планировании действий.

С помощью транскраниальной магнитной стимуляции, полностью неинвазивного метода воздействия на мозг, исследователи усиливали или снижали интенсивность информационного потока между префронтальной корой головного мозга и теменной корой сразу за ушами. Группа подопытных, которая ничего не знала о стимуляции, должна была принять решение, какая еда им нравится, основываясь или на своих предпочтениях, или на исключительно сенсорной информации.

Выяснилось, что при снижении потока информации люди испытывали затруднения при решении того, что им нравится больше. Когда же решение принималось исключительно на основе внешнего вида или запаха еды, интенсивность потока на решение не влияло. Как объясняет доктор Кристиан Рафф, глава исследования, "связь между двумя отделами мозга важна только в том случае, когда мы решаем, что нам нравится. Когда же решение основано на объективных фактах, большой роли она не играет".

Никакой гендерной разницы в результатах эксперимента замечено не было, Интенсификация потока информации не сказалась на более активном принятии решений, хотя по словам исследователей в эксперименте принимали участие только молодые и здоровые люди, и то, какое действие подобная процедура окажет на людей с ослабленной мозговой активностью, еще предстоит выяснить. Результат исследования уже рассматривают с терапевтической точки зрения, для коррекции нерешительности или наоборот импульсивности, являющимися следствиями болезней мозга.

Другие интересные новости:

▪ IT-писсуар

▪ AMD Radeon R9 290

▪ У аутистов полушария мозга работают симметрично

▪ Модули питания типа SPM

▪ Новый автомобильный датчик угла поворота

Лента новостей науки и техники, новинок электроники

 

Интересные материалы Бесплатной технической библиотеки:

▪ раздел сайта Компьютерные устройства. Подборка статей

▪ статья Военная служба по призыву и ее особенности. Основы безопасной жизнедеятельности

▪ статья Чье лицо называют самым целуемым лицом в истории? Подробный ответ

▪ статья Десятитысячные доли градуса из бутылки. Детская научная лаборатория

▪ статья Январь-4. Корпус дроссельной заслонки. Энциклопедия радиоэлектроники и электротехники

▪ статья Испытание инвертного сахара цветными реакциями. Химический опыт

Оставьте свой комментарий к этой статье:

Имя:


E-mail (не обязательно):


Комментарий:





Главная страница | Библиотека | Статьи | Карта сайта | Отзывы о сайте

www.diagram.com.ua

www.diagram.com.ua
2000-2026