Menu Home

Бесплатная техническая библиотека для любителей и профессионалов Бесплатная техническая библиотека


УМЗЧ в режиме класса В с комбинированной ООС. Энциклопедия радиоэлектроники и электротехники

Бесплатная техническая библиотека

Энциклопедия радиоэлектроники и электротехники / Аудиотехника

 Комментарии к статье

В этом усилителе выходной каскад работает в экономичном режиме с нулевым значением тока покоя. Применение высокочастотных транзисторов и неглубокой комбинированной ООС обеспечивает небольшой уровень нелинейных искажений и широкую полосу звуковых частот.

Предложенный усилитель при высоком качестве звучания относительно прост. По сравнению с прототипом, описанным в [1], он имеет большую выходную мощность благодаря применению выходного каскада с усилением по напряжению. Этот каскад наиболее полно использует напряжение источника питания на большой выходной мощности при малых искажениях.

Один из таких усилителей успешно работает в ВИА на нагрузку в виде двух параллельно включенных громкоговорителей с сопротивлением 6 и 8 Ом с их суммарной мощностью 200 Вт.

УМЗЧ рассчитан на работу с предварительным усилителем. Источником сигнала может быть мини-центр, компьютер, магнитола. Если эти устройства не обеспечивают необходимого выходного напряжения, то необходимо в УМЗЧ добавить дополнительный каскад усиления с регулятором громкости.

Основные технические характеристики

  • Номинальное входное напряжение, В......2,5
  • Номинальная выходная мощность, Вт, при kr = 0,1 % на частоте 1 кГц для нагрузки 4 Ом.....150
  • для нагрузки 8 Ом.....80
  • Максимальная кратковременная мощность, Вт.....220
  • Коэффициент гармоник кг, %, не более, при выход ной мощности 1.....220 Вт
  • на частоте 1 кГц......0,2
  • на частоте 20 кГц.....0,7
  • Диапазон рабочих частот, Гц, при неравномерности -0,5 дБ......10...200000

Усилитель мало критичен к сопротивлению нагрузки, но оно должно быть не менее 3 Ом.

Измерения параметров проводились автоматическим измерителем искажений С6-11 и низкочастотным прецизионным генератором сигналов ГЗ-122.

УМЗЧ состоит из предоконечного усилителя напряжения и оконечного усилителя мощности, собранных в виде отдельных узлов.

Усилитель напряжения (его схема показана на рис. 1) выполнен на двух транзисторах VT1 и VT2. Оба каскада охвачены местной ООС. Напряжение смещения на базу VT1 подается с выхода интегратора на ОУ DA1, вход которого подключен к выходу усилителя; так осуществляется "привязка нуля" на выходе УМЗЧ с точностью до напряжения смещения ОУ Он питается от параметрического стабилизатора с дополнительными фильтрующими конденсаторами C3, С5. При включении усилителя плавный рост напряжения на них способствует отсутствию в это время переходных процессов. Транзистор VT2 обеспечивает основное усиление сигнала; переменное напряжение на его коллекторе в два раза меньше выходного, что значительно уменьшает искажения. Конденсатор С7 предотвращает возбуждение усилителя на высоких частотах.

УМЗЧ в режиме класса В с комбинированной ООС

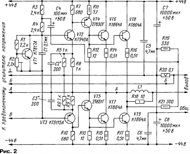
Оконечный усилитель мощности (рис. 2) собран на транзисторах VT2- VT9 с применением местной ООС. Его усиление по напряжению, равное двум, определяется отношением сопротивлений резисторов R5 и R8, R6 и R9. Каскад на транзисторе VT1 - источник напряжения смещения для транзисторов выходного каскада с термостабилизацией через тепловую обратную связь. Цепь вольтодобавки (резисторы R3 и R4, конденсатор С4) питается выходным напряжением через делитель R19R21. Конденсаторы С2, C3 устраняют возбуждение, которое проявляется в виде коротких "вспышек" при частоте входного сигнала более 1 кГц. Несимметричный выходной каскад выполнен на высокочастотных транзисторах (по два в каждом плече), работающих с близким к нулю током покоя.

УМЗЧ в режиме класса В с комбинированной ООС

Усилитель охвачен комбинированной обратной связью по току нагрузки (с резистора R20) и напряжению (с выхода оконечного каскада).

Чертеж печатной платы предоконечного усилителя напряжения с расположением деталей показан на рис. 3.

УМЗЧ в режиме класса В с комбинированной ООС

Чертеж печатной платы мощного каскада изображен на рис. 4 (со стороны установки деталей и с обратной стороны).

УМЗЧ в режиме класса В с комбинированной ООС
(нажмите для увеличения)

Монтаж УМЗЧ имеет ряд особенностей и выполнен в соответствии с требованиями, предъявляемыми к усилителям высокой верности [2].

Предоконечный усилитель напряжения смонтирован на печатной плате из двусторонне фольгированного стеклотекстолита, все детали припаяны со стороны печатных проводников ("монтаж на поверхность"). Фольга на другой стороне платы служит экраном и подключена к общему проводу со стороны входа. К этой же точке припаян и экран подводящего сигнал провода. Для уменьшения наводок предоконечный усилитель помещен в экран из луженой жести и подключен к оконечному усилителю мощности шестью проводниками, длина которых может достигать 20 см. Провода А, Б и В свиты между собой. Общий провод должен иметь сечение не менее 1,5 мм2; он припаян к плате со стороны выхода.

Предоконечный усилитель напряжения размещают вдали от сетевого трансформатора выходных и питающих цепей, при этом возможен контакт экрана с корпусом усилителя. К входному разъему или к дополнительному усилителю, где также допустим контакт с корпусом УМЗЧ, устройство подключено экранированным кабелем.

Оконечный усилитель мощности смонтирован на печатной плате также из двусторонне фольгированного стеклотекстолита; монтаж деталей тоже поверхностный. Резисторы R5, R6, R19, R20 и конденсаторы С5, С6 одним выводом припаяны к фольге общего провода на обратной стороне платы, которая соединена перемычками сечением 1,5 мм2 с соответствующими участками фольги со стороны деталей. Для подключения конденсатора С4 также нужно впаять перемычки.

Катушка L1 намотана на оправке диаметром 10 мм и содержит 30 витков провода ПЭВ-2 диаметром 1 мм. Внутри нее расположен резистор R18.

Транзисторы VT4 и VT5 установлены на небольших теплоотводах; рассеиваемую ими мощность можно уменьшить, увеличив сопротивление резисторов R12, Р13 до 24 0м. Выходные транзисторы смонтированы на общем теплоотводе, в качестве которого в авторском варианте использована боковая утолщенная панель корпуса типа "tower" (башня), известного по конструкциям персональных компьютеров. Длина проводов к мощным транзисторам (особенно к эмиттерам) должна быть минимальна.

Монтаж сильноточных цепей необходимо выполнять высококачественным монтажным проводом сечением 2 мм2. Такие соединения лучше проводить двумя или тремя параллельно включенными проводами меньшего сечения. Эта рекомендация справедлива и для соединительного кабеля АС.

Для питания УМЗЧ пригоден сетевой трансформатор мощностью около 500 Вт, имеющий вторичную обмотку с выводом от середины. Предпочтительно организовать "мягкое" включение усилителя. Диоды в выпрямителе - КД213А, они установлены на теплоотводах.

Описанные выше узлы УМЗЧ сначала настраивают раздельно.

В плате усилителя напряжения (см. рис. 3) провод Б перемычкой соединяют со средней точкой выпрямителя, а спаянные перемычкой провода А и В подключают через резистор сопротивлением 4,7 кОм к плюсовому выводу источника питания (+44 В). Включив блок питания, убеждаются в отсутствии постоянного напряжения на коллекторе транзистора VT2. После проверки технологические перемычки удаляют, а указанный выше резистор припаивают к плате оконечного усилителя мощности между проводом В и минусовым выводом источника питания. Конденсаторы С2, C3 и мощные транзисторы VT6-VT9 пока к плате не подключают. После включения питания подстроечным резистором R2 устанавливают напряжение 0,5...0,55 В на каждом из резисторов R12, R13 при близком к нулю выходном напряжении оконечного усилителя мощности.

Для совместной проверки плат удаляют технологический резистор 4,7 кОм, к плате выходного каскада подключают мощные транзисторы VT6-VT9 и плату усилителя напряжения.

Далее в усилителе напряжения необходимо подобрать минимальную емкость конденсатора С7, при которой сохраняется устойчивая работа УМЗЧ в режимах без нагрузки и с нагрузкой. Для оценки устойчивости по форме сигнала на экране осциллографа лучше использовать испытательный сигнал вида "меандр" частотой 1... 15 кГц. Переходный процесс установления сигнала на фронтах "меандра" не должен быть более двух-трех полупериодов ВЧ колебаний. В оконечном усилителе конденсаторы С2 и C3 (емкостью 100...500 пФ) устанавливают в том случае, если на эмиттерах транзисторов VT2 и VT3 возникают ВЧ колебания при входном сигнале с частотой 15 кГц.

Редко встречающиеся транзисторы 2Т830Г и 2Т831Г можно заменить комплементарной парой КТ850А и КТ851А или импортными с соответствующими параметрами, а также транзисторами КТ816Г и КТ817Г при снижении напряжения питания до ±35 В. Для оконечного каскада подойдут и менее быстродействующие транзисторы КТ8101А, КТ808А, КТ819Г. В любом случае замены транзисторов емкость корректирующих конденсаторов необходимо будет подобрать заново.

В усилителе можно использовать керамические конденсаторы К10-17, К10-47 термостабильных групп с емкостью до 0,1 мкФ, пленочные конденсаторы емкостью до 4,7 мкФ, оксидные конденсаторы К50-35 емкостью до 1000 мкФ или К50-18, К50-37

Литература

  1. Акулиничев И. УМЗЧ с широкополосной ООС. - Радио, 1993, № 1,с. 22.
  2. Атаев Д. И., Болотников В. А. Функциональные узлы усилителей высококачественного звуковоспроизведения. МРБ. - М.: Радио и связь, 1989, с. 121-130.

Автор: В.Бацунов, г.Тамбов

Смотрите другие статьи раздела Аудиотехника.

Читайте и пишите полезные комментарии к этой статье.

<< Назад

Последние новости науки и техники, новинки электроники:

Канада планирует построить космодром 06.04.2026

Развитие космической инфраструктуры все чаще становится вопросом не только науки и технологий, но и национальной безопасности. Многие государства стремятся получить независимый доступ к космическим запускам, чтобы не зависеть от внешних партнеров и укреплять собственный технологический суверенитет. На этом фоне Канада объявила о запуске масштабного проекта по созданию собственного космодрома. Министр обороны Канады Дэвид Мак-Гинти сообщил, что правительство страны инвестирует 200 млн канадских долларов, что составляет около 150 млн долларов США, в строительство национального космодрома. Эти средства станут частью долгосрочной программы развития суверенных возможностей космических запусков. По словам Мак-Гинти, Министерство обороны подписало 10-летнее соглашение с компанией MLS на сумму 200 млн долларов. В рамках этого контракта планируется строительство стартовой площадки, которая будет использоваться не только военными структурами, включая Министерство обороны и Вооруженные силы ...>>

Обновленные телевизоры Xiaomi S Mini LED TV 2026 06.04.2026

Компания Xiaomi представила обновленную серию телевизоров S Mini LED TV 2026, которая заметно отличается от версии, недавно вышедшей на европейский рынок. Новое поколение ориентировано на расширенные возможности отображения и более гибкую конфигурацию экранов, что делает линейку более универсальной для разных сценариев использования. В обновленной серии Xiaomi S Mini LED TV 2026 предлагается сразу пять диагоналей, начиная от 55 дюймов и заканчивая внушительными 100 дюймами. Флагманская модель оснащена 1920 зонами локального затемнения, способна достигать пиковой яркости до 2000 нит и поддерживает частоту обновления изображения до 288 Гц, что делает ее особенно привлекательной для динамичного контента и игр. Младшая модель в линейке отличается в первую очередь количеством зон локального затемнения, которых здесь 576, однако остальные ключевые характеристики остаются на уровне старших версий. Это позволяет сохранить высокое качество изображения даже в более доступном сегменте, не ж ...>>

Беспилотный грузовой самолет с двигателем AEP100 05.04.2026

Авиационная отрасль стоит перед масштабной задачей перехода к экологически чистым технологиям, и одним из наиболее перспективных направлений считается использование водорода в качестве топлива. Этот элемент рассматривается как потенциальная альтернатива традиционным видам авиационного топлива благодаря своей энергоэффективности и отсутствию углеродных выбросов при использовании. На этом фоне Китай сообщил об успешном испытании беспилотного грузового самолета, оснащенного турбовинтовым двигателем AEP100 мегаваттного класса, работающим на водороде. Это событие стало важным этапом в развитии авиационных технологий, так как позволило протестировать двигатель в реальных условиях полета, а не только в лабораторной среде. Испытательный полет был проведен в субботу, 4 апреля, в городе Чжучжоу, расположенном в китайской провинции Хунань. Именно там впервые в реальных условиях был задействован водородный авиационный двигатель подобной мощности, что дало возможность оценить его стабильность ...>>

Случайная новость из Архива

Витамин C помогает похудеть подобно занятиям спортом 23.10.2024

Исследования американских ученых показали, что витамин C может стать важным помощником в борьбе с лишним весом, оказывая на организм эффект, сравнимый с воздействием физических упражнений. Оказывается, этот витамин способен улучшать состояние кровеносных сосудов и влиять на сердечно-сосудистую систему так же, как регулярные занятия спортом.

У людей с избыточным весом и ожирением отмечается повышенная активность гормона эндотелина-1 (ET-1), который сужает сосуды и препятствует нормальному кровообращению. Для снижения активности этого гормона традиционно рекомендованы интенсивные физические нагрузки, которые помогают расширить сосуды и улучшить их тонус. Однако ученые выяснили, что витамин C также способен уменьшать активность ET-1, что делает его полезным для людей, стремящихся к снижению веса.

Тем не менее, если регулярные тренировки сложно вписать в повседневный график, витамин C может частично компенсировать недостаток физической активности. Прием витамина помогает улучшить кровообращение и поддерживать здоровье сердечно-сосудистой системы, что положительно сказывается на процессах похудения. Однако эксперты предупреждают, что полное замещение спорта витамином C - не лучшая стратегия.

Физическая активность имеет гораздо более широкий спектр воздействия на организм, чем просто снижение уровня эндотелина-1. Регулярные тренировки укрепляют мышцы, поддерживают кости и улучшают общее состояние здоровья, чего не добиться только приемом витамина. Спорт влияет на метаболизм, улучшает выносливость и способствует развитию опорно-двигательного аппарата, чего нельзя достичь одной таблеткой витамина.

Вместе с тем ученые подчеркивают важность сбалансированного подхода. Оптимальный вариант для похудения и общего оздоровления - это сочетание регулярных физических нагрузок и адекватного уровня витамина C в организме. Витамин C может стать ценным дополнением к тренировкам, помогая поддерживать здоровье сосудов и сердца.

Даже если спорт не всегда возможен, поддержание уровня витамина C в организме может помочь людям с избыточным весом улучшить кровообращение и бороться с сосудистыми проблемами. Однако в идеале лучше совмещать оба подхода для достижения максимального эффекта.

Другие интересные новости:

▪ Новый беспроводной телефон MD761

▪ Чистый рот - здоровые сосуды

▪ Полосатый кролик

▪ Шоколад с утра помогает женщинам худеть

▪ Рестораны завтрашнего дня от Burger King

Лента новостей науки и техники, новинок электроники

 

Интересные материалы Бесплатной технической библиотеки:

▪ раздел сайта Электрические счетчики. Подборка статей

▪ статья Хлестаков. Крылатое выражение

▪ статья Какая страна производила бронеавтомобиль, который мог двигаться как на гусеницах, так и по рельсам? Подробный ответ

▪ статья Герань. Легенды, выращивание, способы применения

▪ статья Тройной квадрат. Энциклопедия радиоэлектроники и электротехники

▪ статья Бумага превращается в деньги. Секрет фокуса

Оставьте свой комментарий к этой статье:

Имя:


E-mail (не обязательно):


Комментарий:





Главная страница | Библиотека | Статьи | Карта сайта | Отзывы о сайте

www.diagram.com.ua

www.diagram.com.ua
2000-2026