Menu Home

Бесплатная техническая библиотека для любителей и профессионалов Бесплатная техническая библиотека


Схемотехника ламповых усилителей-корректоров. Энциклопедия радиоэлектроники и электротехники

Бесплатная техническая библиотека

Энциклопедия радиоэлектроники и электротехники / Усилители мощности ламповые

 Комментарии к статье

В последние годы компакт-диск, безусловно, является наиболее массовым видом музыкального носителя. Процессы цифровой обработки аудиосигналов непрерывно и весьма интенсивно совершенствуются, но несмотря на это, субъективно ощущаемое качество воспроизведения современных компакт-дисков зачастую с трудом приближается к уровню, достигнутому механической звукозаписью 35-40 лет тому назад! Кроме того, как ни странно, вместе с ростом популярности компакт-дисков наступил и "виниловый ренессанс" записей, произведенных 40 и более лет тому назад.

Именно возможность достижения высокого уровня субъективного, эмоционального и эстетического восприятия и объясняет интерес серьезных любителей музыки к аппаратуре воспроизведения грамзаписи. Один из важнейших компонентов этой аппаратуры - усилитель-корректор (УК). Вниманию читателей предлагается несколько вариантов таких устройств, где в качестве активных элементов применены как радиолампы, так и полупроводниковые приборы. Заметим, что в отличие от ламповых усилителей мощности, где в наши дни нередко используется схемотехника 20-50-х годов прошлого века, в отношении предусилителей подобный подход нецелесообразен. Классические УК в большинстве состоят из двух-четырех типовых усилительных каскадов с емкостной связью, охваченных достаточно глубокой общей ООС. Элементами этой ООС и формируется нужная АЧХ (рис. 1). В УК нередко применяют катодные и иные повторители.

Схемотехника ламповых усилителей-корректоров

Убедительным основанием для использования громоздких и чувствительных к вибрациям усилителей на лампах может служить, по мнению автора, лишь безусловное, субъективно оцениваемое потребителем преимущество над аналогичным (по уровню доступности) устройством на полупроводниковых приборах. В этих УК представляется желательным применение распределенной по каскадам усиления RIAA коррекции (в том числе с катушками индуктивности). Кроме того, высокой линейности усилителей стараются достигать без использования общей и, по возможности, местной ООС. В сигнальном тракте минимизируют число переходных конденсаторов, нередко отказываясь от катодных повторителей.

Кстати, автор не разделяет мнения о недопустимости введения полупроводниковых приборов в усили-тельный тракт, о необ-ходи мости использования исключительно триодов с низким значением "μ", о каких-то особых принципиальных преимуществах прямонакальных катодов и прочих "кардинальных средств". Напротив, абсолютно оправданно разумное сочетание в аудиотехнике положительных свойств полупроводниковых и электровакуумных приборов. Можно утверждать, что накопленный в период "лампового ренессанса" опыт позволил выявить ранее не очевидные, но принципиальные недостатки активных и пассивных компонентов, а также издержки общепринятой идеологии построения устройств на транзисторах. Это помогло наметить пути значительного улучшения звуковоспроизведения грамзаписи.

Напомним читателям, что магнитные преобразователи головок звукоснимателей условно подразделяют на следующие группы.

Группа 1 - головки с номинальным выходным напряжением порядка 2...4мВ, рассчитанные на подключение к предусилителю с входным сопротивлением 47 кОм и общей входной емкостью 100...250 пф (внутреннее сопротивление таких головок - 1.. .2 кОм). В этом случае требуемое усиление усилителя на частоте 1000 Гц составляет 50...60 дБ. К этой группе относится большинство головок типа MM (Moving Magnet) и головки МС (Moving Coil) с повышенной чувствительностью. Любопытно, что некоторые известные фирмы (Shure, Grado и т. п.) в последнее время стали выпускать специальные вставки с иглами для проигрывания обычных грампластинок ("на 78 оборотов") к известным серийным моделям своих ММ головок.

Группа 2 - головки с номинальным выходным напряжением 0,2...0,3 мВ, для которых оптимальное значение нагрузки равно около 1 кОм (внутреннее сопротивление таких головок порядка 40...50 Ом), а необходимое усиление достигает 70...80 дБ. К этой группе относятся распространенные типы МС головок.

Группа 3 - головки с номинальным выходным напряжением порядка 15...20 мкВ, внутренним сопротивлением около 3 Ом. Для них требуется нагрузка сопротивлением порядка 100 Ом и усиление до 90... 100 дБ (правда, такие головки встречаются нечасто).

Как правило, все головки 3-й группы, а нередко 2-й, работают в комплекте со специальными согласующими трансформаторами, позволяющими использовать стандартные предусилители, спроектированные для головок 1-й группы. Кроме того, применение трансформаторов позволяет повысить отношение сигнал/шум и облегчить борьбу с фоном переменного тока сети. Однако стоимость таких трансформаторов весьма велика - до 1000...3000 долларов США. Минимально достижимое эквивалентное сопротивление внутриламповых шумов в лучшем случае не ниже 100 Ом, из-за чего чисто ламповый предусилитель для головок 2-й группы неизбежно имеет неважное соотношение сигнал/шум, а для головок 3-й группы - вообще неприемлемое. Альтернативой трансформатору в этом аспекте могут быть лишь каскады на малошумящих полевых и биполярных транзисторах. Если все же изготавливают именно ламповый, а не, скажем, гибридный предусилитель для МС головки, то входной триод должен быть с низкими собственными шумами (например, 6Н23П, 6Н24П, 6C3П).

Для относительно высокоомных головок 1 -й группы входной каскад УК целесообразно сделать с малошумящим пентодом, например, 6Ж32П (аналог EF-86), 6Ж9П и т. п., так как, в отличие от триода, он имеет ничтожную динамическую входную емкость. Замечу попутно, что специализированный "звуковой" пентод 6Ж32П, нередко причисляемый к малошумящим, на самом деле наименее "фонящий" при питании его нити накала переменным током и достаточно устойчивый к микрофонному эффекту. Также зта лампа отличается высокой линейностью даже при значительных амплитудах усиливаемых сигналов и экономичностью, по шумовым свойстввм уступая пентодам 6Ж9П, 6ЖЗП, 6Ж1 П.

В УК возможно применение и раритетных октальных ламп, отличающихся повышенными собственными шумами и заметным микрофонным эффектом, но тем не менее любимых многими аудиофилами за исключительные "музыкальные" свойства. Для входного каскада предусилителя часто рекомендуют 6Н9С и ее многочисленные аналоги, реже - пентоды 6Ж7, 6Ж8, EF37 и пр.

Здесь уместно затронуть вопросы конструктивного исполнения УК. Из-за специфического подъвма АЧХ по стандарту RIAA либо RIAA-78 (рис. 1), имеющего максимум усиления на частотах 50 Гц и ниже, и малого уровня входных сигналов (при высокой чувствительности радиоламп к вибрациям, а устройства в целом - к наводкам) обязательно полное электрическое и магнитное зкранирование. Также следует принять меры по механической виброизоляции, по крайней мере, деталей входного каскада. Например, изолируемые ламповые панели или небольшое субшасси с деталями каскада закрепляют на основном шасси через эластичный (резиновый) амортизатор, а электрические соединения выполняют отрезками мягких проводов (МГТФ, ЛЭШО и т.п.). Лампу закрывают массивным стальным колпаком, который можно обклеить вибропоглощающим материалом. Нужно как можно дальше от предусилителя и проигрывателя отнести трансформаторы питания (желательно с кольцевым магнитопроводом и пониженной рабочей индукцией). В ряде конструкций блок питания вынесен в отдельный корпус.

Важно соблюдать общепринятые для малосигнальных устройств особенности монтажа общего провода и заземления. Как правило, общий провод или медную полосу значительного сечения (2...5 мм2) прокладывают изолированно от шасси и соединяют с ним в одной точке вблизи входного каскада. Применяют также "звездообразное" соединение (star ground), когда все "заземляемые" проводники соединяются между собой и с шасси в одной точке. По мнению автора, нет никаких противопоказаний к использованию печатного монтажа, не принятого самодельщиками ламповых конструкций.

Помимо всего прочего, желательно доработать проигрыватель, обеспечив симметричные (без общего провода) выходы сигналов со стереофонической головки и, по возможности, "развязав" электрически детали тонарма и экранные оплетки выходных кабелей с шасси и прочими "массами" проигрывателя. Общие проводники между всеми компонентами аудиосистемы, а также "заземляющий" провод сетевых шнуров не должны создавать замкнутых контуров. Пример возможного соединения частей электропроигрывателя и предусилителя-корректора приведен на рис. 2.

Схемотехника ламповых усилителей-корректоров

Хотя все предлагаемые в статье схемы УК выглядят, можно сказать, азбучно, реализовать преимущества этой простоты можно лишь при условии тщательного конструктивного исполнения и кропотливой наладки. Прототипы этих схем заимствованы автором из таких авторитетных журналов, как "Glass Audio" и "Sound Practices", а также с интернет-сайтов зарубежных аудиофилов, в частности, Jim de Kort и Ervin Wiesbauer [1,2]. Внесенные при макетировании изменения объясняются применением иной элементной базы и повышенным уровнвм выходного напряжения (1,5...2 В - предельное значение для проигрывателей КД), удобным для согласования с большинством вариантов ламповых УМЗЧ, где считается предпочтительной двухкаскадная структура.

Следует иметь в виду, что описанным в статье УК для питания требуются источники высокого напряжения, опасного для жизни, а также высоковольтные конденсаторы с большой энергией заряда (до 100...200 Дж!). Случайное замыкание заряженного конденсатора может привести к расплавлению и разбрызгиванию металла, ожогам и травмам. Поэтому приступайте к повторению описанных конструкций только при полной уверенности в уровне своей квалификации.

А теперь перейдем, наконец, к описанию конкретных схем УК. Пврвый предлагаемый вариант - предусилитель на октальных лампах для ММ головок (на рис. 3 и последующих показаны схемы одного из каналов).

Схемотехника ламповых усилителей-корректоров
(нажмите для увеличения)

Усилитель по этой схеме может быть построен и на пальчиковых лампах. Аналоги для двойных триодов таковы. Лампа 6Н8С - близкий аналог 6SN7-GT, 5692, ЕСC32, ЕСC3З (октальные), ЕСС82, Е82СС, ECC802S, 12AU7 (пальчиковые); при незначительной корректировке номиналов элементов подойдут отечественные 6Н1П, 6Н6П, 6Н14П и сверхминиатюрные 6Н16Б, 6Н18Б. Лампа 6Н9С - близкий аналог 6SL7-GT, 5691, ЕСC35 (октальные), 5751 (пальчиковые), ЕСС83, Е83СС, ECC803S, 12АХ7; отечественный пальчиковый 6Н2П - приближенный аналог; из сверхминиатюрных подойдут 6Н17Б и 6С7Б (одинарный триод). Нередко встречаются 6Н2П с повышенным шумом в звуковом диапазоне частот и плохой изоляцией между катодом и подогревателем.

Аналоги лучевого тетрода 6П6С - 6V6-GT (октальный), EL90 и отечественные 6П1П (пальчиковые); также близки по параметрам экзотические 6Ф6С и импортные 6F6. В выходном каскаде возможно также параллельное включение двух триодов лампы 6Н30П, для которых снижают напряжение на аноде до 80 В и изменяют некоторые номиналы резисторов (R13- 12 кОм, R14 - 130Ом).

При конструировании УК со сверхминиатюрными лампами следует учитывать, что они имеют несколько меньшую допустимую рассеиваемую анодом мощность, превышение которой приводит к очень быстрому выходу их из строя.

Предварительным отбором деталей желательно обеспечить идентичность двух каналов усиления с разбросом параметров пассивных компонентов не более 1 %. Особенно это относится к элементам, формирующим АЧХ (R4, R8, R11, C3, С4, С9). Можно применять резисторы типов С2-23, С2-29, МЛТ, С1-4; а элемент R13 - С5-16МВ, С5-35В или ПЭВ. Будьте осторожны в отношении встречающихся иногда советов по использованию старых углеродистых резисторов ВС, так как из-за старения часто их шум возрастает, а изменение фактического значения может достигать 20...25% относительно номинала даже для ряда Е24.

Конденсаторы С1, С7, С13 - типов К50-24, К50-29 или импортные (Rubicon, Weston и т.п.), обязательно фольговые. Конденсаторы серий К52-х, К53-х, ЭТО для сигнальных цепей не рекомендуются. Элементы С2, С6, С8, С12, С14, С17 могут быть К73-4, К73-16, К73-17, МБГО или серии К42-х, а C3, С4, С9, С10 - К78-2 или им подобные. В позициях С5, С11, С15, С16 желательно использовать конденсаторы типа К78-24, несколько хуже - МБГО, МБГЧ, в крайнем случае допустимо применить оксидные К50-27 (кроме С15). Указанные здесь типы компонентов пригодны и для других описываемых в статье УК.

Конечно, при соответствующих финансовых возможностях можно отдавать предпочтение компонентам так называемого "аудиофильского" качества. Рекомендации на эту тему можно найти на страницах некоторых журналов по технике Hi-Fi и Hi-End, но нередко они носят весьма субъективный характер, иногда идя вразрез с основополагающими законами физики.

При налаживании УК подгоняют к рекомендуемым режимы усилительных каскадов по постоянному току подбором (при необходимости) резисторов R3, R9, R14 и устранение отклонений АЧХ от стандартной RIAA, а также различия в АЧХ двух каналов подбором элементов С4, С9, R8. Емкость См* следует подобрать так, чтобы емкость соединительного кабеля между проигрывателем и предусилителем, входная емкость первого каскада предусилителя (ориентировочно - 40...60 пФ) и емкость дополнительного конденсатора См* в сумме равнялась значению, рекомендованному для используемой головки ее изготовителем.

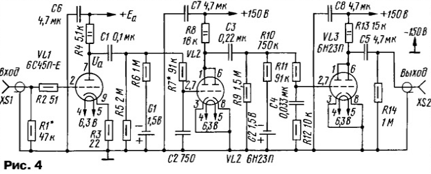
Следующая схема (рис. 4) является модификацией предыдущей, целесообразной для МС головок 2-й группы. Автор разработки - Arthur Loesch из США. Варианты этой схемы, несколько различающиеся типами применяемых ламп, неизменно популярны среди зарубежных любителей. Журналом "Sound Practices" его разработка отнесена к категории Top End в силу особенностей конструктивного исполнения и организации питания каскадов.

Схемотехника ламповых усилителей-корректоров

Выходное напряжение базового варианта предусилителя при работе с распространенными головками (например, DENON DL-103) получается около 0,5...0,7 В. Существенное увеличение этого напряжения возможно, если во втором и третьем каскадах установлены лампы с большим усилением (μ > 30). Это может привести к ухудшению перегрузочной способности, если не изменить питающие напряжения и соответственно скорректировать параметры компонентов. Напротив, уменьшив усиление второго и третьего каскадов УК, его можно адаптировать к ММ головкам, получив прекрасные результаты.

Применение гальванических элементов в качестве источника напряжения смещения упрощает борьбу с наводками и позволяет отказаться от катодных резисторов и конденсаторов, что благоприятно влияет на звук. Срок службы элементов практически определяется их саморазрядом и может составлять дватри года. Необходимо лишь обеспечить надежный, неокисляющийся контакт с выводами элементов, а во избежание повреждения от нагрева и утечки электролита - защиту от тепла, выделяемого лампами. Кстати, в студийной аппаратуре 40-50-х годов иногда предпочитали полностью батарейное питание входных каскадов микрофонных усилителей.

Это направление - для аудиофилов-экстремистов; для остальных замечу, что из-за фиксированного смещения все каскады описываемого предусилителя требуют хорошо стабилизированных источников всех питающих напряжений, в том числе и накального. В исходной публикации Arthur Loesch указывает, что блок питания содержит по отдельному стабилизированному источнику анодного напряжения на каждый каскад в каждом канале (т. е. всего 6!). Оригинальное устройство выполнено на секционированном шасси из толстого медного листа. Все конденсаторы - фольговые (медная фольга и фторопластовый диэлектрик), резисторы - прецизионные (допуск не более ±0,5 %) проволочные и металлопленочные, оксидные конденсаторы - из топовых серий "Black Gate". Монтаж выполнен с применением фирменных серебряных проводов и специального серебросодержащего припоя. Этот пример показывает, что высокие качественные показатели ламповых устройств достигают не за счет усложнения структуры усилительной части, а за счет тщательного исполнения; причем, как минимум, наполовину успех определяет качество блока питания.

В отношении деталей УК справедливо все изложенное выше. Резисторы R1-R4 обязательно должны быть металлопленочные или проволочные. Прямой замены лампы 6С45П (либо 6С15П) не существует, импортный аналог 417 (Western Electric) или близкий к ним триод 5842 практически недоступны и дороги, поэтому в табл. 1 приведены приближенные замены с ориентировочными электрическими режимами.

Схемотехника ламповых усилителей-корректоров

Кроме указанных, возможно применение во входном каскаде некоторых малошумящих высокочастотных пентодов в триодном включении, в частности, 6Ж11П, 6Э5П, 6Э6П, 6Ж52П, а также пентода из 6Ф12П. При использовании триода 6Ф12П рекомендуется включить параллельно резистору R3 конденсатор емкостью 1000 мкФ на 6,3 В. Как и в предыдущем случае, подбор резистора R1 и (при необходимости) подключаемого параллельно ему конденсатора следует осуществить, в соответствии с рекомендациями изготовителя используемой головки.

Во втором каскаде возможно применение ламп 6Н1П, 6Н15П и 6НЗП, в которых оба триода нужно включить параллельно. При применении ламп 6НЗП потребуется подбор номиналов резисторов R6, R8.

Еще одной модификацией схемы рис. 4 представляется ее балансный вариант с использованием дифференциальных каскадов и частично - гальванической связи между каскадами (рис. 5).

Схемотехника ламповых усилителей-корректоров
(нажмите для увеличения)

Автор прототипа, носящего имя "Siren Song", - известный в кругах аудиофилов американский конструктор J.C. Morrison. Безусловно, весьма изысканно выглядит (и великолепно работает) входной каскад на октальном триоде с источником тока на полевом транзисторе, а в исходном варианте - микросхема стабилизатора тока 1N5309 или 1N5311. В силу присущего дифференциальным каскадам подавления синфазных помех, а также компенсации сигнальной составляющей тока в цепи их питания, требования к источнику анодного питания существенно ниже, чем в обычных каскадах. Тем не менее применение в катодной цепи входного каскада источника тока способствует стабильности режима. В исходной публикации предлагается полностью нестабилизированное питание; несмотря на это, рекомендую при повторении стабилизировать напряжение накала.

Безусловно, реализация этого УК возможна и на пальчиковых лампах. Например, если для всех каскадов выбрать лампы 6Н23П (ЕСС88, Е88СС, 6922, 6DJ8) или 6Н24П и установить значение тока стока VT1 (рис. 5) равным 12...15 мА (также уменьшив сопротивления резисторов R4-R7, R15), то такой предусилитель пригоден для работы и с МС головкой. В третьем каскаде применимы лампы 6Н15П (6J6) или старинные 6Н7С (6N7, 6N7-GT) при параллельном соединении обоих триодов. Если предполагается работа предусилителя с балансной симметричной (относительно общего провода) нагрузкой, можно удалить элементы С7-С9, С11, а в позиции С10 применить высококачественный пленочный или бумажный конденсатор емкостью 5...10 мкФ. Если допустимо уменьшение общего усиления корректора приблизительно на 30 %, в каскадах с VL3, VL4 целесообразно установить двойные триоды 6Н6П или 6Н30П; их примерные режимы приведены в табл.2.

Схемотехника ламповых усилителей-корректоров

При налаживании балансировку входного каскада производят резистором R8 до достижения равенства напряжений на обоих анодах лампы VL2, а выходного каскада - резистором R22 до достижения равенства напряжений на анодах VL3 и VL4. Абсолютно недопустимо применение в качестве R8 и R22 переменных резисторов с ненадежным контактом (с треском при регулировании), так как при дальнейшем использовании это чревато выходом из строя усилителя мощности и акустической системы!

В блоке УК советую применить высококачественные разъемы типа XLR. Если по каким-либо причинам не используется балансный вход, рекомендую удалить элементы R2, R3, а вывод левой по схеме сетки VL1 соединить непосредственно с общим проводом в точке, где подключен и контакт общего провода входного разъема (типа RCA).

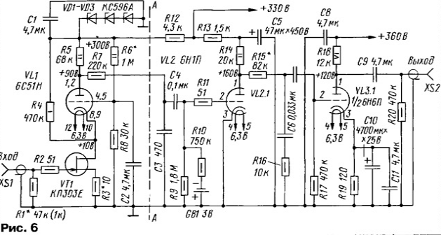
Тему "сотрудничества" полевых транзисторов и вакуумных приборов продолжает схема, показанная на рис. 6.

Схемотехника ламповых усилителей-корректоров

В отличие от схемы на рис. 4, здесь во входном каскаде использовано каскодное соединение малошумящего полевого транзистора и лампы - нувистора, примененного исключительно по соображениям габаритов. Часть УК (по схеме на рис. 6) левее сечения А-А вынужденно была изготовлена в виде небольшого блока, вынесенного непосредственно к основанию тонарма и соединенного с остальной частью кабелем длиной около 0,3 м. Каких-либо особых преимуществ нувистора перед лампой 6Н23П не выявлено. Преимущества каскодной структуры проявляются в малой динамической входной емкости и значительном усилении каскада, что позволяет рекомендовать их для работы с головками типов ММ и МС (резистор R1 - 1 кОм). Резистор R4 позволяет задать ток стока транзистора, обеспечивающий необходимую крутизну сток-затворной характеристики. При этом стабилизирующее воздействие транзистора на режим триода VL1 несколько ухудшается, поэтому напряжение питания входного каскада стабилизировано цепочкой стабилитронов VD.1-VD3.

Иногда высказывается мнение, что применение в цепях питания усилительных каскадов полупроводниковых стабилитронов приводит к обеднению "звучания", и на этом основании рекомендуется применение газонаполненных стабилитронов тлеющего разряда. Опыт автора говорит о том, что последователи этой "плодотворной" идеи рискуют чрезмерно обогатить звучание широким спектром шумов, создаваемых этими приборами, проявляющими склонность порой даже и к паразитной генерации (особенно при длительной наработке). Возможно, целесообразно последовать совету из журнала "Glass Audio" и ограничиться использованием их ценных декоративных свойств - таинственное и разноцветное свечение в полумраке включенных вхолостую этих приборов, несомненно, удачно дополнит интимное мерцание нитей накала раритетных прямонакальных триодов и существенно усилит эмоциональное воздействие прослушиваемой музыки.

Желающим же повторить УК по схеме на рис. 6 рекомендую изготовить для питания входных каскадов отдельный стабилизатор, который можно дополнить LC-фильтром для исключения помех от источника анодного напряжения в сеточной цепи лампы VL2 из-за повышенного выходного сопротивления каскода. Кстати, это свойство каскода побуждает некоторых авторов рекомендовать непосредственное включение корректирующего конденсатора (в данном случае C3) параллельно резистору в анодной цепи (R5). Такое включение приводит к существенной частотной зависимости нагрузки и, соответственно, к увеличению динамической составляющей входной емкости, что нежелательно, по крайней мере, для ММ головок.

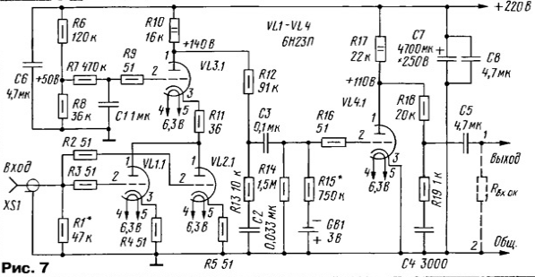
Далее предлагается чисто ламповый вариант предусилителя-корректора с использованием каскода на входе (рис. 7), который, как и предыдущий, является попыткой усовершенствования УК по схеме на рис. 4.

Схемотехника ламповых усилителей-корректоров

Применение на входе двух включенных параллельно триодов имеет целью снижение собственных шумов корректора. При указанных на рисунке номиналах элементов и напряжении питания перегрузочная способность предусилителя при работе с головками 1-й группы оказывается около 20 дБ. Коэффициент усиления двух каскадов УК на частоте 10ОО Гц приблизительно равен 52...56 дБ, поэтому выходной каскад, подключаемый в точках 1-2, должен иметь усиление по напряжению около 10 для получения номинального выходного напряжения 0,7...1 В (можно воспользоваться выходным каскадом по схеме на рис. 3). Если желательно иметь уровень выхода ближе к 2 В, можно выполнить выходной каскад по аналогии с вариантами схемы рис. 4 и табл. 2.

Речь идет, конечно, о подключении на вход УК типовой головки 2-й группы с номинальным уровнем выхода около 0,2 мВ. Очевидно, что включаемые параллельно триоды требуют тщательного отбора по идентичности параметров в рабочем режиме, что может оказаться затруднительным без испытателя радиоламп, но выполнимым. В противном случае преимущества такой схемотехники не реализуются.

На рис. 8 показана схема простого корректирующего усилителя на пентоде 6Ж32П, предназначенного для работы с головками 1 -й группы. Подобного рода УК популярны среди зарубежных любителей и у нас [3].

Схемотехника ламповых усилителей-корректоров

При тщательном исполнении этот УК, несмотря на простоту, способен показать ощутимое превосходство над многими "фирменными" изделиями, в том числе и такими, цена которых более $1000. Кроме того, предусилитель по схеме рис. 8 позволяет легче достичь согласования по входу со многими типами головок; он менее критичен к нагрузке на выходе из-за приме нения катодного повторителя, который, по идеологии Hi-End Audio, наиболее уязвим для критики. Формально малым нелинейным искажениям в повторителе при некоторых уровнях сигналов и значениях сопротивления нагрузки может сопутствовать "неблагозвучное" соотношение составляющих гармонических искажений. Но этот каскад нетрудно исключить, правда, в ущерб чувствительности УК к нагрузке, воспользовавшись схемами предыдущих вариантов. Если предполагается воспользоваться МС головкой с повышающим трансформатором, то рекомендую именно подобный предусилитель, как обеспечивающий широкие возможности по оптимизации нагрузки для головки с трансформатором. Полезно стабилизировать питание хотя бы входного каскада. При недостатке общего усиления выходной каскад следует выполнить по аналогии с уже рассмотренными вариантами УК.

Весьма оригинальная и изящная схема УК для работы с ММ головкой, использующего лампы 6Ж32П и 6Н6П (с введением положительной частотнозависимой ООС), предложена А. Лихницким [4]. Тем, кто заинтересуется этой схемой, рекомендую дополнить устройство буферным каскадом во избежание влияния изменений в нагрузке корректора на его АЧХ.

На рис. 9,а показан вариант построения обычного каскада с анодной нагрузкой, но улучшенной развязкой по питанию (оптимальная компенсация достигается подстройкой резистором R4) Соотношение между сопротивлениями R1 и R2 (приблизительно равными) выбирается таким, чтобы были равны составляющие токов сигнала через них.

Кроме рассмотренных вариантов каскадов следует упомянуть еще каскад SRPP (Series-Regulated Push Pull), когда в анодной цепи лампы установлена динамическая нагрузка. Он особенно эффективен в выходной ступени усиления. Его разновидности позволяют совместить высокие коэффициент усиления и линейность с низким выходным сопротивлением (примерно 100...300 Ом). К недостаткам можно отнести потребность в напряжении питания не менее 300 В, повышенную динамическую входную емкость (по сравнению с типовым каскадом), а также повышенные требования к качеству изоляции между катодом и подогревателем, если в каскаде используется двойной триод. На рис. 9,6 показан типовой, а на рис. 9,в - так называемый "усиленный" SRPP каскад. Существуют и более сложные варианты с использованием пентода в качестве динамической нагрузки; как правило, их применение целесообразно в качестве предоконечных каскадов усилителей мощности. Тем не менее принципиально возможно построение всех каскадов корректирующего усилителя с использованием схемотехники SRPP.

Сходными с SRPP каскадом свойствами обладает также гальванически связанная пара ступеней на лампах с общим катодом и общим анодом. Пример схемы такого каскада приведен на рис. 9,г. Весьма ценным свойством этой пары при соответствующем выборе режимов является практически полное отсутствие проникновения сигнальной составляющей в цепь анодного питания (как у дифференциального каскада). Поскольку в каскадах по схемам на рис. 9,а и 9,г достигается значительное уменьшение сигнальной составляющей, выделяемой на катодном резисторе, можно отказаться от применения шунтирующего конденсатора большой емкости (обычно оксидного).

Схемотехника ламповых усилителей-корректоров
(нажмите для увеличения)

Наилучшим вариантом построения выходного каскада УК представляется, безусловно, каскад с выходным трансформатором. К сожалению, надлежащее выполнение трансформатора очень трудоемко и доступно лишь опытным радиолюбителям.

Окончательный выбор какого-либо варианта схемотехники осуществляется в основном исходя из субъективных предпочтений по результатам прослушивания тщательно макетированных устройств. Начинающему самодельщику ни в коем случае не следует доверяться в этом вопросе "опытным" аудиофилам, которые изрекают фразы вроде: "Лампа 6Н6П дает жирный и мутный звук...", "Кислотный звук лампы ЕСС88 неопытные слушатели часто путают с избыточной детальностью...", "Снятие верхней крышки предусилителя привело к драматическому наполнению звучания "воздухом" и потрясающей "открытости" звука...". Попытки учесть результаты подобных "экспертиз" почти гарантируют то, что изготовление разрабатываемого устройства не будет завершено, а у изготовителя постепенно выработается стереотип восприятия, когда при прослушивании музыкальных произведений он подсознательно будет концентрировать внимание на обнаружении тех или иных недостатков, а не на музыкальном содержании произведения.

К сожалению, объем этой статьи не позволил рассмотреть некоторые немаловажные особенности построения источников питания для предварительных усилителей на лампах. Эти вопросы достойны отдельной статьи.

Литература

  1. <VT52.com>.
  2. <geocities.com/bobdantelak>.
  3. Макаров Ю. От Неофита до Адепта. - Hi-Fi&Music. 1997, № 11 (24), с. 47-50.
  4. Лихницкий А. Предусилитель с корректором АМЛ+. - Аудио Магазин, 1996, № 3 (8), с. 85-89.

Автор: Н.Трошкин, г.Москва

Смотрите другие статьи раздела Усилители мощности ламповые.

Читайте и пишите полезные комментарии к этой статье.

<< Назад

Последние новости науки и техники, новинки электроники:

Власть является ключевым фактором счастья в отношениях 11.03.2026

Исследования семейных и романтических отношений показывают, что длительное счастье пары зависит не только от привычных факторов, таких как доверие, уважение и преданность, но и от более тонких психологических аспектов. Современные ученые ищут закономерности, которые отличают действительно счастливые пары от остальных, чтобы понять, какие механизмы поддерживают гармонию в отношениях. Группа исследователей из Университета Мартина Лютера в Галле-Виттенберге и Бамбергского университета провела опрос среди 181 пары, которые состояли в совместных отношениях более восьми лет и прожили вместе хотя бы месяц. Участники заполняли анкету, описывая различные аспекты своих отношений, включая распределение обязанностей, эмоциональную поддержку и степень вовлеченности в совместные решения. Анализ данных показал интересный паттерн: пары, где оба партнера ощущали высокий уровень личной власти, оказывались наиболее счастливыми и удовлетворенными. В данном контексте под властью понимается способност ...>>

Защищенная колонка-повербанк Anker Soundcore Boom Go 3i 11.03.2026

Компания Anker представила новую модель линейки Soundcore - колонку Soundcore Boom Go 3i, ориентированную на активное использование на улице. Новинка отличается высокой степенью защиты: корпус соответствует стандарту IP68, что обеспечивает водо- и пыленепроницаемость, а ударопрочный дизайн выдерживает падение с высоты до одного метра. За качество звука отвечает 15-ваттный драйвер, обеспечивающий пик громкости до 92 дБ, а технология BassUp 2.0 усиливает низкие частоты, делая звучание более насыщенным. Колонка обладает автономностью до 24 часов, а LED-индикатор позволяет контролировать уровень заряда батареи. Кроме того, Soundcore Boom Go 3i может выполнять функцию павербанка: согласно внутренним тестам, устройство способно зарядить iPhone 17 с нуля до 40% за один час, что делает его полезным аксессуаром в походах и поездках. Среди функциональных особенностей модели стоит выделить технологию Auracast, которая улучшает подключение и позволяет создавать стереопару из двух колонок ...>>

Раннее воздержание от алкоголя перестраивает мозг и иммунитет 10.03.2026

Алкогольная зависимость - хроническое расстройство с компульсивным употреблением спиртного, которое влияет не только на поведение, но и на функционирование мозга и иммунной системы. Недавние исследования показали, что даже на ранних этапах воздержания организм начинает перестраиваться, открывая новые возможности для терапии зависимости. Ученые сосредоточились на пациентах, находящихся в первые недели абстиненции, и зафиксировали значительные изменения в мозговой активности. С помощью функциональной магнитно-резонансной томографии они выявили перестройку сетей нейронных связей, отвечающих за контроль импульсов и принятие решений. Эти изменения могут быть ключевыми для восстановления самоконтроля и снижения риска рецидива. Одновременно с нейронной перестройкой исследователи наблюдали колебания иммунной системы. В крови повышался уровень цитокинов - сигнальных белков, регулирующих воспалительные процессы. Эти данные свидетельствуют о существовании нейроиммунного взаимодействия, при ...>>

Случайная новость из Архива

Батареи с твердым Li-S-электролитом в 4 раза лучше Li-ion-аккумуляторов 13.06.2013

Исследователи из Национальной лаборатории Ок-Ридж (Oak Ridge National Laboratory, ORNL) разработали новую многообещающую конструкцию аккумуляторных батарей на основе твердого электролита, в состав которого входит литий и сера (Li-S). Такие аккумуляторные батареи более дешевы в производстве и обладают более высоким значением показателя плотности накапливаемой энергии, нежели традиционные литий-ионные аккумуляторы. Благодаря использования твердого электролита, Li-S аккумуляторы более долговечны и намного более безопасны в эксплуатации, чем аккумуляторы с жидким электролитом.

Li-S аккумуляторы считаются некоторым экспертами как преемники литий-ионных аккумуляторных батарей. Они чрезвычайно легки, что позволяет использовать их для обеспечения полетов на солнечной энергии, они дешевы в производстве, достаточно долговечны и демонстрируют высокое значение показателя энергетической плотности. Но, к сожалению, эта технология еще достаточно "сырая" и ее главной проблемой является проблема подходящего электролита, оптимальный состав которого пока еще не найден.

В предыдущих попытках создания Li-S аккумуляторов исследователи использовали жидкие электролиты. Но использование жидкого электролита является монетой с двумя сторонами, с одной стороны - жидкость, наполненная ионами, является превосходным проводником электрического тока, но с другой стороны жидкий электролит деградирует со временем и с увеличением количества циклов заряда-разрядки, что приводит к преждевременному выходу батареи из строя. Помимо этого, некоторые жидкие электролиты огнеопасны, что представляет собой проблему при эксплуатации аккумуляторных батарей.

Но теперь, по словам исследователей, им удалось найти решение вышеуказанных проблем, которым стал состав твердого электролита, основой которого стало соединение лития и полисульфидфосфатов - богатых серой материалов с высокой удельной электрической проводимостью. "Наша технология, в которой используется твердый Li-S-электролит, лишена большей части недостатков, которыми обладают аккумуляторы с жидким электролитом, - рассказывает доктор Ченгду Лиэнг (Dr. Chengdu Liang). - Опытные образцы Li-S батарей выдерживают без ухудшения их характеристик большое количество циклов, не теряя емкость, как литий-ионные аккумуляторы".

Опытные образцы Li-S-аккумуляторов после 300 циклов заряда/разрядки, проведенных при температуре в 60 градусов Цельсия, сохранили удельную плотность в 1200 мА*ч/г. Для сравнения, аналогичный показатель литий-ионных аккумуляторов составляет 140-170 мА*ч/г, но Li-S-аккумуляторы вырабатывают половину напряжения, которое вырабатывают литий-ионные аккумуляторы. Поэтому восьмикратное увеличение плотности энергии приводит фактически к четырехкратному увеличению емкости аккумуляторной батареи.

В составе Li-S-аккумуляторной батареи используется сера, которая в больших количества получается как побочный продукт нефтепереработки. Это позволит использовать разработанную технологию как один из способов утилизации промышленных отходов, которые скапливаются в больших количествах. В настоящее время новая технология производства Li-S-аккумуляторов находится в виде, который не очень подходит для практической ее реализации. Но доктор Лиэнг и его группа подали патентную заявку и после оформления соответствующего патента планируют доработать технологию до требующегося уровня, который позволит наладить массовое производство новых аккумуляторных батарей.

Другие интересные новости:

▪ Синхронизация часов по космическим лучам

▪ LOG114 - новый логарифмический усилитель

▪ Карты памяти Transcend CFexpress 820 Type B

▪ Цинково-солнечная энергетика

▪ Интерактивная панель для учебных классов с датчиками движения

Лента новостей науки и техники, новинок электроники

 

Интересные материалы Бесплатной технической библиотеки:

▪ раздел сайта Электропитание. Подборка статей

▪ статья Бить ключом. Крылатое выражение

▪ статья Почему Алкмена родила двойню? Подробный ответ

▪ статья Уборщик территорий. Должностная инструкция

▪ статья Бестрансформаторный преобразователь напряжения. Энциклопедия радиоэлектроники и электротехники

▪ статья Загадки про змей, ящериц, улиток

Оставьте свой комментарий к этой статье:

Имя:


E-mail (не обязательно):


Комментарий:




Комментарии к статье:

Сергей
Спасибо хорошая статья.


Главная страница | Библиотека | Статьи | Карта сайта | Отзывы о сайте

www.diagram.com.ua

www.diagram.com.ua
2000-2026