Menu Home

Бесплатная техническая библиотека для любителей и профессионалов Бесплатная техническая библиотека


Усилитель класса D для сабвуфера. Энциклопедия радиоэлектроники и электротехники

Бесплатная техническая библиотека

Энциклопедия радиоэлектроники и электротехники / Усилители мощности транзисторные

 Комментарии к статье

В статье описаны особенности работы УМЗЧ класса D и представлены два варианта усилителей различной мощности, пригодных для использования в основном в низкочастотном канале для сабвуфера. Как отмечено в статье, такой усилитель целесообразно использовать с импульсным преобразователем напряжения питания как от батареи аккумуляторов, так и от сети переменного тока. При разработке конструкции усилителя следует уделить внимание экранировке этих блоков.

В связи с развитием цифровой техники и аппаратуры цифровой звукозаписи растет интерес к усилительным устройствам, работающим в ключевом режиме, известным как усилители класса D. В таких устройствах осуществляется широтно-импульсная модуляция (ШИМ) сигнала. К их достоинствам следует отнести, прежде всего, высокий КПД, реально достигающий 98 %. Кроме того, эти экономичные усилители легко интегрируются с другими элементами цифрового звукового тракта даже на одном кристалле.

Ныне некоторые фирмы уже выпускают микросхемы, которые исключают какую-либо аналоговую обработку звукового сигнала, причем преобразование цифрового сигнала в аналоговую форму происходит непосредственно в выходном каскаде усилителя мощности. Такие микросхемы в основном применяют в портативной и носимой аппаратуре с автономным питанием.

В периодических изданиях [1] и Интернете [2,3] можно найти описания усилителей (в основном, автомобильных), работающих в "классе Т". При внимательном рассмотрении оказывается, что транзисторы в таких устройствах также работают в переключательном режиме, введение же "нового" класса работы усилителя продиктовано, видимо, требованиями маркетинга. Хотя в некоторых источниках "класс Т" фигурирует как "modified Class-D", т. е. модифицированный класс D и никаких принципиальных отличий от класса D нет. Просто в усилителях "класса Т" применен ШИ-модулятор, у которого от входного напряжения зависят и частота, и скважность выходных импульсов. Имеются и сведения об усилителях некоего "класса N" [4]. На самом деле, это тоже усилитель, работающий в переключательном режиме, только он совмещен с сетевым блоком питания. Все эти патентные и маркетинговые ходы не должны вводить читателей в заблуждение. В этой статье изложены некоторые преимущества и недостатки усилителя класса D с двумя примерами схемотехнических решений.

Основой усилителя, работающего в режиме класса D, являются мощные ключи, как правило, на МОП-транзисторах, отличающихся быстродействием и низким сопротивлением канала в открытом состоянии. Благодаря использованию транзисторов в ключевом режиме (либо включен, либо выключен) и достигается высокий КПД подобных усилителей.

Транзисторы мощных ключей такого УМЗЧ управляются широтно-импульсным (ШИ) модулятором, который преобразует мгновенные значения входного сигнала в соответствующую скважность импульсов, причем нулевому значению сигнала соответствует скважность, равная 2 (меандр). Обычно импульсы имеют амплитуду, близкую к напряжению источника питания. Уровень выходного сигнала можно регулировать, изменяя параметры ШИ-модулятора и напряжение питания ключевого каскада.

С выходного каскада сигнал поступает на нагрузку (громкоговоритель) через LC-фильтр нижних частот (ФНЧ), выделяющий из ШИМ сигнала компоненты звукового диапазона частот.

Следует отметить, что качество выходного сигнала, определяемое уровнем искажений и полосой усиливаемых частот, сильно зависит от частоты переключения, причем сигналы высоких частот всегда усиливаются с большими искажениями, нежели низкочастотные. Повышение частоты переключения приводит к уменьшению искажений, которые носят в основном интермодуляционный характер. На рис. 1 показаны осциллограммы сигналов, характерные для усилителя класса Т.

Усилитель класса D для сабвуфера

В нестоящее время промышленностью выпускается широкая номенклатура полупроводниковых приборов, позволяющих достичь рабочих частот коммутации до нескольких сотен килогерц и даже единиц мегагерц. Усилители с такими частотами переключения способны с приемлемым уровнем искажений усиливать сигналы полного звукового диапазона.

Описываемые здесь усилители имеют сравнительно низкую частоту коммутации, поэтому они пригодны для усиления сигналов низкочастотной части звукового диапазона (обычно ниже 200 Гц). Такой усилитель может быть составной частью активного сабвуфера "домашнего кинотеатра". При снижении требований к качеству сигнале он может использоваться в составе аппаратуры и для полного звукового диапазона частот.

Схема наиболее простого усилителя, работающего в режиме класса D, представлена на рис. 2.

Усилитель класса D для сабвуфера

В этом устройстве мощный каскад усилителя фактически объединен с ШИ-модулятором. Рассмотрим схему подробнее.

Операционный усилитель DA1 используется в качестве компаратора, который сравнивает сигналы на входе и выходе усилителя. Модулированные сигналом импульсы с выхода ОУ подаются на двухтактный каскад с полевыми транзисторами VT1, VT2. Стабилитроны VD1, VD2 необходимы для исключения сквозного тока через мощные транзисторы выходного каскада. Этот ток возникает во время переключения ключа и является основным источником снижения КПД в неправильно рассчитанных двухтактных каскадах. Резисторы R3, R4 необходимы для разрядки емкости затвора полевых транзисторов. Дроссель L1 и конденсатор С4 образуют ФНЧ, с которого выходной сигнал поступает к громкоговорителю. Кроме того, выходной сигнал поступает на неинвертирующий вход ОУ DA1 через делитель R5R1, который определяет коэффициент усиления усилителя. Резистор R2 задает входное сопротивление усилителя; при необходимости его можно увеличить. Микросхемы DA2 и DA3 стабилизируют напряжение питания устройства.

Принцип действия усилителя достаточно прост. Фактически усилитель представляет собой генератор, частота которого определяется резонансной частотой контура L1C4. Из-за того, что амплитуда импульсного сигнала на выходе усилителя постоянна (и почти равна напряжению питания), изменение напряжения на инвертирующем входе ОУ приводит к изменению скважности и частоты импульсов, поступающих в контур.

Следует отметить, что при подключении нагрузки характер колебаний в контуре приобретает апериодический характер. В этом случае частота переключения определяется не только параметрами контура L1C4, но и коэффициентом усиления всего устройства с разомкнутой петлей обратной связи, а также задержкой переключения каскадов.

Особенностью усилителя является наличие высокочастотных колебаний напряжения на нагрузке. Для сабвуфера это не является недостатком, так как сопротивление головки на ультразвуковых частотах достаточно высоко. Однако при подключении к усилителю многополосных АС может возникнуть заметный ток через головку ВЧ. Для исключения этого тока на выходе усилителя необходимо включить дополнительный ФНЧ, не входящий в петлю обратной связи.

Питание усилителя обеспечивает трансформаторный блок питания с номинальным выходным напряжением ±20 В и размахом пульсаций до 4 В при полной нагрузке. Если в трансформаторе нет вторичной обмотки со средней точкой, двухполярный источник питания можно собрать по схеме однополупериодного выпрямителя (рис. 3), увеличив емкость фильтрующих конденсаторов в два раза. Максимально допустимое обратное напряжение выпрямительных диодов должно превышать удвоенное значение напряжения холостого хода источника.

Усилитель класса D для сабвуфера

Усилитель собран на макетной плате. Конденсаторы C1, С4 - К73-17, С2, C3 - любые оксидные на рабочее напряжение не менее 16 В. Их полезно зашунтировать керамическими или пленочными конденсаторами емкостью 0,1.. .0,47 мкФ. В конструкции использованы импортные аналоги стабилитронов VD1, VD2 на напряжение 15 В. Дроссель L1 имеет 100 витков провода ПЭТВ 0,6 мм в броневом магнитопроводе БЗО из феррита М2000НМ-1. Чашки магнитопровода собраны с немагнитным зазором около 0,5 мм. Резисторы - любые металлодиэлектрические, например, МЩ С2-33.

Хотя работа усилителя на нагрузку сопротивлением 4 Ом с полной мощностью не приводит к заметному нагреву каких-либо элементов, при повышенном напряжении выпрямителя микросхемы интегральных стабилизаторов DAI, DA2 нужно установить на теплоотводы.

Вместо ОУ К544УД2 возможно применение микросхем КР574УД1, КР140УД11 (LM318), AD817 или других, имеющих частоту единичного усиления не менее 10 МГц. Используемые выходные транзисторы обеспечивают ток нагрузки до 2 А, но при желании мощность усилителя может быть увеличена до максимально возможной заменой транзисторов на IRFZ34 (VT1) и IRFZ24 (VT2). При такой замене выходная мощность усилителя ограничивается лишь максимально допустимым напряжением питания операционного усилителя.

Правильно собранный из исправных деталей усилитель в налаживании не нуждается. Однако во избежание повреждения выходных транзисторов при неправильном монтаже рекомендуется первоначально подключить их исток к блоку питания через резисторы сопротивлением 33...51 Ом и мощностью 1 Вт.

При налаживании к выходу усилителя нужно подключить эквивалент нагрузки - резистор сопротивлением 4...8 Ом и мощностью 10 Вт и замкнуть вход усилителя. При включении питания на входе ФНЧ можно наблюдать с помощью осциллографа почти прямоугольные импульсы скважностью около 2 и частотой около 80 кГц. Отклонение значения скважности от указанной говорит о несимметричности каскада. Импульсы тока через дополнительные резисторы должны иметь близкую к треугольной форму. Присутствие в импульсах значительных выбросов говорит о протекании сквозного тока через выходные транзисторы. В этом случае нужно заменить стабилитроны VD1, VD2 на другие с большим напряжением стабилизации.

К достоинствам этого усилителя следует отнести практически полное отсутствие переходного процесса при включении. КПД усилителя определяется, в основном, КПД стабилизаторов напряжения питания. Увеличение КПД может быть достигнуто применением импульсных стабилизаторов напряжения.

Усилитель по схеме на рис. 4 отличается от описанного выше более сложной схемой выходного каскада. Его можно питать от источника с напряжением, большим, чем максимально допустимое напряжение питания операционного усилителя.

Усилитель класса D для сабвуфера
(нажмите для увеличения)

Особенностью этого УМЗЧ является использование выходного каскада ОУ в режиме ограничения выходного тока. Это позволяет избежать насыщения транзисторов его выходного каскада и, как следствие, увеличить тактовую частоту работы устройства.

С выходными транзисторами, указанными на схеме, и транзисторами VT1, VT2 с большим допустимым напряжением Uкэ max (не менее 60 В) напряжение питания может достигать ±50 В, что способствует работе на высокоомную нагрузку.

Коэффициент гармонических искажений не превышает 0,3 % на частоте 1 кГц при выходной синусоидальной мощности 60 Вт на нагрузке 4 Ом. Усилитель способен работать и в полном диапазоне звуковых частот, при этом звук имеет некоторый "кассетный" оттенок на верхних частотах. Интермодуляционные искажения, измеренные методом двойного тона на частотах 19 и 20 кГц, достигают 14 %, но, как ни странно, это не оказывает на звук "разрушающего" действия.

Печатная плата для этого усилителя показана на рис. 5.

Усилитель класса D для сабвуфера

Катушка индуктивности использована такая же, как и в усилителе по схеме рис. 2. Длительная работа усилителя при мощности 80 Вт на нагрузке 4 Ом не приводит к существенному разогреву активных компонентов. Однако для работы усилителя в условиях жаркого климата мощные транзисторы и интегральные стабилизаторы целесообразно установить на небольшие пластинчатые теплоотводы.

Если предполагается использование ОУ высокого быстродействия, например AD817, целесообразно уменьшить число витков катушки L1 в полтора-два раза. При этом рабочая частота коммутации возрастает; соответственно уменьшаются искажения на высоких частотах звукового диапазона. Форма сигнала на выходе ОУ может быть почти синусоидальной, тогда как выходные транзисторы продолжают работать в переключательном режиме вследствие высокого коэффициента усиления предвыходного каскада. Главным критерием работы УМ в переключательном режиме в данном случае служит отсутствие сквозного тока через выходные транзисторы.

Рекомендации по замене компонентов в этом УМЗЧ аналогичны изложенным для первого варианта схемы. Но при применении ОУ с большой нагрузочной способностью, например AD817, следует уменьшить напряжение питания ОУ во избежание перегрева. Для этого вместо интегральных стабилизаторов 7815 и 7915 нужно применить аналогичные на напряжение 9... 12 В. Выходные транзисторы должны быть комплементарными с близкими параметрами. Предпочтение следует отдавать транзисторам с возможно меньшей входной емкостью и низким (и одинаковым для транзисторов разного типа проводимости) сопротивлением канала во включенном состоянии. В принципе, возможно применение и биполярных выходных транзисторов; для этого нужно уменьшить сопротивление резисторов R4, R6 до 33 Ом. Тем не менее, ввиду значительного превышения времени выключения над временем включения биполярных транзисторов, возникает сквозной ток через транзисторы двухтактного каскада и теряется основное преимущество усилителя - высокий КПД; кроме того, увеличиваются и нелинейные искажения. Для устранения сквозного тока необходимо применить специальный формирователь паузы между моментами выключения одного и включения другого мощных транзисторов.

Усилитель не нуждается в настройке и при использовании исправных деталей начинает работать сразу.

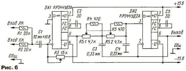
Как было отмечено ранее, описанные усилители предназначены для использования в составе активного сабвуфера. Наличие во входном сигнале высокочастотных составляющих может привести к возникновению неприятных на слух интермодуляционных искажений, поэтому для ограничения полосы частот усиливаемого сигнала выше 150 Гц рекомендуется ФНЧ по схеме на рис. 6.

Усилитель класса D для сабвуфера
(нажмите для увеличения)

Если сабвуфер подключен к выходу низкочастотного канала звуковой карты SB Live 5.1 или подобной, то надобность в таком фильтре отпадает. В других случаях (например, при подключении к стереосистеме) такой фильтр может оказаться необходимым.

ФНЧ состоит из двух частей: входного усилителя-сумматора и собственно ФНЧ второго порядка с перестраиваемой частотой среза. Единственная особенность устройства - регулировка уровня выходного сигнала изменением коэффициента обратной связи сумматора с помощью резистора R3. ФНЧ с характеристикой Бесселя второго порядка особенностей не имеет.

ФНЧ собран на макетной плате. Операционные усилители можно применять и другие, рекомендуемые для работы в усилителях и скорректированные для единичного усиления, если необходима внешняя цепь коррекции. Переменный резистор R3 регулировки чувствительности должен иметь характеристику регулирования Б, а резистор R5 регулировки частоты среза - А (линейную). Резисторы R1 и R2 можно расположить непосредственно в разъемах, подключаемых к источнику сигнала. В таком случае к фильтру потребуется протянуть только один экранированный провод.

ФНЧ в настройке не нуждается.

Усилители могут быть применены в составе как автомобильного, так и компьютерного (мультимедийного) аудио-комплексов. Усилитель по схеме на рис. 4 удобно питать от импульсного блока питания, описанного в [5]. Выходное напряжение источника 30 В достаточно для получения пиковой выходной мощности 100 Вт на нагрузке 8 Ом. Целесообразно использовать такой источник и для стабилизации напряжения питания первого варианта усилителя; при этом КПД системы будет наибольшим.

Необходимо отметить, что включение описанных усилителей на продолжительное время без нагрузки может привести к перегреву и выходу из строя выходных транзисторов. Если предполагается, что нвгрузка может быть по каким-либо причинам отключена во время работы усилителя, к выходу ФНЧ следует подключить резистор сопротивлением 100 Ом и мощностью не менее 2 Вт.

Литература

  1. Елютин А. Выставка "CES'2002". - Автозвук, 2002, № 4, с.11-14.
  2. tripath.com/downloads/ anl.pdf.
  3. kensel-con.neVBizDev/pub-Msh/articia_9415.shtmi
  4. 1stquadrant.com/ news_cisssN.htm.
  5. Колганов А. Автомобильный УМЗЧ с блоком питания. - Радио, 2002, № 7, с. 20-22.

Автор: Е.Савельев, г.Тверь

Смотрите другие статьи раздела Усилители мощности транзисторные.

Читайте и пишите полезные комментарии к этой статье.

<< Назад

Последние новости науки и техники, новинки электроники:

Лабораторная модель прогнозирования землетрясений 30.11.2025

Предсказание землетрясений остается одной из самых сложных задач геофизики. Несмотря на развитие сейсмологии, ученые все еще не могут точно определить момент начала разрушительного движения разломов. Недавние эксперименты американских исследователей открывают новые горизонты: впервые удалось наблюдать микроскопические изменения в контактной зоне разломов, которые предшествуют землетрясению. Группа под руководством Сильвена Барбота обнаружила, что "реальная площадь контакта" - участки, где поверхности разлома действительно соприкасаются - изменяется за миллисекунды до высвобождения накопленной энергии. "Мы открыли окно в сердце механики землетрясений", - отмечает Барбот. Эти изменения позволяют фиксировать этапы зарождения сейсмического события еще до появления традиционных сейсмических волн. Для наблюдений ученые использовали прозрачные акриловые материалы, через которые можно было отслеживать световые изменения в зоне контакта. В ходе искусственного моделирования примерно 30% ко ...>>

Музыка как естественный анальгетик 30.11.2025

Ученые все активнее исследуют немедикаментозные способы облегчения боли. Одним из перспективных направлений становится использование музыки, которая способна воздействовать на эмоциональное состояние и когнитивное восприятие боли. Новое исследование международной группы специалистов демонстрирует, что даже кратковременное прослушивание любимых композиций может значительно снижать болевые ощущения у пациентов с острой болью в спине. В эксперименте участвовали пациенты, обратившиеся за помощью в отделение неотложной помощи с выраженной болью в спине. Им предлагалось на протяжении десяти минут слушать свои любимые музыкальные треки. Уже после этой короткой сессии врачи фиксировали заметное уменьшение интенсивности боли как в состоянии покоя, так и при движениях. Авторы исследования подчеркивают, что музыка не устраняет саму причину боли. Тем не менее, она воздействует на эмоциональный фон пациента, снижает уровень тревожности и отвлекает внимание, что в сумме приводит к субъективном ...>>

Алкоголь может привести к слобоумию 29.11.2025

Проблема влияния алкоголя на стареющий мозг давно вызывает интерес как у врачей, так и у исследователей когнитивного старения. В последние годы стало очевидно, что границы "безопасного" употребления спиртного размываются, и новое крупное исследование, проведенное международной группой ученых, вновь указывает на это. Работы Оксфордского университета, выполненные совместно с исследователями из Йельского и Кембриджского университетов, показывают: даже небольшие дозы алкоголя способны ускорять когнитивный спад. Команда проанализировала данные более чем 500 тысяч участников из британского биобанка и американской Программы миллионов ветеранов. Дополнительно был выполнен метаанализ сорока пяти исследований, в общей сложности включавших сведения о 2,4 миллиона человек. Такой масштаб позволил оценить не только прямую связь между употреблением спиртного и развитием деменции, но и влияние генетической предрасположенности. Один из наиболее тревожных результатов касается людей с повышенным ге ...>>

Случайная новость из Архива

Открыт лед, замерзающий при комнатной температуре 29.10.2025

Изучение воды продолжает приносить удивительные открытия: несмотря на то, что эта жидкость кажется хорошо известной, она способна проявлять необычные свойства в экстремальных условиях. Международная команда ученых недавно обнаружила новый вид льда, который формируется при комнатной температуре, если вода подвергается сильному давлению. Это открытие не только расширяет наши знания о воде, но и помогает лучше понять процессы в недрах планет и их спутников.

Исследователи из Корейского института стандартов и науки совместно с европейскими коллегами, работающими на рентгеновском лазере на свободных электронах (XFEL) в Германии, провели серию экспериментов с водой в динамической ячейке с алмазными наковальнями. Давление изменялось от 0,001 гигапаскаля до 120 гигапаскалей в секунду - в миллионы раз выше атмосферного, при этом температура поддерживалась около 25 °C, близкой к комнатной. В течение сотен циклов ученые наблюдали, как вода многократно замерзает и тает, фиксируя каждый этап с исключительной детализацией.

Для наблюдения за процессом формирования кристаллов использовались сверхбыстрые рентгеновские импульсы европейского XFEL, продолжительность которых составляет всего миллионную долю секунды. Благодаря этому ученым удалось создать своеобразные "видеоролики" роста льда и проследить, как вода при замерзании не всегда переходит напрямую из жидкого состояния в твердое. Иногда она образует редкую фазу - лед VI, а иногда проходит через промежуточные метастабильные состояния, одно из которых оказалось ранее неизвестным.

Новая фаза получила название лед XXI. Его плотность составляет около 1,413 г/см?, соответствуя давлению примерно 1,6 гигапаскаля. После формирования лед XXI не возвращается в предыдущую фазу, а постепенно переходит к более стабильным формам - льду VII и VI. Такое одностороннее превращение делает лед XXI метастабильным: он сохраняется некоторое время, несмотря на наличие более устойчивой структуры.

Чтобы понять механизмы на атомном уровне, ученые совместили эксперименты с моделированием молекулярной динамики, используя две компьютерные модели воды. При увеличении давления до 2 гигапаскалей внутренние структуры жидкости постепенно перестраиваются: молекулы переходят от конфигурации, характерной для льда VI, к структуре, присущей льду VII. Это помогает объяснить, почему вода способна формировать различные твердые фазы.

Процесс замерзания, как выяснилось, не является мгновенным. Вода проходит через промежуточные состояния, где молекулы частично упорядочены, прежде чем полностью сформировать кристалл. Важным фактором оказывается время - точный баланс между скоростью образования кристаллов и передачей энергии в жидкости. Для фиксации этих событий потребовались передовые рентгеновские технологии и эксперименты на установке PETRA III в DESY, которые подтвердили существование льда XXI и его необычно крупные повторяющиеся структурные элементы.

При медленном сжатии вода формирует обычные стабильные формы льда VI или VII, но при быстром сжатии она становится "сверхсжатой", временно сопротивляется замерзанию и образует экзотические структуры. Ученые считают, что аналогичные процессы могут происходить в недрах холодных лун, таких как Титан и Ганимед, где давление и температура достаточно высоки для появления необычных фаз льда.

Другие интересные новости:

▪ Wi-Fi на овцах

▪ Наука гладить кошку

▪ ТВ-рекордер формата 4K от Sharp

▪ Эффективный трибоэлектрический генератор

▪ Эффективные органические солнечные панели

Лента новостей науки и техники, новинок электроники

 

Интересные материалы Бесплатной технической библиотеки:

▪ раздел сайта Зарядные устройства, аккумуляторы, батарейки. Подборка статей

▪ статья Шарль Бодлер. Знаменитые афоризмы

▪ статья Что такое пасьянс? Подробный ответ

▪ статья Положения, руководящие документы по охране труда. Справочник

▪ статья Фазовый метод расчета разделительных фильтров акустических систем. Энциклопедия радиоэлектроники и электротехники

▪ статья Ряд из тринадцати косточек домино. Секрет фокуса

Оставьте свой комментарий к этой статье:

Имя:


E-mail (не обязательно):


Комментарий:




Комментарии к статье:

Артур
Схемы выше - не класс д и близко

Алекс
Усилитель по схеме Дорофеева вдруг превратился в класс D какая модуляция какой частоты откуда она там взялась автор видимо это перепечатал и не вник в суть.

Иван
Да еще ошибка в схеме выходные транзисторы должны подключатся на прямую а не через стабилизаторы 7815.


Главная страница | Библиотека | Статьи | Карта сайта | Отзывы о сайте

www.diagram.com.ua

www.diagram.com.ua
2000-2025