Menu Home

Бесплатная техническая библиотека для любителей и профессионалов Бесплатная техническая библиотека


Синтезатор частоты для УКВ радиостанции. Энциклопедия радиоэлектроники и электротехники

Бесплатная техническая библиотека

Энциклопедия радиоэлектроники и электротехники / Синтезаторы частоты

Комментарии к статье Комментарии к статье

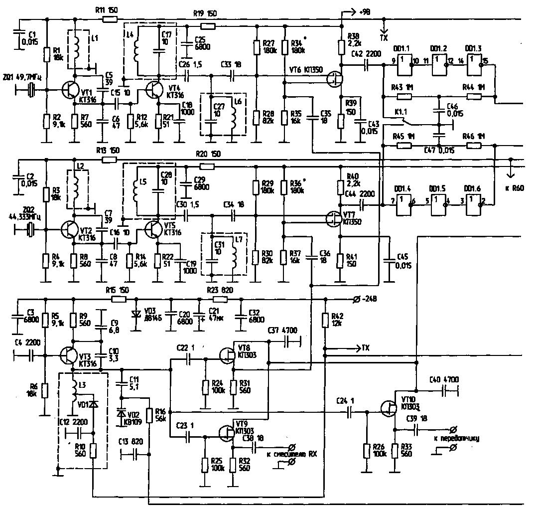
Предлагаемый синтезатор частоты (СЧ) для радиостанции диапазона 144...146МГц с первой промежуточной частотой 10,7 МГц отличается простотой схемотехники и хорошей повторяемостью.

Шаг перестройки - 25 кГц, для перестройки по диапазону применены два десятичных позиционных переключателя, на выходе которых присутствуют сигналы в коде 1-2-4-8. Данный СЧ использует принцип смешивания частот ГУНа и дополнительного высокочастотного генератора для получения низкой ПЧ (0.3...2.3 МГц), подаваемой на делитель с переменным коэффициентом деления (ДПКД). Боле подробно о подобных СЧ написано в [1].

Низкая ПЧ СЧ позволяет применять в ДПКД КМОП микросхемы, отличающиеся экономичностью и не ухудшающие шумовые характеристики СЧ.

Принципиальная схема синтезатора (часть 1)

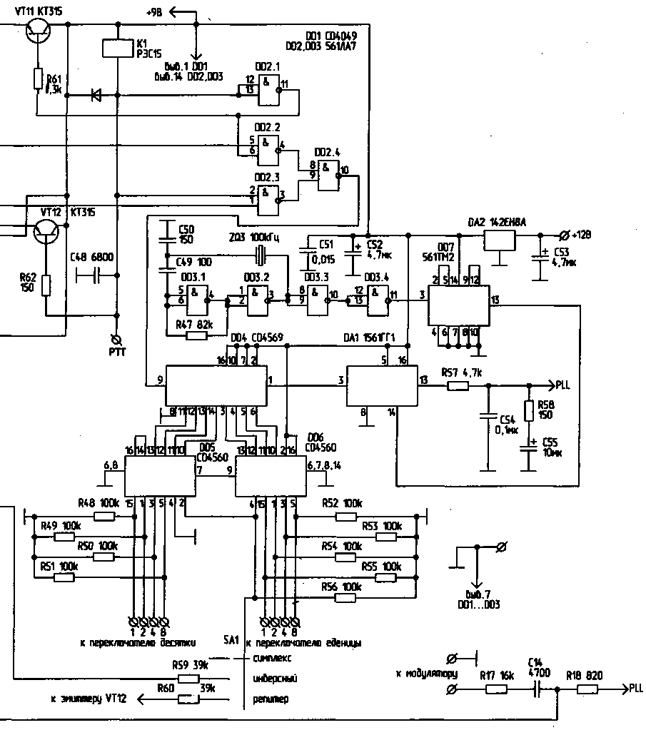
Принципиальная схема синтезатора (часть 2)

ДПКД описываемого синтезатора взят из [2] (tnx EU1 DQ). Главное его достоинство - малое количество микросхем (всего 3) и простота получения "репитерного" и "инверсного" сдвигов приема/передачи.

Аналоговая часть СЧ использует простые и удачные схемные решения [1]. Она состоит из ГУНа и двух идентичных каналов (для приема и передачи) формирования фиксированных ВЧ напряжений для смесителей СЧ. Каждый канал содержит следующие узлы:

- кварцевый генератор: для RX - VT2 на частоту 44,333 МГц, для ТХ - VT1 на частоту 47,9 МГц;

- утроитель частоты с полосовым фильтром (ПФ) - (соответственно VT5 и L5, C28,L7,C31;VT4HL4,C17, L6, С27);

- смеситель на полевом транзисторе с двумя изолированными затворами (VT7 для RX, VT6 дляТХ);

- формирователь прямоугольных импульсов на микросхеме DD1 (DD1.4...DD1.6 для RX, DD1.1...DD1.3 для ТХ).

ГУН собран по схеме емкостной трехточки; для изменения его частоты при переходе на передачу используется диод КД409, закорачивающий часть витков катушки. В режиме приема частота генерации - 133,3...135,3 МГц, при передаче - 144... 146 МГц. В связи с тем, что СЧ изначально разрабатывался для радиостанций "Storno", напряжение питания которых составляет -24 В, ГУН питается этим напряжением через параметрический стабилизатор R23, VD3. Катушка ГУНа намотана на каркасе высокочастотных катушек "Stomo" и закрыта экраном, здесь же распаяны коммутационный диод КД409, развязывающий конденсатор С12 и токоограничительный резистор R10.

Напряжение питания на утроители частоты и смесители подано постоянно, на кварцевые генераторы напряжение питания подается через ключи на транзисторах VT12 (RX) и VT11 (ТХ).

После формирователя прямоугольных импульсов сигналы с частотами 0,3...2,3 МГц (в зависимости от коэффициента деления ДПКД) поступают на ДПКД через коммутатор на микросхеме DD2, т.е. из канала формирования частоты приема (передачи). Вследствие высокой чувствительности формирователя на микросхеме DD1 обязательно требуется применение реле К1 для шунтирования входа неработающего в данном режиме (RX или ТХ) формирователя.

ДПКД состоит из счетчика DD4 и двух сумматоров DD5 и DD6, на входы которых подается от переключателей перестройки код частоты и от переключателя режима (на выводы 2 DD5 и 4 DD6) сигнал режима: симплекс, репитерный или инверсный. Примененные в формирователе и ДПКД импортные микросхемы недороги и доступны через фирмы, поставляющие импортные комплектующие под заказ.

Сигнал с выхода ДПКД поступает на один из входов фазового детектора (ФД) микросхемы DA1, на второй вход которой приходят импульсы с частотой 25 кГц, получаемые делением на четыре микросхемой DD7 частоты 100 кГц генератора на микросхеме DD3.

С выхода ФД напряжение рассогласования через фильтр R57, С54, R58, С55 поступает на варикап ГУНа, замыкая петлю ФАПЧ. Через цепочку R 17, С 14 на этот же варикап подается модулирующее напряжение в режиме передачи. Необходимая девиация частоты устанавливается регулировкой амплитуды модулирующего напряжения в микрофонном усилителе.

Питание аналоговой и цифровой схем СЧ (за исключением ГУН) - +9 В от стабилизатора DA2 К142ЕН8А. Потребляемый ток - около 50 мА.

Конструкция и детали. Как уже упоминалось, СЧ разрабатывался для установки в радиостанции "Stomo". Большая часть деталей его схемы собрана на печатной плате (за исключение генератора на 100 кГц и делителя на DD7). Катушки ГУНа и ПФ намотаны на каркасах от контуров радиостанций "Storno" и имеют подстроечные сердечники. Катушка ГУНа имеет 4 витка посеребренного провода диаметром 0,7 мм, отвод - 0,75 витка от вывода, подключенного к корпусу. Катушки ПФ также имеют 4 витка провода ПЭВ диаметром 0,6 мм. Катушки генераторов имеют по 9 витков провода ПЭВ диаметром 0,2 мм. При повторении СЧ для других радиостанций контура можно изготовить, используя данные, приведенные в [1]. Если в радиостанции отсутствует напряжение -24 В, то из [1] в этом случае используется и ГУН, изменение частоты которого при передаче осуществляется отключением дополнительного конденсатора от контура ГУНа [3]. Удобно для этой цели использовать реле РЭС60 (вместо примененного РЭС15), одна пара контактов которого замыкает вход неработающего формирователя прямоугольных импульсов, а другая - подключает конденсатор к контуру ГУНа в режиме приема.

Настройка

Легко и быстро настроить СЧ можно применяя осциллограф с широкой полосой пропускания и частотомер с верхним пределом не менее 150 МГц. Можно рекомендовать следующий порядок:

1. Зашунтировав кварцевый резонатор генератора 44,333 МГц конденсатором 2... 10 нФ и контролируя частоту на коллекторе транзистора VT5, настроить генератор на данную частоту вращением подстроечного сердечника катушки L2. Отпаять шунтирующий конденсатор и, вращая подстроечный сердечник, добиться максимальной стабильности частоты генерации. Если этот максимум не на частоте 44,333 МГц - необходимо последовательно с кварцевым резонатором включить либо индуктивность (при частоте генерации выше необходимой), либо конденсатор (при частоте генерации ниже необходимой) и подобрать их значения. Эта операция может занять довольно много времени, но выполнить ее необходимо - от этого зависит стабильность и точность установки частоты СЧ.

2. Настроить ПФ утроителя на частоту 133,0 МГц.

3. Операции, описанные в пунктах 1 и 2, проделать для канала передачи, замкнув точку РТТ коммутатора DD2 на корпус. Соответствующие частоты - 47,9 МГц и 143,7МГц.

4. Отключить точку РТТ от корпуса, подать -24 В на ГУН, подключить к выходу истокового повторителя VT10 частотомер, отпаять резистор R57 от вывода 13 DA1 и, подавая через этот резистор внешнее постоянное напряжение 1,3...7 В, настроить подстроечным сердечником ГУН на частоты 132,5...135,5 МГц соответственно. Устанавливать шаг перекрытие ГУНа по частоте не следует. Если перекрытие заметно отличается в ту или иную сторону, необходимо подобрать конденсатор С1.

5. Установить напряжение, при котором частота ГУНа - около 133,3 МГц, т.е. начало диапазона 144 МГц для приемника.

6. Вновь подключить точку РТТ к корпусу и проконтролировать частоту ГУНа. Значение частоты должно быть около 144 МГц, в противном случае необходимо подобрать точку подключения диода КД409 к контуру ГУНа. Для достижения необходимого результата операции пунктов 5 и 6 следует проделать несколько раз.

7. Измерить частоту на выводе 14 DA1. При необходимости конденсаторами С49, С50 установить значение 25 кГц ±1 Гц.

8. Подключить резистор R57 к выводу 13 DA1.

Если применяемые детали исправны, а в монтаже нет ошибок, СЧ настроен и готов к работе. Приводимая ниже таблица показывает соответствие значений установленной частоты положению переключателей. Из таблицы видно, что репитерные каналы начинаются с десятичной цифры 4, а цифра единиц соответствует номеру канала, т.е. 43 - 3-й репитерный канал, 45 - 5-й репитерный канал.

Частота, МГц Значение переключ. Частота, МГц Значение переключ. Частота, МГц Значение переключ. Частота, МГц Значение переключ.
144,000 00 144,500 20 144,000 40 144,500 60
144,025 01 144,525 21 144,025 41 144,525 61
144,050 02 144,550 22 144,050 42 144,550 62
144,075 03 144,575 23 144,075 43 144,575 63
144,100 04 144,600 24 144,100 44 144,600 64
144,125 05 144,625 25 144,125 45 144,625 65
144,150 06 144,650 26 144,150 46 144,650 66
144,175 07 144,675 27 144,175 47 144,675 67
144,200 08 144,700 28 144,200 48 144,700 68
144,225 09 144,725 29 144,225 49 144,725 69
144,250 10 144,750 30 144,250 50 144,750 70
144,275 11 144,775 31 144,275 51 144,775 71
144,300 12 144,800 32 144,300 52 144,800 72
144,325 13 144,825 33 144,325 53 144,825 73
144,350 14 144,850 34 144,350 54 144,850 74
144,375 15 144,875 35 144,375 55 144,875 75
144,400 16 144,900 36 144,400 56 144,900 76
144,425 17 144,925 37 144,425 57 144,925 77
144,450 18 144,950 38 144,450 58 144,950 78
144,475 19 144,975 39 144,475 59 144,975 79

Переключатель SA1 должен быть в положении "репитер". При переводе переключателя SA1 в положение "инверсный" прием/передача осуществляется на частотах репитера.

Литература:

1. Радио. - 1990. - N6. - С.23-29.
2. Funkschau. - 1990. - №5.-C.107-108.
3. Радиолюбитель. - 1992. - №4.-C.16.

Автор: Г.Печень (EW1EA), г.Минск; Публикация: Н. Большаков, rf.atnn.ru

Смотрите другие статьи раздела Синтезаторы частоты.

Читайте и пишите полезные комментарии к этой статье.

<< Назад

Последние новости науки и техники, новинки электроники:

Власть является ключевым фактором счастья в отношениях 11.03.2026

Исследования семейных и романтических отношений показывают, что длительное счастье пары зависит не только от привычных факторов, таких как доверие, уважение и преданность, но и от более тонких психологических аспектов. Современные ученые ищут закономерности, которые отличают действительно счастливые пары от остальных, чтобы понять, какие механизмы поддерживают гармонию в отношениях. Группа исследователей из Университета Мартина Лютера в Галле-Виттенберге и Бамбергского университета провела опрос среди 181 пары, которые состояли в совместных отношениях более восьми лет и прожили вместе хотя бы месяц. Участники заполняли анкету, описывая различные аспекты своих отношений, включая распределение обязанностей, эмоциональную поддержку и степень вовлеченности в совместные решения. Анализ данных показал интересный паттерн: пары, где оба партнера ощущали высокий уровень личной власти, оказывались наиболее счастливыми и удовлетворенными. В данном контексте под властью понимается способност ...>>

Защищенная колонка-повербанк Anker Soundcore Boom Go 3i 11.03.2026

Компания Anker представила новую модель линейки Soundcore - колонку Soundcore Boom Go 3i, ориентированную на активное использование на улице. Новинка отличается высокой степенью защиты: корпус соответствует стандарту IP68, что обеспечивает водо- и пыленепроницаемость, а ударопрочный дизайн выдерживает падение с высоты до одного метра. За качество звука отвечает 15-ваттный драйвер, обеспечивающий пик громкости до 92 дБ, а технология BassUp 2.0 усиливает низкие частоты, делая звучание более насыщенным. Колонка обладает автономностью до 24 часов, а LED-индикатор позволяет контролировать уровень заряда батареи. Кроме того, Soundcore Boom Go 3i может выполнять функцию павербанка: согласно внутренним тестам, устройство способно зарядить iPhone 17 с нуля до 40% за один час, что делает его полезным аксессуаром в походах и поездках. Среди функциональных особенностей модели стоит выделить технологию Auracast, которая улучшает подключение и позволяет создавать стереопару из двух колонок ...>>

Раннее воздержание от алкоголя перестраивает мозг и иммунитет 10.03.2026

Алкогольная зависимость - хроническое расстройство с компульсивным употреблением спиртного, которое влияет не только на поведение, но и на функционирование мозга и иммунной системы. Недавние исследования показали, что даже на ранних этапах воздержания организм начинает перестраиваться, открывая новые возможности для терапии зависимости. Ученые сосредоточились на пациентах, находящихся в первые недели абстиненции, и зафиксировали значительные изменения в мозговой активности. С помощью функциональной магнитно-резонансной томографии они выявили перестройку сетей нейронных связей, отвечающих за контроль импульсов и принятие решений. Эти изменения могут быть ключевыми для восстановления самоконтроля и снижения риска рецидива. Одновременно с нейронной перестройкой исследователи наблюдали колебания иммунной системы. В крови повышался уровень цитокинов - сигнальных белков, регулирующих воспалительные процессы. Эти данные свидетельствуют о существовании нейроиммунного взаимодействия, при ...>>

Случайная новость из Архива

Микросхемы флеш-памяти типа NOR Microchip SST26WF080B и SST26WF040B 24.01.2015

Ассортимент Microchip Technology пополнился микросхемами флеш-памяти типа NOR, оснащенными последовательным интерфейсом Serial Quad I/O (SQI). В моделях SST26WF080B и SST26WF040B плотностью 4 и 8 Мбит соответственно используется фирменная технология SuperFlash.

Новые микросхемы рассчитаны на напряжение питания от 1,65 до 1,95 В. По словам производителя, они имеют минимальное время стирания среди подобных изделий. Сектор или блок стирается за 18 мс, вся микросхема - за 35 мс. Для сравнения: микросхемам других производителей для полного стирания необходимо 5-15 с.

Интерфейс SQI, работающий на частоте 104 МГц, обеспечивает высокую пропускную способность при небольшом количестве выводов. Он обеспечивает возможность выполнения программ прямо во флеш-памяти (execute-in-place, XIP), без копирования в оперативную память. Кроме того, интерфейс SQI на уровне набора команд полностью обратно совместим с популярным интерфейсом SPI.

Микросхемы имеют очень низкое энергопотребление, что делает их пригодными для устройств с батарейным питанием, включая сотовые телефоны, гарнитуры, навигаторы и слуховые аппараты. Типовой потребляемый ток в режиме чтения при работе на максимальной частоте равен 15 мА, в режиме простоя - 10 мкА, а в режиме сна он может быть снижен до 1,8 мкА.

Другим достоинством SST26WF080B и SST26WF040B является надежность. Гарантированное число циклов стирания-записи - 100 000, срок хранения информации - 100 лет. Микросхемы предложены в 8-выводных корпусах WSON (6 x 5 мм), SOIC, USON (2 x 3 мм) и XFBGA (Z-Scale) по цене от $0,57 за SST26WF040B и $0,65 за SST26WF080B в оптовых партиях.

Другие интересные новости:

▪ Какао - защита от гипертонии

▪ Охота к перемене мест обедняет жизнь

▪ Китай - крупнейший в производитель солнечной энергии

▪ Дети учатся добру на человеческих историях

▪ ДНК превратили в логические вентили

Лента новостей науки и техники, новинок электроники

 

Интересные материалы Бесплатной технической библиотеки:

▪ раздел сайта Должностные инструкции. Подборка статей

▪ статья Ты все пела? Это дело: так поди же, попляши! Крылатое выражение

▪ статья Что однажды Ельцин приказал сделать с его пресс-секретарем Костиковым? Подробный ответ

▪ статья Монтажник электрооборудования. Типовая инструкция по охране труда

▪ статья Вольтметр с линейной шкалой. Энциклопедия радиоэлектроники и электротехники

▪ статья Заземление и защитные меры электробезопасности. Заземляющие устройства в районах с большим удельным сопротивлением земли. Энциклопедия радиоэлектроники и электротехники

Оставьте свой комментарий к этой статье:

Имя:


E-mail (не обязательно):


Комментарий:





Главная страница | Библиотека | Статьи | Карта сайта | Отзывы о сайте

www.diagram.com.ua

www.diagram.com.ua
2000-2026