Menu Home

Бесплатная техническая библиотека для любителей и профессионалов Бесплатная техническая библиотека


Синтезатор частоты для трансивера. Энциклопедия радиоэлектроники и электротехники

Бесплатная техническая библиотека

Энциклопедия радиоэлектроники и электротехники / Синтезаторы частоты

Комментарии к статье Комментарии к статье

Синтезатор используется в трансивере с ПЧ 5,5 МГц. Подобная структура синтезатора успешно используется в трансивере заводского изготовления "Контур-111" (г.Харьков). Конструкция синтезатора приведена на рис.2. Она используется на протяжении полугода в трансивере с двумя преобразованиями.

Отличительные особенности этого синтезатора - хорошие шумовые характеристики, которые ненамного хуже, чем у обычного ГПД, небольшие размеры, плавная перестройка, а также доступность элементной базы - всего б микросхем. К недостаткам можно отнести то, что здесь нет растяжки по диапазонам и перекрытие на всех диапазонах равно 1,7 МГц, что определяет диапазон 28 МГц. В ГПД нет никаких коммутаций, что способствует стабильности, одинаковой плотности настройки и расстройки на всех диапазонах.

Блок-схема СЧ приведена на рис. 1.

Синтезатор частоты для трансивера
Рис.1

Сигнал ГПД, который полностью определяет стабильность СЧ, подается в смеситель, в котором вычитается из частоты ГУНа и выделяется контурами L7 - L11 - это так называемая ПЧ синтезатора. После сигнал поступает на формирователь импульсов на транзисторе VT11, а с выхода транзистора - на микросхему D3, которая делит его на 4. Это сделано для того, чтобы не выходить за пределы паспортного значения граничной частоты D4. Она равна 12 МГц. С выхода делителя на 4 сигнал подается на ДПКД, коэффициент деления которого устанавливается подачей лог. 1 (лог.1=3-4,5 В) на входы предустановки микросхемы D4.

Микросхема D5 и транзистор VT14 нужны для работы счетчика D4. С выхода D4 сигнал подается на фазовый детектор (ФД), туда же подается напряжение образцовой частоты 500 кГц с кварцевого генератора. Сигнал ошибки с ФД через простой ФНЧ, собранный на С9, С10, R2, подается на варикап в ГУНе. При использовании в трансивере ПЧ 5,5 МГц частоты ГУНа совпадают на диапазонах 3,5-14; 7-18; 10-21 МГц, что позволяет использовать общие контуры как ГУНов, так и смесителей синтезатора. ГУН собран по схеме емкостной трехточки и имеет 2 эмиттерных повторителя для смесителя трансивера и 2 эмиттерных повторителя- для смесителя синтезатора, причем VT4 выступает в роли ответвителя напряжения. Напряжение на выходе VT4 должно быть в пределах 0,3 - 0,4 В и подбирается конденсатором С18. Смеситель СЧ особенностей не имеет и работает от - 0,2 В. Схема смесителя не отличается от ранее опубликованной в [1]. ДПКД на микросхеме D4 имеет 4 входа предустановки. При отсутствии лог. 1 на входах коэффициент деления D4 равен 1. В дальнейшем при подаче лог. 1 на входы D4 через делители напряжения R38 - R41 и R42 - R45 и диодную матрицу VD9 - VD 13 устанавливается нужный Кдел. для данного диапазона.

Кдел. микросхемы D4 для каждого диапазона указан в табл. 1.

Таблица 1
Диапазон RX/TX. МГц Частота ГУН. МГц ГПД начало-конец, МГц Частота на диап. выходе смесителя. МГц Кдел. D3 Кдел. ДПКД D4
1.83-1.93 7.3-7.4 5.3-5.4 2 4 1
3.5-3.8 9-9.3 5-5.3 4 4 2
7.0-7.3 12.5-12.8 4.5-4.8 8 4 4
10-10.5 15.5-16 5.5-6 10 4 5
14.0-14.4 8.5-8.9 4.5-4.9 4 4 2
18.0-18.3 12.5-12.8 4.5-4.8 8 4 4
21.0-21.5 15.5-16 5.5-6 10 4 5
28-29.7 22.5-24.2 4.5-6.2 18 4 9

Кварцевый генератор собран на транзисторе VT12, он работает на частоте 5 МГц. На транзисторе VT13 собран формирователь импульсов, которые делит на 10 микросхема D6. На выходе ее получается напряжение образцовой частоты 500 кГц. Собственно, не обязательно применять кварц на 5 МГц, можно использовать кварц на 1 МГц, 2 МГц, при этом вместо микросхемы К155ИЕ2 можно включить делитель на 2 или 4 соответственно на микросхеме К155ТМ2. Впрочем, сосем не обязательно сравнивать именно на 500 кГц, только при этом нужно пересчитать Кдел. ДПКД и частоту работы ГПД. ФД собран на микросхемах D 1, D2 и транзисторах VT5, VT6, VT7.

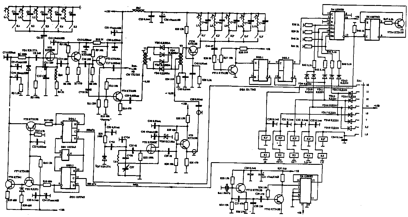
Принципиальная схема. Рис.2

Много различных схем ФД было опробовано в СЧ, но приведенная на рис.2 оказалась лучшей из всех по захвату и удержанию частоты. Схема ФД полностью взята из [2]. Стабильность СЧ полностью определяется стабильностью ГПД, схема которого традиционна и особенностей не имеет. Все методы стабилизации частоты ГПД описаны достаточно хорошо в литературе [1 - 3]. Единственное, что требуется - это установить предел перестройки конденсаторами С34, С36, С37 4,5-6,2 МГц. Конденсатором С32 подбирают требуемое значение расстройки. Смонтирован синтезатор на печатной плате из двустороннего стеклотекстолита размерами 120 х 80 мм. Требования к монтажу те же, что к любой цифровой технике. Катушки L1 - L5 и L7 - L11 намотаны на каркасах от ПЧ транзисторных приемников, снабженных экранами и сердечниками. Данные частоты настройки контуров приведены в табл.2.

Таблица 2
Диап. Частоты настройки конутров, МГц
L1 L2 L3 L4 L5 L7 L8 L9 L10 L11
1.8 7.3 2
3.5 8.5 4
7 12.5 8
10 15.5 10
14 8.5 4
18 12.5 8
21 15.5 10
28 22.5 18

Данные числа витков и значения емкости не приводятся, т.к. зависят от конкретно выбранных каркасов и сердечников. ГПД выполнен отдельным блоком на плате размером 50 х 40 мм и соединяется со смесителем синтезатора тонким коаксиальным кабелей с волновым сопротивлением 75 Ом. Микросхемы D1 и D2 в ФД для уменьшения размеров платы и длин проводников устанавливают одна над другой (D1 над D2), соединив предварительно по схеме нужные выводы. Дроссели Др1, Др2 могут быть 50 - 150 мГн, реле типа РЭС-49. Т1, Т2 намотаны на кольцах К12х6х5, имеющих проницаемость 200 - 1000 НН (некритично). На месте диодов смесителя КД503А хорошо работают также КД521, КД522, КД514А, КД512 и др., им подобные. КП302В заменяется на любой этой серии. Микросхему D3 К531ТМ2 можно заменить на К555ТМ2, К1533ТМ2 или К131ТМ2. Настройка СЧ заключается в установке частоты ГУН, она должна быть ниже примерно на 10 % частоты, приведенной в табл. 2. Фрагмент настройки ГУН приведен в [1].

Контура смесителя СЧ L7 - L11 настраиваются на частоты, которые приведены также в табл.2. Для этого отключают питание от ГПД и ГУНа (для того, чтобы их сигналы не мешали) и в эмиттер VT10 с ГСС подают сигнал требуемой частоты с уровнем около 0,2 В, затем по вольтметру, подключенному к базе VT11, добиваются максимальной амплитуды напряжения настройкой контуров L7 - L11 в резонанс. Для устойчивой работы напряжение на базе транзистора VT11 должно быть - 0,5В. Питается СЧ от трех напряжений - +5 В; +12В;+15В. Синтезатор может быть рассчитан на другое значение ПЧ трансивера, например, 5; 9; 8,814 МГц и др. Для этого придется изменять Кдел. D4. Это можно сделать в соответствии с табл.3.

Таблица 3
Кдел. D4 в Входы D4 коде: 1.2.4.8 Лог. состоян. на вх.
1 1,2,4,8 0
2 1
3 2 1
4 1.2 1
5 4 1
6 1,4 1
7 2,4 1
8 1,2,4 1
9 8 1
10 1,8 1
11 2,8 1
12 1,2,8 1
13 4.8 1
14 1.4,8 1
15 2,4,8 1
16 1,2,4,8 1

Комбинируя входы предустановки D4, можно получать Кдел от 1 до 16. ГПД СЧ к тому же можно застабилизировать с помощью цифровой шкалы, как это сделано в [3].

Литература

1. Жемков С. Синтезатор частоты трансивера. Радиолюбитель. 1992, №9, С.35 - 36.
2. Денисов В. Синтезатор частоты трансивера. Радио. - 1990, №2, С.33.
3. Лаповок Я. Высокостабильный ГПД. Радио. - 1989, №3, С.23 - 25.

Автор: М. Сербенко (UB2MF), г.Кировск Луганской обл.; Публикация: Н. Большаков, rf.atnn.ru

Смотрите другие статьи раздела Синтезаторы частоты.

Читайте и пишите полезные комментарии к этой статье.

<< Назад

Последние новости науки и техники, новинки электроники:

Власть является ключевым фактором счастья в отношениях 11.03.2026

Исследования семейных и романтических отношений показывают, что длительное счастье пары зависит не только от привычных факторов, таких как доверие, уважение и преданность, но и от более тонких психологических аспектов. Современные ученые ищут закономерности, которые отличают действительно счастливые пары от остальных, чтобы понять, какие механизмы поддерживают гармонию в отношениях. Группа исследователей из Университета Мартина Лютера в Галле-Виттенберге и Бамбергского университета провела опрос среди 181 пары, которые состояли в совместных отношениях более восьми лет и прожили вместе хотя бы месяц. Участники заполняли анкету, описывая различные аспекты своих отношений, включая распределение обязанностей, эмоциональную поддержку и степень вовлеченности в совместные решения. Анализ данных показал интересный паттерн: пары, где оба партнера ощущали высокий уровень личной власти, оказывались наиболее счастливыми и удовлетворенными. В данном контексте под властью понимается способност ...>>

Защищенная колонка-повербанк Anker Soundcore Boom Go 3i 11.03.2026

Компания Anker представила новую модель линейки Soundcore - колонку Soundcore Boom Go 3i, ориентированную на активное использование на улице. Новинка отличается высокой степенью защиты: корпус соответствует стандарту IP68, что обеспечивает водо- и пыленепроницаемость, а ударопрочный дизайн выдерживает падение с высоты до одного метра. За качество звука отвечает 15-ваттный драйвер, обеспечивающий пик громкости до 92 дБ, а технология BassUp 2.0 усиливает низкие частоты, делая звучание более насыщенным. Колонка обладает автономностью до 24 часов, а LED-индикатор позволяет контролировать уровень заряда батареи. Кроме того, Soundcore Boom Go 3i может выполнять функцию павербанка: согласно внутренним тестам, устройство способно зарядить iPhone 17 с нуля до 40% за один час, что делает его полезным аксессуаром в походах и поездках. Среди функциональных особенностей модели стоит выделить технологию Auracast, которая улучшает подключение и позволяет создавать стереопару из двух колонок ...>>

Раннее воздержание от алкоголя перестраивает мозг и иммунитет 10.03.2026

Алкогольная зависимость - хроническое расстройство с компульсивным употреблением спиртного, которое влияет не только на поведение, но и на функционирование мозга и иммунной системы. Недавние исследования показали, что даже на ранних этапах воздержания организм начинает перестраиваться, открывая новые возможности для терапии зависимости. Ученые сосредоточились на пациентах, находящихся в первые недели абстиненции, и зафиксировали значительные изменения в мозговой активности. С помощью функциональной магнитно-резонансной томографии они выявили перестройку сетей нейронных связей, отвечающих за контроль импульсов и принятие решений. Эти изменения могут быть ключевыми для восстановления самоконтроля и снижения риска рецидива. Одновременно с нейронной перестройкой исследователи наблюдали колебания иммунной системы. В крови повышался уровень цитокинов - сигнальных белков, регулирующих воспалительные процессы. Эти данные свидетельствуют о существовании нейроиммунного взаимодействия, при ...>>

Случайная новость из Архива

Открыта новая квантовая фаза материи на грани двух материалов 20.08.2025

Одним из направлений исследований современной науки остается поиск новых квантовых фаз материи, которые возникают при особых сочетаниях материалов и экстремальных условиях. Недавнее открытие, сделанное учеными Ратгерского университета, показывает, что граница между разными веществами может скрывать уникальные состояния, ранее неизвестные науке.

В ходе эксперимента исследователи объединили два необычных материала - вейловский полуметалл и так называемый спиновый лед. Вейловские полуметаллы известны благодаря существованию в них вейловских фермионов, обеспечивающих почти без потерь прохождение электрического тока. Спиновый лед, в свою очередь, отличается особым порядком магнитных моментов, напоминающим расположение атомов водорода в ледяной кристаллической решетке. На границе этих веществ и проявилось новое квантовое явление.

При воздействии сверхвысоких магнитных полей и в условиях экстремально низких температур ученые заметили необычное поведение электронов. Вместо привычного движения они распределялись в шести нестандартных направлениях, сопровождаемых минимальной проводимостью. Подобный эффект ранее никогда не наблюдался. Он получил объяснение как проявление электронной анизотропии, связанной с нарушением вращательной симметрии. Все это указывает на формирование совершенно нового состояния - квантового жидкого кристалла.

Особый интерес вызвал и тот факт, что при дальнейшем усилении магнитного поля электроны внезапно перестраивались и начинали двигаться только в двух противоположных направлениях. Это поведение усилило представление о необычности состояния, которое не укладывается в рамки известных моделей проводимости.

Чтобы реализовать такой эксперимент, исследовательская группа разработала особую установку Q-DiP (Quantum phenomena discovery platform). Она позволила создавать сверхтонкие атомные слои и строить гетероструктуры с заданными квантовыми свойствами. Именно эта технологическая база сделала возможным открытие новой фазы материи.

Помимо чисто фундаментального значения, работа имеет и прикладной потенциал. Квантовые жидкие кристаллы могут лечь в основу разработки высокочувствительных сенсоров магнитных полей, способных работать в условиях, где традиционные приборы бессильны, например, в космосе или внутри мощных промышленных установок.

Как отметил первый автор статьи Цзун-чи Ву, исследование следует рассматривать как первый шаг к дальнейшему изучению новых квантовых фронтиров. По его словам, открытие должно вдохновить физическое сообщество на поиск других необычных фаз материи, которые могут изменить представления о взаимодействии электронов и магнетизме.

Другие интересные новости:

▪ Мысль управляет генами

▪ Отладочная плата MSP-EXP432P401R для интернета вещей

▪ Человекоподобные роботы Asimo продолжают совершенствоваться

▪ Финляндия запустит в космос деревянный спутник

▪ Электросхемы на чайном грибе

Лента новостей науки и техники, новинок электроники

 

Интересные материалы Бесплатной технической библиотеки:

▪ раздел сайта Инструкции по эксплуатации. Подборка статей

▪ статья Их знали только в лицо. Крылатое выражение

▪ статья Как видят летучие мыши? Подробный ответ

▪ статья Аппаратчик очистки сточных вод. Типовая инструкция по охране труда

▪ статья Принцип работы ветрогенератора. Энциклопедия радиоэлектроники и электротехники

▪ статья Синтезатор речи. Энциклопедия радиоэлектроники и электротехники

Оставьте свой комментарий к этой статье:

Имя:


E-mail (не обязательно):


Комментарий:





Главная страница | Библиотека | Статьи | Карта сайта | Отзывы о сайте

www.diagram.com.ua

www.diagram.com.ua
2000-2026