Бесплатная техническая библиотека
Цифровая шкала / Частотомер DS018. Энциклопедия радиоэлектроники и электротехники

Энциклопедия радиоэлектроники и электротехники / Цифровая техника
Комментарии к статье
Характеристики устройства:
| Диапазон измеряемых частот |
1 кГц...35 МГц. |
| Дискретность отсчета частоты |
100Гц. |
| Скорость обновления показаний |
постоянная, 5 раз/сек. |
| Напряжение входного сигнала |
не менее 0,5в. эфф. |
| Напряжение питания устройства: |
7...24В. |
| Ток потребления |
не более 100мА* |
* Общий ток потребления DS018 и DLED1_6 не более 70мА.
Особенности Измерительного Блока DS018
- Возможность использования в режиме частотомера.
- Раздельное исполнение Измерительного блока DS018 и Индикатора.
- Минимальное количество соединительных проводов (GND; Data).
- Скорость обновления показаний 5 раз/сек.
- Скорость передачи данных от Измерительного Блока DS018 к Индикатору выбрана минимально возможной, что позволило избавиться от наводок на чувствительный приёмный тракт трансивера без какой-либо дополнительной экранировки.
- Раздельное питание Измерительного Блока DS018 и Индикатора.
- Длина линии связи между Измерительным блоком и индикатором до 5 метров (I).
- Цифровой гистерезис младшего разряда сводит к минимуму его "дрожание".
- Возможность параллельного подключения неограниченного количества индикаторов к одному Измерительному Блоку DS018 (дублирование показаний).
- Работоспособность в трансиверах, использующих удвоение частоты гетеродина (*2).
- Поддержка до 12 рабочих диапазонов.
- Кратковременный переход в режим частотомера при нажатии на кнопку, расположенную на плате Измерительного Блока.
- Возможность многократного (не менее 100000 раз) перепрограммирования Пользователем значения ПЧ или частоты "подставки" для каждого диапазона раздельно а также знака (сложение или вычитание).
- Простое для понимания и удобное изменение Пользователем настроек.
- Энергонезависимая память EEPROM для хранения настроек Пользователя.
- Сохраность настроек Пользователя в течение более 10 лет без напряжения питания.
- Отключаемая Пользователем защита памяти EEPROM от случайного стирания при сбоях питания.
- Возможность электронной калибровки Цифровой шкалы/Частотомера самим Пользователем по эталонному Генератору.
- Низкий потребляемый ток.
- Компактные размеры 54х44х23мм. (ширина, длина и высота платы).
Особенности Светодиодного Индикатора DLED1_6:
- Равномерное свечение всех сегментов.
- Плавная/ступенчатая регулировка яркости индикатора.
- Высокая скорость динамической индикации.
- Низкий потребляемый ток.
- Компактные размеры 64х34х18мм. (ширина, длина и высота платы). 45,5х14мм (окно индикатора).
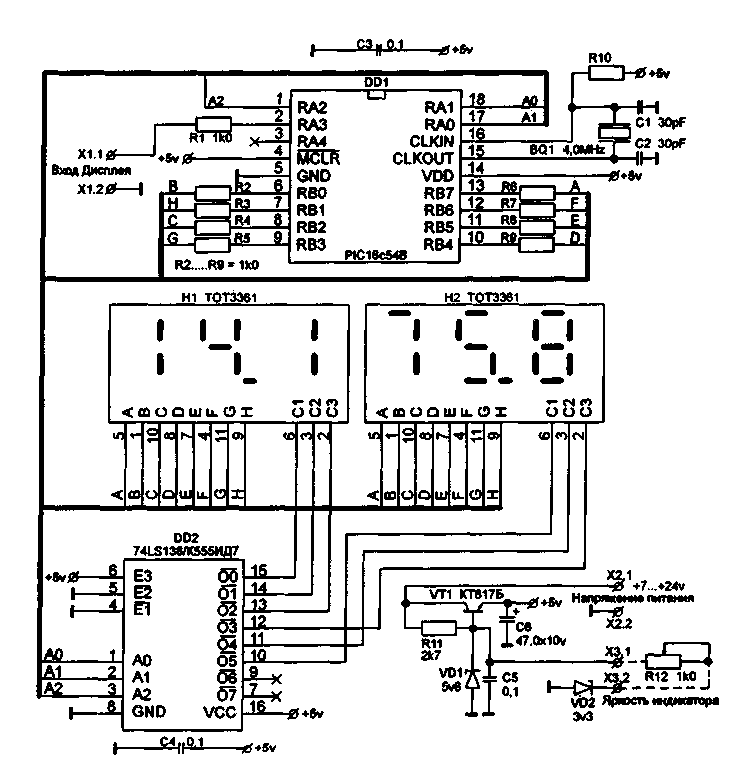
Измерительный Блок DS018
Светодиодный индикатор DLED1_6
Принципиальная схема измерительного блока DS018
Принципиальная схема светодиодного дисплея DLED1_6
Автор: Николай Большаков, rf.atnn.ru
Смотрите другие статьи раздела Цифровая техника.
Читайте и пишите полезные комментарии к этой статье.
<< Назад
Последние новости науки и техники, новинки электроники:
Токсичность интернета преувеличена
07.01.2026
Социальные сети нередко воспринимаются как арена постоянной агрессии, оскорблений и распространения фейковой информации. Новое исследование Стэнфордского университета показывает, что реальность значительно отличается от популярного представления: интернет гораздо менее токсичен, чем многие пользователи считают.
Ученые опросили более тысячи американцев, попросив их оценить долю пользователей соцсетей, которые ведут себя агрессивно или распространяют ненависть. Оказалось, что впечатления людей сильно преувеличивают масштабы проблемы. Например, респонденты считали, что почти половина пользователей Reddit хотя бы раз оставляла оскорбительные комментарии, тогда как фактические данные платформы показывают, что таких людей не более 3%.
Аналогичная ситуация наблюдается с дезинформацией. Опрос показал, что большинство участников считали почти половину аудитории Facebook распространителями фейковых новостей, однако статистика говорит об обратном: фактическая доля таких пользователей состав ...>>
Процессоры Ryzen AI 400
07.01.2026
Современные вычисления все больше ориентируются на интеграцию искусственного интеллекта и высокую производительность в компактных устройствах, таких как ноутбуки и мини-ПК. Новая линейка процессоров AMD Ryzen AI 400 демонстрирует, как разработчики объединяют мощные центральные ядра, графику и нейросетевые ускорители в одном чипе, чтобы удовлетворять растущие потребности пользователей в играх, контенте и ИИ-приложениях.
AMD представила процессоры серии Gorgon Point, которые включают до 12 ядер Zen 5 и до 24 потоков вычислений. Чипы поддерживают интегрированную графику RDNA 3.5, обеспечивают максимальную тактовую частоту до 5,2 ГГц и имеют энергопотребление от 15 Вт до 54 Вт. Особое внимание уделено NPU, способному обрабатывать до 60 триллионов операций в секунду (TOPS), что делает эти процессоры эффективными для задач с искусственным интеллектом.
Конструкция Ryzen AI 400 сочетает ядра Zen 5 и Zen 5c, обеспечивая высокую гибкость и производительность. Несмотря на то, что архитектур ...>>
Женщины лучше распознают признаки болезни по лицу
06.01.2026
Способность распознавать, что кто-то нездоров, часто проявляется интуитивно: бледная кожа, опущенные веки, уставшее выражение лица могут сигнализировать о недомогании. Новое исследование международной группы ученых показало, что женщины в среднем точнее мужчин улавливают такие тонкие невербальные признаки болезни, что может иметь эволюционные и социальные объяснения.
В отличие от предыдущих работ, где использовались отредактированные фотографии или имитация больных лиц, ученые решили проверить, насколько люди способны распознавать естественные признаки недомогания. Такой подход позволил оценить реальную чувствительность к изменениям в лицах, возникающим при болезни.
В исследовании приняли участие 280 студентов, поровну мужчин и женщин. Участникам предложили оценить 24 фотографии, на которых изображены люди как в здоровом состоянии, так и во время болезни. Это дало возможность сравнить восприятие естественных признаков недомогания в реальных лицах.
Для анализа состояния каждого ...>>
Случайная новость из Архива Беспроводные наушники Edifier Lolli Pro SE
03.09.2025
Компания Edifier представила новые беспроводные наушники Lolli Pro SE, в которых сочетаются невысокая цена и набор функций, характерный для гораздо более дорогих решений.
С внешней стороны Lolli Pro SE не выглядят революционно. Они выполнены в классическом форм-факторе с ножкой и мягкими силиконовыми амбушюрами. Однако производитель сделал акцент на комфорте и гигиеничности: насадки покрыты антибактериальным составом, что продлевает срок их использования и снижает риск раздражения кожи. На выбор предложены четыре цветовых варианта - белый Cloud White, мятно-зеленый Mint Green, фиолетовый Ice Kite Purple и темно-синий Secret Night Blue.
Практичность модели подтверждает и степень защиты IP55, которая делает наушники устойчивыми к пыли и брызгам. Это значит, что дождь или тренировки на улице не станут для них проблемой. Пока Lolli Pro SE продаются только в Китае, но вполне вероятно, что в будущем они появятся и на других рынках, возможно, под новым названием. Стоимость устройства составляет около 35 долларов, что делает их особенно привлекательными на фоне конкурентов.
Ключевое внимание разработчики уделили технической начинке. Наушники получили поддержку Bluetooth 6.0, что обеспечивает стабильное соединение и низкое энергопотребление. Они могут подключаться сразу к двум устройствам, а в игровом режиме задержка снижается до 0,06 секунды - показатель, который заметно улучшает восприятие динамичных игр и видео.
Отдельного упоминания заслуживает система шумоподавления. Встроенные алгоритмы позволяют снизить уровень внешних звуков до 48 дБ, что приближает Lolli Pro SE к премиальным моделям. Каждый наушник оснащен тремя микрофонами, благодаря чему голос звучит отчетливо даже в шумной обстановке. Поддержка стандарта Hi-Res Audio Wireless и кодека LDAC обеспечивает качественное воспроизведение музыки, а функция пространственного звука добавляет глубину и объем. Дополнительно реализовано подавление шума ветра при скорости до 21 км/ч, что особенно актуально для тех, кто часто пользуется гарнитурой на улице.
Через приложение Edifier Connect пользователи получают доступ к дополнительным функциям, включая синхронный перевод на 21 язык. Это решение подчеркивает стремление компании сделать устройство не просто средством для прослушивания музыки, а универсальным инструментом для общения и работы.
Автономность стала еще одним сильным аргументом в пользу Lolli Pro SE. Наушники способны воспроизводить музыку до 10 часов с активированным шумоподавлением и до 13 часов без него. С зарядным кейсом общее время работы увеличивается до 33 и 43 часов соответственно. Быстрая подзарядка обеспечивает до 4 часов воспроизведения всего за 15 минут, что превосходит многие модели более высокого ценового сегмента.
|
Другие интересные новости:
▪ Роботы-гуманоиды уже в продаже
▪ Универсальный программатор с интерфейсом USB
▪ Новости мышиной анатомии
▪ Пьезоэлектрические MEMS-микрофоны для смартфонов
▪ Теплый дом
Лента новостей науки и техники, новинок электроники
Интересные материалы Бесплатной технической библиотеки:
▪ раздел сайта Электродвигатели. Подборка статей
▪ статья Ба! знакомые все лица. Крылатое выражение
▪ статья Как функционируют наши почки? Подробный ответ
▪ статья Универсальная мини-дрель. Домашняя мастерская
▪ статья Сирена для модели. Энциклопедия радиоэлектроники и электротехники
▪ статья УМЗЧ для компьютера. Энциклопедия радиоэлектроники и электротехники
Оставьте свой комментарий к этой статье:
Главная страница | Библиотека | Статьи | Карта сайта | Отзывы о сайте

www.diagram.com.ua
2000-2026