Бесплатная техническая библиотека
Современная автомобильно-стационарная радиостанция. Энциклопедия радиоэлектроники и электротехники

Энциклопедия радиоэлектроники и электротехники / Гражданская радиосвязь
Комментарии к статье
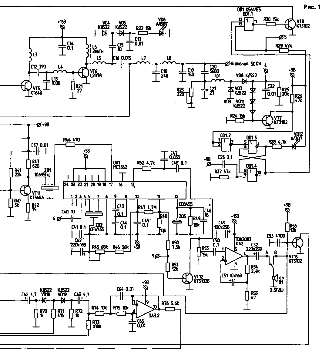
Принципиальная электрическая схема радиостанции диапазона 27 МГц приведена на рис.1 и 2.
Принципиальная электрическая схема (1)
Принципиальная электрическая схема (2)
Технические характеристики
Рвых 15...17 Вт
Напряжение питания 12...13,5 B
Количество каналов (европейская и
российская сетки)90+90
Вид излученияF3Е (ЧМ)
Диапазон частот 26965...27855 кГц
Чувствительность при отношении с/ш 12дБ 0,3 мкВ
Избирательность по всем побочным
каналам, не менее 60 Дб
Избирательность по соседним
каналам, не менее 80 Дб
Время перестройки частоты, не более 100 мс
В режиме приема станция работает следующим образом. Сигнал, принятый антенной, проходит через трансформатор тока Тр1 и ФНЧ, состоящий из элементов С19, L8, С18, L7 и части емкости С24, затем проходит через полосовой фильтр, состоящий из двух связанных контуров, образованных элементами С24, С25, L9, L10, С26, С27, С28. Диоды VD13, VD14 выполняют двоякую роль. Во-первых, они защищают вход приемника в режиме передачи, а во-вторых, соединяют С25 с корпусом.
Таким образом, в режиме передачи емкости С24, С25 можно считать включенными параллельно. Далее сигнал поступает на УРЧ, включенный по схеме с ОБ, которая обладает большей линейностью. Нагрузкой УРЧ является контур С31. С32, L14. Диоды VD15, VD16 осуществляют защиту смесителя в режиме передачи. Смеситель собран на полевом транзисторе VT10.
Напряжение гетеродина снимается с части катушки L13 и через элементы R37, С33, R38 подается в исток VT10. Нагрузкой смесителя является колебательный контур, настроенный на частоту 10695 кГц. Первый гетеродин собран на VT14 по схеме с ОК. Управляющее напряжение поступает на варикап VD 17. С делителя напряжения R61, R62 высокочастотное напряжение поступает на вход ДПКД (вывод 41) микросхемы DD2 Сигнал первой ПЧ далее поступает на вход буферного усилителя, собранного на VT11. Этот усилитель осуществляет развязку смесителя и кварцевого фильтра ZQ1. Фильтр ZQ1 является монолитным кварцевым фильтром 4-го порядка с полосой пропускания порядка 8 кГц. Резистор R44 частично служит нагрузкой фильтра ZQ1.
Далее сигнал поступает на второй смеситель, находящийся в DA1 В данной конструкции МС3362 используется как приемник с однократным преобразованием частоты. Использование МС3362 (а равно и других однокристальных узкополосных приемников с двумя преобразованиями частоты) с кварцевым фильтром в схемах с двойным преобразованием частоты нецелесообразно, т.к. кварцевые фильтры имеют достаточно большие размеры, а выводы входа и выхода у МС3362 для подключения фильтра расположены рядом. Поэтому возникает достаточно сильная электрическая связь, и характеристики кварцевого фильтра не могут быть реализованы полностью. С другой стороны, линейность однокристальных приемников оставляет желать лучшего.
Вся дальнейшая обработка и детектирование сигнала осуществляется в DA1. R45 является регулятором уровня шумоподавителя (ШП). Детектирование сигнала осуществляется при помощи фазосдвигающего керамического резонатора ZQ3 на частоту 455 кГц. Если ШП закрыт, в этом режиме возможно сканирование по каналам до момента обнаружения несущей В момент обнаружения несущей напряжение в точке 9 падает до нуля, и сканирование останавливается НЧ-сигнал с вывода 13 МС3362 поступает на цепь низкочастотной коррекции, образованную элементами R52, С47 а далее - на регулятор громкости R53.
Возбудитель сигнала передатчика (ГУН) собран на транзисторе VT1 по схеме с ОК. Модулирующее НЧ-напряжение поступает на анод VD1. Возбудитель включается ключом VT2 Элементы VD1, С2, C3, L1, С5, С6 являются частотозадающими. С выхода возбудителя сигнал поступает на буферный усилитель VT3. Элементы R12, R13, R14, VD2, VD3 образуют коммутатор, обеспечивающий надежную развязку возбудителя от усилителя мощности передатчика. Коммутатор пропускает сигнал на УМ только тогда, когда в петле ФАПЧ закончится переходный процесс.
Первый каскад ЧМ собран на VT4 по схеме с ОЭ и работает в режиме А. Элементы L2, С 10 образуют трансформатор сопротивления между выходным сопротивлением VT4 и входным VT5. Между каскадами VT5, VT6 стоит трансформатор сопротивления, состоящий из каскадно соединенных цепей 1-3,С12иС13, L4 L5 и часть емкости С24 трансформируют выходное сопротивление VT6 в сопротивление 50 Ом.
(нажмите для увеличения)
Незначительная часть проходящей мощности выпрямляется диодами VD4, VD5 и поступает на светодиод VD12, который служит индикатором работы передатчика.
Далее сигнал проходит ФНЧ и трансформатор тока Тр1.
На элементах R23, С21 С20, Тр1, VD7, VD8, С22, R25 собрана схема контроля рассогласования в антенне.
Чем больше уровень рассогласования в антенне тем выше уровень постоянного напряжения в точке 4. Таким образом, контролируя напряжение в точке 4, можно настроить антенну радиостанции. Если рассогласование велико (например, обрыв антенны), открывается VT7. Триггер собранный на элементах DD1 3, DD1 4 перебрасывается, VT8 закрывается, светодиод VD12 загорается. Сигнал возбудителя уже не поступает на вход усилителя мощности При возникновении такой ситуации необходимо сразу выключить станцию. Элементы С23, R27 служат для установки триггера в исходное состояние.
В режиме передачи динамическая головка В1 подсоединяется к точке В, транзисторы VT13 VT15, VT16 закрываются, а VT12, VT17 открываются.
В режиме ПРД кнопки управления S1 S6 блокируются.
Усилитель-ограничитель и ФНЧ сигнала микрофона собраны на DA3.
Синтез частот и управление всеми режимами станции осуществляется с помощью БИС DD2. Опорный генератор 10240 кГц (ZQ4) одновременно является вторым гетеродином приемника Подробное описание работы DD2 можно найти в [2]. Кнопка S1 - включение сканирования (возможно только в режиме закрытого ШП), S2 - переход к индикации диапазона и обратно, кнопка S3 - движение вниз по каналам (диапазонам), S4 - движение вверх по каналам (диапазонам), S5 - переход на канал N9, S6 - изменение сетки "0/5".
Младшая десятичная точка индикатора Н1 является индикатором захвата кольца ФАПЧ. При правильной работе кольца она погашена.
Станция питается от стабилизированного источника с выходным током не менее 3 А.
Литература
1 Радиолюбитель, 1996, N10
2 Радиолюбитель, 1998, N2
3 Радиолюбитель, 1998, N9
4 Радиолюбитель, 2000, N2
5 Манасевич В. Синтезаторы частот - М Связь, 1979
Автор: В.Васильев, г.Оренбург; Публикация: Н. Большаков, rf.atnn.ru
Смотрите другие статьи раздела Гражданская радиосвязь.
Читайте и пишите полезные комментарии к этой статье.
<< Назад
Последние новости науки и техники, новинки электроники:
Власть является ключевым фактором счастья в отношениях
11.03.2026
Исследования семейных и романтических отношений показывают, что длительное счастье пары зависит не только от привычных факторов, таких как доверие, уважение и преданность, но и от более тонких психологических аспектов. Современные ученые ищут закономерности, которые отличают действительно счастливые пары от остальных, чтобы понять, какие механизмы поддерживают гармонию в отношениях.
Группа исследователей из Университета Мартина Лютера в Галле-Виттенберге и Бамбергского университета провела опрос среди 181 пары, которые состояли в совместных отношениях более восьми лет и прожили вместе хотя бы месяц. Участники заполняли анкету, описывая различные аспекты своих отношений, включая распределение обязанностей, эмоциональную поддержку и степень вовлеченности в совместные решения.
Анализ данных показал интересный паттерн: пары, где оба партнера ощущали высокий уровень личной власти, оказывались наиболее счастливыми и удовлетворенными. В данном контексте под властью понимается способност ...>>
Защищенная колонка-повербанк Anker Soundcore Boom Go 3i
11.03.2026
Компания Anker представила новую модель линейки Soundcore - колонку Soundcore Boom Go 3i, ориентированную на активное использование на улице.
Новинка отличается высокой степенью защиты: корпус соответствует стандарту IP68, что обеспечивает водо- и пыленепроницаемость, а ударопрочный дизайн выдерживает падение с высоты до одного метра. За качество звука отвечает 15-ваттный драйвер, обеспечивающий пик громкости до 92 дБ, а технология BassUp 2.0 усиливает низкие частоты, делая звучание более насыщенным.
Колонка обладает автономностью до 24 часов, а LED-индикатор позволяет контролировать уровень заряда батареи. Кроме того, Soundcore Boom Go 3i может выполнять функцию павербанка: согласно внутренним тестам, устройство способно зарядить iPhone 17 с нуля до 40% за один час, что делает его полезным аксессуаром в походах и поездках.
Среди функциональных особенностей модели стоит выделить технологию Auracast, которая улучшает подключение и позволяет создавать стереопару из двух колонок ...>>
Раннее воздержание от алкоголя перестраивает мозг и иммунитет
10.03.2026
Алкогольная зависимость - хроническое расстройство с компульсивным употреблением спиртного, которое влияет не только на поведение, но и на функционирование мозга и иммунной системы. Недавние исследования показали, что даже на ранних этапах воздержания организм начинает перестраиваться, открывая новые возможности для терапии зависимости.
Ученые сосредоточились на пациентах, находящихся в первые недели абстиненции, и зафиксировали значительные изменения в мозговой активности. С помощью функциональной магнитно-резонансной томографии они выявили перестройку сетей нейронных связей, отвечающих за контроль импульсов и принятие решений. Эти изменения могут быть ключевыми для восстановления самоконтроля и снижения риска рецидива.
Одновременно с нейронной перестройкой исследователи наблюдали колебания иммунной системы. В крови повышался уровень цитокинов - сигнальных белков, регулирующих воспалительные процессы. Эти данные свидетельствуют о существовании нейроиммунного взаимодействия, при ...>>
Случайная новость из Архива Возможно, мы одиноки во Вселенной
20.05.2025
Вопрос о существовании внеземных цивилизаций волнует человечество на протяжении многих десятилетий. Развитие радиоастрономии, запуск проектов по поиску сигналов от иных форм разума и активное обсуждение космического будущего Земли сделали проблему поиска инопланетной жизни одной из важнейших в современной науке. Однако несмотря на стремительное развитие технологий и усилия научного сообщества, ни одного убедительного сигнала от другой цивилизации зафиксировано не было. Это обстоятельство вызывает недоумение и ставит под сомнение наше представление о законах развития жизни во Вселенной.
Американский исследователь Мэтью Чивилетти предложил взглянуть на это молчание с точки зрения вероятностей. Его работа, опубликованная в 2025 году, предлагает математическую модель, которая показывает, каковы шансы на обнаружение хотя бы одного сигнала от инопланетной цивилизации в зависимости от их гипотетического числа в Галактике. Согласно его расчетам, если в Млечном Пути существует хотя бы одна другая технологически развитая цивилизация, то вероятность того, что мы уже должны были бы обнаружить ее сигнал, составляет около 99%. Следовательно, отсутствие такого сигнала может говорить о куда более тревожных выводах.
Эти выводы могут означать, что разумная жизнь во Вселенной либо чрезвычайно редка, либо по каким-то причинам избегает контакта. Возможно, другие цивилизации существуют, но не используют радиосвязь, не заинтересованы в общении или слишком быстро исчезают, прежде чем успевают заявить о себе. Эта идея перекликается с известным парадоксом Ферми, который гласит: при огромном числе звезд и планет, потенциально пригодных для жизни, мы все еще не видим никаких признаков существования иного разума.
Чтобы понять, почему Вселенная остается безмолвной, Чивилетти опирается на уравнение Дрейка - математическую формулу, учитывающую такие параметры, как скорость образования звезд, наличие пригодных для жизни планет, вероятность зарождения жизни и ее развития до технически развитой стадии. Однако все эти параметры остаются крайне неопределенными, что затрудняет точные оценки. Тем не менее, даже отрицательные результаты наблюдений позволяют ученым корректировать допущения и сужать диапазон возможных сценариев.
Интересно, что нулевые данные, полученные в ходе работы программ вроде SETI, сами по себе несут научную ценность. Они помогают исключать некоторые гипотезы - например, что цивилизации активно и массово транслируют радиосигналы. Возможно, разумные формы жизни слишком краткоживущи или обладают иными средствами связи, недоступными нашему восприятию. Не исключено и то, что они преднамеренно скрываются, соблюдая принцип "космической тишины" в целях безопасности.
Современные технологии все еще далеки от того, чтобы обеспечить полный охват даже ближайших звездных систем. Поэтому, по мнению Чивилетти, хотя статистика и может намекать на одиночество человечества, окончательных выводов делать рано. Тот факт, что мы пока не услышали "голоса" из космоса, может быть не окончательным приговором, а лишь отражением наших нынешних ограничений.
Возможно, молчание Вселенной - это не знак того, что мы одиноки, а напоминание о том, как мало мы пока понимаем о механизмах жизни и разума. Поиски продолжаются, и каждый день приближает нас либо к открытию, которое изменит наш взгляд на место человечества во Вселенной, либо к более глубокому осмыслению собственной уникальности.
|
Другие интересные новости:
▪ VR-очки для мышей
▪ Роль лесов преувеличивают
▪ Моделируется извержение вулкана
▪ Протокол для проектирования многомерных состояний
▪ Гибрид атомных часов и сверхточных весов
Лента новостей науки и техники, новинок электроники
Интересные материалы Бесплатной технической библиотеки:
▪ раздел сайта Шпионские штучки. Подборка статей
▪ статья Комбайн огородника. Чертеж, описание
▪ статья На каком языке говорит сатана в переводе Нового Завета на шотландский? Подробный ответ
▪ статья Метеора. Чудо природы
▪ статья Солнечные часы. Энциклопедия радиоэлектроники и электротехники
▪ статья Подавитель эфирных помех. Энциклопедия радиоэлектроники и электротехники
Оставьте свой комментарий к этой статье:
Главная страница | Библиотека | Статьи | Карта сайта | Отзывы о сайте

www.diagram.com.ua
2000-2026