Menu Home

Бесплатная техническая библиотека для любителей и профессионалов Бесплатная техническая библиотека


Узлы KB трансивера. Энциклопедия радиоэлектроники и электротехники

Бесплатная техническая библиотека

Энциклопедия радиоэлектроники и электротехники / Гражданская радиосвязь

Комментарии к статье Комментарии к статье

В продолжение публикации узлов KB TRX [1], предлагаю читателям окончательный вариант основной платы трансивера.

Каких-либо уникальных решений этот узел не имеет, схемотехника - вариации на тему TRX RA3AO и Урал-84М. Главные требования при выборе конструкции - повторяемость, простота при сохранении максимально достижимых характеристик. Использована доступная на сегодняшний день элементная база. Многие решения можно подвергнуть критике - творческий процесс бесконечен, за постоянными переделками и усовершенствованиями сложно увидеть законченный вариант, но нужно было остановиться и изготовить промышленным способом печатные платы.

Изначально трансивер задумывался для работы SSB как основным видом излучения. Для сужения полосы пропускания введен четырехкристальный подчисточный фильтр с регулировкой полосы. Для любителей узкополосного приема можно рекомендовать, как это делается в фирменных TRX, идти на дополнительные затраты по изготовлению или приобретению высококачественных узкополосных кварцевых фильтров. Как правило, самодельный лестничный фильтр из кварцев, наиболее популярных в среде радиолюбителей, имеет недостаточные характеристики для качественного узкополосного приема. Для этих целей нужно делать фильтр по дифференциально-мостовой схеме или использовать кварцы очень высокого качества. Можно купить комплект фирменных фильтров, хотя по стоимости они будут сопоставимы со всеми остальными затратами на трансивер.

Вариант "преобразования вверх" не рассматривался из-за отсутствия достаточно простой и отработанной схемы синтезатора частоты. Этот вариант построения имеет смысл в устройстве с непрерывным перекрытием от 1 до 30 МГц, а для работы в девяти узких любительских диапазонах приемлемую избирательность можно обеспечить более дешевой ПЧ 5...9 МГц.

Многие испытывают проблемы с подавлением несущей не менее чем на 40 дБ при формировании SSB сигнала непосредственно на ПЧ. Мне кажется, что эта проблема больше надумана, нежели она есть на самом деле. Практически во всех дешевых фирменных трансиверах формирование происходит на ПЧ 8...9 МГц. Думаю, вряд ли кто-то услышит неподавленную несущую например в TRX FT840 или TS50. Качество узла формирователя SSB сигнала зависит от грамотности и настойчивости изготовителя. Отличные характеристики можно получить используя простейший модулятор на варикапах, как это сделано в TRX Урал-84. Только не нужно стремиться получать от модулятора уровни, достаточные для раскачки выходного каскада - тогда подавить несущую не удается.

При отработке основной платы использовались элементы, которые можно найти практически на любом радиорынке. Что-то особенное, с позолоченными выводами, с индексом ВП исключалось сразу же. Например, требуемый коэффициент усиления можно получить от двух каскадов на импортных BF980. Но они не всегда бывают в продаже, поэтому использованы отечественные аналоги КП327, хотя они и имеют худшие параметры. В плате отсутствуют какие-либо незаменимые детали. Чувствительность со входа платы, которой можно достичь без тщательной отладки индивидуально каждого каскада - 0,2...0,3 мкВ, при подборе деталей и тщательной настройке - 0,08...0,1 мкВ. Один из трансиверов с такой основной платой и синтезатором, описанным в [2], имел при отключенном УВЧ чувствительность 0,4 мкВ и двухсигнальную избирательность при подаче двух сигналов с разносом 8 кГц, 95 дБ. Измерения проведены UT5TC. Это не предельные величины, т.к. в трансивере были применены входные полосовые фильтры на каркасах диаметром 6 мм с довольно высоким затуханием и обычные высокочастотные диоды в смесителе. Хотя, как показывает опыт, в трансиверах, которые предназначены для обычной повседневной работы в эфире, не следует гнаться за цифрами динамического диапазона. Значение 80 дБ устраивает большинство радиолюбителей.

Применение супердинамичного приемника имеет смысл только в TRX для очных соревнований и при условии, что все участники работают линейными сигналами. Проблемы с помехами от передатчика соседа чаще возникают не от низкого динамического диапазона приемника, а от того, что горе-радиолюбитель, пытаясь всех перекричать, настраивает свой передатчик по принципу - все стрелки вправо до упора.

По наблюдениям US5MIS, который не один год крутил ручки FT840, "Прибоя" и RA3AO, на слух вся эта техника звучит почти одинаково. Но когда были проведены сравнительные измерения по одинаковой методике, то TRX RA3AO реагировал на уровень 1 В по соседнему каналу, "Прибой" - на 0,8 В, а FT840 - на 0,5 В. Но удобство работы, стабильность и сервис взяли свое - оставлен FT840. Описываю все это не для того, чтобы показать какая хорошая у нас самодельная (или полусамодельная, как "Прибой")техника, а для того, чтобы стало ясно, что погоня за динамическим диапазоном имеет смысл до определенного уровня и под конкретные условия. Думаю, что многие счастливые обладатели супердинамичных RA3AO с удовольствием бы обменяли их на "хиленькие" по динамике FT840.

Хочу коснуться еще одного стереотипа, распространенного среди наших радиолюбителей. Это убеждение, что синтезатор "шумит". После появления на свет ковельских синтезаторов ни один из моих трансиверов не был с ГПД, только и только синтезатор. Выше я описал чувствительность, достижимую со входа основной платы при использовании в качестве ГПД синтезаторов. О каком шуме может идти речь, когда ни с помощью Г4-102А, ни с Г4-158, ни с Г4-18 не удается измерить предельную чувствительность. Пришлось изготовить отдельный кварцевый генератор, запитать его от батареек, экранировать двойным экраном, и при помощи анттенюатора до 136 дБ оценить чувствительность платы.

Перейдем к описанию собственно основной платы, которая включает в себя:

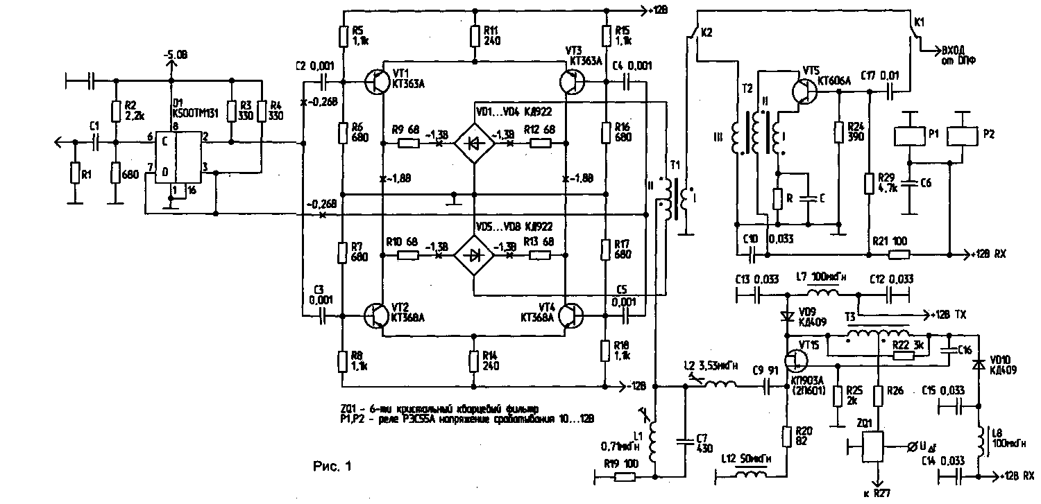
- отключаемый УВЧ, обратимый смеситель, пассивный диплексор, согласующий обратимый каскад на полевом транзисторе, основной кварцевый фильтр (рисунок 1);

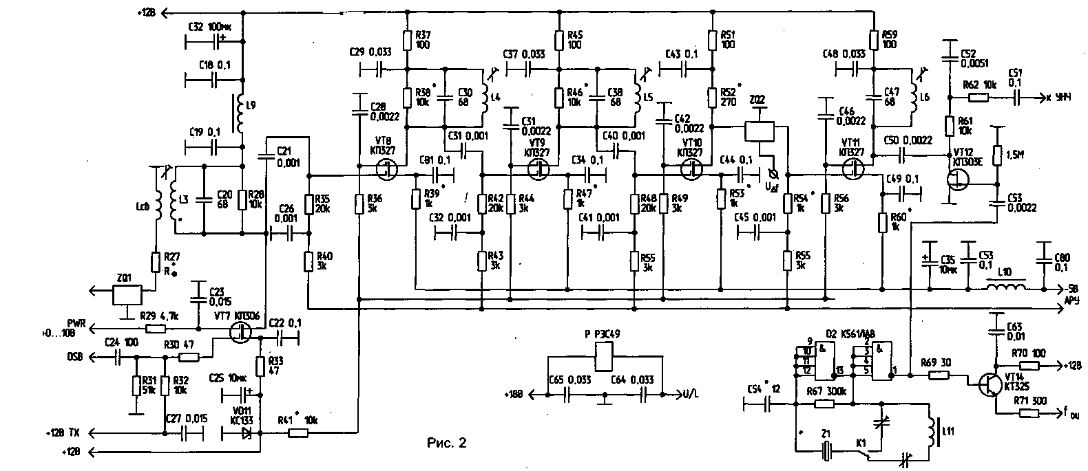
- линейку УПЧ, опорный генератор, детектор (рисунок 2);

- УНЧ и узел АРУ (рисунок 3).

Рассмотрим принципиальную схему подробно.

Усилитель высокой частоты (VT5) - с цепью отрицательной обратной связи Х-типа [7]. Возможные параметры такого типа усилителей колеблются в пределах:
- IР13 - +(21...46)дБм;
- КРI - -7...+12дБм;
- Кус - 2...12дБ;
- Кш -2,2...4,ОдБ.

Проще говоря, УВЧ не перегружается на 40 м даже вечером, когда очень высок уровень помех. Предельная чувствительность такова, что позволяет слышать шум эфира на 28 МГц даже в сельской местности. Один из лучших транзисторов для такого усилителя - КТ939А. В плату был заложен КТ606А как более дешевый и распространенный. Не нужно сильно переживать, что УВЧ ухудшает динамический диапазон RX (снова я о "динамике", грешен, сам когда-то увлекался предельными цифрами). Во-первых, УВЧ - отключаемый, его можно всегда выключить. Во-вторых, включение его обычно требуется только на самых тихих диапазонах во время слабого прохождения, когда все станции слышны с небольшим уровнем, и вряд ли какая-либо из станций перегрузит этот каскад. Ну а в-третьих, "не так страшен черт, как его малюют". Практически во всех промышленных РПУ, например в Р399А, используются УВЧ, причем неотключаемые.

Настройка этого каскада зависит от потребностей пользователя. В зависимости от типа транзистора и его режима можно обеспечить или максимально возможную чувствительность, или минимальное воздействие этого каскада на верхнюю границу динамического диапазона.

О смесителе я писал в предыдущей статье [6], его схемотехника заимствована из [4]. Основные преимущества этого варианта - обратимость и достаточно большой динамический диапазон (Dбл - до 140 дБ) при небольшом уровне гетеродина. Конечно, по количеству деталей он сложнее и дороже обычно применяемых смесителей. Но не нужно забывать, что этот узел определяет качество работы всего приемника, и экономия на нем бессмысленна.

От тщательности настройки смесителя зависит и то, как приемная часть будет воспринимать эфир, что можно будет там услышать, и то, сколько "мусора" будет выдано на передачу, насколько сложными придется делать полосовые фильтры, чтобы была возможность спокойно работать без ТV1. Часть делителя (D1) пришлось установить непосредственно у смесителя, дабы обеспечить противофазность сигналов на входе плеч VT1, VT2 и VT3, VT4. Это важнейшее требование со стороны гетеродина. Если у вас используется обычный гетеродин, противофазные сигналы нужно формировать другим способом. Здесь же использован вариант простейшей стыковки с ковельским синтезатором.

Применение триггера вызвано еще и тем, что на его выходе сигнал максимально приближен к меандру. При стыковке с обычным ГПД нужно использовать другие микросхемы ЭСЛ, например типов ЛМ, ТЛ и т.д. Главное требование - на входе транзисторных ключей должны быть одинаковые по уровню, но идеально противофазные высокочастотные сигналы. В ключах применены транзисторы КТ368 и КТ363, рекомендованные в [4]. Экспериментов с другими транзисторами не проводилось. Смеситель работоспособен с различными типами диодов. Можно предположить, что наилучшими будут диоды Шотnки. Переход с КД922 на КД512, КД514 сколько-нибудь заметного ухудшения параметров не вызывает (при условии подбора диодов). По-моему, главное преимущество диодов КД922 перед всеми остальными заключается в том, что они поставляются подобранными и упакованными в индивидуальную тару (поэтому перемешивание исключается). С тщательно подобранными КД503 смеситель работает практически так же, как и с КД922.

Очень важна симметричность и качество изготовления трансформатора Т1. Входные сопротивления со входа Т1:
1,9МГц-7500м,
3,5МГц-5600м,
7 МГц-3000м,
10 МГц-4000м,
14МГц-3900м,
18МГц-3000м,
21МГц-1500м,
24МГц-1200м,
28МГц-1300м.

Это нужно учитывать при согласовании с ДПФ. Можно попробовать различные коэффициенты трансформации, для того чтобы входное сопротивление было ближе к 50 Ом, но оказалось проще изменять катушки связи на ДПФ под конкретное сопротивление основной платы. Для согласования с последующими каскадами применен обычный диплексор. На рис. 1 приведены данные диплексора для ПЧ=9 МГц. В принципе, можно этот узел и не устанавливать. Неплохое согласование можно получить за счет подбора режима VT15 КП903, однако применение диплексора позволяет получить максимально возможную чувствительность, и если и не избавиться полностью от пораженных точек, то значительно снизить их уровень. Активный двунаправленный каскад VT15 после смесителя должен иметь минимально возможный коэффициент шума, не ухудшать динамический диапазон смесителя и компенсировать затухание, вносимое смесителем, ДПФами и диплексором. Наиболее распространенный и качественный для этого каскада транзистор - КП903А. Можно применять КП307, КП303, КП302 (с максимальным значением крутизны), КП601. После VT15 сигнал через трансформатор Т3 поступает на кварцевый фильтр ZQ1. Резистор R26 служит для согласования, он может и не потребоваться. Эту процедуру можно произвести и с помощью R22. В качестве ZQ1 применен лестничный шестикристальный кварцевый фильтр (рис.4). Для сужения полосы пропускания в режиме CW параллельно крайним резонаторам с помощью реле включаются дополнительные конденсаторы. Такой CW фильтр, конечно же, нельзя назвать качественным. Для любителей узкополосного CW требуется применение отдельного кварцевого фильтра.

Почему применен шестикристальный фильтр? Обычно практикуется восемь и даже десять пластин. Но не надо забывать, что этот фильтр используется и на передачу, а для приемлемого качества SSB требуется полоса около 3 кГц. Но для приема в условиях перегруженных любительских диапазонов достаточно полосы 2,2...2,4 кГц. Поэтому был выбран Компромисс: полоса пропускания по уровню -3 дБ - 2,3...2,4 кГц при меньшей прямоугольности. В итоге имеем вполне качественный прием и хороший сигнал на передачу (чего нельзя сказать о сигналах, которые сформированы при помощи восьмикристальных фильтров). Еще одно преимущество перед восьмикристальным фильтром - меньшее затухание в полосе прозрачности. Тем самым обеспечивается достижение предельной чувствительности всего тракта усиления.

Узлы KB трансивера
Рис.4

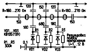
Для увеличения затухания вне полосы прозрачности в тракте ПЧ применен подчисточный четырехкристальный фильтр (рис.5). Общее затухание обоих фильтров превышает 100дБ. На рис.4, 5 даны усредненные данные кварцевых лестничных фильтров из пластин в корпусе Б1, которые чаще всего встречаются. Подчисточный фильтр обрезает шумы, вносимые трактом УПЧ, и за счет примененной плавной регулировки полосы пропускания позволяет немного отстраиваться от помех в SSB режиме. Не следует, конечно, на такой вариант плавного изменения полосы пропускания возлагать большие надежды. Во-первых, сужение происходит только с одной стороны ската фильтра, а во-вторых, больше 40 дБ получить от четырехкристального ZQ проблематично. Но усложнение настолько просто и дешево, что отказываться от такого, хотя и небольшого, сервиса нет смысла. Подчисточный фильтр следует рассчитывать на полосу пропускания 2,4 кГц. При плавном сужении полосы варикапами верхний скат приближается к нижнему в зависимости от добротности кварцев до полосы 600...700 Гц. Но за счет невысокой прямоугольности фильтра даже при такой полосе пропускания возможен прием SSB станций. Этот режим часто используется в диапазонах 160, 80 и 40 м. Вместо указанных варикапов можно использовать по несколько включенных параллельно KB 119, KB 139.

Узлы KB трансивера
Рис.5

Кварцевый фильтр ZQ1 согласуется с трактом УПЧ (рис.2) через резонансный контур L3 с катушкой связи. Если сопротивление фильтра заметно отличается от 300 Ом, требуется подбор числа витков катушки связи. Транзистор VT7 включается при работе на передачу. По второму затвору происходит регулировка выходной мощности трансивера.

Линейка УПЧ собрана на транзисторах КП327. Схемотехника заимствована у RA3AO. На мой взгляд, это один из лучших вариантов построения такого тракта. Здесь можно использовать двухзатворные полевые транзисторы и других типов. Наилучшими оказались BF980. Нашей промышленности не удалось скопировать характеристики этого транзистора, КП327 в сравнении с BF980 хуже и по Кш, и по Кус, хотя Кус транзисторов не имеет решающего значения.

Для VT8 нужно выбрать транзистор с минимальным шумом. Обычно лучшие экземляры попадаются среди КП327А. VT9, VT10, VT11 можно заменить и на КП350. Преимущество КП327 перед КП350 и КП306 - в лучшем значении Кш, устойчивости к статике, и "золотоискатели" на них никак не реагируют, т.к. транзисторы не содержат драгметаллов. Для регулировки усиления использовано свойство насыщения проходных характеристик полевых транзисторов по первому затвору при малом напряжении на втором [2]. Излишнее усиление убирается путем шунтирования контуров ПЧ резисторами R38 и R46.

Не следует увеличивать ВЧ уровни по первым затворам транзисторов, чтобы мгновенное значение напряжения не превышало порог открывания стабилитронов защиты от статики (15 В). В противном случае стабилитроны открываются и блокируют работу АРУ - это касается двух последних каскадов УПЧ. Детектор и опорный генератор, предварительный УНЧ и АРУ - аналогичны [2].

Транзистор VT13 (рис.3) может использоваться для включения-выключения цепи АРУ и для блокировки АРУ во время передачи, чтобы не искажались показания S-метра, который в этом режиме'показывает выходную мощность передатчика. В качестве VT 13 можно использовать как полевой, так и биполярный транзистор. У биполярного транзистора сопротивление коллектор-эмиттер ниже, поэтому он лучше шунтирует цепь АРУ. Схема усилителя выпрямителя АРУ аналогична [2]. Изменены временные характеристики "быстрой" цепочки, емкость С74 потребовалось увеличить до 0,047...0,1 мкФ.

В качестве оконечного УНЧ использована микросхема К174УН14, в типовом включении полоса пропускания сверху определяется цепочкой С69, R80; коэффициент усиления можно регулировать резистором R81. Выход УНЧ можно нагружать на динамик или через делитель R84, R85 на головные телефоны.

Детали

Катушки L1...L6 намотаны на каркасах диаметром 5 мм, с подстроечным сердечником СЦР-1. L3...L6 содержат по 25...30 витков провода ПЭВО,2. LCB - 3...4 витка у "холодного" конца L3. L9, L10 - дроссели с индуктивностью 50... 100 мкГн. L11 -дроссель 0...30 мкГн. Трансформаторы Т1...ТЗ намотаны проводом ПЭВО,16 на кольцах К 10х6х3 из феррита 1000 нн. Т1 содержит 10 витков скрутки в три провода, Т3 - 9 витков скрутки в два провода, Т2 намотан скруткой из трех проводов: обмотка I - 3 витка, II - 10 витков, III - 10 витков.

Поддавшись стремлению обеспечить "одноплатность" всей конструкции трансивера, решили на основной плате развести и опорный гетеродин. Это, конечно же, усложнило ситуацию с "пораженными точками". Некоторых из них можно было бы избежать совсем, если бы опорный гетеродин был выполнен в отдельном экранированном отсеке. При удачной ПЧ количество точек не превышает 3...5 на все девять диапазонов. Возможно от них избавиться практически совсем, если повозиться с дополнительными заземлениями шины питания микросхемы и металлизации вокруг этого узла.

Чертеж печатной платы (рис.6)

Расположение деталей на плате(рис.7)

Настройка платы - типовая, она неоднократно описана в радиолюбительской литературе.

Номиналы элементовR1 и С1 зависят от того, какой узел использован в качестве гетеродина. Если это ковельский синтезатор, R1=470...680м, C может иметь номинал от 68 пФ до 10 нФ. Качество согласования заметно на слух по минимальному количеству "шумовых точек" от синтезатора. Элементы LI, L2, С7, С9 настраивают в резонанс на частоту ПЧ. Резистор R19 может иметь номинал 50...200 Ом.

Качество согласования этого узла определяет общее уменьшение уровня "пораженок" и небольшое увеличение чувствительности. Согласования ZQ1 добиваются резисторами R22, R26, Кф и подбором количества витков LC8. Подчисточный фильтр ZQ2 согласуют резисторами R52 и. R54. Общее усиление тракта ПЧ можно подобрать при помощи R28, R38, R46. Резисторы R39, R47, R53, R60 влияют на Кус и определяют качество работы АРУ покаскадно. Об изготовлении трансформаторов. Были опробованы ферриты проницаемостью 400...2000, диаметр колец - 7...12 мм, скрутка проводов и без скрутки. Вывод - все работает. Главные требования - аккуратность изготовления, отсутствие замыкания обмотки на феррит и обязательная симметрия плеч.

Диоды в смесителе следует подобрать хотя бы по сопротивлению открытого перехода и емкости. Транзисторы VT1, VT2; VT3, VT4 необходимо подобрать как одинаковые комплементарные пары. В эмиттере VT5 номиналы R и С в цепочке не указаны. Они зависят от типа транзистора. Для КТ606 R - в пределах 68... 120 Ом, а С следует настроить по максимуму усиления на 28 МГц (обычно 1нФ). С помощью R29 можно подобрать ток через транзистор, например по максимальной чувствительности. Транзисторы КП327 припаиваются снизу платы. Сверху платы, со стороны установки деталей, оставлена фольга, отверстия раззенкованы. Катушки закрыты экранами.

По вопросам приобретения печатных плат или настроенных узлов можно обращаться к автору, частота - 3,700 после 23.00 MSK.

Литература:

1. Радиолюбитель. - 1995. №№11,12.
2. Радиолюбитель. - 1996. - №№3...5.
3. Кухарук. Синтезатор частоты// Радиолюбитель. - 1994. - №1.
4. Дроздов. Любительские KB трансиверы. - М.: Радио и связь, 1988.
5. Першин. Трансивер "Урал-84". "30 и 31 выставки радиолюбителей".
6. Богданович. Радиоприемные устройства с большим динамическим диапазоном. - М.: Радио и связь, 1984.
7. Мясников. Одноплатный универсальный тракт /Радио. - 1990. - №8.
8. Тарасов. Узлы KB трансивера// Радиолюбитель.-1995.- №№11,12.
9. Ред Э. Справочное пособие па высокочастотной схемотехнике. Изд. Мир, 1990. Радиолюбитель. KB и УКВ №10/97, c.24-28, №11/97, c.22-24.

Автор: А.Тарасов (UT2FW), Украина, Одесская обл., г.Рени; Публикация: Н. Большаков, rf.atnn.ru

Смотрите другие статьи раздела Гражданская радиосвязь.

Читайте и пишите полезные комментарии к этой статье.

<< Назад

Последние новости науки и техники, новинки электроники:

Цыплята из искусственного яйца, напечатанного на 3D-принтере 29.05.2026

Компания Colossal Biosciences, известная своими амбициозными инициативами по "воскрешению" вымерших животных, достигла важного прорыва. Специалистам удалось вырастить цыплят из полностью искусственного яйца, созданного с помощью 3D-печати. Эта технология рассматривается как значительный шаг на пути к возможному возрождению одного из самых впечатляющих представителей исчезнувшей фауны - гигантского моа. Южноостровной гигантский моа (Dinornis robustus) был одной из самых высоких птиц в истории Земли. Самки этого нелетающего родственника страусов могли вырастать выше двух метров и дотягиваться до пищи на высоте до 3,6 метра. Эти гиганты обитали в Новой Зеландии, однако полностью исчезли примерно в XV веке после активной охоты со стороны первых поселенцев-маори. Теперь Colossal Biosciences пытается вернуть подобных птиц в современный мир с помощью передовых биоинженерных решений. Искусственное яйцо, разработанное компанией, состоит из титановой решетчатой оболочки, изготовленной на 3 ...>>

Робот-бариста Jarvis 29.05.2026

Американский стартап Artly представил роботизированного баристу по имени Jarvis, который уже работает в кафе Muji в Портленде. Эта система не просто механически готовит кофе - она старается максимально точно воспроизводить технику и навыки чемпионов кофейного мастерства, превращая авторский кофе в стабильный и масштабируемый продукт. Основателем кофейной философии проекта стал Джо Янг, занимающий должность Chief Coffee Officer в Artly. Выросший в Китае, он впервые попробовал кофе только в 2007 году во время учебы в Оклендском университете в Новой Зеландии. Сначала эспрессо привлек его как самый бюджетный напиток в меню, но постепенно интерес перерос в профессиональную страсть. Джо Янг стал победителем нескольких национальных чемпионатов США по обжарке кофе, приготовлению напитков и лате-арту. Для обучения Jarvis команда Artly применила систему захвата движений. На руку Джо Янга установили специальные датчики, которые записывали каждое движение при наливании молока и создании лате ...>>

Генетический резервный план растений 28.05.2026

Многие растения обладают удивительной способностью адаптироваться к самым суровым условиям окружающей среды. Одним из скрытых механизмов их выносливости оказалась полиплоидия - наличие более двух наборов хромосом в клетках. Это явление, распространенное среди растений, но редкое у животных, может действовать как эволюционный страховочный фонд. Новое исследование показывает, что именно дополнительные копии генома помогали цветковым растениям неоднократно переживать масштабные климатические кризисы на протяжении миллионов лет. Ученые проанализировали геномы 470 видов покрытосеменных растений и выявили 132 древних события полного удвоения генома. Эти события не были случайными: они четко группировались вокруг периодов глобальных экологических потрясений. Среди них - мелово-палеогеновое массовое вымирание 66 миллионов лет назад, палеоцен-эоценовый термический максимум, эоцен-олигоценовый переход, среднемиоценовое климатическое нарушение и океанические аноксические события. Исследован ...>>

Случайная новость из Архива

Навигация на атомных часах заменит GPS 17.10.2012

В армии США начался заключительный этап разработки прототипов микрочипов, которые обеспечат устойчивость армии США к отключению системы навигации GPS. Угроза потери ситуационной осведомленности и возможности наносить высокоточные удары в отсутствие GPS давно беспокоит американских военных. При этом для большинства стран сбои в работе GPS являются единственной надеждой оказать хоть какое-то эффективное сопротивление высокотехнологичной военной машине США.

В военном научном центре CERDEC армии США начался важный этап программы по разработке устройств, позволяющих сохранить высокую точность навигации в отсутствие сигнала GPS. Речь идет о создании партии из 500 прототипов атомных часов на чипе или сокращенно CSAC. Цель программы CSAC состоит в обеспечении функционирования систем навигации и оружия каждой боевой единицы армии США в любых условиях. При этом будут снижены затраты на оборудование и уменьшено энергопотребление систем навигации.

Атомные часы являются важным элементом навигационной системы, независимой от GPS. В сочетании с другими датчиками CSAC могут обеспечить синхронизацию времени в боевой тактической сети, например, в случае спуфинга (попытки подменить истинный сигнал ложным), и выявить ошибочную информацию. Сверхточные атомные часы позволяют повысить точность инерциальных навигационных систем и создать локальные навигационные сети.

До сих пор громоздкие атомные часы можно было установить лишь на крупных платформах: кораблях, самолетах и т.д. Однако для боеприпасов и снаряжения пехотинца этот вариант не подходит. Поэтому и были созданы миниатюрные CSAC объемом примерно 15 кубических сантиметров. Данные атомные часы можно легко интегрировать в носимое оружие, мобильный компьютер или управляемый боеприпас. Специалисты CERDEC надеются, что каждый поставщик новых атомных часов в конечном итоге будет в состоянии производить более 20 тыс. единиц CSAC в год, в ценовом диапазоне от 300 долл. или меньше.

Другие интересные новости:

▪ Самый тонкий 15,6" ультрабук от NEC

▪ Юпитер лишил Солнечную систему планеты

▪ Самовосстанавливающийся бетон

▪ Мамонту поставили градусник

▪ Камера со скоростью 70 триллионов кадров в секунду

Лента новостей науки и техники, новинок электроники

 

Интересные материалы Бесплатной технической библиотеки:

▪ раздел сайта Домашняя мастерская. Подборка статей

▪ статья Мне не дорог твой подарок. Крылатое выражение

▪ статья Кто построил изгородь протяженностью более 1300 км для защиты от китайцев? Подробный ответ

▪ статья Иссоп лекарственный. Легенды, выращивание, способы применения

▪ статья Выбор электропроводок, способов прокладки проводов и кабелей. Составляющие электропроводки. Энциклопедия радиоэлектроники и электротехники

▪ статья Электроплитка для хозяина. Энциклопедия радиоэлектроники и электротехники

[an error occurred while processing this directive] Оставьте свой комментарий к этой статье:

Имя:


E-mail (не обязательно):


Комментарий:





Главная страница | Библиотека | Статьи | Карта сайта | Отзывы о сайте

www.diagram.com.ua

www.diagram.com.ua
2000-2026