Menu Home

Бесплатная техническая библиотека для любителей и профессионалов Бесплатная техническая библиотека


Трансивер на 160 метров. Энциклопедия радиоэлектроники и электротехники

Бесплатная техническая библиотека

Энциклопедия радиоэлектроники и электротехники / Гражданская радиосвязь

Комментарии к статье Комментарии к статье

Этот трансивер предназначен для работы в диапазоне 1850...1950 кГц в режимах CW и SSB. Чувствительность трансивера - не хуже 5 мкВ. Полоса пропускания по уровню -6 дБ при работе телеграфом - 1 кГц, телефоном - 3 кГц, а по уровню -60 дБ - не более 4 и 5 кГц соответственно. При передаче к. выходному каскаду подводится мощность 5 Вт. Выходная мощность трансивера - не менее 2 Вт. В режиме SSB излучается нижняя боковая полоса. Несущая частота и верхняя боковая полоса подавляются не менее чем на 50 дБ.

В трансивер встроено устройство настройки антенны с КСВ-метром.

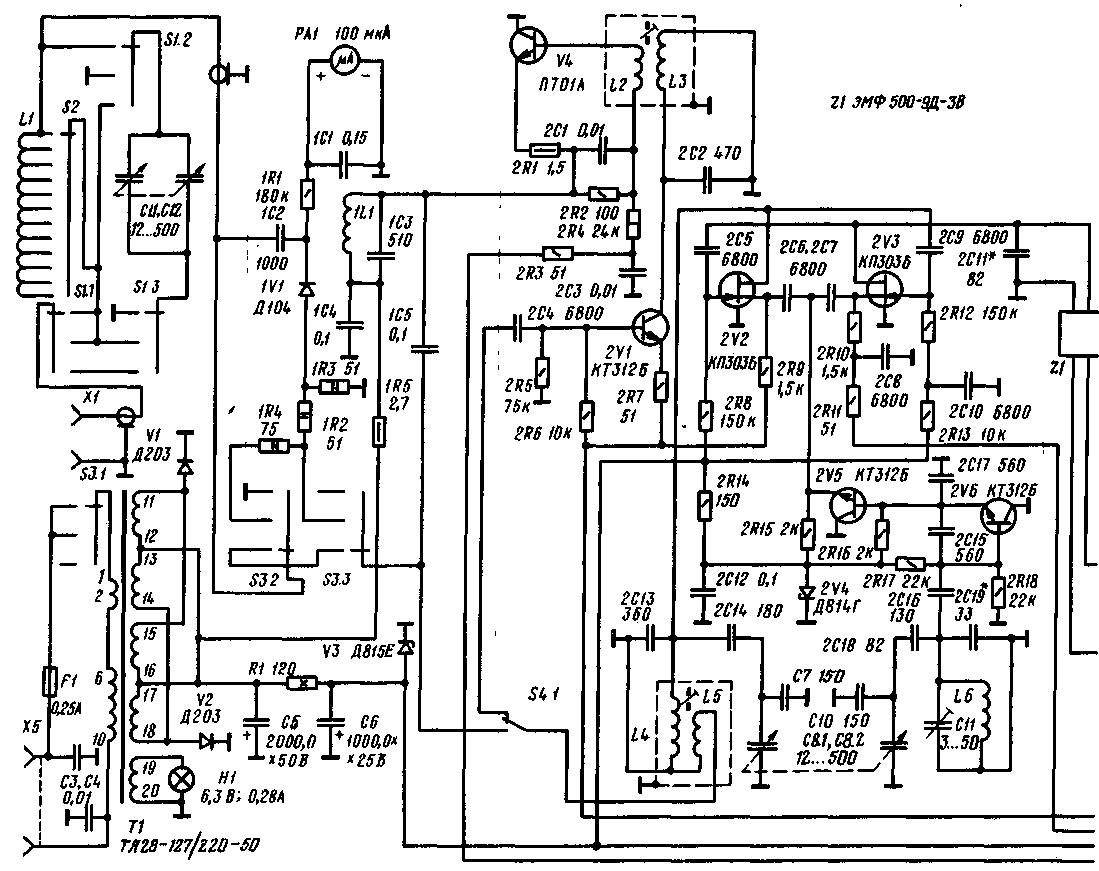
Принципиальная схема трансивера приведена на рис. 1. При передаче в режиме CW через контакты переключателя S5.1 подается питание на генератор частоты 501 кГц, собранный на транзисторе 3VI. При нажатии на телеграфный ключ сигнал с генератора поступает на ЭМФ ZI. а с него на затвор транзистора 2V2, являющегося смесителем в тракте передачи. На исток этого транзистора подается напряжение с ГПД (транзистор 2V6 - генератор, 2V5 - эмиттерный повторитель), перекрывающего участок 2351... 2451 кГц. Контур в стоковой цепи транзистора 2V2 конденсатором С8 перестраивается в пределах 1850...1950 кГц и выделяет разностную частоту преобразования.

Принципиальная схема трансивера (часть 1), 40 кб
Принципиальная схема трансивера (часть 2), 42 кб

CW сигнал через переключатель S4.1 поступает на предварительный усилитель мощности на транзисторе 2VI, а затем на оконечный усилитель на V4. При работе на прием транзистор V4 закрыт, так как в этом случае на его базу не подается положительное напряжение смещения.

С оконечного каскада сигнал в антенну поступает через согласующее устройство. Оно состоит из элементов L1 и С1. В зависимости от положения переключателя S1 это устройство включается по одной из трех схем. Наличие нескольких вариантов включения согласующего устройства и возможность регулировки элементов L1, C1 позволяют хорошо согласовать трансивер с большинством типов антенн.

Качество настройки антенно-фидерного тракта контролируют с помощью измерителя КСВ. собранного на элементах 1R1-1R4, 1V1, 1C1, 1C2 и PA1.

При передаче в режиме SSB питание с генератора частоты 501 кГц снимается и подается на усилитель на транзисторе 3V8.

Сигнал с микрофона усиливается транзисторами 4V3- 4V1 и через контакты переключателя S5.2 и S4.2 (только при передаче и только в режиме SSB) подается на кольцевой балансный модулятор на диодах 3V3-3V6 (при приеме он играет роль смесителя). Опорный генератор собран на транзисторе 3V2. Частота этого генератора определяется кварцевым резонатором В1, и равна 500 кГц. Двухполосный сигнал с подавленной несущей усиливается транзистором 3V8, а затем через диод 3V7 подается на ЭМФ, который выделяет верхнюю боковую полосу. На выходе смесителя (транзистор 2V20 при этом образуется сигнал с нижней боковой полосой, который затем через переключатель S4.1 поступает на предварительный усилитель, а затем на усилитель мощности.

При работе на прием сигнал из антенны через согласующее устройство поступает на затвор транзистора 2V3, выполняющего функции смесителя. Сигнал с ГПД подается на исток этого же транзистора. Преобразованный сигнал, лежащий в полосе частот 500...503 кГц, проходит через ЭМФ Z1 и усиливается транзисторами 3V10, 3V11, включенными по каскодной схеме. С нагрузки каскодного усилителя. - контура 3C14L8 сигнал подается на балансный смеситель. Сюда же поступает и напряжение частотой 500 кГц с опорного генератора.

На транзисторах 4V4-4V7 собран усилитель НЧ. При передаче в режиме SSB напряжение питания на последние два каскада усилителя не подастся.

Включают трансивер переключателем S3, который одновременно с подачей питания переводит аппарат в режим измерения КСВ, а затем - работы в эфире.

Переход с приема на передачу производится переключателем S4.

Блок питания обеспечивает постоянные напряжения 30 В - стабилизированное (для выходного каскада) и 15 В (для остальных каскадов).

Трансивер (его габариты 310х120х225 мм) собран на шасси высотой 28 мм, к которому привинчены передняя и задняя панели, причем между передней панелью и шасси оставлен зазор 30 мм. Конструкция трансивера показана на рис.2.

Трансивер на 160 метров
Рис.2. Передняя панель

Вид на шасси сверху
Вид на шасси снизу

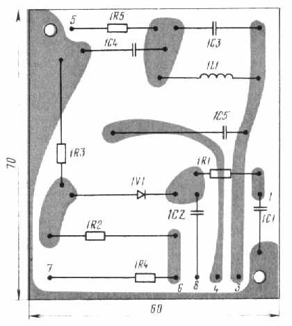
Большинство деталей размещено на печатных платах (рис.3-6). Цветом на них показаны проводники, находящиеся с нижней стороны плат. Можно выполнить платы и с применением монтажных стоек, соединенных снизу проводниками, предусмотрев лепестки под каждым отверстием крепления платы к шасси.

Рис.3. Печатная плата
Рис.4. Печатная плата
Рис.5. Печатная плата
Рис.6. Печатная плата

Все переключатели в трансивере - керамические, элементы С1 и С8 - сдвоенные конденсаторы переменной емкости с воздушным диэлектриком. С1, С5, С6 должны быть изолированы от корпуса трансивера. Блок конденсаторов устанавливают на стеклотекстолитовую плату, а на ось надевают текстолитовую насадку.

Конденсатор С8 перестраивают верньером, состоящим из диска диаметром 70 мм, с нанесенной на торце шкалой частот, и оси с ручкой настройки, связанных нейлоновым тросиком, натяжение которого обеспечивает пружина, размещенная в диске.

Катушка L1 намотана на каркасе диаметром 28 мм проводом ПЭВ-2 0,55. Она состоит из десяти секций по 5,5 витка в каждой. Общая длина намотки - 32 мм.

Катушка 1L1 намотана на каркасе диаметром 9 мм проводом ПЭВ-2 0,35 и содержит 60 витков. Длина намотки 26 мм.

Катушки генераторов L6 и L7 выполнены на пластмассовых каркасах диаметром 16 мм. Для обеспечения требуемой стабильности частот генераторов материал каркасов должен иметь малый температурный коэффициент расширения (например, хорошие результаты были получены при использовании каркасов из АГ-4, можно применить полистирол, оргстекло, но совершенно недопустимо применение фторопласта). Катушка L6 намотана проводом ПЭВ-2 0,35 и содержит 45 витков, длина намотки 18 мм. L7 намотана проводом ПЭВ-2 0,23 и содержит 82 витка, длина намотки 20 мм.

Катушки L2 и L3, L4 и L5, L8 и L9 выполнены в сердечниках СБ-12а. L2 и L4 содержат по 25 витков провода ПЭШО 0,31. Катушки связи намотаны таким же проводом, L3 содержит 4 витка, L5 - 3 витка. L8 и L9 намотаны проводом ПЭВ-2 0,1 и содержат соответственно 150 и 30 витков.

Все три сердечника СБ-12а с катушками помешены в экраны диаметром 20 и высотой 25 мм.

Транзистор V4 и диоды V1, V2 крепят непосредственно к шасси, а стабилитрон V3 - через изолирующую прокладку из слюды толщиной 0,1 мм.

Налаживать трансивер начинают с блока питания. На выходе выпрямителя должно быть напряжение 36 В, а при нагрузке (резистор сопротивлением 150 Ом) - 32 В. Стабилизированное напряжение, в зависимости от экземпляра примененного стабилитрона, может находиться в интервале -14...-16 В и должно уменьшаться не более чем на 0,5 В при подключении нагрузки (сопротивлением 150 Ом). Режимы транзисторов по постоянному току приведены в таблице.

Обозначение
по схеме
Напряжение при приеме, В Напряжение при передаче, В Примечание
Эмиттер
(исток)
База
(затвор)
Коллектор
(сток)
Эмиттер
(исток)
База
(затвор)
Коллектор
(сток)
V4 -35 -35 0 -32 -31,3 0
2V1 0 0 0 -14,5 -13,9 0
2V2 0 -15 0 -14.5 -15 0
2V3 -14.5 -15 0 0 -15 0
2V5 -8 -7,4 0 -8 -7,4 0
2V6 -7,4 -6.8 0 -7,4 -6,8 0
3V1 0 0 0 -8,4 -7,8 -1 Телеграф, ключ нажат
3V2 -8,7 -8 0 -8.7 -8 0
3V8 0 0 0 -14,6 -14 Телефон.
Устанавливаются
подбором 4R18
при максимуме
усиления
3V10 -14,8 -16 -6 0 -15 -2
3V11 -6 -5,4 0 -2 -2 0
4V1 -5 -4,4 0 -5 -4 4 0
4V2 -14.8 -14 2 -4,4 -14.8 -14 2 -4,4
4V3 -14,2 -13,6 -5,5 -14,2 -13,6 -5,5
4V4 -13 -13,3 -7,5 -13 -13,3 -7,5
4V5 -8,1 -7,5 0 -8,1 -7,5 0
4V6 -14,8 -14,2 -7 -15 -14,4 -15 Телефон.
4V7 -7,6 -7 0 -15 -15 -15 >>

Для исключения влияния высокой частоты напряжения измерены при отключенных от плат катушках L6 и L7 и резонаторе В1 (генераторы не работают). Все напряжения измерены относительно корпуса при стабилизированном напряжении питания 15 В.

Необходимые частоты генераторов устанавливают подстроечными конденсаторами С11 и С 12. Если это сделать не удается, следует подобрать конденсаторы 2С19 и С9. Стабильность генераторов следует считать нормальной, если уход частоты не превышает 100 Гц за час работы трансивера после включения. Такая стабильность обеспечивается при правильном выполнении катушек L6 и L7 и применении в контурах конденсаторов КСО группы "Г" или КТК-2 голубого цвета. Если частота генератора при прогреве трансивера стабильно изменяется в одну сторону, надо использовать конденсатор 2С19 (С9) с другим ТКЕ. Напряжение ВЧ на эмиттере транзистора 2V5 должно быть 1...1.2 В. на эмиттерах 3VI и 3V2 - 0,8...1 В.

Усилители НЧ приемника и передатчика при подаче на их входы сигнала с уровнем 5 мВ должны обеспечивать на выходе напряжения не менее 0,5 В. Частотные характеристики низкочастотных усилителей передатчика и приемника в телефонном режиме должны быть равномерными в интервале 300...3000 Гц, а усилитель НЧ приемника в режиме CW должен иметь максимум частотной характеристики на частоте 1000 Гц с ослаблением сигнала не менее чем в 2 раза на частотах 700 Гц и 1,7 кГц.

При работе на передачу в режиме CW при нажатом ключе, контролируя напряжение на выходе ЭМФ (вывод 5 на плате 2), необходимо подобрать конденсаторы ЗС15 и 2С11. добиваясь максимума этого напряжения (0,2...0,3 В).

При передаче в режиме SSB настраивают контур 3C14L8. При этом необходимо вначале разбалансировать модулятор (движок, резистора R3 следует установить в любое крайнее положение), а затем настроить катушку L8, добиваясь максимума напряжения (2.5...3,5 В) на входе ЭМФ (вывод 4 платы 3). Регулируя резистор R3, балансируют модулятор. Напряжение на входе ЭМФ должно уменьшаться при этом до значения, меньшего 0.1 В.

Контролируя напряжение на выходе ЭМФ (вывод 5 платы 2), целесообразно проверить сквозную частотную характеристику тракта формирования SSB сигнала, подав на микрофонный вход трансивера низкочастотный сигнал уровнем 5 мВ. Напряжение на выходе ЭМФ должно изменяться в пределах 0,2...0,35 В при изменении частоты от 500 до 3000 Гц и уменьшаться на 30...50% при снижении частоты до 300 Гц. Необходимую частотную характеристику устанавливают подбором конденсатора С2, который корректирует частоту опорного генератора.

Усилитель мощности проверяют в телеграфном режиме при нажатом ключе. Переключатель S3 при этом должен находиться в положении "Работа". К выходу трансивера подключают эквивалент нагрузки сопротивлением 75 Ом и, подстраивая катушки L4 и L3 добиваются максимального показания индикатора на средней частоте рабочего диапазона. Отклонение стрелки индикатора на отметку 80...100 мА соответствует напряжению на нагрузке 12...14 В, т. е. выходная мощность будет составлять 2...2,8 Вт. При работе на согласованную нагрузку переключатель S1 должен быть в положении "I" или "II", а индуктивность и емкость согласующего контура - минимальными. При отпускании ключа, а также при переводе переключателя S3 в положение "КСВ" при нажатии на ключ индикатор должен показывать "0".

При работе на прием должен уверенно приниматься сигнал с уровнем 5 мкВ, поданный на вход трансивера через резистор сопротивлением 75 Ом.

Работа на трансивере. Трансивер рассчитан на работу с динамическим микрофоном и головными телефонами с сопротивлением 200 ..2000 Ом.

На диапазоне 160 м необходима достаточно большая антенна - минимальная длина ее излучающей части около 30 м. Антенну обязательно надо согласовать с трансивером, для этого переключатель S3 устанавливают в положение "КСВ", S5 - "CW", и при нажатом ключе, регулируя согласующий контур (вид контура, емкость, индуктивность). необходимо добиться минимума показаний индикатора. Удовлетворительным следует считать согласование, при котором индикатор отклоняется не более чем на 20 мкА.

При работе телефоном передача автоматически производится на частоте корреспондента. При работе телеграфом необходимо при приеме настраиваться на тон, совпадающий с тоном сигнала самоконтроля.

Автор: Я. Ляповок (UA1FA); Публикация: Н. Большаков, rf.atnn.ru

Смотрите другие статьи раздела Гражданская радиосвязь.

Читайте и пишите полезные комментарии к этой статье.

<< Назад

Последние новости науки и техники, новинки электроники:

Восприятие музыки зависит от цвета концертного зала 03.03.2026

Восприятие живой музыки традиционно связывают с слухом, однако на впечатления от концерта влияют и другие факторы, включая визуальное оформление и освещение. Вопрос о том, может ли цвет интерьера напрямую изменять то, как мы слышим звук, долго оставался открытым. Недавнее исследование ученых из Технического университета Берлина проливает свет на эту связь и демонстрирует, что визуальная среда способна влиять на субъективное восприятие музыки. Чтобы изучить эффект цвета, исследователи предложили участникам прослушать записи концерта в виртуальных залах, оформленных в красные, зеленые и синие оттенки. Цвета варьировались по яркости и насыщенности, что дало 12 различных вариантов оформления. Поскольку построить физические залы с таким разнообразием цветов было невозможно, использовалась технология виртуальной реальности. Звук воспроизводился через наушники с бинауральной технологией, адаптирующей звучание к движениям головы, что создавало ощущение реального присутствия в зале. Участ ...>>

Chrysalis: концепт межзвездного корабля для 400-летнего путешествия 03.03.2026

Межзвездные полеты остаются одной из самых амбициозных целей человечества. Международный научный проект Chrysalis предложил концепцию космического корабля, способного совершить 400-летнее путешествие с экипажем из 2400 человек. Победивший в конкурсе 2025 года дизайн демонстрирует не только инженерные решения, но и социальную архитектуру, рассчитанную на 16 поколений людей, живущих на борту. В основе концепции лежит вращательная конструкция длиной 58 километров. Такая масштабная система должна создать искусственную гравитацию, достаточную для нормального функционирования организма, без вызывающей дезориентацию центробежной нагрузки. Для стабилизации конструкции проект предусматривает несколько цилиндров, вращающихся в противоположных направлениях, что минимизирует колебания и вибрации. Сборка корабля планируется в точках Лагранжа - участках космоса, где можно минимизировать расход топлива. Движение корабля предполагается обеспечить прямым термоядерным двигателем на гелии-3 и дейте ...>>

Дети, растущие рядом с природой, обретают крепкие кости 02.03.2026

Влияние окружающей среды на здоровье человека становится все более очевидным, особенно в детском возрасте. Новое исследование, опубликованное в журнале JAMA Network Open, показывает, что близость к природе напрямую связана с крепостью костей у детей. Ученые установили, что у детей, чьи дома окружены природными территориями в радиусе 1000 метров на 25% больше обычного, риск развития крайне низкой плотности костей снижается на 65%. Для проведения исследования были проанализированы данные более 300 детей, проживающих в городских, пригородных и сельских районах Фландрии в Бельгии. Плотность костной ткани у детей в возрасте от четырех до шести лет оценивалась с помощью ультразвуковых методов. Такой подход позволил безопасно и точно измерить состояние костей на ранних этапах формирования скелета. При анализе учитывались ключевые факторы, влияющие на рост и развитие детей: возраст, вес, рост, этническая принадлежность и уровень образования матери. На основании этих параметров исследоват ...>>

Случайная новость из Архива

Наушники услышат конкретного человека 10.06.2024

В условиях постоянного шума и большого количества звуков вокруг нас, часто бывает сложно сосредоточиться на одном источнике информации. Однако ученым удалось создать инновационные наушники с системой искусственного интеллекта, которые позволяют выделить голос конкретного человека в толпе, просто посмотрев на него. Эта система получила название Target Speech Hearing и способна блокировать лишние звуки окружающей среды, воспроизводя только голос выбранного человека в режиме реального времени.

Команда ученых представила свое изобретение на конференции ACM CHI по человеческим факторам в вычислительных системах. Профессор Университета Висконсина в Школе компьютерных наук и инженерии Пола Г. Аллена Шьям Холакота отметил, что в этом проекте искусственный интеллект используется для изменения слухового восприятия пользователей, учитывая их предпочтения. С помощью новых наушников можно четко слышать одного говорящего, даже находясь в шумной среде.

Для использования системы пользователь, имеющий стандартные наушники с микрофонами, должен нажать кнопку и направить взгляд на говорящего. Звуковые волны от голоса человека достигают микрофонов с обеих сторон гарнитуры одновременно, после чего сигнал отправляется на интегрированный компьютер. Программное обеспечение с элементами машинного обучения анализирует вокальные шаблоны выбранного говорящего и закрепляется за его голосом, продолжая воспроизводить его даже при движении слушателя.

Система постоянно улучшает свою способность сосредотачиваться на зарегистрированном голосе, так как говорящий предоставляет все больше данных для тренировки искусственного интеллекта. Ученые протестировали систему на 21 говорящем, и оказалось, что качество звука вдвое лучше, если система работает с зарегистрированным голосом, чем с незнакомым для ИИ говорящим.

На данный момент система может зарегистрировать голос только одного человека за раз и требует, чтобы в момент регистрации не было другого громкого шума, исходящего из того же направления. Ученые также работают над расширением системы до слуховых аппаратов, что сделает эту технологию доступной для людей с нарушениями слуха.

Этот технологический прорыв не только улучшает качество восприятия звука в шумных условиях, но и открывает новые возможности для использования наушников в различных сферах жизни. Возможность четко слышать важного собеседника в толпе может быть полезной не только в повседневной жизни, но и в профессиональной деятельности, улучшая коммуникацию и повышая эффективность работы.

Разработка наушников с системой Target Speech Hearing представляет собой значительный шаг вперед в области аудиотехнологий. Эта инновация демонстрирует, как искусственный интеллект может улучшить наше взаимодействие с окружающим миром, делая повседневное общение более комфортным и продуктивным.

Другие интересные новости:

▪ Квантовые компьютеры для обработки данных

▪ Миниатюрные встраиваемые накопители eMMC от Toshiba

▪ Гибкая керамика

▪ Полупрозрачный дисплей OLED от Everdisplay

▪ Сирене лучше шипеть, чем завывать

Лента новостей науки и техники, новинок электроники

 

Интересные материалы Бесплатной технической библиотеки:

▪ раздел сайта Нормативная документация по охране труда. Подборка статей

▪ статья Лингвистическая теория Гумбольдта. История и суть научного открытия

▪ статья За что А. В. Суворов получил титул графа Рымникского? Подробный ответ

▪ статья Порывистый фронт. Советы туристу

▪ статья Автомат Световой день для приусадебного хозяйства. Энциклопедия радиоэлектроники и электротехники

▪ статья Эффектные фокусы и их разгадки. Энциклопедия

Оставьте свой комментарий к этой статье:

Имя:


E-mail (не обязательно):


Комментарий:





Главная страница | Библиотека | Статьи | Карта сайта | Отзывы о сайте

www.diagram.com.ua

www.diagram.com.ua
2000-2026