Menu Home

Бесплатная техническая библиотека для любителей и профессионалов Бесплатная техническая библиотека


Управление синтезатором частоты радиостанций Транспорт и Маяк. Энциклопедия радиоэлектроники и электротехники

Бесплатная техническая библиотека

Энциклопедия радиоэлектроники и электротехники / Гражданская радиосвязь

Комментарии к статье Комментарии к статье

Для работы в диапазоне 2 метра радиолюбители нередко используют промышленные радиостанции "Транспорт" и "Маяк", перестроенные на любительский диапазон. Они имеют неплохие характеристики трактов приема и передачи и встроенный синтезатор частоты. Полностью использовать возможности этого синтезатора позволяет узел, о котором рассказывается в этой статье.

Радиостанции "Транспорт" и "Маяк" имеют малое (с точки зрения радиолюбителя) число рабочих каналов. Существует несколько способов решения этой проблемы, однако далеко не всеми можно воспользоваться для повторения в домашних условиях. Шифраторы на диодах и переключателях очень громоздки. Например, для 80-канального варианта радиостанции требуется около 200 диодов. В шифраторах на основе реверсивных счетчиков и микросхем ПЗУ с возможностью сканирования частот и ее индикации число ИМС приближается к трем десяткам.

Применение же однокристальных ЭВМ позволяет простыми средствами при минимуме деталей решить вопрос переделки радиостанций в многоканальный вариант, а также ввести ряд сервисных удобств. Предлагаемый блок предназначен для управления синтезатором частоты в радиостанциях "Транспорт" и "Маяк", перестроенных для работы в пределах любительского двухметрового диапазона. Отработанный автором вариант прошивки ПЗУ позволяет работать в полосе частот 144.6... 145.8 МГц с шагом 25 кГц. в том числе и со стандартным сдвигом частоты прием/передача для работы через репитер. Объем ПЗУ позволяет, в принципе, реализовать блок управления с более широкими возможностями. Реально в нем можно обеспечить:

- перестройку вверх/вниз частоты радиостанции "Транспорт" с шагом 12.5 кГц (для "Маяка" шаг перестройки - 25 кГц);

- сканирование вверх/вниз всего диапазона;

- запись в память и считывание из памяти 16 значений частот;

- сканирование ячеек памяти;

- режим работы через репитер с разносом частот прием/передача 600 кГц на любой частоте.

В описываемой здесь конструкции по органам управления уже предусмотрена возможность расширения сервисных удобств, реализуемых блоком управления синтезатора частоты радиостанции. Для их введения потребуется лишь установить ПЗУ с новой прошивкой.

Блок управления состоит из процессорного узла, схемы индикации частоты настройки и встроенного S-метра.

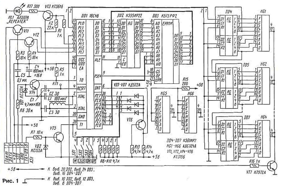
Схема процессорной части и индикатора частоты приведена на рис. 1.

Управление синтезатором частоты радиостанций Транспорт и Маяк
(нажмите для увеличения)

Процессор DD1 по управляющей программе, записанной в микросхеме ПЗУ DD3, формирует код частоты в последовательном виде. Сделано это для того, чтобы сократить число соединительных проводов, идущих в отсек синтезатора. Через преобразователи уровня на транзисторах VT1. VT2 и контакты 7 и 9 разъема XS1 сигналы процессора подаются на преобразователь последовательного кода в параллельный, находящийся в синтезаторе.

Код частоты настройки (также в последовательном виде) записывается в регистры на микросхемах DD4 - DD7. Такое включение ИМС несколько некорректно (К561ИР2 перегружены), но. как показала практика, достаточно надежно. За год эксплуатации десятка плат (многие работают круглосуточно) не было ни одного случая выхода из строя К561ИР2. Зато такое включение позволило организовать статическую индикацию с минимумом помех радиоприему, чего нельзя сказать об испытывавшейся динамической индикации. К регистрам подключены семисегментные индикаторы HG1-HG4. Два старших разряда-индикатора HG5 и HG6 для упрощения конструкции постоянно подключены к источнику питания +5 В и индицируют число "14". Через транзисторный ключ VT7 по сигналу процессора разрешается отображение частоты.

Управление блоком осуществляется четырьмя кнопками SB1-SB4 и тангентой включения режима передачи. Перестройка вверх и вниз по частоте осуществляется нажатием кнопок SB4 "UP" и SB3 "DN" соответственно. При длительном их удержании частота будет изменяться с увеличивающейся скоростью. Для режима сканирования предусмотрена кнопка SB2 "S/S". Предполагаемый алгоритм ее работы - нажать на эту кнопку, а затем указать, как сканировать: диапазон вверх (кнопка "UP"), диапазон вниз (кнопка "DW") или память (кнопка SB1 - "М"). При наличии станции или помехи в канале срабатывает шумоподавитель радиостанции. Его напряжение (+12 В) подается на контакт 4 разъема XS1 блока управления, и сканирование приостанавливается на несколько секунд. Если во время этой паузы нажать на кнопку "S/S", то сканирование будет остановлено. Сканирование можно прервать в любой момент нажатием кнопки "S/S".

Работа с памятью начнется с нажатия кнопки "М", затем, если необходимо считать частоту из ячейки памяти, то должно последовать нажатие на кнопку "UP", а если записать в память, то - на кнопку "DN". При работе с памятью на индикаторе частоты отображаются число "14" и номер ячейки памяти, который можно только увеличивать нажатием кнопки "UP" в режиме чтения из памяти и уменьшать нажатием кнопки "DN" в режиме записи. После выбора нужной ячейки памяти нужно нажать еще раз кнопку "М", и нужная частота будет считана из памяти или записана в нее.

Режим работы через репитер включают двукратным нажатием кнопки "М". Он индицируется светодиодом HL1.

Как уже упоминалось, блок управления имеет в своем составе S-метр. Он выполнен на микросхеме DA1. включенной по типовой схеме (рис. 2).

Управление синтезатором частоты радиостанций Транспорт и Маяк

Позиционные обозначения деталей на этом рисунке продолжают нумерацию с рис. 1. Сигнал на вход S-метра поступает с вытельном их удержании частота будет изменяться с увеличивающейся скоростью. Для режима сканирования предусмотрена кнопка SB2 "S/S". Предполагаемый алгоритм ее работы - нажать на эту кнопку, а затем указать, как сканировать: диапазон вверх (кнопка "UP"), диапазон вниз (кнопка "DW") или память (кнопка SB1 - "М"). При наличии станции или помехи в канале срабатывает шумоподавитель радиостанции. Его напряжение (+12 В) подается на контакт 4 разъема XS1 блока управления, и сканирование приостанавливается на несколько секунд. Если во время этой паузы нажать на кнопку "S/S", то сканирование будет остановлено. Сканирование можно прервать в любой момент нажатием кнопки "S/S".

Работа с памятью начнется с нажатия кнопки "М", затем, если необходимо считать частоту из ячейки памяти, то должно последовать нажатие на кнопку "UP", а если записать в память, то - на кнопку "DN". При работе с памятью на индикаторе частоты отображаются число "14" и номер ячейки памяти, который можно только увеличивать нажатием кнопки "UP" в режиме чтения из памяти и уменьшать нажатием кнопки "DN" в режиме записи. После выбора нужной ячейки памяти нужно нажать еще раз кнопку "М", и нужная частота будет считана из памяти или записана в нее.

Режим работы через репитер включают двукратным нажатием кнопки "М". Он индицируется светодиодом HL1.

Как уже упоминалось, блок управления имеет в своем составе S-метр. Он выполнен на микросхеме DA1. включенной по типовой схеме (рис. 2). Позиционные обозначения деталей на этом рисунке продолжают нумерацию с рис. 1. Сигнал на вход S-метра поступает с вывода 5 микросхемы Д5 (К174ХА5) на плате приемника радиостанции "Транспорт".

Для радиостанции "Маяк" также может быть применена приведенная здесь схема S-метра, но AM тракт для нее придется сделать отдельно (например, на той же К174ХА5).

С радиостанцией блок управления соединен восьмью проводами через разъем XS1 (частично его контакты показаны на рис. 1. а частично - на рис. 2). назначение которых приведено в табл. 1. Не указанный в таблице контакт 2 включен параллельно контакту 1.

Управление синтезатором частоты радиостанций Транспорт и Маяк

Так как синтезаторы частоты радиостанций управляются параллельным кодом, в радиостанциях типа "Транспорт" используют штатную плату последовательно/параллельного ввода. Она установлена в синтезаторе на двух стойках и имеет 19 контактов на разъеме. Эту плату нужно подвергнуть следующей доработке.

1. Заменить два установленных на плате резистора на резисторы сопротивлением 10 кОм и подключить их не к общему проводу, а к источнику питания +9 В.

2. Перерезать со стороны установки микросхем дорожку, идущую на контакт 19 разъема.

3. С противоположной стороны платы перерезать дорожки, подведенные к контактам 15 и 16 разъема.

4. Подать на контакт 19 разъема сигнал, подведенный ранее к контакту 15.

5. Сигнал, который шел ранее на контакт 16, подать на контакт 15.

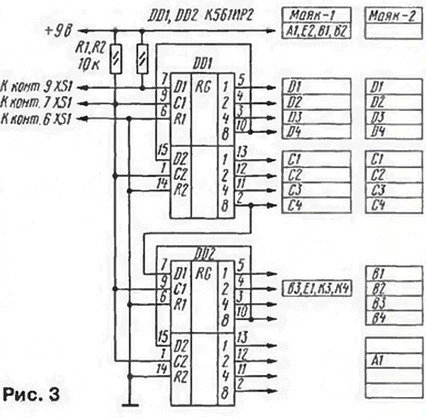
Для радиостанции "Маяк" преобразователь кода потребуется изготовить самостоятельно по схеме, показанной на рис. 3.

Управление синтезатором частоты радиостанций Транспорт и Маяк

Распайка выходов платы приведена на схеме в виде таблицы для двух вариантов радиостанций типа "Маяк". Обозначения шин установки частоты взяты из заводской документации. Перечисление нескольких шин через запятую в таблице (например, В3, Е1, К3 и т. д.) означает, что все эти шины соединяются вместе и подключаются к указанному выходу платы преобразователя кода.

Нужно отметить, что существует по крайней мере два варианта синтезатора частоты, отличающихся как схемотехнически, так и кодированием частоты. Проще всего отличить их по принципу кодирования частот каналов - шифратор на диодах (вариант условно назван "Маяк- Г) или шифратор на ПЗУ К155РЕЗ (вариант "Маяк-2"). Можно отличить их и по количеству микросхем К561ИЕ11 на плате синтезатора. Если микросхема К561ИЕ11 одна, то это - "Маяк-2".

Питание на плату последовательного ввода (+9 В) берут со стабилизатора напряжения платы синтезатора частоты радиостанции.

Блок управления питают от стабилизатора напряжением +5 В, выполненного на микросхеме КР142ЕН5А, который, в свою очередь, подключен к источнику питания +12 В радиостанции. Ток. потребляемый блоком управления, не превышает 250 мА.

Распечатки кодов для прошивки ПЗУ приведены в табл. 2 ("Маяк-1"). табл. 3 ("Маяк-2") и табл. 4 ("Транспорт"). Для экономии места блоки, которые содержат только код FF, из таблиц исключены, а соответствующие адреса приведены в конце каждой таблицы.

Управление синтезатором частоты радиостанций Транспорт и Маяк
(нажмите для увеличения)

Управление синтезатором частоты радиостанций Транспорт и Маяк
(нажмите для увеличения)

Блок управления выполнен на двусторонней печатной плате размерами 233х46 мм. Материал - фольгированный стеклотекстолит толщиной 1,5 мм. Плата со стороны расположения деталей показана на рис. 4, а с обратной стороны - на рис. 5. Расположение элементов на плате приведено на рис. 6.

Управление синтезатором частоты радиостанций Транспорт и Маяк

Управление синтезатором частоты радиостанций Транспорт и Маяк

Управление синтезатором частоты радиостанций Транспорт и Маяк
(нажмите для увеличения)

Плата рассчитана на установку кнопок типа ПКН-125 или ПКН-150. Дроссель L1 - ДПМ-0.1. Оксидный конденсаторе! - К53-14. а С4 - К50-35. Все постоянные резисторы - типа МЛТ-0.125, подстроечные - СПЗ-226. Резисторы R3. R4. R8-R14 установлены перпендикулярно плате. Чтобы уменьшить общую высоту монтажа, что немаловажно в дальнейшем при изготовлении лицевой панели, вместо них лучше применить сборку HP 1-4-9М сопротивлением 4.7...10 кОм. Стабилитроны VD1. VD2 - в стеклянных корпусах. Диоды VD3-VD7 располагают под микросхемой процессора или с противоположной стороны платы.

Микросхему ПЗУ (DD3) желательно установить на панельку (DIP-24). чтобы иметь возможность ее заменить при модернизации управляющей программы. Индикаторы HG1 - HG6 также целесообразно установить на панельки (DIP 14). Вместо указанных на схеме можно применить индикаторы с общим катодом другого типа.

В качестве индикаторов S-Meтpa HL2 - HL12 использована светодиодная сборка DD12GWA фирмы Kingbright - зеленого цвета свечения. При желании можно достичь неплохих результатов, использовав отечественные светодиоды серии КИПМ02. но придется повозиться с окрашиванием их боковых поверхностей и выравниванием диодов по высоте при установке на плату.

Микропроцессор 18С48 можно заменить микросхемой 80С48 фирмы Intel или применить отечественные аналоги: КРТ816ВЕ48 (35. 39): КР1830ВЕ48: КР1835ВЕ35 (39): КР1850ВЕ35 (39). Микросхему ПЗУ допустимо заменить на другую с объемом памяти 2 кбайта, например, на 2716 или К573РФ5.

На плате предусмотрены места под два дополнительных светодиода, которые можно применить для других нужд (индикации захвата частоты ФАПЧ, мощности и пр.) Предусмотрены также места под переменные резисторы (типа СПЗ-4) для регулировки громкости и порога шумоподавителя. а также под малогабаритный тумблер (например, для переключения уровня мощности).

Плату блока управления устанавливают на пяти стойках снаружи на лицевой стороне станции (противоположной стороне, на которой расположен антенный разъем). Затем ее закрывают декоративной панелью с четырьмя бортиками, спаянной из фольгированного стеклотекстолита. В панели предварительно вырезают отверстия под индикаторы, кнопки, оси переменных резисторов и т. д. Для крепления декоративной панели используют еще четыре стойки с резьбой, которые наворачивают на стойки, крепящие плату блока управления к радиостанции.

Преобразователь кода для радиостанции "Маяк" собран на печатной плате размерами 74x19 мм (рис. 7) из фольгированного стеклотекстолита толщиной 1,5 мм.

Перед установкой платы преобразователя в синтезатор радиостанции необходимо убедиться, что на плате синтезатора имеются все контакты разъема для ее подключения. В противном случае нужно впаять недостающие штырьки. На них крепят плату последовательного ввода, которую сверху фиксируют еще двумя стойками, к которым потом крепят экран.

В радиостанции "Транспорт" тактовые импульсы и импульсы данных подаются, как следует из табл. 1. на 1-й и 2-й контакты штатной платы последовательного ввода.

Настройку блока управления производят в следующей последовательности. После включения блока и прохождения импульса сброса на дисплее несколько секунд отображается заставка - "14 ucn". а затем текущая частота, например, "145500". Если этого не произойдет, необходимо тщательно проверить монтаж (особенно связку "процессор - регистр - ПЗУ" и их исправность). Причина иногда бывает и в регистрах DD4 - DD7. Поскольку запись в них происходит последовательно, то при исправных DD5- DD7, но неисправном регистре DD4 дисплей работать все равно не будет, так как данные через него не пройдут.

Перезапись данных в регистры осуществляется во время смены частоты, а также при включении режима передачи. Поэтому проверить наличие импульсов данных на выводе 7 и импульсов синхронизации на выводе 9 микросхемы DD4 можно осциллографом, переключая блок в режим передачи или циклически изменяя частоту.

При изменении частоты вверх или вниз на один канал не должно быть эффекта "проскакивания" канала, в противном случае следует уменьшить тактовую частоту, использовав дроссель L1 с большей индуктивностью или конденсаторы С2 и C3 большей емкости. Подбором резистора R6 устанавливают такой порог срабатывания шумоподавителя. чтобы при остановке режима сканирования в динамической головке всегда был слышен какой-либо сигнал.

S-метр настраивают подстроечным резистором R18. добиваясь при минимальном уровне сигнала зажигания светодиода HL2. а резистором R20 - зажигания НИЗ при максимальном уровне сигнала. Характеристика S-метpa получается обычно нелинейной. Здесь можно поэкспериментировать, устанавливая конденсатор С6 большей емкости (до 4,7...10 мкФ) Естественно, что необходимо каждый раз уточнять регулировки S-метра подстроечными резисторами R18 и R20.

При аккуратном монтаже и исправных деталях другой настройки не требуется. Короткие замыкания и обрывы в процессорной части недопустимы, так как обнаружить их крайне сложно.

Для повышения яркости индикаторов рекомендуется на плате блока управления установить питающее напряжение +5...5,1 В (при этом следует учитывать падение напряжения на соединительных проводах) с помощью диодов, которые включают в разрыв цепи, соединяющей средний вывод микросхемы КР142ЕН5А с общим проводом. Но у этого способа есть недостаток - придется изолировать КР142ЕН5А от корпуса радиостанции. Лучший вариант - применить импортные индикаторы, например, той же фирмы Kingbright - SC04-11GWA.

Автор выражает признательность RW6HRY33 предоставление материалов и поданную идею, а также UA9ULT и RA9UMC за ценные советы и участие в обсуждении конструкции.

Файлы с прошивками ПЗУ: mayak1.bin ("Маяк-1"), mayak2.bin ("Маяк-2"). transp.bin ("Транспорт").

Автор: В.Латышев (RA9UCN), marinsk@kuzbass.net

Смотрите другие статьи раздела Гражданская радиосвязь.

Читайте и пишите полезные комментарии к этой статье.

<< Назад

<< Назад

Последние новости науки и техники, новинки электроники:

Власть является ключевым фактором счастья в отношениях 11.03.2026

Исследования семейных и романтических отношений показывают, что длительное счастье пары зависит не только от привычных факторов, таких как доверие, уважение и преданность, но и от более тонких психологических аспектов. Современные ученые ищут закономерности, которые отличают действительно счастливые пары от остальных, чтобы понять, какие механизмы поддерживают гармонию в отношениях. Группа исследователей из Университета Мартина Лютера в Галле-Виттенберге и Бамбергского университета провела опрос среди 181 пары, которые состояли в совместных отношениях более восьми лет и прожили вместе хотя бы месяц. Участники заполняли анкету, описывая различные аспекты своих отношений, включая распределение обязанностей, эмоциональную поддержку и степень вовлеченности в совместные решения. Анализ данных показал интересный паттерн: пары, где оба партнера ощущали высокий уровень личной власти, оказывались наиболее счастливыми и удовлетворенными. В данном контексте под властью понимается способност ...>>

Защищенная колонка-повербанк Anker Soundcore Boom Go 3i 11.03.2026

Компания Anker представила новую модель линейки Soundcore - колонку Soundcore Boom Go 3i, ориентированную на активное использование на улице. Новинка отличается высокой степенью защиты: корпус соответствует стандарту IP68, что обеспечивает водо- и пыленепроницаемость, а ударопрочный дизайн выдерживает падение с высоты до одного метра. За качество звука отвечает 15-ваттный драйвер, обеспечивающий пик громкости до 92 дБ, а технология BassUp 2.0 усиливает низкие частоты, делая звучание более насыщенным. Колонка обладает автономностью до 24 часов, а LED-индикатор позволяет контролировать уровень заряда батареи. Кроме того, Soundcore Boom Go 3i может выполнять функцию павербанка: согласно внутренним тестам, устройство способно зарядить iPhone 17 с нуля до 40% за один час, что делает его полезным аксессуаром в походах и поездках. Среди функциональных особенностей модели стоит выделить технологию Auracast, которая улучшает подключение и позволяет создавать стереопару из двух колонок ...>>

Раннее воздержание от алкоголя перестраивает мозг и иммунитет 10.03.2026

Алкогольная зависимость - хроническое расстройство с компульсивным употреблением спиртного, которое влияет не только на поведение, но и на функционирование мозга и иммунной системы. Недавние исследования показали, что даже на ранних этапах воздержания организм начинает перестраиваться, открывая новые возможности для терапии зависимости. Ученые сосредоточились на пациентах, находящихся в первые недели абстиненции, и зафиксировали значительные изменения в мозговой активности. С помощью функциональной магнитно-резонансной томографии они выявили перестройку сетей нейронных связей, отвечающих за контроль импульсов и принятие решений. Эти изменения могут быть ключевыми для восстановления самоконтроля и снижения риска рецидива. Одновременно с нейронной перестройкой исследователи наблюдали колебания иммунной системы. В крови повышался уровень цитокинов - сигнальных белков, регулирующих воспалительные процессы. Эти данные свидетельствуют о существовании нейроиммунного взаимодействия, при ...>>

Случайная новость из Архива

Монохромная Фабрика печати Epson 16.03.2014

В любой компании всегда есть необходимость в печати, поэтому встает вопрос выбора принтера. Чаще всего в офис выбирают лазерные принтеры, поскольку считается, что они быстрее и качественнее работают. Компания Epson, разработавшая свою "Монохромную Фабрику печати", развенчивает сложившиеся стереотипы и предлагает более выгодное решение.

Быстрая и экономичная печать - залог качественного документооборота в любой компании. Хотя рынок печатающих устройств и предлагает множество решений в самых разных ценовых категориях, проблема выбора принтера по-прежнему актуальна. И один из главный вопросов, возникающих перед покупкой, заключается в том, какой принтер выбрать, - струйный или лазерный?

Если проследить тенденцию использования устройств по типу (лазерные или струйные), то, согласно устойчивым стереотипам, для офисных нужд чаще всего выбирают лазерные принтеры. Но лазерные устройства требуют дорогостоящих тонеров и большего расхода энергии, поэтому об экономии на практике речь совсем не идет. Многие потребители склонны считать, что купленное дорогое устройство хотя бы будет быстро печатать. Но так ли это на самом деле?

Компания Epson достаточно долго занималась разработкой альтернативы лазерным устройствам и смогла предложить рынку уникальную линейку оригинальных печатающих устройств без картриджей - "Монохромную Фабрику печати Epson", в которую входят как принтеры: Epson М100 и Epson М105, так и МФУ Epson М200. Благодаря большим встроенным емкостям с чернилами по 140 мл Epson удалось снизить стоимость отпечатка А4 до рекордных 15 копеек при использовании оригинальных расходных материалов - это в три раза дешевле отпечатка того же формата на лазерном принтере при использовании перезаправляемого тонера.

Стартового набора расходных материалов для "Монохромной Фабрики печати Epson" хватает на 11 тыс. отпечатков, тогда как у лазерных "собратьев" всего на 1500. А это означает долгосрочную выгоду покупателей, ведь за счет высокого ресурса стартового набора расходных материалов и низкой себестоимости отпечатка стоимость владения "Монохромной Фабрикой печати Epson" в течение трех лет более чем в два раза ниже, чем лазерным принтером.

Часто основным критерием выбора лазерного принтера считают высокое качество печати. "Монохромная Фабрика печати Epson" использует пигментные чернила, которые обеспечивают печать высокой четкости и стойкости отпечатка даже на обычной бумаге - отпечаток не смазывается и не растекается от случайного попадания воды, на нем можно делать выделения маркером без ущерба для качества.

Что касается скорости печати, то и с этим у "Фабрики печати Epson" тоже все в порядке. Струйные принтеры всегда могли похвастаться высокой скоростью выхода первой страницы, потому что им не нужно тратить время на прогрев. Также для увеличения скорости печати присутствует специальный режим draft.

В последние годы в мире все больше внимания стало уделяться вопросам защиты окружающей среды. Это стало настоящим трендом. Все устройства "Фабрика печати Epson" разработаны таким образом, чтобы соответствовать экологическим нормам и быть дружественными к окружающей среде. Так, струйная технология печати обеспечивает меньшую энергозатратность, а расходные материалы - большую экологичность по сравнению с лазерной печатью, пигментные чернила, в отличие от тонер-картриджей, не токсичны.

Другие интересные новости:

▪ Новому аналогу GPS будут не нужны спутники

▪ Биоразлагаемый пластырь

▪ Передовые аккумуляторы для электромобилей от QuantumScape

▪ Бюджетные светодиодные лампы Philips

▪ Робот-тролль

Лента новостей науки и техники, новинок электроники

 

Интересные материалы Бесплатной технической библиотеки:

▪ раздел сайта Измерительная техника. Подборка статей

▪ статья Гражданские организации гражданской обороны. Основы безопасной жизнедеятельности

▪ статья Куда деваются монеты из римского фонтана Треви? Подробный ответ

▪ статья Работа с электротитаном. Типовая инструкция по охране труда

▪ статья Электронный кодовый замок из четырех цифр. Энциклопедия радиоэлектроники и электротехники

▪ статья Исчезновение шара с помощью захвата ладонью. Секрет фокуса

Оставьте свой комментарий к этой статье:

Имя:


E-mail (не обязательно):


Комментарий:





Главная страница | Библиотека | Статьи | Карта сайта | Отзывы о сайте

www.diagram.com.ua

www.diagram.com.ua
2000-2026