Menu Home

Бесплатная техническая библиотека для любителей и профессионалов Бесплатная техническая библиотека


Синхронный гетеродинный приемник УКВ ЧМ сигналов. Энциклопедия радиоэлектроники и электротехники

Бесплатная техническая библиотека

Энциклопедия радиоэлектроники и электротехники / Радиоприем

Комментарии к статье Комментарии к статье

Усложнение конструкции этого приемника по сравнению с популярными у радиолюбителей простыми синхронными УКВ ЧМ приемниками, по мнению автора, оправдано улучшением основных характеристик: чувствительности и устойчивости работы.

Описываемый здесь приемник УКВ ЧМ сигналов для диапазона 65,8...73 МГц. отличается от ранее опубликованных большей чувствительностью и отсутствием таких свойственных им характерных недостатков, как нестабильность настройки и самопроизвольная перестройка на более сильный сигнал соседнего канала. Чувствительность синхронных гетеродинных приемников ограничивается тем. что "дрейф нуля" усилителя постоянного тока воздействует на узел управления частотой гетеродина и вызывает нестабильность настройки приемника. В разработанной автором конструкции она уменьшена за счет того, что вместо усилителей постоянного напряжения используются усилители переменного напряжения, достигнуто уменьшение "дрейфа нуля", что позволило увеличить чувствительность приемника, которая теперь составляет около 8 мкВ. Кроме того, изменение напряжения на узле управления частотой гетеродина уменьшается амплитудным ограничителем ZL1, поэтому под действием управляющего напряжения частота гетеродина не будет изменяться более чем на 100 кГц. Таким образом, исключается самопроизвольная настройка на соседнюю по частоте радиостанцию.

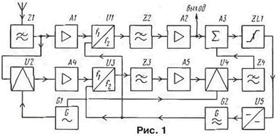
Приемник потребляет ток около 34 мА. Его структурная схема изображена на рис. 1.

Синхронный гетеродинный приемник УКВ ЧМ сигналов

Принимаемый сигнал от антенны через двухзвенный фильтр нижних частот Z1 и усилитель высокой частоты А1 поступает на сигнальный вход смесителя U1. На другой его вход поступает напряжение гетеродина G2. Если частоты сигнала и гетеродина не равны, то иа выходе смесителя образуется переменное напряжение биений, которое через фильтр нижних частот Z2, усилитель низких частот А2. сумматор A3 и амплитудный ограничитель ZL1 подается на узел управления частотой гетеродина U5 и изменяет частоту гетеродина G2 таким образом, что мгновенная разность частот сигнала и гетеродина уменьшается примерно до 72 Гц. Это значение частоты определяется нижней границей полосы пропускания усилителя низких частот А2.

Сигнал с выхода ФНЧ Z1 поступает также на сигнальный вход модулятора U2, на второй вход которого поступает переменное напряжение прямоугольной формы частотой 20 кГц от вспомогательного генератора низкой частоты G1.

В результате на выходе модулятора образуется модулированное по амплитуде высокочастотное напряжение, которое через усилитель высокой частоты А4 поступает на сигнальный вход смесителя U3 (fc), на второй вход которого поступает напряжение от гетеродина G2 (fg). На выходе смесителя появляется переменное напряжение частотой 20 кГц. модулированное по амплитуде колебаниями разностной частоты (т.е. частоты биений fb = fc - fg). которое через фильтр нижних частот Z3. усилитель низких частот А5 поступает на сигнальный вход демодулятора U4.

На второй вход демодулятора поступает переменное напряжение с частотой 20 кГц от генератора G2. На выходе демодулятора формируется переменное напряжение, частота которого равна мгновенной разности частот сигнала и гетеродина, затем оно через двухзвенный фильтр нижних частот Z4. сумматор A3 и амплитудный ограничитель ZL1 поступает на узел управления частотой гетеродина U5 и изменяет частоту гетеродина G2 таким образом, что система ФАПЧ приемника переходит из режима биений в режим удержания. Разность частот сигнала и гетеродина, при которой происходит переход в режим удержания, определяется частотой среза фильтра Z2 и составляет 10.6 кГц (при минимальном сигнале).

Таким образом, при работе системы ФАПЧ в режиме удержания (синхронизации) быстрые уходы частоты (72 Гц < f < 10,6 кГц) компенсируются каналом, состоящим из ФНЧ Z1, усилителя высокой частоты А1, смесителя U1, фильтра нижних частот Z2. усилителя низких частот А2, сумматора A3, амплитудного ограничителя ZL1, узла управления частотой U5 и гетеродина G2.

Медленные уходы частоты (< 330 Гц) компенсируются каналом, состоящим из модулятора U2, усилителя высокой частоты А4, смесителя U3, фильтра нижних частот Z3. усилителя низких частот А5, демодулятора U4, фильтра нижних частот Z4 и генератора G1. Переменное напряжение звуковых частот (72 Гц < fz < 10.6 кГц), пропорциональное отклонению мгновенного значения частоты сигнала на входе приемника, с усилителя низких часкл А2 поступает на выход приемника.

Динамические характеристики системы ФАПЧ определяются амплитудой входного сигнала и формой АЧХ фильтра нижних частот Z2. который представляет собой однозвенную RC-цепь. Форма АЧХ разомкнутой системы ФАПЧ приближена к форме АЧХ звена первого порядка, поэтому система ФАПЧ работает в режиме синхронизации при достаточно большом диапазоне амплитуд входного сигнала. Приемник не имеет системы АРУ, поэтому при очень большой амплитуде входного сигнала система ФАПЧ самовозбуждается (режим квазисинхронизма). Но и в этом случае приемник сохраняет работоспособность, так как самовозбуждение системы ФАПЧ не отражается на качестве выходного сигнала (частота автоколебаний в системе ФАПЧ оказывается выше 50 кГц).

Избирательность приемника по соседнему каналу определяется параметрами ФНЧ Z2, а избирательность по паразитным каналам приема (на гармониках гетеродина) - параметрами фильтра нижних частот Z1.

Принципиальная схема приемника приведена на рис. 2.

Синхронный гетеродинный приемник УКВ ЧМ сигналов
(нажмите для увеличения)

Сигнал от антенны через разделительный конденсатор C1 и ФНЧ. образованный конденсаторами С2 - С4 и катушками L1.12. поступает на УПЧ, выполненный на транзисторе VT1. Этот усилитель служит для уменьшения проникновения колебаний гетеродина во входную цепь, усиление его невелико и составляет Ку < 5. Транзистор включен по схеме с общей базой, что обеспечивает высокую линейность УВЧ и способствует повышению помехоустойчивости приемника (по аналогичной схеме выполнен и УВЧ на транзисторе VT4). Характеристическое сопротивление фильтра Z1 близко к 75 Ом. а его частота среза - 75 МГц.

Элементы R6. С8. R8. С9 образуют фазовращатель, который сдвигает фазу высокочастотного напряжения, поступающего на смеситель, выполненный на транзисторе VT2. на несколько десятков градусов. Это нужно для повышения чувствительности приемника. Дело в том. что в режиме удержания (синхронизации) фазовый сдвиг колебаний сигнала и гетеродина, поступающих на смеситель VT5. близок к 90. В то же время за счет задержки высокочастотного сигнала в модуляторе VT3 фазовый сдвиг между колебаниями сигнала и гетеродина на входах смесителя VT2 может отличаться от 90°. При приеме слабых частотно-модулированных сигналов с большой девиацией частоты это может привести к кратковременным срывам синхронизации в моменты максимального отклонения частоты. Цепь, состоящая из элементов R6. С8. R8. С9. обеспечивает дополнительную задержку высокочастотного сигнала, что позволяет установить на входах смесителя VT2 фазовый сдвиг колебаний около 90°.

Построение фильтров нижних частот Z2 и Z3 (соответственно на элементах R10. С12 и R26. С29) и усилителей низких частот А2 и А5 (на микросхемах DA1 и DA3) обоих каналов одинаково и отличается только номиналами используемых элементов. Низкочастотный сигнал снимается с выхода DA1. элементы R11, С15 служат для коррекции высокочастотных предыскажений.

Функции сумматора A3 и амплитудного ограничителя ZL1 выполняет микросхема DA2. Модулятор U2 выполнен на транзисторе VT3, а демодулятор U4 - на транзисторе VT6. Роль фильтра нижних частот Z4 выполняют элементы R30, C30. R31. C31. Эмиттерный повторитель на транзисторе VT7 уменьшает влияние сумматора на параметры фильтра нижних частот. Узел управления частотой U5 выполнен на варикапе VD1, гетеродин G2 - на транзисторах VT8, VT9. а вспомогательный генератор низкой частоты G1 - на микросхеме DD1.

Крутизна узла управления частотой Sγпр - 35 кГц/В. поэтому при девиации частоты (f = 50 кГц) напряжение звуковой частоты на конденсаторе С19 составляет около 1,5 В, а на выходе приемника (на С15) - около 0,3 В.

Настройку приемника на частоту радиостанции производят изменением индуктивности катушки гетеродина L3.

Приемник собран в корпусе из листового дюралюминия. При его изготовлении использовался навесной монтаж. Гетеродин заключен в экран, кроме того, соединен с конденсаторами С19 (цепь управления), С41 (питание) и с затворами транзисторов VT2 и VT5 (сигнал гетеродина) отрезками телевизионного коаксиального кабеля. На всякий случай экранирован провод, соединяющий вывод 10 DD1 с затвором транзистора VT3, но это не обязательно.

В устройстве могут быть использованы постоянные резисторы МЛТ-0,125, конденсаторы - керамические, например. КТ или КМ. Конденсаторы С2 - С4, C37 - C39, С42, С43 должны иметь малый ТКЕ. Оксидные конденсаторы - любого типа.

В качестве транзисторов VT1, VT4, VT8 и VT9, кроме рекомендованных на схеме, можно использовать и другие сверхвысокочастотные соответствующей структуры и с граничной частотой более 900 МГц, емкостями переходов не более 2 пФ и малой постоянной времени цепи ОС (не более 10... 15 пс). Для транзисторов VT1 и VT4 особенно важны значения постоянной времени цепи ОС и коэффициент шума. В случае необходимости их замены подойдут КТ368, КТ3109, КТ325, КТ355, КТ372 с буквенными индексами, соответствующими указанным выше параметрам. В качестве VT6 и VT7 можно использовать любые высокочастотные соответствующей структуры: КТ312. КТ3102. КТ3107 с любыми буквенными индексами и др. Вместо К157УЛ1А (DA1 и DA3) можно использовать К157УЛ1Б, К157УД2 (DA2) вполне заменит любой операционный усилитель общего применения, способ ный работать при указанном на схеме напряжении питания. В качестве VT2, VT3, VT5 подойдут КП327 с другими буквенными индексами.

Катушки L1 - L3 намотаны на каркасах с внешним диаметром 6 мм проводом ПЭЛ-1 0.45 мм и содержат по пять витков. Их индуктивность регулируется латунными подстроечником и с резьбой М5.

При правильном монтаже и исправных радиодеталях настройка приемника предельно проста. Нужно переменным резистором R12 установить на конденсаторе С19 напряжение +4.5 В. а затем, вращая подстроечник катушки L3. настроить приемник на радиостанцию, добиваясь наилучшего качества звука. При наличии помех, возможно, потребуется поточнее настроить границу ФНЧ подстроечниками катушек L1 и L2. Для уменьшения взаимоиндукции эти катушки следует расположить так. чтобы оси были перпендикулярны.

Параметры приемника можно улучшить. Например, увеличить подавление паразитных каналов приема на гармониках гетеродина, применив на входе приемника трехзвенный ФНЧ. Но в этом случае катушки фильтра желательно экранировать.

За счет уменьшения сопротивления резистора R13 удается увеличить ширину полосы захвата на звуковых частотах и таким образом примерно в два раза повысить чувствительность приемника. Но здесь требуется большая точность в настройке гетеродина. К сожалению, при этом ухудшается отношение сигнал/шум на выходе приемника. Придется выбирать, что в конкретных условиях приема более важно.

Автор: А.Сергеев, г.Сасово Рязанской обл.

Смотрите другие статьи раздела Радиоприем.

Читайте и пишите полезные комментарии к этой статье.

<< Назад

<< Назад

Последние новости науки и техники, новинки электроники:

Хорошо управляемые луга могут компенсировать выбросы от скота 15.02.2026

Животноводство, особенно разведение крупного рогатого скота, часто обвиняют в значительном вкладе в глобальное потепление из-за мощного парникового газа - метана, который выделяется при пищеварении у жвачных животных. Это вызывает острые политические споры и призывы к сокращению потребления мяса. Однако ученые напоминают, что полная картина климатического воздействия отрасли не ограничивается только выбросами от животных: огромную роль играет окружающая экосистема - пастбища, почва и растительность, которые способны активно поглощать углекислый газ из атмосферы. Исследователи из Университета Небраски-Линкольна решили глубже изучить этот баланс. Группа под руководством профессора Галена Эриксона сосредоточилась на том, как правильно организованные пастбища накапливают углерод в растениях и грунте благодаря естественным процессам, стимулируемым выпасом скота. Ученые подчеркивают, что при достаточном уровне осадков и грамотном управлении такие луга превращаются в мощные природные погло ...>>

NASA тестирует инновационную технологию крыла 15.02.2026

Коммерческая авиация ежегодно расходует колоссальные объемы керосина, что сказывается не только на бюджете авиакомпаний, но и на состоянии окружающей среды. В 2024 году глобальные затраты на авиационное топливо достигли 291 миллиарда долларов, и эта сумма продолжает расти. Чтобы справиться с этими вызовами, NASA активно работает над технологиями, способными заметно повысить аэродинамическую эффективность самолетов. Одним из самых перспективных направлений стало создание специальной конструкции крыла, которая максимизирует естественный ламинарный поток воздуха и минимизирует сопротивление. В январе 2026 года специалисты NASA Armstrong Flight Research Center успешно провели важный этап наземных испытаний концепции Crossflow Attenuated Natural Laminar Flow (CATNLF). Для эксперимента под фюзеляж исследовательского самолета F-15B закрепили вертикально ориентированную масштабную модель высотой около 0,9 м (3 фута), напоминающую узкий киль. Такая компоновка позволила подвергнуть прототип р ...>>

Забота о внуках очень полезна для здоровья мозга 14.02.2026

Общение между поколениями приносит радость всей семье, но мало кто задумывается, насколько активно бабушки и дедушки, заботящиеся о внуках, поддерживают свою умственную форму. Регулярное взаимодействие с детьми стимулирует мозг пожилых людей, помогая сохранять память, скорость мышления и общую когнитивную активность. Новые научные данные подтверждают, что такая добровольная помощь не только важна для общества, но и может замедлять возрастные изменения в мозге. Исследователи из Тилбургского университета в Нидерландах провели анализ, чтобы понять, приносит ли уход за внуками реальную пользу здоровью пожилых людей. Ведущий автор работы Флавия Черечес отметила, что многие бабушки и дедушки регулярно присматривают за детьми, и оставался открытым вопрос, насколько это положительно сказывается на их собственном благополучии, особенно в плане когнитивных функций. Ученые поставили цель выяснить, способен ли регулярный уход за внуками замедлить снижение памяти и других умственных способ ...>>

Случайная новость из Архива

Новая файловая система для Windows 8 20.01.2012

Новая файловая система Microsoft сможет предложить гораздо более гибкие возможности по хранению и обеспечению целостности данных по сравнению с NTFS, которой в будущем году исполнится 20 лет.

Microsoft представила новую файловую систему для вычислительных машин на платформе Windows. Она получила название Resilient File System (ReFS), что можно перевести как "Отказоустойчивая файловая система". Вице-президент Microsoft Стивен Синофски (Steven Sinofsky) рассказал в корпоративном блоге, что раз с Windows 8 они "заново изобретают" Windows, то этот подход должен касаться и отношения к данным.

ReFS использует основные принципы NTFS, самой популярной файловой системы на рынке, представленной около 19 лет назад. Однако новая система была создана "с нуля", сообщается в официальном блоге. Главная цель: поддержка систем хранения данных будущих поколений и новых сценариев работы с информацией.

Разрабатывая ReFS, инженеры преследовали следующие задачи: заимствовать у NTFS все лучшее и отсечь все сложные моменты (например, были исключены сжатие данных и квоты); наделить систему возможностью проверять и автоматически исправлять данные, максимизировать возможности масштабирования, наделить систему возможностью бесперебойной работы за счет изоляции проблемных участков и обеспечить работу новой технологии Storage Spaces.

Представленная несколько дней назад технология Storage Spaces позволяет из нескольких накопителей с разными интерфейсами подключения создавать единые логические пространства для хранения данных, например, "Документы", "Мультимедиа", "Архив" и т.д. При этом существует возможность в любое время подключить к пространству дополнительный накопитель для увеличения суммарной емкости.

С новой файловой системой целостность данных выводится в приоритет
ReFS позволит детектировать потерю фрагментов данных и неверную адресацию фрагментов - с помощью контрольных сумм. Также будет добавлена технология отслеживания деградированных данных ("bit rot") - тот вид потерь, который сложнее всего заметить. Данные деградируют из-за того, что ячейки накопителя используются в процессе эксплуатации неравномерно. Для выявления таких фрагментов в операционную систему будет добавлен процесс, который будет регулярно сравнивать данные с данными в резервных копиях и выявлять расхождения.

В случае повреждения файлов при невозможности их восстановления из резервной копии (например, если система из-за какой-либо ошибки повредила все копии файла) он будет автоматически удаляться из пространства имен. Таким образом он будет "отрезан" от ОС и не станет причиной последующих сбоев.

Другие интересные новости:

▪ Ежегодное ускорение темпов таяния ледовых покровов

▪ Энергетические футляры для iPhone 6 и iPhone 6s

▪ Очистка воды от урана с помощью магнитных бактерий

▪ С ростом температуры растет и аппетит насекомых-вредителей

▪ Графический процессор AMD для встроенных систем с поддержкой 4К

Лента новостей науки и техники, новинок электроники

 

Интересные материалы Бесплатной технической библиотеки:

▪ раздел сайта Нормативная документация по охране труда. Подборка статей

▪ статья Гомо советикус. Крылатое выражение

▪ статья Может ли крот видеть? Подробный ответ

▪ статья Уборщик территории кладбища. Должностная инструкция

▪ статья Игровой автомат Реакция. Энциклопедия радиоэлектроники и электротехники

▪ статья Усовершенствованный источник питания на микросхеме UCC28810 для светодиодных светильников. Энциклопедия радиоэлектроники и электротехники

Оставьте свой комментарий к этой статье:

Имя:


E-mail (не обязательно):


Комментарий:





Главная страница | Библиотека | Статьи | Карта сайта | Отзывы о сайте

www.diagram.com.ua

www.diagram.com.ua
2000-2026