Menu Home

Бесплатная техническая библиотека для любителей и профессионалов Бесплатная техническая библиотека


Приемник сигналов RDS. Энциклопедия радиоэлектроники и электротехники

Бесплатная техническая библиотека

Энциклопедия радиоэлектроники и электротехники / Радиоприем

Комментарии к статье Комментарии к статье

Сервисные функциональные возможности радиоэлектронных устройств с внедрением цифровых методов передачи сообщений расширяются и в звуковом радиовещании. Попросить приемник самостоятельно настроиться на любую местную радиостанцию, передающую новости спорта, рассказать о местной дорожной ситуации ( для водителей автомобиля это чрезвычайно важная информация), выбрать частоту, на которой прием интересующей программы менее подвержен действиям помех, в любой момент узнать точное время, метеорологические сводки синоптиков - сегодня это уже не фантазии. Это RDS!

С недавних пор московская радиостанция "Серебряный дождь" (100,1 МГц) одновременно с вещательной программой передает и буквенно-цифровую информацию. На табло приемника, имеющего соответствующее оборудование, можно увидеть текущее время, сведения о погоде на сегодняшний день, курс валют, новости спортивных событий, названия передаваемых данной радиостанцией музыкальных произведений и другие полезные сведения. Эта система носит название Radio Broadcast Data System - R(B)DS или, как принято во многих странах, более просто - RDS.

Первое упоминание о существовании такой системы за рубежом содержалось в книге [1], появившейся в 1986 г. Информацию о свойствах и возможностях RDS публиковал и журнал "Радио" [2], а несколько позже новые сведения о системе были приведены в [3].

Сегодня имеется достаточно много литературных источников, в которых приведены схемы приемников сигналов RDS. Это, в первую очередь, - многотомный сборник "AUDIO. Альбом схем зарубежной аудиотехники". В выпусках 2 - 6, 9 - 11 этого издания приведены схемы изделий фирм SONY, GRUNDIG, PIONEER, PANASONIC, позволяющих принимать такие сигналы. К сожалению, эти схемы не сопровождаются описаниями. Несомненно, существуют и другие источники информации о системе RDS, но они, кроме [2], мало доступны основной массе радиолюбителей.

Постараемся восполнить имеющийся пробел и несколько подробнее рассказать об этой новой системе радиовещания.

Системы передачи данных по радио одновременно с вещательной информацией разрабатывались в семидесятые годы ведущими фирмами разных стран. После испытаний лучшим был признан вариант RDS, разработанный в Швеции. Он используется теперь в большинстве европейских стран и, как уже было сказано, пришел в Россию.

Система RDS обеспечивает возможность передачи радиослушателю большого потока разнообразной буквенноцифровой информации, которая группируется по следующим основным признакам:

  • PI (Program Indentification) - название радиостанции и ее частота;
  • PS (Program Service Name) - перечень сведений, передаваемых радиостанцией;
  • RT (Radiotext) - краткая информация, передаваемая бегущей строкой;
  • СТ (Clock Time) - текущее время, число месяца, день недели;
  • M/S (Music/Speech) - сигнал переключения аудиотракта с обработки сигналов музыкальных программ на обработку речевых сообщений (в некоторых устройствах вызывает автоматическое переключение аудиотракта из режима стереовоспроизведения музыки на моновоспроизведение речевой программы).

Предусмотрена еще одна функция - AF (Alternative Freguence) - перечень резервных частот радиостанции, но в стационарной бытовой радиоаппаратуре она не воспроизводится. Перечень возможностей RDS этим не ограничивается. Система в состоянии также передавать сообщения дорожной информации:

  • TP (Traffic Program) - информация о дорожном движении;
  • TA (Traffic Announcement) - срочная дорожная информация.

Наиболее совершенные модели автомобильной радиоаппаратуры принимают сигналы дорожной информации даже после их выключения и запоминают передаваемую информацию в объеме до 4 минут. Сигналы RDS для передачи дорожных сообщений у нас пока что не используются, но этот пробел, несомненно, будет скоро ликвидирован.

Существует расширенный вариант системы, называемый EON (Enhanced Other Networks). Он включает в себя функцию, представляющую собой команду автоматического переключения радиоустройства на другой канал, в котором передается срочное важное сообщение. Кроме того, в этом варианте расширена возможность функции ТА - введена дополнительная функция PTY. Первая обеспечивает (для желающих) автоматическое переключение приемника на другой канал, если по выбранному основному каналу передается реклама или текстовые сообщения. Дополнительная функция PTY (Program Type) позволяет выбрать желаемый характер информации (музыка, новости, спорт) и автоматически переключает каналы для поиска передач выбранного типа.

Таковы возможности современной приемной аппаратуры. Возможности же отечественных передающих радиостанций пока остаются скромными. Так, радиостанция "Серебряный дождь" в 1998 г. передавала лишь сигналы PI, RT, CT.

Сигналы RDS передаются только в диапазоне УКВ-2 в составе комплексного стереосигнала SAP, включающего, как известно, тональный сигнал L+R, пилот-сигнал с частотой 19 кГц, две боковые полосы сигнала L-R с подавленной поднесущей 38 кГц (рис. 1). Сигналы RDS в этом спектре передаются путем фазовой модуляции поднесущей 57 кГц. Модулирующий сигнал представляет собой последовательность двоичных импульсов с частотой следования 1187,5 бит/с. Эта последовательность передается нерегулярно, по мере надобности, группами объемом по 104 бита. В группе передаются очередные 8 байт данных, являющиеся электронным отображением восьми буквенно-цифровых символов информации, и 40 бит, содержащих код защиты ее от искажений.

Приемник сигналов RDS

Структурная схема радиоприемника, принимающего сигналы радиовещания и RDS, показана на рис. 2. Она проста. Собственно приемная часть, состоящая из тюнера, УПЧ и ЧМ демодулятора, является общей для этих сигналов и построена по обычным схемам. С выхода демодулятора ЧМ сигнал SAP подается на стереодекодер для формирования низкочастотных стереосигналов L и R, а также в блок RDS, который демодулирует сигналы RDS, обнаруживает и исправляет ошибки в них, вызванные помехами. Как показано на рис. 2, в него входят два устройства: демодулятор и декодер.

Приемник сигналов RDS

Демодулятор - это первое звено блока RDS. В нем сигналы RDS выделяются из SAP и преобразуются в две параллельные последовательности импульсных сигналов: RDA - с данными информации и RCL - с сигналами синхронизации. Наличие этих двух последовательностей необходимо для декодирования RDA.

Упрощенная структурная схема демодулятора показана на рис. 3. Он имеет внешний кварцевый резонатор Z с частотой 0,456 или 4,332 МГц, которая затем делится соответственно на 8 или 76, а затем еще на 48. В результате формируются последовательности импульсов с частотами 57 и 1,1875 кГц. Первая совпадает с частотой поднесущей сигналов RDS, вторая - с частотой ее модуляции.

Приемник сигналов RDS

Сигнал SAP, полученный от ЧМ демодулятора приемной части, подается в демодулятор RDS на полосовой фильтр с центральной частотой 57 кГц. Это позволяет устранить нежелательные помехи. Затем он передается на фазовый демодулятор сигналов RDS, в качестве которого используется устройство фазовой автоподстройки частоты (ФАПЧ) особой конструкции. В результате сигнал RDS превращается в последовательность импульсов напряжения RDA, несущих информацию. Импульсы частотой 1,1875 кГц выводятся из демодулятора в виде последовательности импульсов синхронизации RCL.

Декодер RDS - это микроконтроллер со специализированным программным обеспечением (ПО), позволяющим обнаруживать ошибки в сигналах RDA и исправлять их, определять код передаваемой информации.

Производить проверку, а тем более корректировку сигнала, представленного последовательностью импульсов, затруднительно. Поэтому в декодере поток битов RDA разбивается на блоки по 26 бит в каждом. Биты блока переводятся в форму параллельного кода, и в этом виде осуществляется их анализ. Состав блока таков: слово данных длиной 16 бит (2 байта) и слово контроля - 10 бит. Слово контроля содержит код защиты. Что касается кода защиты, то тип его в доступной литературе не сообщается. Но судя по длине слова контроля его возможности по обнаружению и исправлению ошибок достаточно велики. Согласно [3] декодеры RDS могут обнаруживать до 5 и исправлять до 4 битов из 16, составляющих слово данных. По окончании обработки блока он снова переводится в форму последовательного кода, но уже без слова контроля, поскольку оно выполнило свое назначение и в дальнейшем больше не используется.

Результатом работы декодера являются потоки импульсов DATA, CLC, START и ключевые сигналы TA, TP, M/S и др., передаваемые в драйвер - микросхему, управляющую функционированием табло. В драйвер поступают также сигналы из микроконтроллера о состоянии и режимах работы других блоков приемника. Все они из драйвера передаются на табло по линиям SEGM1 - SEGMn.

Зарубежные фирмы вводят блоки RDS в самые разнообразные радиоустройства: радиоприемники, музыкальные центры, автомобильную радиоаппаратуру. Такие блоки вместе с радиоприемниками УКВ диапазона устанавливают даже в проигрыватели компакт-дисков. Примером этого являются аппараты "SONY MDX-U1RDS" и "PIONEER DEH-605 RDS". Только переносная и дешевая стационарная аппаратура обходится без устройств RDS.

Рассмотрим конкретные варианты построения блоков RDS. Все их разнообразие сводится к трем основным схемам.

Примером реализации структуры, показанной на рис. 2, является блок RDS автомагнитолы "SONY XR-U300 RDS". В нем использована схема, представленная в упрощенном виде на рис. 4. Полностью она приведена в [4]. Функции демодулятора выполняет микросхема TDA7330BD, декодера - LC7071NM. Сформированные ими сигналы DATA и CLC (сигналы индикации ТА и ТР данный декодер не формирует) поступают в микроконтроллер UPD755106GF-123389, который одновременно управляет по цифровой шине остальными блоками магнитолы: тюнером, магнитофонной декой, эквалайзером, УЗЧ. Все сигналы от них и от блока RDS, подлежащие выводу на табло, микроконтроллер передает в драйвер ТС9240F, который реализует эту операцию. Микроконтроллер использует энергонезависимую перепрограммируемую микросхему памяти EEPROM Х24164SIC. Он сложен по конструкции, имеет развитое программное обеспечение (ПО) и большое количество портов для входных и выходных сигналов; смонтирован в корпусе с 80 выводами.

Приемник сигналов RDS

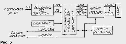
Более простое схемотехническое построение (рис. 5) имеют блоки RDS в автомагнитолах "SONY XR-5600 RDS" и "SONY XR-5601 RDS". В них также применены демодулятор TDA7330BD и драйвер TC9240F. Но функции декодера RDS наряду с управлением блоками магнитолы выполняет микроконтроллер mPD17006GF с соответствующим ПО. В других моделях фирмы SONY, в которых использована данная схема, устанавливают демодулятор SAF7579T и микроконтроллер MN18824175NU1.

Приемник сигналов RDS

По схеме рис. 5 выполнена и автомагнитола "PHILIPS CCR520", с кратким описанием можно ознакомиться в [3]. В ней применены демодулятор SAA65797, микроконтроллер Р83С528 с микросхемой памяти РСF8582 и драйвер PCF8576.

По аналогичной схеме собран блок RDS автомагнитолы "PANASONIC CQRD50" с использованием демодулятора YEAMLA233OM, микроконтроллера YEAM17006518, драйвера YEAMHD44780A, памяти YEAM3517L15 и табло YEXDCM1025. В других моделях этой фирмы устанавливают микроконтроллеры YEAM78014517 или YEAM78014532 с сокращенным до 64 числом выводов, а также драйвер YEAMPCF8576Т. Принципиальные схемы этих аппаратов приведены в [4].

Несколько другая схема использована в тюнере "TECHNICS ST-CH 530EG" музыкального центра фирмы TECHNICS (рис. 6). Ее особенность состоит в том, что микроконтроллер тюнера одновременно выполняет функции драйвера табло. Принципиальная схема блока RDS этого тюнера показана на рис. 5 и 6 в [5].

Приемник сигналов RDS

Все названные микросхемы не имеют отечественных аналогов. Наиболее распространенными являются TDA7330, LC7071 и LC7073 с различными индексами. Применяя их, можно собрать блок RDS по схеме, использованной в уже упоминавшейся автомагнитоле "SONY XR-U300 RDS". Соответствующая часть принципиальной схемы этого аппарата (полностью она приведена на с. 68, 69 в [4]) показана на рис. 7. Блок состоит из демодулятора на TDA7330BD и декодера на микросхеме LC7071NM (может быть заменена полным аналогом LC7073MTLM).

Приемник сигналов RDS
(нажмите для увеличения)

На вывод 1 микросхемы DD1 подается сигнал SAP с выхода ЧМ модулятора радиоприемника УКВ диапазона. Транзистор VT1 при включении питания формирует сигнал RESET, устанавливающий микросхему DD2 в исходное состояние. С выводов 14-16 DD2 снимаются выходные сигналы DATA, CLC, START, которые передаются в микроконтроллер приемника или непосредственно в драйвер. Выводы DD1 и DD2, не показанные на рис. 7, остаются свободными. Схема является развитием той, что показана на рис. 4, и дополнительных пояснений не требует.

Подводя итоги, можно сказать, что система RDS в нашей стране только начинает подавать признаки жизни.

Ассортимент элементной базы, предлагаемый на рынке, пока недостаточен, поэтому пора создания радиолюбительских конструкций устройств RDS, по-видимому, еще не наступила. Эта ситуация в самое короткое время может кардинальным образом измениться - во многих странах Европы сервисные возможности системы RDS стали заметным явлением в технике радиовещательного приема.

Литература

  1. Кононович Л. М. Современный радиовещательный приемник. - МРБ, вып. 1098. - М.: Радио и связь, 1986.
  2. Что такое RDS? - Радио, 1996, № 7, с. 55, 56.
  3. R(B)DS Systems. - Радиолюбительская схемотехника, 1998, № 4/5, с. 38-41.
  4. AUDIO. Альбом схем зарубежной радиоэлектронной аппаратуры, вып. 2 - 1995.
  5. Куликов Г. В. Ремонт музыкальных центров. Серия "Ремонт и обслуживание", вып. 1 - М.: ДМК, 1998.

Автор: И.Мелешко, г.Реутов Московской обл.

Смотрите другие статьи раздела Радиоприем.

Читайте и пишите полезные комментарии к этой статье.

<< Назад

<< Назад

Последние новости науки и техники, новинки электроники:

Власть является ключевым фактором счастья в отношениях 11.03.2026

Исследования семейных и романтических отношений показывают, что длительное счастье пары зависит не только от привычных факторов, таких как доверие, уважение и преданность, но и от более тонких психологических аспектов. Современные ученые ищут закономерности, которые отличают действительно счастливые пары от остальных, чтобы понять, какие механизмы поддерживают гармонию в отношениях. Группа исследователей из Университета Мартина Лютера в Галле-Виттенберге и Бамбергского университета провела опрос среди 181 пары, которые состояли в совместных отношениях более восьми лет и прожили вместе хотя бы месяц. Участники заполняли анкету, описывая различные аспекты своих отношений, включая распределение обязанностей, эмоциональную поддержку и степень вовлеченности в совместные решения. Анализ данных показал интересный паттерн: пары, где оба партнера ощущали высокий уровень личной власти, оказывались наиболее счастливыми и удовлетворенными. В данном контексте под властью понимается способност ...>>

Защищенная колонка-повербанк Anker Soundcore Boom Go 3i 11.03.2026

Компания Anker представила новую модель линейки Soundcore - колонку Soundcore Boom Go 3i, ориентированную на активное использование на улице. Новинка отличается высокой степенью защиты: корпус соответствует стандарту IP68, что обеспечивает водо- и пыленепроницаемость, а ударопрочный дизайн выдерживает падение с высоты до одного метра. За качество звука отвечает 15-ваттный драйвер, обеспечивающий пик громкости до 92 дБ, а технология BassUp 2.0 усиливает низкие частоты, делая звучание более насыщенным. Колонка обладает автономностью до 24 часов, а LED-индикатор позволяет контролировать уровень заряда батареи. Кроме того, Soundcore Boom Go 3i может выполнять функцию павербанка: согласно внутренним тестам, устройство способно зарядить iPhone 17 с нуля до 40% за один час, что делает его полезным аксессуаром в походах и поездках. Среди функциональных особенностей модели стоит выделить технологию Auracast, которая улучшает подключение и позволяет создавать стереопару из двух колонок ...>>

Раннее воздержание от алкоголя перестраивает мозг и иммунитет 10.03.2026

Алкогольная зависимость - хроническое расстройство с компульсивным употреблением спиртного, которое влияет не только на поведение, но и на функционирование мозга и иммунной системы. Недавние исследования показали, что даже на ранних этапах воздержания организм начинает перестраиваться, открывая новые возможности для терапии зависимости. Ученые сосредоточились на пациентах, находящихся в первые недели абстиненции, и зафиксировали значительные изменения в мозговой активности. С помощью функциональной магнитно-резонансной томографии они выявили перестройку сетей нейронных связей, отвечающих за контроль импульсов и принятие решений. Эти изменения могут быть ключевыми для восстановления самоконтроля и снижения риска рецидива. Одновременно с нейронной перестройкой исследователи наблюдали колебания иммунной системы. В крови повышался уровень цитокинов - сигнальных белков, регулирующих воспалительные процессы. Эти данные свидетельствуют о существовании нейроиммунного взаимодействия, при ...>>

Случайная новость из Архива

AR-очки TCL RayNeo Air 3s 09.06.2025

Компания TCL представила усовершенствованные AR-очки RayNeo Air 3s и Air 3s Pro, объединяющие в себе высокотехнологичные дисплеи, продуманный дизайн и широкую совместимость. Эти устройства становятся не просто носимыми дисплеями, а полноценной платформой для взаимодействия с цифровым миром в любом месте и в любое время.

RayNeo Air 3s выполнены с акцентом на комфорт, позволяющим длительное использование без усталости. Их корпус отличается сбалансированной конструкцией, снижая давление на переносицу, а девятиступенчатая регулировка скоб и мягкие носоупоры позволяют точно подогнать очки под анатомию пользователя. Несмотря на кажущуюся миниатюрность, внутри скрываются мощные компоненты. Каждая линза содержит Micro-OLED дисплей пятого поколения диагональю 0,6 дюйма с разрешением 1920 х 1080 пикселей при 2D-режиме и удвоенным горизонтальным разрешением в 3D-режиме. В основе дисплеев - двухслойная OLED-архитектура, подобная той, что используется в iPad Pro.

По части визуальных характеристик устройства тоже могут похвастаться: яркость достигает впечатляющих 1200 нит с возможностью регулировки по 20 градациям. Цветовой охват охватывает 145% sRGB и 98% DCI-P3, а контрастность достигает 200 000:1. Цветопередача при этом предельно точная - отклонение не превышает двух единиц. Частота обновления экрана по умолчанию составляет 60 Гц, но при необходимости может быть повышена до 120 Гц для более плавного отображения контента. Чтобы снизить нагрузку на глаза, внедрено ШИМ-управление на частоте 3840 Гц, а также реализованы технологии фильтрации синего света, подтвержденные сертификацией TUV Rheinland.

Что касается звука, в RayNeo Air 3s встроены четыре динамика, настройкой которых занимались специалисты по акустике из TCL. Звук можно точно отрегулировать с помощью 11 уровней громкости, а для конфиденциального прослушивания предусмотрен режим Whisper Mode. Инженеры также внедрили 0,7-миллиметровый динамический ход с фазовой компенсацией, который усиливает низкие частоты и делает передачу речи более четкой.

Одной из технологических особенностей устройства стала оптическая система второго поколения RayNeo Peacock Engine, обеспечивающая повышенную яркость изображения и снижение рассеивания света на 15% по сравнению с предыдущей версией. Пользователю предлагается выбрать один из пяти режимов отображения, включая кино, игры и защиту зрения.

RayNeo Air 3s подключаются напрямую через USB Type-C и могут работать более чем с тысячей различных устройств - от игровых приставок вроде Nintendo Switch до ноутбуков и смартфонов. Через адаптеры поддерживаются HDMI и подача питания по PD, что значительно расширяет спектр применения, включая работу с домашними медиацентрами. Очки также оборудованы стандартным набором датчиков - акселерометром, гироскопом, магнитометром и сенсором приближения, что позволяет точно отслеживать положение головы и адаптировать изображение под поведение пользователя.

Для пользователей с нарушением зрения доступна функция заказа индивидуальных линз с учетом диоптрий. Система поддерживает коррекцию близорукости до -10 (1000 градусов) и дальнозоркости до +8 (800 градусов), что делает AR-дисплей универсальным даже для тех, кто обычно нуждается в очках.

Профессиональная модель RayNeo Air 3s Pro унаследовала все характеристики базовой версии, но была дополнена рядом функций. В нее встроен затемняющий передний щиток, реализована поддержка пространственного 3D-звука, а также применяется система Eyebox, обеспечивающая стабильную четкость изображения при изменении положения зрачков. В комплекте с этой моделью также поставляется зарядный адаптер.

Стоимость RayNeo Air 3s составляет около 205 долларов США, а Pro-версия обойдется покупателю примерно в 220 долларов.

Другие интересные новости:

▪ Материнская плата Hi-Fi A88W 3D FM2+ для процессоров AMD

▪ Запущена первая в мире плавучая ветроэлектростанция

▪ Использовение висмутата натрия ускорит развитие электроники

▪ Преобразование инфракрасного света в изображение

▪ Сколько в мире компьютеров

Лента новостей науки и техники, новинок электроники

 

Интересные материалы Бесплатной технической библиотеки:

▪ раздел сайта Важнейшие научные открытия. Подборка статей

▪ статья Сидеть за одним столом с филистимлянами. Крылатое выражение

▪ статья Техника, технология, транспорт. Большая энциклопедия для детей и взрослых

▪ статья Дефектоскопист по магнитному и ультразвуковому контролю. Типовая инструкция по охране труда

▪ статья Пайка алюминия в домашних условиях. Энциклопедия радиоэлектроники и электротехники

▪ статья Сигнализатор сетевого напряжения. Энциклопедия радиоэлектроники и электротехники

Оставьте свой комментарий к этой статье:

Имя:


E-mail (не обязательно):


Комментарий:





Главная страница | Библиотека | Статьи | Карта сайта | Отзывы о сайте

www.diagram.com.ua

www.diagram.com.ua
2000-2026