Menu Home

Бесплатная техническая библиотека для любителей и профессионалов Бесплатная техническая библиотека


Усилитель мощности трансивера. Энциклопедия радиоэлектроники и электротехники

Бесплатная техническая библиотека

Энциклопедия радиоэлектроники и электротехники / Гражданская радиосвязь

Комментарии к статье Комментарии к статье

Широкополосный транзисторный усилитель мощности позволяет заметно упростить конструкцию современного трансивера и обеспечить (в отличие от ламповых устройств) бесподстроечную работу оконечного каскада. Как сообщил автор статьи, этот ШПУ повторили несколько коротковолновиков, и у всех он работает безотказно.

Намучившись с изготовлением и налаживанием нескольких вариантов ШПУ, я провел анализ схем выходных каскадов зарубежных трансиверов заводского изготовления, предназначенных для любительской радиосвязи, а также отечественной военной схемотехники аппаратуры аналогичного класса. В результате появился определенный подход к конструированию широкополосных транзисторных усилителей мощности коротковолновых трансиверов. Придерживаясь его при изготовлении ШПУ, радиолюбитель имеет больше шансов избежать неприятностей как при их настройке, так и при последующей эксплуатации. Вот основные положения этого подхода.

1. В ШПУ надо использовать транзисторы, специально созданные для линейного усиления в полосе частот 1,5...30 МГц (серий КТ921, КТ927, КТ944, КТ950, КТ951, КТ955, КТ956, КТ957, КТ980).

2. Выходная мощность устройства не должна превышать максимального значения мощности одного транзистора двухтактного ШПУ (в военной технике этот показатель не превышает 25% от максимальной мощности транзистора).

3. Предварительные каскады должны работать в классе А.

4. Транзисторы для двухтактных каскадов надо обязательно подбирать попарно.

5. Не следует стремиться получить максимальный коэффициент усиления (Кус ) от каждого каскада. Это повлечет за собой их неустойчивую работу. Целесообразнее ввести дополнительный каскад, а Кус остальных каскадов уменьшить отрицательными обратными связями.

6. Монтаж должен быть жестким, а выводы элементов должны иметь минимальную длину. Проще всего использовать монтаж на печатной плате с опорными площадками.

7. Экономия на блокировочных конденсаторах и развязывающих цепочках отрицательно сказывается на устойчивости работы усилителя в целом.

8. Экономия на размерах радиатора не оправдана. Здесь попытки "микроминиатюризации" аппаратуры обычно заканчиваются нервными стрессами с последующими материальными издержками.

Номинальная выходная мощность предлагаемого усилителя при напряжении питания +24 В и напряжении возбуждения 0,5 В (эфф.) - около 100 Вт. Выходное сопротивление усилителя - 50 Ом, а входное - 8 10 Ом. Без дополнительной фильтрации уровень второй гармоники на выходе усилителя не превышает -34 дБ, а третьей - -18 дБ. Уровень комбинационных составляющих третьего порядка на пике огибающей двухтонового сигнала не превышает -36 дБ. Эти измерения проводились анализатором спектра СК4-59А. Ток потребления - до 9 А (при максимальной выходной мощности). Полоса рабочих частот - от 1,8 до 30 МГц. Усилитель успешно эксплуатировался в длительных тестах (без применения принудительного обдува).

Три каскада усилителя мощности (рис. 1) размещены на общей плате размерами 165х85 мм, закрепленной непосредственно на задней стенке - радиаторе трансивера. В первом каскаде использован транзистор КТ913А. Его можно заменить на КТ904А, КТ911А. Ток покоя транзистора (в пределах обратной связи С2, R3 и С4, R4, R5 формируют АЧХ каскада. Подборомельной конденсатора С4 можно поднять АЧХ каскада в полосе 24...28 МГц. Номиналы С2 и R3 влияют на общий ход АЧХ. Если этот каскад запитать от источника напряжением +12 В, то его можно выполнить на транзисторе КТ939А, который специально создан для линейных усилителей класса А. Трансформатор Т1 выполнен на кольцевом магнитопроводе из феррита марки 1000НМ-3 типоразмера К10х6х5 мм. Обмотки содержат по 8 витков проводом ПЭВ 0,2 мм.

Усилитель мощности трансивера
(нажмите для увеличения)

Второй каскад собран на транзисторе КТ921А. Этот транзистор разработан для линейных усилителей KB и УКВ диапазонов. Ток покоя этого каскада - 300...350 мА выставляют подбором резистора R7. Характеристика каскада формируется элементами R8, R9, С7, R6 и С8. В качестве трансформатора Т2 применен так называемый "бинокль" (см., например, статью в "Радио", 1984, №12, с. 18). Два столбика трансформатора набраны из кольцевых магнитопроводов из феррита марки 1000НМ-3 или 2000НМ-3 с внешним диаметром 10 мм. Длина набранного столбика около 12 мм (3-4 кольца). Первичная обмотка - 2-3 витка провода МГТФ 0,25 мм, вторичная - 1 виток МГТФ 0,8 мм.

Выходной каскад усилителя - двухтактный. Здесь можно использовать транзисторы типов КТ956А, КТ944А, КТ957А. Лучшие по запасу прочности - КТ956А. Транзисторы КТ944А дают "завал" АЧХ на ВЧ диапазонах, а КТ957 менее надежны. Подобранная пара транзисторов обеспечивает высокий КПД усилителя и хорошее подавление гармоник. Ток покоя транзисторов VT3, VT4 выставляют подбором резистора R14. Он должен быть 150...200 мА (у каждого транзистора). АЧХ каскада формируют элементы R10-R13, С10, С11. Конденсаторы С10, С11 влияют на Кус на низкочастотных диапазонах, а резисторы R10- R13 - на высокочастотных. Емкость конденсатора С15 определяет подъем АЧХ в полосе частот 28...30 МГц. Иногда параллельно вторичной обмотке трансформатора полезно включить конденсатор емкостью 750...1500 пФ. Это также поможет поднять АЧХ на частотах выше 24 МГц. При этом следует контролировать Кус каскада на 10...14 МГц, чтобы здесь не произошел "завал" характеристики. Проверять правильность подбора этих элементов нужно при рабочей мощности, поскольку при малых мощностях "импедансы" не те, что в "крейсерском" режиме.

Исполнение трансформатора Т3 принципиально влияет на качество работы усилителя. Магнитопровод - кольцевой из феррита марки 100НН-4 типоразмера К16х8х6 мм. Обмотка с отводом имеет 6 витков из 16 скрученных между собой проводов ПЭВ-2 0,31 мм, разделенных на две группы по 8 проводов. Отвод выполнен от точки соединения конца первой группы с началом второй. Другая обмотка - 1 виток провода МГШВ-0,35 мм длиной 10 см. Выходной трансформатор Т4 - "бинокль" из 2 столбиков по 7 кольцевых магнитопроводов их феррита марки 400НН-4 типоразмера К16х8х6 мм в каждом. Первичная обмотка - 1 виток оплетки от коаксиального кабеля, вторичная - 2 витка из 10 проводов марки МПО-0,2, включенных параллельно. Вторичная обмотка располагается внутри первичной. Эксперименты с различными вариантами конструкции этого трансформатора показали его работоспособность с ферритами проницаемостью 400-1000 при диаметрах колец от 12 до 18 мм. Вторичную обмотку можно намотать и в один провод, например, МГТФ - 0,8...1 мм. Не нужно только забывать, что трансформатор заметно нагревается в процессе работы и соответственно изоляция проводов должна быть термостойкой.

Омическое сопротивление дросселей L4, L5 должно быть минимальным, чтобы на них не возникало автосмещение. Здесь можно использовать, например, ДМ-1,2 с индуктивностью 8...15 мкГн. Транзистор VT5 (стабилизатор напряжения смещения выходных транзисторов) через слюдяную прокладку закреплен на общем с ними теплоотводе. Диоды VD3 и VD4 должны иметь тепловой контакт с одним из выходных транзисторов. Реле К1 типа РЭC34 (паспорт РС4. 524. 372), хотя и РЭС10, безотказно служат по несколько лет. Корпус реле следует соединить с общим проводом.

К выходу трансформатора Т4 подключена "защита от дурака" - двухваттные резисторы R23, R24 общим сопротивлением 470...510 Ом. С точки их соединения снимается ВЧ напряжение для индикатора выходной мощности (детектор на VD5) и системы ALC. В случае отказа реле К1, реле платы ФНЧ или обрыва антенны вся мощность будет рассеиваться на этих резисторах, а КСВ будет равен 10. Это не так уж и плохо, так как отработает система ALC и уменьшит выходную мощность. Если откажет и ALC, тогда сработает "защита от дурака": от этих резисторов пойдет "дух горелой краски". Транзисторы такую экзекуцию свободно выдерживают. При мощности до 100 Вт заводизготовитель гарантирует "степень рассогласования нагрузки (при Рвых = 70 Вт) в течение 1 с 30:1". В нашем случае она будет 10:1, так что три секунды можем работать на передачу и соображать: "Чем же пахнет?".

Двухзвенный ФНЧ (L7L8C21C23C25) с частотой среза 32 МГц распаян непосредственно на плате усилителя.

Питание (+24 В) на усилитель подано постоянно с момента включения трансивера, а при переходе в режим передачи на шину +ТX подается управляющее напряжение +12 В.

Налаживание усилителя производят в такой последовательности. После установки токов покоя транзисторов VT1 - VT4 вывод конденсатора С5 отпаиваем от цепей базы VT2 и соединяем через резистор 10...20 Ом (1 Вт) с общим проводом. Подав на вход ШПУ сигнал от ГСС с частотой 29 МГц, подбираем конденсатор С4, выравнивая АЧХ на этой частоте. Восстановив соединение С5, VT2, нагружаем трансформатор Т4 безындукционным резистором 50...60 Ом (25 Вт) с выводами минимальной длины. Установив уровень входного сигнала 0,2..0,3 В (эфф.), измеряем ток потребления транзисторов VT3, VT4 и ВЧ напряжение на нагрузке. Поменяв местами выводы первичной обмотки трансформатора Т3, определяем их оптимальное подключение - по максимуму напряжения на нагрузке. Увеличив уровень входного сигнала до 0,5 В (эфф.), измеряем Iпотр и Pвых. Подбором конденсатора С15 добиваемся наибольшей мощности на выходе усилителя на частоте 29 МГц (470...2200 пФ в зависимости от проницаемости магнитопровода трансформатора Т3).

Не изменяя уровень сигнала на входе, измеряем Pвых и Iпотр на частотах 14, 7 и 1,8 МГц. Результаты измерений записываем. По максимальной выходной мощности при минимальном токе потребления последовательно подбираем число витков первичной обмотки сначала трансформатора Т2 (не более 5 витков), а затем трансформатора Т3 (2-3 вит.). При этом сравниваем данные по выходной мощности на частотах 29, 14 и 1,8 МГц.

Так как на выходе диапазонных полосовых фильтров редко получаются одинаковые уровни сигнала по всем диапазонам, то и формировать окончательно АЧХ подбором резисторов R6, R10-R13 и конденсаторов С10, С11 нужно с реальным возбудителем (в трансивере), а не с ГСС. 57.

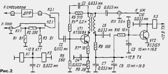
Предварительный усилитель (рис. 2) собран на отдельной плате вместе с диапазонными полосовыми фильтрами (ДПФ) и аттенюатором приемника (АТТ). Транзистор VT1 (возможна замена на транзисторы типов КТ325, КТ355 с любым буквенным индексом) работает в линейном режиме. Коэффициент усиления каскада около 10. Нагрузкой служит широкополосный трансформатор Т1, выполненный на кольцевом магнитопроводе из феррита марки 600HH типоразмера К10х6х5 мм. Обмотки содержат по 8 витков провода ПЭВ 0,2 мм. Ток покоя транзистора (20 мА) устанавливают подбором резистора R4. Амплитудно-частотная характеристика каскада формируется элементами R7, С4.

Усилитель мощности трансивера

Ключ на транзисторе VT2 управляет реле К3, которое подключает в режиме передачи вход линейки УМ к ДПФ. Диапазонные полосовые фильтры - двухконтурные. Для катушек индуктивности использованы каркасы диаметром 8 мм от телевизоров. Это, конечно, не самый лучший вариант, но с задачей селекции по зеркальным и побочным каналам ДПФ вполне справляется.

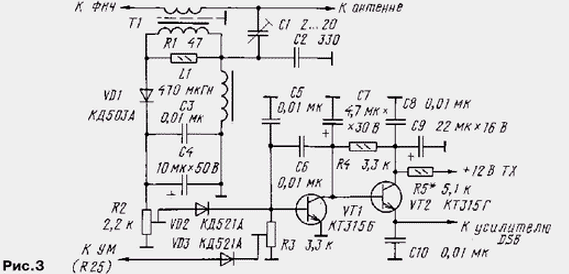
В трансивере есть три ступени защиты выходного каскада усилителя мощности при перегрузках. На рис. 3 представлена схема ALC (автоматическая регулировка уровня сигнала) и защиты при высоких значениях КСВ.

Усилитель мощности трансивера

Эти цепи защиты срабатывают через усилитель DSB, выполненный на двухзатворном полевом транзисторе. Напряжение на втором затворе этого транзистора определяет Кус каскада и соответственно выходную мощность всей линейки выходного каскада. Сигнал с детектора VD5 (см. рис.1 в первой части статьи) и сигнал от КСВ метра (рис.3) через разделительные диоды VD2, VD3 поступает на транзисторный ключ (VT1, VT2). Вывод эмиттера транзистора VT2 через переменный резистор (регулятор выходной мощности) сопротивлением 4,7...10 кОм соединен с общим проводом. Подвижный контакт этого резистора соединен со вторым затвором усилителя DSB. В случае не подключения нагрузки к выходному каскаду (например, вышло из строя реле блока ФНЧ) ВЧ напряжение на выходе Т4 возрастает. Оно выпрямляется диодом VD5 и закрывает транзисторный ключ VT1, VT2. Напряжение на втором затворе усилителя DSB и соответственно раскачка выходного каскада уменьшаются. То же самое происходит при превышении КСВ допустимого уровня, с той лишь разницей, что выпрямителем служит диод VD1 КСВ-метра.

Нагрузив выходной каскад на эквивалент антенны, подстроечными резисторами R2 и R3 выставляют уровни срабатывания системы защиты. При выходной мощности 100 Вт пара КТ956А выдерживает КСВ до 5 и более. Можно ограничиться значениями КСВ=3...4, при которых уже начинает срабатывать система защиты. Для этого вместо эквивалента следует подсоединить нагрузку с примерными значениями 20 или 150 Ом и выставить резисторами R2 и R3 уровень срабатывания защиты. Общий коэффициент усиления линейки УМ можно ограничить подбором резистора R5. При применении в усилителе DSB транзисторов типа КПЗ50 или КП306 напряжение на втором затворе следует выставлять не более +5...7 В. Конденсаторы С7 и С9 обеспечивают плавную работу системы ALC. Если их емкости слишком малы, сигнал искажается, происходит резкое ограничение, неприятное на слух, если емкости велики - система с запаздыванием реагирует на изменение нагрузки выходного каскада, при этом теряется весь смысл этой защиты. Контролируя качество сигнала дополнительным приемником, можно добиться хорошего сигнала регулировкой глубины ALC и времени ее срабатывания подбором R3, R2, C7, C9. Трансформатор КСВ-метра Т1 намотан на кольцевом ферритовом магнитопроводе марки М50ВЧ-2 типоразмера К12х6х4 мм. Вторичная обмотка имеет 28 витков провода ПЭЛШО 0,2 мм. Первичной обмоткой служит коаксиальный кабель, продетый через кольцо трансформатора и соединяющий ФНЧ с антенным разъемом трансивера.

Третья ступень защиты усилителя - ограничение потребляемого тока от источника питания +24 В. При выходной мощности усилителя до 100 Вт ток срабатывания защиты стабилизатора выставляют на уровне 8,5...9 А.

Несколько слов о ферритовых магнитопроводах, продающихся на радиорынках. При покупке никогда не говорите, какая проницаемость вам нужна. Лучше спросить какая есть, так как под рукой у продавца всегда есть "дежурная коробочка", где найдется именно та проницаемость, которую вы назовете. С большой долей риска, но все же можно отличить по внешнему виду феррит, имеющий большую проницаемость. У него, как правило, более темный цвет ("спекшийся уголь"), более крупное зерно, и он "звонится" тестером (марка НМ). Ферриты небольшой проницаемости имеют серый цвет, иногда с налетом "ржавчины", очень мелкое зерно и не "звонятся" тестером. В радиолюбительской среде ходят различные слухи о применении ферритов марок НН и НМ. Мне не удалось найти различия в качестве работы этих ферритов, по крайней мере, в приводимой конструкции усилителя. Но в военной технике, особенно в передатчиках на транзисторах, чаще можно встретить ферриты марки НМ. Эта информация ни к чему не обязывает. Возможно, кому-то захочется провести детальное исследование в этом направлении и в дальнейшем поделиться полученными выводами с радиолюбительской братией.

Автор: Александр Тарасов (UT2FW), г. Рени, Украина

Смотрите другие статьи раздела Гражданская радиосвязь.

Читайте и пишите полезные комментарии к этой статье.

<< Назад

<< Назад

Последние новости науки и техники, новинки электроники:

Стерильного нейтрино не существует 15.01.2026

В физике элементарных частиц поиск новых, пока не обнаруженных объектов играет ключевую роль в понимании устройства Вселенной. Иногда такие поиски приводят к громким открытиям, а иногда - к не менее важным отрицательным результатам, которые позволяют отбросить неверные направления. Именно к таким случаям относится недавний вывод ученых о судьбе стерильного нейтрино - одной из самых интригующих гипотетических частиц последних десятилетий. Исследователи из американской лаборатории Fermilab официально сообщили, что им не удалось найти доказательства существования стерильного нейтрино. К такому выводу пришла команда эксперимента MicroBooNE после многолетнего анализа столкновений нейтрино, которые ранее рассматривались как возможный намек на существование четвертого типа этих частиц. Предполагалось, что стерильное нейтрино взаимодействует с материей исключительно через гравитацию, что делало его крайне трудным объектом для обнаружения. В рамках современной физики нейтрино известны в т ...>>

Беспроводные наушники и колонки Fender 15.01.2026

Музыкальная индустрия постепенно адаптируется к цифровым технологиям, и известный производитель музыкальных инструментов Fender расширяет свое присутствие за пределы гитар и усилителей, представляя современные решения для прослушивания музыки. Новые беспроводные наушники и Bluetooth-колонки Fender объединяют богатый звук, модульность и удобство использования как для дома, так и для профессиональной работы. Флагманской новинкой стали наушники Fender Mix, отличающиеся модульной конструкцией. Динамики подключаются к оголовью через порт USB Type-C и могут быть сняты вместе с амбушюрами, что облегчает уход и транспортировку. Один из динамиков оснащен встроенным адаптером USB Type-C для подключения к источнику звука без потерь, поддерживая кодеки LDHC и Fire, а также функцию Auracast. На другом динамике размещен съемный аккумулятор, который обеспечивает до 100 часов работы без активного шумоподавления; при включении ANC время работы сокращается до 52 часов. Наушники доступны по цене $299 ...>>

Польза белкового завтрака 14.01.2026

Правильное питание по утрам играет ключевую роль в поддержании здоровья и контроле веса. Многочисленные исследования подтверждают, что состав завтрака может влиять на аппетит в течение всего дня и качество употребляемой пищи. Австралийские ученые провели масштабный эксперимент, который показал, что употребление белковой пищи с утра помогает дольше чувствовать сытость и предотвращает переедание. В исследовании участвовали более 9 тысяч человек среднего возраста 46 лет. В период с 2011 по 2012 год специалисты анализировали рационы респондентов, оценивая долю основных макронутриентов. В среднем участники потребляли 43% углеводов, 31% жиров, 18% белков, 2% клетчатки и 4% алкоголя. Такой рацион позволил ученым проследить взаимосвязь между утренним приемом пищи и пищевым поведением в течение дня. Выяснилось, что участники, чей завтрак содержал недостаточное количество белка, ощущали повышенный аппетит в течение дня. Они ели больше, чем необходимо, и часто выбирали продукты с высоким со ...>>

Случайная новость из Архива

Опасные подушки безопасности 09.10.2000

Большинство современных автомобилей оборудованы так называемыми подушками безопасности - пластиковыми мешками, которые при ударе или слишком резком торможении моментально надуваются, оберегая водителя и пассажиров от травм. Однако исследования американского химика Эрика Беттертона показали, что эти спасительные подушки могут быть опасны для людей и окружающей среды.

Мгновенное надувание подушек обеспечивается взрывчатым веществом - азидом натрия (NaN3), от 50 до 200 граммов которого заложены в каждую подушку. При ударе датчики посылают на заряд электрический импульс, под действием которого азид натрия разлагается, выделяя большое количество азота, и подушка надувается. Однако сам азид натрия ядовит для широкого спектра живых организмов, а при контакте с влагой выделяет еще более ядовитые пары.

Весь автомобильный парк США в сумме содержит около 5000 тонн азида натрия. Это количество растет, потому что в последних моделях машин предусмотрены подушки, защищающие не только от лобового, но и от бокового удара, и даже подушки, спрятанные в потолке салона и надувающиеся при переворачивании автомобиля.

Встречаются также предохранительные ремни, надувающиеся при аварии. Пока ядовитый порошок замкнут в пиропатроне подушки, он безопасен, но, когда старый автомобиль попадает на свалку или разбирается на части для утилизации, азид натрия нередко попадает наружу, встречается с водой и выделяет ядовитый газ. Правда, этот газ распадается под воздействием солнечного света, но процесс занимает несколько часов. За это время газ может разнестись ветром или накопиться в углублениях местности.

Особой опасности подвергаются жители домов, построенных вблизи свалок, и рабочие, разделывающие старые машины на металлолом.

Другие интересные новости:

▪ Нанотрубки способны изменить форму воды

▪ Инопланетянам лучше поторопиться

▪ 88-дюймовый дисплей OLED 8K от LG

▪ Микроскопический 3D-принтер от IBM

▪ Электрический школьный автобус Mega BEAST

Лента новостей науки и техники, новинок электроники

 

Интересные материалы Бесплатной технической библиотеки:

▪ раздел сайта Электрические счетчики. Подборка статей

▪ статья У каждого века есть свое средневековье. Крылатое выражение

▪ статья Как Марку Чепмену удалось сыграть роль Джона Леннона? Подробный ответ

▪ статья Ревень тангутский. Легенды, выращивание, способы применения

▪ статья Цветомузыкальное устройство на лампах дневного света. Энциклопедия радиоэлектроники и электротехники

▪ статья Простой УКВ приемник. Энциклопедия радиоэлектроники и электротехники

Оставьте свой комментарий к этой статье:

Имя:


E-mail (не обязательно):


Комментарий:





Главная страница | Библиотека | Статьи | Карта сайта | Отзывы о сайте

www.diagram.com.ua

www.diagram.com.ua
2000-2026