Menu Home

Бесплатная техническая библиотека для любителей и профессионалов Бесплатная техническая библиотека


Простой высококачественный стереоприемник FM диапазона 70-110 МГц. Энциклопедия радиоэлектроники и электротехники

Бесплатная техническая библиотека

Энциклопедия радиоэлектроники и электротехники / Радиоприем

Комментарии к статье Комментарии к статье

Предлагаю вниманию схему высококачественного стереоприемника FM диапазона 70-110 мГц доступную для повторения даже тем, кто имеет небольшой опыт конструирования. Все устройство собственно состоит из двух частей, каждую из которых можно использовать раздельно. Приемник, например, можно смонтировать на месте свободного 3.5 дюймового отсека в компьютере а выход завести на звуковую карту. В общем с этого все и началось. Затем захотелось сделать и УНЧ, после того как на глаза попалась микросхема, заменяющая сдвоенный резистор уровня громкости на модную кнопочную настройку.

Сам приемник собран на микросхеме CXA1238M фирмы SONY. Это высококачественный однокристальный низковольтный стереоприемник предназначенный для приема АМ/ЧМ сигналов радио-вещательных станций. Приемник содержит: усилители высокой частоты и смесители диапазонов АМ и ЧМ, АМ и ЧМ усилители промежуточной частоты, демодуляторы АМ и ЧМ, выходной декодер стереосигнала для системы кодирования с пилот-тоном. Нас интересует только FM часть микросхемы.

Особенности микросхемы:

  • Высокая чувствительность, мкв - 3-5
  • Разделение между каналами, дБ - 30
  • Выходное напряжение, мВ - 100
  • Низкое напряжение питания, в - 3-6
  • Низкий ток потребления, мА - 12.5
  • Светодиодная индикация настройки на станцию
  • Светодиодная индикация режима СТЕРЕО
  • Отключаемая бесшумная настройка
  • Небольшое количество внешних компонентов
  • УНЧ собран на микросхемах DA1 - КА2250 и DA2 - ВА5406.

Первая представляет собой электронный регулятор громкости, вторая - стереофонический УНЧ с малым напряжением питания и выходной мощностью до 5 ватт в канале при нагрузке до 3 ом и малыми искажениями - 0.3% при выходной мощности 0.5 Вт.

Стереоприемник

Простой высококачественный стереоприемник FM диапазона 70-110 МГц
Рис.1 Схема приемника (нажмите для увеличения)

Высокочастотный сигнал радиостанций, принимаемый антенной, подключенной к разъему Х2, поступает на колебательный контур L3C26VD3C23 и далее через УВЧ на транзисторе VT1 КТ368Б на вход УВЧ микросхемы (вывод 18). Усиленный сигнал выделяется на нагрузке УВЧ, перестраиваемом контуре L1C24VD2C19 и попадает на смеситель микросхемы. На смеситель также подается сигнал гетеродина, частота которого определяется контуром L2C25VD1C20.

Настройка этого контура всегда больше частоты входного сигнала на 10.7 МГц. Перестройка по диапазону осуществляется за счет изменения напряжения на варикапах VD1, VD2 и VD3 переменным резистором RP2 "TUNING". С вывода 10 на вывод 24 микросхемы через фильтр R11R12C13 подается напряжение автоподстройки частоты, порог срабатывания которой можно регулировать изменением емкости С3. С выхода смесителя (вывод 16) через полосовой фильтр ZQ1 сигнал промежуточной частоты подается на встроенный усилитель-ограничитель и демодулируется фазовым детектором микросхемы. Комплексный стереосигнал декодируется встроенным стереодекодером и на выходах 5 и 6 микросхемы DA1 уже имеем полный низкочастотный стереосигнал. Уровень сигнала на выходе микросхемы порядка 100 мВ, что достаточно практически для любого УНЧ.

Питание микросхемы осуществляется стабилизированным +5V напряжением от стабилизатора DA2 на микросхеме 7805. Можно было применить и 78L05 (как транзистор), но я использовал для надежности первую т.к. от нее еще питаются светодиоды индикации. При монтаже я ее утопил, а крепежное отверстие спилил.

Детали тюнера подобраны самые миниатюрные. Это позволило получить малые размеры - 65*75*15 мм и минимальные наводки на приемник, что положительно для его стабильной работы.

Резисторы импортные размером в половину наших МЛТ-0,12. Можно применить их в вертикальном положении. Пьезофильтры ZQ1, ZQ2 и ZQ3 - SFE-10.7 (я использовал от какого-то дохлого китайского приемника). Варикапы типа КВ109В, но можно использовать любые подходящие по параметрам. Я использовал импортные ВВ639.

Катушки L1, L2, L3 не имеют каркаса, намотаны проводом ПЭЛ-0.5 на оправке диаметром 3 мм (я использовал стержень от шариковой ручки) и содержат соответственно 7, 6, 3+3 витков. После намотки катушки следует слегка растянуть. Для настройки по диапазону использован многооборотный резистор СП3-36. Можно использовать и любой другой, подключив к разъему Х5 (на схеме не указан, см. рисунок платы). Подстроечные конденсаторы имеют номинал примерно 5-15 пФ. Дроссель L4 имеет номинал 50-100мкГн, любой малогабаритный.

Простой высококачественный стереоприемник FM диапазона 70-110 МГц
Рис.2 . Расположение элементов на плате

Простой высококачественный стереоприемник FM диапазона 70-110 МГц
Рис.3. Рисунок печатной платы со стороны деталей

Простой высококачественный стереоприемник FM диапазона 70-110 МГц
Рис.4 - рисунок печатной платы с обратной стороны

Настройка. Перед включением необходимо тщательно проверить монтаж, особенно на наличие "соплей" между дорожками. Уверяю, это избавит от многих непонятных неприятностей. Не поленитесь!

Подключите к выходу стереоприемника УНЧ - разъем Х1 и после подачи питания на разъем Х3 можно будет услышать характерное шипение. С помощью резистора настройки, вращением ротора конденсатора С25 и растяжением-сжатием витков катушки L2 настраиваем тюнер на прием какой-либо станции. Желательно сразу подогнать этими же элементами перекрытие нужного участка диапазона. Это просто сделать, используя для контроля какой нибудь радиоприемник. Если перекрытие слишком велико, то можно к правому выводу резистора RP2 в разрыв провода подключить резистор и подбирая его и R13 установить границы диапазона. Далее к контрольной точке Х4 подключаем вольтметр, и подстройкой конденсаторов С24,С20 и катушек L1,L3 добиваемся максимальных показаний. с несколько меньшей точностью можно настроить контура без вольтметра по максимальной громкости принимаемых станций.

Прием возможен при настройке гетеродина как выше, так и ниже частоты сигнала. Частота гетеродина обязательно должна быть выше частоты сигнала на 10.7 МГц. Это можно определить по реакции АПЧ на принимаемую станцию. Если частота гетеродина ниже принимаемой, то АПЧ будет как бы "отталкивать", если выще - "притягивать". Для этого нужно будет растягивать витки катушки L3 (уменьшать ее индуктивность), пока сигнал той же станции не появится снова.

Подстройку входного контура L3C26 и контура УВЧ L1C24 необходимо производить до тех пор, пока небольшие изменения в их настройке не будут приводить к падению напряжения в контрольной точке Х4. Далее подстроечным резистором RP1 добиваемся зажигания светодиода VD5, что свидетельствует о срабатывании стереодекодера. Вращением влево и вправо движка до моментов погасания светодиода выясняем пределы вращения оси резистора, когда светодиод светится, и ставим в средее положение этого участка.

Светодиод VD4 служит для индикации наличия питания, VD5 для индикации режима "стерео", а VD6 - индикации точной настройки на принимаемую радиостанцию.

Примененная в конструкции микросхема CXA1238M фирмы SONY имеет очень малые размеры и предназначена для поверхностного монтажа. Как неожиданно оказалось изготовить под нее печатную плату даже проще, чем под обычный тип микросхемы. Микросхема выпускается и в варианте с обычными выводами - СХА1238S.

НПО "Интеграл" выпускает аналог этой микросхемы - ILA1238NS.

В случае применения этих микросхем, да и вообще других по размерам деталей, при изготовлении платы необходимо учесть следующие рекомендации по разводке печатной платы, взятые из фирменного описания на микросхему.

Катушки индуктивности, входящие в состав входной цепи FMIN, гетеродина ЧМ тракта, нагрузочного контура по выводу FM усилителя ВЧ ЧМ, должны располагаться под прямым углом относительно друг друга для минимизации взаимной связи.

Целесообразно введение разделительной экранирующей дорожки, подключенной к выводу 21, на печатной плате между катушками, подключенными к выводам 22 (вывод гетеродина ЧМ тракта) и 20 (вывод усилителя ВЧ ЧМ). Значение и параметры настроечных элементов С24, С25, С26, L1, L2 и L3 приведены для конкретной приведенной печатной платы и, поэтому, возможно потребуется уточнение их параметров для других вариантов разводки.

Вывод 17 является общим выводом для ВЧ цепей (ВЧ усилителей, гетеродинов и смесителей) трактов АМ и ЧМ, вывод 11 - для усилителей ПЧ и демодуляторов трактов АМ и ЧМ, вывод 30 - для цепей стереодекодера. Конденсаторы С15 и С21, связывающие выводы 21 и 17, должны располагаться как можно ближе к выводу 17 микросхемы. Дорожка печатной платы, связывающая фильтр ZQ1 и вывод 13 (FMIFIN), должна быть минимальной длины.

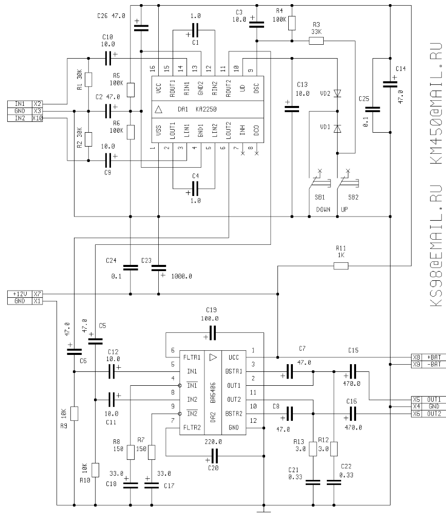
Усилитель низкой частоты

Поскольку конструкция состоит из двух частей, то сквозная нумерация элементов отсутствует.

Простой высококачественный стереоприемник FM диапазона 70-110 МГц
Рис.5. Схема УНЧ (нажмите для увеличения)

Микросхема DA1 - КА2250 представляет собой двухканальный (стереофонический) цифроаналоговый регулятор громкости с регулировкой выходного сигнала от 0 до -66dB с шагом 2dB.

Увеличение громкости входного сигнала осуществляется нажатием кнопки "UP", а уменьшение - кнопкой "DOWN" При включении происходит инициализация микросхемы и устанавливается уровень -40dB. Микросхема имеет двухполярное питание и для перевода ее в режим однополярного используется цепочка R5, R6, C2, C26. Резисторы R1 и R2 необходимы только в случае использования УНЧ как самостоятельной конструкции.

При совместном использовании с вышеописанным приемником необходимости в них нет.

Скорость изменения громкости можно регулировать подбором емкости конденсатора C3. Увеличение (уменьшение) емкости приводит к замедлению (ускорению) изменения уровня сигнала.

С выходов микросхемы DA1 сигнал подается на двухканальный усилитель на микросхеме DA2 - BA5406. Микросхема имеет питание 12 вольт и на нагрузке до 3-х ом позволяет получить выходную мощность до 5-и ватт. Напряжения на выходах DA1 и входах DA2 имеют примерно равный потенциал (разница +/- 0.1 вольта), что привело к необходимости использовать цепочки C6R9C12 и C5R10C11, которые можно заменить, при наличии, неполярными электролитическими конденсаторами.

Диоды VD1 и VD2 любые маломощные, кнопки SB1 и SB2 какие понравятся. На макете использованы от дохлых компьютерных мышек. Для нормальной работы DA2 необходим радиатор, размер и форму которого выбирают исходя из максимальной выходной мощности и условий охлаждения. Корпус микросхемы соединен с землей и не требует изоляции от радиатора.

Представленный вариант печатной платы был разработан только как макет для проверки идеи и подбора элементов.

Для питания приемника и усилителя лучше использовать стабилизированное напряжение +12 вольт, используя для этого, например, стабилизатор на микросхеме 7812, запитав последнюю от выпрямителя на 16-18 вольт при токе до 1А. Несколько худшие показатели будут при использовании для питания только выпрямителя на 10-14 вольт. Может фонить будет поболее, не пробовал. А приемнику все равно, он имеет свой стабилизатор.

Необходимо только помнить, что по паспортным данным максимальное напряжение питания микросхемы BA5406 составляет 15 вольт! Для микросхемы КА2250 в данном варианте намного больше - 24V (+/- 12V)

Для питания также можно использовать и аккумулятор на 12 вольт.

Если монтаж выполнен правильно и детали все исправны, натсройка усилителя не требуется, разве что кроме подбора, на свой вкус, скорости изменения громкости конденсатором C3.

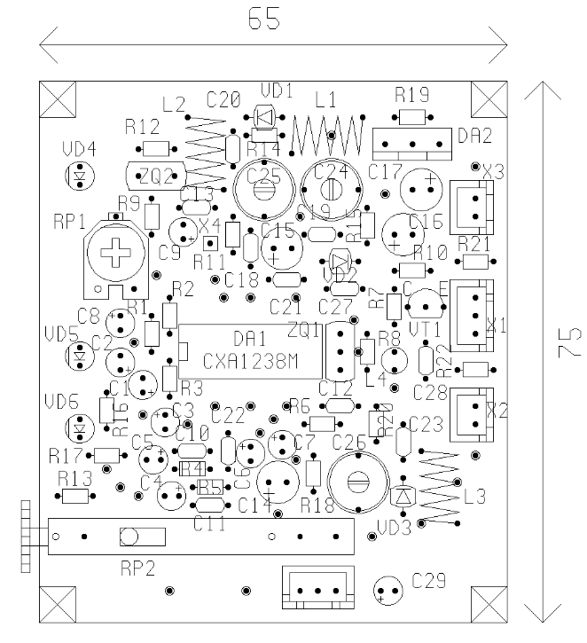
Простой высококачественный стереоприемник FM диапазона 70-110 МГц
Рис.6. Расположение элементов на плате

Простой высококачественный стереоприемник FM диапазона 70-110 МГц
Рис.7. Рисунок печатной платы со стороны деталей

Простой высококачественный стереоприемник FM диапазона 70-110 МГц
Рис.8. Рисунок печатной платы с обратной стороны

Для любознательных: Вывод 8 микросхемы DA1 предназначен для контроля уровня сигнала, а 7 - вроде бы для перевода микросхемы в спящий режим. У меня почему-то не перевелась.

Может неправильно понял назначение вывода, да мне это и не надо. На плате они разведены для экспериментов.

В случае нужды можно обойтись и без микросхемы DA1, заменив ее обычным переменным сдвоенным резистором на 10-50 кОм. Но тогда это будет неинтересная банальная схема, которых и так хватает без этой.

Автор: Чернов Сергей

Смотрите другие статьи раздела Радиоприем.

Читайте и пишите полезные комментарии к этой статье.

<< Назад

<< Назад

Последние новости науки и техники, новинки электроники:

Польза белкового завтрака 14.01.2026

Правильное питание по утрам играет ключевую роль в поддержании здоровья и контроле веса. Многочисленные исследования подтверждают, что состав завтрака может влиять на аппетит в течение всего дня и качество употребляемой пищи. Австралийские ученые провели масштабный эксперимент, который показал, что употребление белковой пищи с утра помогает дольше чувствовать сытость и предотвращает переедание. В исследовании участвовали более 9 тысяч человек среднего возраста 46 лет. В период с 2011 по 2012 год специалисты анализировали рационы респондентов, оценивая долю основных макронутриентов. В среднем участники потребляли 43% углеводов, 31% жиров, 18% белков, 2% клетчатки и 4% алкоголя. Такой рацион позволил ученым проследить взаимосвязь между утренним приемом пищи и пищевым поведением в течение дня. Выяснилось, что участники, чей завтрак содержал недостаточное количество белка, ощущали повышенный аппетит в течение дня. Они ели больше, чем необходимо, и часто выбирали продукты с высоким со ...>>

Технология SmartPower HDR 14.01.2026

Ноутбуки стремительно развиваются в плане графики и мультимедийных возможностей, но яркие дисплеи с высоким динамическим диапазоном (HDR) часто становятся серьезной нагрузкой для аккумуляторов. Длительная работа с видео высокого качества или играми в HDR приводит к быстрой разрядке батареи, что ограничивает мобильность пользователей и снижает комфорт работы. Решить эту проблему призвана новая технология SmartPower HDR, разработанная совместно компаниями Samsung Display и Intel. Суть технологии заключается в динамическом управлении напряжением OLED-панелей. Чипсет ноутбука в реальном времени анализирует пиковую яркость каждого кадра и передает эти данные контроллеру дисплея, который оптимизирует подачу напряжения в зависимости от количества активных пикселей. В отличие от традиционных режимов HDR, где яркость часто фиксируется на максимальном уровне, SmartPower HDR адаптируется к конкретному контенту, что снижает энергопотребление без потери качества изображения. Технология позвол ...>>

Недосып существенно сокращает жизнь 13.01.2026

Сон является одной из самых фундаментальных потребностей человека. Он влияет на обмен веществ, работу сердца и мозга, иммунитет и общее самочувствие. Современный ритм жизни часто заставляет людей жертвовать сном ради работы, учебы или развлечений, но ученые предупреждают: регулярный недосып может иметь далеко идущие последствия для здоровья и долголетия. Исследователи из Орегонского университета здравоохранения и науки пришли к выводу, что сон менее семи часов в сутки связан с сокращением продолжительности жизни. По данным специалистов, хроническая нехватка сна не только вызывает усталость и снижение работоспособности, но и постепенно сказывается на здоровье органов и систем, увеличивая риски развития различных заболеваний. Для анализа ученые использовали обширную национальную базу данных США, сопоставляя показатели ожидаемой продолжительности жизни на уровне штатов с результатами опросов Центров контроля и профилактики заболеваний за период с 2019 по 2025 годы. Они учитывали мно ...>>

Случайная новость из Архива

Высокоскоростные энергоэффективные PCIe SSD накопители для ноутбуков 25.01.2015

Компания Samsung Electronics объявила о начале массового производства высокопроизводительных PCIe твердотельных накопителей (SSD) с низким энергопотреблением для использования в современных ультратонких ноутбуках и рабочих станциях - модель Samsung SM951.

Samsung SM951 отличается высокой производительностью как при работе с PCIe 3.0, так и PCIe 2.0 интерфейсом. При подключении к интерфейсу PCIe 2.0 скорость последовательного чтения составляет 1,600 МБ/с, записи - 1,350 МБ/с. При этом скорость нового устройства в этой конфигурации почти на 30% выше, чем его предшественника, модели Samsung XP941, и примерно в три раза выше, чем скорость современного SATA SSD накопителя. Производительность при операциях чтения и записи с произвольным доступом достигает 130 000 и 85 000 IOPS (Input/Оutput Operations Per Second - количество операций ввода/вывода в секунду) соответственно.

При подключении к интерфейсу PCIe 3.0 накопитель Samsung SM951 обеспечивает скорость последовательного чтения/записи в 2,150 МБ/с и 1550 МБ/с соответственно, что примерно в четыре раза превосходит скорость последовательного чтения современных SATA SSD. При работе с интерфейсом PCIe 3.0 устройство имеет значительно более высокую энергоэффективность - для последовательного чтения требуется всего лишь около 450 МБ/с на 1 ватт и 250 Мбайт / с для последовательной записи. Таким образом, энергоэффективность выросла на 50% по сравнению с SSD накопителем Samsung XP941.

Кроме того, модель Samsung SM951 - это первый SSD накопитель, который поддерживает низкоэнергетический стандарт L1.2. Стандарт L 1.2, внедренный организацией PCI-SIG, занимающейся разработкой стандартов по использованию шины PCI для подключения периферийных устройств к компьютерам, позволяет выключить все высокоскоростные цепи, когда компьютер находится в спящем режиме или режиме гибернации. Благодаря принятию стандарта L1.2 расход энергии в спящем режиме сокращен на 97% по сравнению со стандартом L1 - с 50 мВт до 2 мВт.

Накопитель Samsung SM951 выполнен в компактном форм-факторе M.2, его размер составляет всего 80мм х 22мм - то есть примерно в 17 раз меньше стандартного 2,5-дюймового SSD. Кроме того, он весит всего около шести граммов. Подходящий для большинства ноутбуков, благодаря своей компактности этот накопитель освобождает место для других компонентов, в том числе батарей.

Линейка SSD-накопителей Samsung SM951 представлена в версиях объемом в 512, 256 и 128 ГБ.

C выпуском Samsung SM951 и других PCIe SSD накопителей на платформе флеш-памяти MLC NAND класса 10-нм Samsung планирует быстро расширить глобальный рынок PCIe SSD накопителей. Samsung также будет работать над созданием PCIe SSD накопителей следующего поколения, поддерживающих NVMe интерфейс, что обеспечит дальнейшее увеличение производительности.

Другие интересные новости:

▪ Откуда взялись голубые глаза

▪ Материал, поглощающий углекислый газ

▪ Обнаружена самая большая в мире бактерия

▪ Хор морских ежей

▪ Аппендикс: хранилище полезных бактерий и ключ к иммунитету

Лента новостей науки и техники, новинок электроники

 

Интересные материалы Бесплатной технической библиотеки:

▪ раздел сайта Биографии великих ученых. Подборка статей

▪ статья Что делать в критических ситуациях. Основы безопасной жизнедеятельности

▪ статья Сколько процентов биологических видов нашей планеты открыто и классифицировано? Подробный ответ

▪ статья Изолировщик. Типовая инструкция по охране труда

▪ статья Гектографические чернила. Простые рецепты и советы

▪ статья Простой радиомикрофон на одном транзисторе. Энциклопедия радиоэлектроники и электротехники

Оставьте свой комментарий к этой статье:

Имя:


E-mail (не обязательно):


Комментарий:




Комментарии к статье:

Владимир
Собрал схему, почему-то не работает. Проверял соединения несколько раз.


Главная страница | Библиотека | Статьи | Карта сайта | Отзывы о сайте

www.diagram.com.ua

www.diagram.com.ua
2000-2026