Menu Home

Бесплатная техническая библиотека для любителей и профессионалов Бесплатная техническая библиотека


Две конструкции диапазона 430 МГц. Энциклопедия радиоэлектроники и электротехники

Бесплатная техническая библиотека

Энциклопедия радиоэлектроники и электротехники / Гражданская радиосвязь

Комментарии к статье Комментарии к статье

Антенный блок

Максимальная выходная мощность малогабаритных носимых трансиверов, как правило, невелика, поэтому при работе в стационарных условиях, да еще с длинным кабелем снижения, вносящим большие потери, этот недостаток может заметно уменьшить дальность устойчивой радиосвязи. Происходит это за счет снижения чувствительности при приеме и уменьшения и без того малой выходной мощности сигнала передатчика, подводимой к антенне.

Решить эту проблему удается при установке вблизи антенны или (что хуже) рядом с трансивером специального антенного блока (АБ). В его состав входят малошумящий усилитель (МШУ), работающий при приеме, и усилитель мощности (УМ), работающий при передаче. АБ позволяет значительно повысить чувствительность системы антенна-трансивер при больших потерях в кабеле снижения и более эффективно использовать разрешенную выходную мощность, так как она поступает непосредственно в антенну Его целесообразно применять с трансиверами, имеющими выходную мощность до 0,1...0,5 Вт. Напряжение питания АБ составляет 11 ...12 В, поэтому его можно с успехом использовать и в автомобиле. Подобное устройство для диапазона 2 м уже описывалось в журнале "Радио" (Нечаев И. Антенный блок диапазона 2 м. - Радио, 2001, № 2, с. 64,65). Здесь описан аналогичный блок для диапазона 430 МГц.

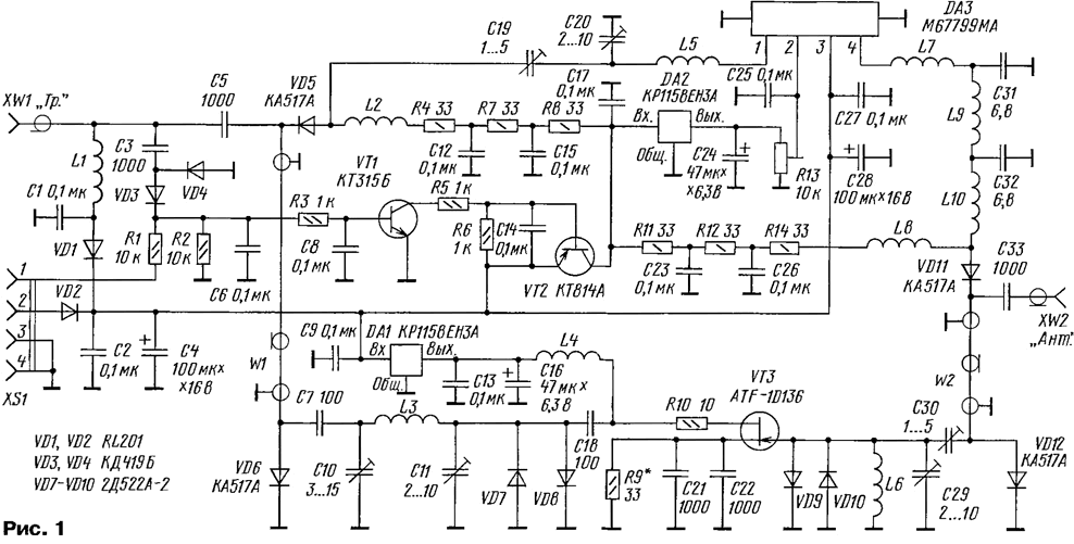
Схема АБ показана на рис. 1. Он содержит входной малошумящий усилитель (МШУ) на арсенидгаллиевом полевом транзисторе VT3, который позволяет получить высокую чувствительность и большой динамический диапазон приемника. На входе МШУ установлен контур L6C29, настроенный на центральную частоту диапазона. Конденсатор C3О согласует вход МШУ с антенной, подключаемой к разъему XW2. Диоды VD9 и VD10 защищают транзистор от сигнала передатчика или других мощных сигналов, например, от соседних передатчиков, помех, грозовых разрядов и т. д. Режим транзистора по постоянному току задается резистором автоматического смещения R9. Транзистор нагружен на ФНЧ С10L3C11, с выхода которого сигнал через отрезок кабеля W1 поступает к гнездовому коаксиальному разъему XW1 и далее на кабель снижения. Диоды VD7, VD8 защищают полевой транзистор со стороны выхода. Напряжение питания стабилизировано интегральным стабилизатором напряжения на микросхеме DA1 и дополнительно фильтруется элементами С13, С16, L4.

Две конструкции диапазона 430 МГц
(нажмите для увеличения)

Усилитель мощности (УМ) собран на усилительном модуле DA3. Он отдает выходную мощность 5 Вт при входной мощности всего 20...40 мВт и напряжении питания 9...11 В. На диодах VD3, VD4 и транзисторах VT1, VT2 собрано устройство управления - высокочастотный VOX, который включает УМ в активный режим при поступлении сигнала с передатчика трансивера. Питающее напряжение на УМ подается постоянно, но в режиме приема (RX) он ток не потребляет, поскольку напряжение на входе управления выходной мощностью (вывод 2) отсутствует. В режиме передачи (ТХ) это напряжение стабилизировано интегральным стабилизатором на микросхеме DA2. На элементах С19, С20, L5 собрана входная согласующая цепь, а на элементах L7, C31, L9, C32, L10 - выходной ФНЧ с частотой среза около 500 МГц. Этот ФНЧ дополнительно подавляет вторую гармонику выходного сигнала на 35...40 дБ.

Питающее напряжение на АБ можно подавать либо через низкочастотный разъем XS1 и диод VD2 с помощью специального кабеля, либо по кабелю снижения через высокочастотное гнездо Х\Л/1,ФНЧ L1C1 и диод VD1. Переключение режимов RX/TX можно также осуществлять подачей постоянного напряжения 5...12 В на гнездоXS1. Ток, потребляемый по цепи управления, не превышает 1 мА. Переключение МШУ и УМ осуществляется с помощью p-i-n диодов VD5,VD6,VD11,VD12 и двух отрезков кабеля W1, W2 с электрической длиной Х/4.

Работает АБ следующим образом. При подаче питающего напряжения он находится в режиме RX. P-i-n диоды обесточены, поэтому сигнал с антенного гнезда XW2 через отрезок кабеля W2 поступает на вход МШУ. Усиленный сигнал с его выхода через отрезок W1 поступает на гнездо XW1 и далее на кабель снижения. УМ ток практически не потребляет, а МШУ потребляет ток 25...30 мА.

При включении трансивера в режим ТХ его сигнал выпрямляется диодами VD3, VD4 и транзисторы VT1 и VT2 открываются. Плюсовое напряжение через микросхему DA2 поступает на вход управления выходной мощностью усилителя DA3 и через токоограничивающие резисторы R4, R7, R8, R11, R12, R14 на цепочки p-i-n диодов VD5, VD6, VD11, VD12. Через p-i-n диоды начинает протекать ток, и их сопротивление уменьшается до нескольких Ом.

Сигнал передатчика трансивера через диод VD5 поступает на вход УМ DA3, одновременно отрезок кабеля W1 с электрической длиной λ/4 оказывается замкнутым на конце практически накоротко малым сопротивлением диода VD6. Сопротивление этого отрезка в точке подключения (С5, VD5) оказывается большим и не оказывает существенного влияния на сигнал трансивера. Выходной сигнал УМ через диод VD11 поступает на антенный разъем XW2, а отрезок кабеля W2 также оказывается замкнутым накоротко диодом VD12 и не оказывает существенного влияния на выходной сигнал.

Большинство деталей АБ размещают на печатной плате из двусторонне фольгированного стеклотекстолита, эскиз которой показан на рис. 2. Вторая сторона оставлена металлизированной и соединена фольгой по периметру с металлизацией первой стороны. Кроме того, обе стороны соединены между собой короткими отрезками провода, пропущенного через отверстия, показанные на рисунке кружками.

Две конструкции диапазона 430 МГц

Плату размещают в металлическом корпусе с проводящей поверхностью, ее надо прикрепить винтами по периметру в нескольких местах (чем больше, тем лучше). Корпус одновременно выполняет функции теплоотвода для усилительного модуля DA3. ВЧ разъемы устанавливают на стенках корпуса.

В устройстве, кроме указанных, можно применить следующие детали: усилительный модуль DA3 - М57714М-01, М57797МА-01, М67705М-01, М67749М-01, но они имеют корпус другой конструкции, и топологию печатных проводников платы придется изменить. Транзистop VTI - KT315, KT312, KT3102 с любым буквенным индексом, VT2 - КТ814А...Г, КТ816А...Г, КТ836А, VT3 - ATF-10136. Последний имеет коэффициент шума 0,4 дБ на частоте 500 МГц, поэтому собранный на нем МШУ имеет очень высокую чувствительность. Заменить этот полевой транзистор можно на КП325, 2П602 и аналогичные, но результаты будут хуже. Диоды VD1, VD2 можно заменить на КД212, КД257 с любыми буквенными индексами, VD3, VD4 - наКД419, 2А120слюбымибуквенными индексами. Подстроечные конденсаторы - КТ4-25, постоянные полярные - танталовые для поверхностного монтажа (ЧИП), остальные - К10-17в, К10-42 или аналогичные импортные, также для поверхностного монтажа. Постоянные резисторы - РН1-12, типоразмер 1206, подстроечный резистор - 3303W-3 фирмы Bourns или аналогичный, можно также применить СПЗ-19, СПЗ-28. Все катушки намотаны на оправке диаметром 3 мм, L1, L2, L6, L9 - проводом ПЭВ-2 0,6 и содержат 8, 1,5, 1,5 и 1,5 витка соответственно. L7, L9, L10 намотаны проводом ПЭВ-2 0,4 и содержат по 2,7, 3,7 и 2,7 витка соответственно. Дроссели 12, L4, L6, содержат по 10 витков провода ПЭВ-2 0,2. Отрезки кабеля W1 и W2 должны иметь электрическую длину А/4. Они выполнены из тонкого кабеля РК50-1-22 длиной 12 мм, при монтаже их надо свернуть в виде спирали. Высокочастотные разъемы можно применить любые подходящие, при этом все соединения надо делать минимальной длины или с помощью коаксиального кабеля. Низкочастотное гнездо может быть любым, допускающим ток через контакты до 2 А.

Налаживание АБ начинают в режиме приема (RX). На АБ подают напряжение питания 10...11 В и проверяют работоспособность стабилизатора напряжения на микросхеме DA1, его выходное напряжение должно быть около 3 В. Подбором резистора R9 устанавливают рекомендуемый ток стока полевого транзистора, в данном случае 25 мА. Далее конденсаторами С10 и С11 настраивают выходной контур МШУ на максимум коэффициента передачи, а конденсаторами С29 и C30 - входной контур на максимум коэффициента передачи при минимуме КСВ на центральной частоте диапазона.

Затем проводят регулировку в режиме передачи (ТХ). Для этого движок резистора R13 устанавливают в нижнее по схеме положение, а в цепь питания включают амперметр. К гнезду XW2 подключают согласованную нагрузку и ВЧ вольтметр для контроля выходного напряжения. Питающее напряжение (10... 12 В) подают на контакты 1 и 2 гнезда XS1. В этом режиме через p-i-n диоды будет протекать ток 180...200 мА. На выходе DA2 должно быть напряжение около 3 В. С помощью резистора R13 увеличивают потребляемый ток на 30...50 мА - это и будет ток покоя усилительного модуля DA3.

Далее подают на вход "Тр" (разъем XW1) сигнал частотой 435 МГц и мощностью 2...5 мВт от трансивера или ВЧ генератора. Конденсаторами С19, С20 добиваются максимума выходной мощности. Мощность входного сигнала увеличивают до 20...40 мВт, и настройку повторяют. После этого надо убедиться в том, что входной контур настроен в резонанс. Для этого к катушке L5 поочередно подносят ферритовый и латунный сердечники, при этом в обоих случаях выходная мощность должна уменьшаться. Если это не так, то придется изменить количество витков этой катушки. В заключение проверяют работу системы VOX. Для этого с вывода 1 XS1 отключают напряжение питания. При подаче на вход сигнала мощностью 20 мВт и более АБ должен автоматически переходить в режим ТХ.

В случае, если планируется эксплуатировать АБ рядом с трансивером, питание целесообразно подать через гнездовой разъем XS1. Тогда из схемы (см. рис. 1) можно исключить детали L1, С1, VD1, а также элементы МШУ: DA1, VT3, VD7 - VD10, С9-С11, С13, С16, С18, С21, С22, С29, C30, L3, L4, L6, R9, R10. Правый (по схеме) вывод конденсатора С7 соединяют с VD12 отрезком кабеля с электрической длиной Х/2.

Внешний вид АБ показан на фото (рис. 3).

Две конструкции диапазона 430 МГц

Отрегулированный блок имеет следующие параметры. При напряжении питания 12 В и входном сигнале мощностью 20 мВт выходная мощность составила 3,8 Вт (потребляемый ток 1 А), при входной мощности 80 мВт выходная мощность - 7,5 Вт (ток 1,4 А). Коэффициент усиления МШУ - 21 дБ, КСВ на центральной частоте - 1,1, в диапазоне 431 ...438 МГц - не более 1,5, в диапазоне 429...440 МГц - не более 2.

Выходное напряжение МШУ при уменьшении коэффициента передачи на 1 дБ составило 290 мВ. Полоса пропускания по уровню -3 дБ - 18...20 МГц, чувствительность совместно с ЧМ трансивером при отношении сигнал/шум 12 дБ оказалась равной 0,08 мкВ.

Сумматор-делитель мощности УКВ диапазона

При построении антенных решеток УКВ диапазона необходимым элементом является сумматор-делитель мощности, или сплиттер (splitter - делитель, разветвитель), который обеспечивает согласование с трансивером, сложение сигналов, принятых элементами решетки, или равномерное деление мощности сигнала между ними при передаче. Вниманию читателей предлагается несложная конструкция такого сумматора-делителя мощности УКВ диапазона 430 МГц.

Описываемое устройство рассчитано на подключение четырех антенн со своими фидерами, сопротивлением 50 Ом каждая, к одной коаксиальной линии передачи с волновым сопротивлением также 50 Ом.

В УКВ диапазоне подобные устройства часто выполняют на основе четвертьволновых трансформаторов. При этом, если фидеры антенн соединяются параллельно, то их общее сопротивление (Za) составит 12,5 Ом. Тогда для согласования фидеров антенн с линией передачи, имеющей волновое сопротивление Zл = 50 Ом, необходимо применить четвертьволновый отрезок с волновым сопротивлением

Zтр = (Za·Zл)1/2 = (12,5·50)1/2 = 25 Ом.

Изготовить линию с таким волновым сопротивлением удается, соединив параллельно два отрезка коаксиального кабеля с волновым сопротивлением 50 Ом.

Схема сумматора-делителя показана на рис. 4. Он содержит коаксиальное гнездо XW1, к которому подключают кабель снижения, идущий к трансиверу, двух отрезков коаксиального кабеля W1 и W2 с электрической длиной λ/4 и четырех отрезков коаксиального кабеля W3- W6 произвольной длины, на концах которых установлены гнездовые коаксиальные разъемы XW2-XW5. К этим разъемам через отрезки 50-омного кабеля одинаковой длины подключаются антенны - элементы решетки.

Несмотря на то что устройство и изготовлено из отрезков коаксиального кабеля и ВЧ разъемов, оно имеет жесткую и прочную конструкцию. Достигнуто это применением кабеля РК50-2-25. В качестве его внешнего проводника использована медная трубка диаметром 3 мм. Внутренний изолятор кабеля изготовлен из фторопласта (коэффициент укорочения - 1,42). Этот кабель не имеет внешней изоляции, его можно изгибать (аккуратно) и паять (не перегревая) в любом месте, не опасаясь, что изоляция расплавится.

Конструкция устройства показана на рис. 5. При его изготовлении сначала надо подготовить два отрезка 2 кабеля с электрической длиной λ/4 (для диапазона 430 МГц длина отрезков составит 122 мм по внешнему проводнику). Центральный проводник должен выступать на 7... 10 мм с каждой стороны. Эти отрезки монтируют (методом пайки) в разъем 1 и спаивают друг с другом по всей длине. Затем подготавливают четыре одинаковых отрезка 6 кабеля длиной 40...70 мм с разъемами 3 на одном конце и с центральным проводником, выступающим на длину в несколько миллиметров с другого конца. Все шесть отрезков складывают вплотную друг к другу, накладывают бандажи 4 из луженой проволоки и спаивают между собой. Затем спаивают центральные проводники. Длина всех центральных проводников в месте спайки должна быть минимальной.

Две конструкции диапазона 430 МГц

Для удаления внешнего медного проводника кабеля его надо по кругу обточить надфилем, аккуратно изогнуть, переломить и снять с внутреннего изолятора. Место соединения пайкой центральных проводников следует загерметизировать эпоксидным клеем. Сверху для защиты и экранирования желательно припаять металлический колпачок 5.

В устройстве применены следующие детали: коаксиальный разъем XW1 - СР-50-163ФВ, разъемы XW2-XW5 - СР-50-725ФВ. Эти разъемы подходят в случае использования кабеля РК50-2-22. Но можно применить и другие 50-омные разъемы, позволяющие монтировать кабель РК50-2-25, при этом разъем XW1 должен обеспечивать монтаж одновременно двух отрезков кабеля. Аналогичную конструкцию можно изготовить и для диапазонов частот 144 и 1300 МГц.

Параметры изготовленного макета (см. рис. 6) при подключении к гнездам XW2- XW5 нагрузок с КСВ не более 1,1 оказались такими: минимальный КСВ составил 1,12 на частоте 430 МГц, в диапазоне частот 405...447 МГц КСВ не превысил 1,2, а в диапазоне частот 368...485 МГц -1,5.

Автор: И.Нечаев (UA3WIA), г. Курск

Смотрите другие статьи раздела Гражданская радиосвязь.

Читайте и пишите полезные комментарии к этой статье.

<< Назад

<< Назад

Последние новости науки и техники, новинки электроники:

Власть является ключевым фактором счастья в отношениях 11.03.2026

Исследования семейных и романтических отношений показывают, что длительное счастье пары зависит не только от привычных факторов, таких как доверие, уважение и преданность, но и от более тонких психологических аспектов. Современные ученые ищут закономерности, которые отличают действительно счастливые пары от остальных, чтобы понять, какие механизмы поддерживают гармонию в отношениях. Группа исследователей из Университета Мартина Лютера в Галле-Виттенберге и Бамбергского университета провела опрос среди 181 пары, которые состояли в совместных отношениях более восьми лет и прожили вместе хотя бы месяц. Участники заполняли анкету, описывая различные аспекты своих отношений, включая распределение обязанностей, эмоциональную поддержку и степень вовлеченности в совместные решения. Анализ данных показал интересный паттерн: пары, где оба партнера ощущали высокий уровень личной власти, оказывались наиболее счастливыми и удовлетворенными. В данном контексте под властью понимается способност ...>>

Защищенная колонка-повербанк Anker Soundcore Boom Go 3i 11.03.2026

Компания Anker представила новую модель линейки Soundcore - колонку Soundcore Boom Go 3i, ориентированную на активное использование на улице. Новинка отличается высокой степенью защиты: корпус соответствует стандарту IP68, что обеспечивает водо- и пыленепроницаемость, а ударопрочный дизайн выдерживает падение с высоты до одного метра. За качество звука отвечает 15-ваттный драйвер, обеспечивающий пик громкости до 92 дБ, а технология BassUp 2.0 усиливает низкие частоты, делая звучание более насыщенным. Колонка обладает автономностью до 24 часов, а LED-индикатор позволяет контролировать уровень заряда батареи. Кроме того, Soundcore Boom Go 3i может выполнять функцию павербанка: согласно внутренним тестам, устройство способно зарядить iPhone 17 с нуля до 40% за один час, что делает его полезным аксессуаром в походах и поездках. Среди функциональных особенностей модели стоит выделить технологию Auracast, которая улучшает подключение и позволяет создавать стереопару из двух колонок ...>>

Раннее воздержание от алкоголя перестраивает мозг и иммунитет 10.03.2026

Алкогольная зависимость - хроническое расстройство с компульсивным употреблением спиртного, которое влияет не только на поведение, но и на функционирование мозга и иммунной системы. Недавние исследования показали, что даже на ранних этапах воздержания организм начинает перестраиваться, открывая новые возможности для терапии зависимости. Ученые сосредоточились на пациентах, находящихся в первые недели абстиненции, и зафиксировали значительные изменения в мозговой активности. С помощью функциональной магнитно-резонансной томографии они выявили перестройку сетей нейронных связей, отвечающих за контроль импульсов и принятие решений. Эти изменения могут быть ключевыми для восстановления самоконтроля и снижения риска рецидива. Одновременно с нейронной перестройкой исследователи наблюдали колебания иммунной системы. В крови повышался уровень цитокинов - сигнальных белков, регулирующих воспалительные процессы. Эти данные свидетельствуют о существовании нейроиммунного взаимодействия, при ...>>

Случайная новость из Архива

Чувство голода может замедлить старение 19.05.2025

Периодическое голодание, низкокалорийные рационы и ограничение определенных питательных веществ часто обсуждаются как возможные пути к здоровому старению. Однако новый взгляд на этот вопрос предложили ученые из Мичиганского университета, показав, что не сама нехватка калорий, а субъективное ощущение голода может запускать в организме процессы, связанные с замедлением старения.

Авторы исследования провели серию экспериментов с плодовыми мушками Drosophila melanogaster - модельными организмами, часто используемыми в генетике и геронтологии. Интересно, что эти маленькие насекомые имеют около 75% тех же генов, которые у людей связаны с различными заболеваниями. Их мозг и обмен веществ демонстрируют поразительное сходство с соответствующими системами млекопитающих. Поэтому мушки стали идеальным объектом для изучения связи между ощущением голода и продолжительностью жизни.

Ученые обнаружили, что мушки, которым давали пищу с пониженным содержанием аминокислот с разветвленной цепью (так называемых BCAA), сохраняли чувство голода даже после приема пищи. Это проявлялось в их стремлении съесть больше на следующем приеме пищи и выбирать еду с высоким содержанием белка. Такой поведенческий паттерн указывает на то, что голод в этих случаях носил не эмоциональный, а физиологически обусловленный характер.

Особый интерес вызвал следующий этап исследования, в котором биологи искусственно активировали в мозге мушек нейроны, отвечающие за чувство голода. В результате они заметили, что продолжительность жизни мух, у которых стимулировалась "мозговая" потребность в пище, возрастала. Эти наблюдения позволили авторам сделать вывод: не столько ограничение калорий, сколько ощущение, что организм не насытился, способно запускать механизмы, продлевающие жизнь.

Значительное внимание в работе было уделено молекулярной стороне вопроса. Когда мушки находились в состоянии хронического голода, в их нейронах активировались особые белки - гистоны, которые регулируют экспрессию генов. Исследователи предположили, что именно эти измененные гистоны являются связующим звеном между ощущением голода, работой мозга и замедлением процессов старения. Ранее уже появлялись данные о том, что увеличение запаса гистонов может быть связано с повышенной продолжительностью жизни.

Хотя механизмы действия пока до конца не изучены, ученые Плетчер и его коллеги убеждены: чувство голода само по себе способно запускать процессы адаптации, которые на молекулярном уровне тормозят старение. Это может объяснить пользу диет с низким содержанием BCAA, которые не вызывают резкого насыщения, но снабжают организм необходимыми веществами.

Конечно, подобные открытия, сделанные на основе исследований с насекомыми, требуют дальнейшего подтверждения на более сложных организмах, включая человека. Тем не менее, эти результаты открывают интересную перспективу: возможно, именно субъективное восприятие голода, а не строгое ограничение пищи, играет решающую роль в долголетии. И если эта гипотеза подтвердится, то в будущем подходы к питанию и здоровому образу жизни могут быть пересмотрены в пользу более тонкой настройки сигналов насыщения, а не жесткого контроля за калориями.

Другие интересные новости:

▪ Блоки питания Corsair CV Series

▪ Умная военная униформа нового поколения

▪ Samsung 7 Series Chronos

▪ Оптическое реле поможет ускорить интернет

▪ Робот-кузнечик

Лента новостей науки и техники, новинок электроники

 

Интересные материалы Бесплатной технической библиотеки:

▪ раздел сайта Интересные факты. Подборка статей

▪ статья Чаплыгин Сергей. Биография ученого

▪ статья Что такое соккер? Подробный ответ

▪ статья Термист (работа на индукционных электротермических установках). Типовая инструкция по охране труда

▪ статья Чернила по различным материалам. Простые рецепты и советы

▪ статья Схемотехника выходных усилителей. Энциклопедия радиоэлектроники и электротехники

Оставьте свой комментарий к этой статье:

Имя:


E-mail (не обязательно):


Комментарий:





Главная страница | Библиотека | Статьи | Карта сайта | Отзывы о сайте

www.diagram.com.ua

www.diagram.com.ua
2000-2026