Menu Home

Бесплатная техническая библиотека для любителей и профессионалов Бесплатная техническая библиотека


УКВ-радиоприемник в корпусе Selga-405. Энциклопедия радиоэлектроники и электротехники

Бесплатная техническая библиотека

Энциклопедия радиоэлектроники и электротехники / Радиоприем

Комментарии к статье Комментарии к статье

В корпусе "Selga-405" автор собрал УКВ-радиоприемник с питанием от сети, использовав некоторые детали от исходного аппарата.

В прошлом веке отечественная промышленность выпускала большое число моделей носимых радиоприемников с батарейным питанием, имеющих ДВ, СВ и реже КВ-диапазоны. Сегодня эти диапазоны практически пусты - часть радиостанций перекочевала из эфира в Интернет, часть закрылась. По этой причине сохранившиеся экземпляры таких радиоприемников стали бесполезны. В то же время радиовещательные УКВ-диапазоны пока еще "живы", поэтому подобные радиоприемники можно переделать для работы на УКВ.

Один из возможных способов показан на примере отечественного радиоприемника "Selga-405" выпуска 1984 г Из нескольких доступных схемных решений выбор пал на вариант с отечественной микросхемой КР174ХА34. Эта микросхема представляет собой ЧМ-тракт с низкой ПЧ для приема и обработки сигналов с частотной модуляцией УКВ-диапазона [1, 2]. В 1990-е годы автор собрал на этой микросхеме, а также других аналогичных с низкой ПЧ КС1066ХА1, К142ХА42 около 20 радиоприемников. Эти микросхемы отличаются высокой надежностью - ни одного выхода из строя, высокой чувствительностью, простотой схемы включения, а также во всех изготовленных приемниках не было замечено описанного в [3] негативного эффекта.

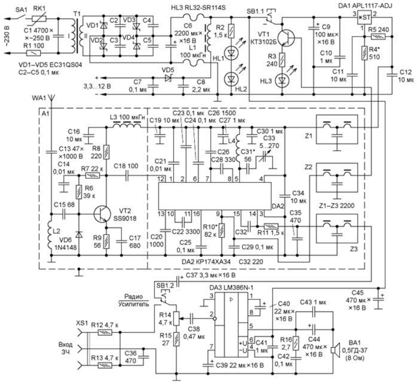
Схема УКВ-радиоприемника показана на рис. 1. От исходного устройства остались корпус, переменный конденсатор с верньерным устройством, переменный резистор регулятора громкости, монтажная плата и динамическая головка. УКВ-радиосигнал с телескопической антенны WA1 через разделительные конденсаторы C13, C15 поступает на УВЧ, собранный на высокочастотном малошумящем транзисторе VT2 по схеме с общим эмиттером. Диод VD6 защищает этот транзистор от повреждения. Напряжение смещения на базу VT2 поступает с вывода коллектора этого транзистора через резисторы R6, R7. Конденсатор C14 предотвращает образование ООС по ВЧ, повышая усиление этого каскада на высоких частотах. Нагрузкой транзистора служит резистор R8. Питается каскад УВЧ напряжением около 4,1 В через фильтр L3C16.

УКВ-радиоприемник в корпусе Selga-405
Рис. 1. Схема УКВ-радиоприемника (нажмите для увеличения)

Усиленный ВЧ-сигнал через разделительный конденсатор C18 поступает на вход микросхемы DA2 (вывод 12). На радиостанции приемник настраивают с помощью переменного конденсатора C33, который перестраивает рабочую частоту колебательного контура. Конденсатор C31 - растягивающий. Параметры колебательного контура выбраны так, чтобы охватить диапазон частот 63...110 МГц. Немного расширенный диапазон принимаемых частот выбран для того, чтобы при старении элементов, сильных изменениях окружающей температуры радиостанции, находящиеся на краях диапазона, не оказались DA1 APL1117-ADJ за "бортом".

НЧ-сигнал звуковой частоты с выхода DA2 (вывод 14) через фильтры R11C35, Z3, разделительный конденсатор C37 и замкнутые контакты переключателя SB1.2 поступает на регулятор громкости - переменный резистор R14. С вывода 9 DA2 снимается напряжение для управления светодиодным индикатором уровня сигнала настройки на радиостанцию. Это напряжение через фильтр С29Z2 поступает на эмиттерный повторитель VT1. При точной настройке нарадиостанцию и высоком уровне сигнала светодиод гаснет.

УКВ-модуль A1 собран на отдельной печатной плате из фольгированного с двух сторон стеклотекстолита размерами 65x28 мм толщиной 2 мм. Модуль экранирован луженой жестью, УВЧ на транзисторе VT1 экранирован от микросхемы DA2. Переменный конденсатор также экранирован. Нижний слой фольги также используется как экран. С общим проводом верхнего слоя нижний слой фольги связан 15 перемычками, равномерно распределенными по плате. На верхнем слое фольги проводники вырезаны ручной фрезой под имеющиеся детали (рис. 2).

УКВ-радиоприемник в корпусе Selga-405
Рис. 2. Плата с элементами

УКВ-модуль получает питание около 4,1 В через фильтр Z1 от стабилизатора напряжения DA1 и сохраняет работоспособность при снижении напряжения питания до 1,9 В. Поскольку настройка нарадиостанции осуществляется переменным конденсатором, из-за изменения напряжения питания она не сбивается. Аналогичный модуль был использован при переделке радиоприемников "Selga-404", "Юность КП-101", "Сигнал РП-204" и для модернизации радиоприемника "Россия РП-303", а также, с некоторыми изменениями, в других конструкциях.

Усилитель звуковой частоты собран на интегральной микросхеме DA3 (LM386N-1). Резистор R15 исключает работу в режиме нулевой громкости, уменьшая вероятность того, что радиоприемник будет работать, когда в нем нет необходимости. Нагрузкой усилителя DA3 служит динамическая головка BA1, подключенная к выходу микросхемы через разделительный конденсатор C44. Демпфирующая цепь R16C42 предотвращает самовозбуждение микросхемы DA3 на ультразвуковых частотах.

Поскольку многие мобильные цифровые устройства имеют плохое качество звучания, их желательно подключать к внешнему УЗЧ. С этой целью новый радиоприемник оснащен гнездом XS1. Переключателем SB1 выбирают режим работы "Радио"/"Усилитель". Резисторы R12, R13 суммируют стереосигнал в монофонический, конденсатор C36 препятствует поступлению на вход УЗЧ радиочастот. Чувствительности УЗЧ достаточно, чтобы работать с любым цифровым мультимедийным аппаратом.

Сегодня не принято "ходить" с такими радиоприемниками, поэтому автономное питание в устройстве не предусмотрено. Но при необходимости можно подключить внешний источник автономного питания напряжением 3,3...12 В, например [4-6]. Диод Шотки VD5 защищает устройство от переполюсовки напряжения питания. Вместо батареи гальванических элементов или аккумуляторов в корпус приемника встроен сетевой блок питания. Напряжение сети 230 В поступает на первичную обмотку понижающего трансформатора T1 через замкнутые контакты выключателя SA1, предохранительный резистор R1 и терморезистор RK1 с положительным температурным коэффициентом сопротивления, работающий как высоковольтный самовосстанавливающийся предохранитель.

В случае увеличения тока через первичную обмотку трансформатора, например, при аномально высоком напряжении сети, терморезистор разогревается, его сопротивление увеличивается с 20...30 Ом до десятков и даже сотен килоом, что предотвращает повреждение трансформатора. С вторичной обмотки T1 переменное напряжение около 8,5 В поступает на мостовой диодный выпрямитель, собранный на диодах Шотки VD1-VD4. Конденсатор C6 сглаживает пульсации выпрямленного напряжения.

На микросхеме DA1 (APL1117-ADJ) собран стабилизатор напряжения +4,1 В. Выходное напряжение устанавливают подборкой резистора R4 - чем меньше его сопротивление, тем меньше выходное напряжение. Светодиоды HL1, HL2 светят при наличии напряжения питания выше 5 В, они предназначены для подсветки шкалы настройки.

Вид на компоновку узлов в корпусе показан на рис. 3. Клавишный выключатель питания KCD-2011 (SA1) размещен на задней стенке корпуса радиоприемника рядом с сетевым трансформатором, его можно заменить, например, на MRC-101-6A, KCD1-101. Переключатель SB1 - RS10. Резистор R1, конденсатор C1 и терморезистор RK1 размещены на отдельной плате размерами 35x20 мм. Диоды VD1-VD4, конденсаторы C2-C6 смонтированы на плате размерами 35x24 мм. Резисторы R12, R13, конденсатор C36 и гнездо XS1 установлены на плате размерами 33x18 мм. УКВ-модуль приклеен к основной плате устройства с таким расчетом, чтобы провод от конденсатора C31 к С33 был как можно короче. Узлы УЗЧ и стабилизатора напряжения размещены на основной плате. Монтаж - навесной. Не пренебрегайте корректной разводкой общего провода для цепей питания, сигнальных и высокочастотных.

УКВ-радиоприемник в корпусе Selga-405
Рис. 3. Вид на компоновку узлов в корпусе

Вместо микросхемы КР174ХА34 можно применить К174ХА34, КР174ХА34А. К микросхеме LM386N-1 приклеивают медный теплоотвод с площадью охлаждающей поверхности не менее 3 см2. Вместо УЗЧ на этой микросхеме можно собрать другой усилитель, работоспособный при напряжении питания 3...12 В. Вместо микросхемы APL1117-ADJ можно установить любой интегральный стабилизатор серии 1117-ADJ в любом корпусе, кроме сверхминиатюрных, например, LD1117A-ADJ, IL1117A-ADJ. Также подойдет любой аналогичный стабилизатор с малым падением напряжения в соответствующей схеме включения. Вместо высокочастотного транзистора SS9018 подойдет любой из серий 2SC1730, 2SC1395, КТ368, КТ399, 2Т399, 2Т372, КТ372,2Т382, КТ382, КТ325,2Т325, КТ355, 2Т355. Транзистор КТ3102Б заменим любым из серий КТ312, КТ315, КТ3102, SS9014, PN2222, BC547, BC548. Упомянутые в вариантах замен транзисторы имеют отличия в цоколевке.

Вместо диодов Шотки EC31QS04 можно установить SB140, SB150, SB160, 1 N5819, MBRS140T3. Диод 1 N4148 можно заменить на PMLL4148, PMLL4446, PMLL4448, КД503А. Светодиоды HL1, HL2 - сверхъяркие, для поверхностного монтажа, желтого цвета свечения (от подсветки кнопок автомагнитолы). Светодиод RL32-SR114S - красного цвета свечения, можно заменить любым непрерывного свечения без встроенных резисторов, желательно с возможно меньшим рабочим напряжением.

Катушка L2 - бескаркасная, содержит 19 витков обмоточного провода диаметром 0,39 мм, намотанного на оправке диаметром 3 мм. Катушка L4 - бескаркасная, содержит шесть витков обмоточного провода диаметром 0,39 мм, намотанного на оправке диаметром 3 мм. Внутрь этой катушки вставлен кусок поролона, который затем пропитан парафином. Также парафином залит конденсатор C31. Дроссель L1 - готовый, промышленного изготовления, намотан на H-образном ферритовом магнитопроводе, сопротивление обмотки - не более 1 Ом, индуктивность - чем больше, тем лучше. Дроссель L3 - аналогичный, индуктивностью 100...1000 мкГн и сопротивлением обмотки 3...15 Ом.

В узле питания применен трансформатор ТС6-2. Вторичная обмотка перемотана, она содержит 115 витков обмоточного провода диаметром 0,33 мм. Намотка - виток к витку, ни один виток не должен быть перехлестнут, иначе обмотка не уместится в окне. Вместо такого трансформатора подойдет, например, унифицированный ТП-112-1. WA1 - поворотная телескопическая антенна длиной 56 см. Отечественная динамическая головка 0,5ГД-37 отличается от подобных такого же размера хорошим качеством звучания и высокой чувствительностью. Можно заменить аналогичной 1ГДШ-6. Корпус динамической головки соединяют с общим проводом.

Как сказано выше, переменный резистор применен штатный, имеющийся в нем выключатель питания не используется. Этот выключатель нельзя применять для коммутации напряжения сети 230 В. Подойдет любой переменный резистор сопротивлением 4,7- 22 кОм. Терморезистор ZPB53BL200C (RK1) применен от узла размагничивания кинескопа телевизора Funai. Может быть заменен ZPB53BL300C или другим с сопротивлением 20...30 Ом при комнатной температуре, или на полимерный самовосстанавливающийся предохранитель SF250-080. Резистор R1 - импортный невозгораемый или разрывной. Остальные резисторы - любого типа общего применения, в УКВ-модуле желательно использовать поверхностно монтируемые резисторы. Конденсатор C1 - керамический на номинальное напряжение не менее 1000 В постоянного тока или 250 В переменного тока. Конденсатор C38 - малогабаритный пленочный. Оксидные конденсаторы - импортные аналоги К50-68, К53-19. Остальные неполярные постоянные конденсаторы - керамические, на номинальное напряжение не менее 25 В. Конденсатор C31 должен быть с возможно меньшим ТКЕ. Фильтры Z1-Z3 - DST9NC52A222Q55B или DST9HB32E222Q55B - конденсаторы емкостью 2200 пФ, на выводы которых надеты ферритовые трубки. Их можно заменить керамическими конденсаторами емкостью 2200 пФ.

Налаживание в основном сводится к установке границ диапазона. Подбором емкости конденсатора C31 устанавливают нижнюю границу принимаемого УКВ-диапазона. Растягивая и сжимая витки катушки L4, устанавливают верхнюю границу диапазона. Подключив приемник к внешней УКВ-антенне и настроив его на местную радиостанцию, резистор R10 подбирают, ориентируясь на большее его сопротивление, чтобы светодиод HL3 не светился. На этом настройка устройства закончена.

Радиоприемник, изготовленный по схеме рис. 1, принимает все местные радиостанции на подключенный в качестве антенны кусок провода длиной 10 см, прием ведется с расстояния около 30 км от передающей антенны. На максимальной громкости устройство потребляет от сети 230 В ток 16 мА. При питании устройства от внешнего источника постоянного напряжения 6 В потребляемый ток - около 80 мА на максимальной или 20 мА на минимальной громкости в режиме "Радиоприемник" или 6 мА в режиме "Усилитель" при отсутствии сигнала.

Литература

  1. Гвоздев С. Микросхема К174ХА34. - Радио, 1995, № 10, с. 62.
  2. Нефедов А. В. Интегральные микросхемы и их зарубежные аналоги. Серии К143-К174. Т. 2. - М.: "Радиософт", 1999, с. 610-612.
  3. Поляков В. О "скрипе" 174XA34. - URL: radio.ru/support/001 (29.06.16).
  4. Бутов А. Портативный аккумуляторный источник питания. - Радио, 2015, № 10, с. 36-38.
  5. Бутов А. Преобразователь напряжения 5/9 В для питания радиоприемников. - Радио, 2013, № 12, с. 24, 25.
  6. Бутов А. Автономный блок питания. - Радио, 2012, № 12, с. 21, 22.

Автор: А. Бутов

Смотрите другие статьи раздела Радиоприем.

Читайте и пишите полезные комментарии к этой статье.

<< Назад

<< Назад

Последние новости науки и техники, новинки электроники:

Власть является ключевым фактором счастья в отношениях 11.03.2026

Исследования семейных и романтических отношений показывают, что длительное счастье пары зависит не только от привычных факторов, таких как доверие, уважение и преданность, но и от более тонких психологических аспектов. Современные ученые ищут закономерности, которые отличают действительно счастливые пары от остальных, чтобы понять, какие механизмы поддерживают гармонию в отношениях. Группа исследователей из Университета Мартина Лютера в Галле-Виттенберге и Бамбергского университета провела опрос среди 181 пары, которые состояли в совместных отношениях более восьми лет и прожили вместе хотя бы месяц. Участники заполняли анкету, описывая различные аспекты своих отношений, включая распределение обязанностей, эмоциональную поддержку и степень вовлеченности в совместные решения. Анализ данных показал интересный паттерн: пары, где оба партнера ощущали высокий уровень личной власти, оказывались наиболее счастливыми и удовлетворенными. В данном контексте под властью понимается способност ...>>

Защищенная колонка-повербанк Anker Soundcore Boom Go 3i 11.03.2026

Компания Anker представила новую модель линейки Soundcore - колонку Soundcore Boom Go 3i, ориентированную на активное использование на улице. Новинка отличается высокой степенью защиты: корпус соответствует стандарту IP68, что обеспечивает водо- и пыленепроницаемость, а ударопрочный дизайн выдерживает падение с высоты до одного метра. За качество звука отвечает 15-ваттный драйвер, обеспечивающий пик громкости до 92 дБ, а технология BassUp 2.0 усиливает низкие частоты, делая звучание более насыщенным. Колонка обладает автономностью до 24 часов, а LED-индикатор позволяет контролировать уровень заряда батареи. Кроме того, Soundcore Boom Go 3i может выполнять функцию павербанка: согласно внутренним тестам, устройство способно зарядить iPhone 17 с нуля до 40% за один час, что делает его полезным аксессуаром в походах и поездках. Среди функциональных особенностей модели стоит выделить технологию Auracast, которая улучшает подключение и позволяет создавать стереопару из двух колонок ...>>

Раннее воздержание от алкоголя перестраивает мозг и иммунитет 10.03.2026

Алкогольная зависимость - хроническое расстройство с компульсивным употреблением спиртного, которое влияет не только на поведение, но и на функционирование мозга и иммунной системы. Недавние исследования показали, что даже на ранних этапах воздержания организм начинает перестраиваться, открывая новые возможности для терапии зависимости. Ученые сосредоточились на пациентах, находящихся в первые недели абстиненции, и зафиксировали значительные изменения в мозговой активности. С помощью функциональной магнитно-резонансной томографии они выявили перестройку сетей нейронных связей, отвечающих за контроль импульсов и принятие решений. Эти изменения могут быть ключевыми для восстановления самоконтроля и снижения риска рецидива. Одновременно с нейронной перестройкой исследователи наблюдали колебания иммунной системы. В крови повышался уровень цитокинов - сигнальных белков, регулирующих воспалительные процессы. Эти данные свидетельствуют о существовании нейроиммунного взаимодействия, при ...>>

Случайная новость из Архива

Вселенная под угрозой темной энергии 02.08.2012

Около 70% всей Вселенной составляет темная энергия, поэтому логично предположить, что именно она решает окончательную судьбу нашего мироздания. Группа китайских исследователей задалась вопросом: насколько от нее зависит продолжительность жизни Вселенной? Результат был обескураживающим.

Благодаря бурному развитию современной космологии в последние три десятилетия ученые получили возможные ответы на важные вопросы: откуда появилось все вокруг и куда оно уйдет. Стандартная модель поясняет: Вселенная образовалась в результате мощного расширения и Большого взрыва. Однако для предсказания дальнейшей судьбы Вселенной необходимо тщательно проанализировать роль темной энергии в существовании мироздания.

Пока точно никто не знает, что собой представляет темная энергия, поэтому теоретики могут опираться лишь на косвенные наблюдения и на расчет отношения давления к плотности темной энергии (W). Поскольку именно свойства темной энергии решают дальнейшую судьбу Вселенной, то расчет параметров загадочной субстанции может многое рассказать о нашем будущем. В частности, если W меньше, чем -1, плотность темной энергии будет расти до бесконечности и ее гравитационное отталкивание разорвет все объекты во Вселенной. Это будет "судный день" для всего мироздания, которое закончит существование в привычном нам виде.

Один из наиболее интригующих вопросов: если конец света наступит, то когда? Используя метод анализа Монте-Карло с цепями Маркова, авторы подсчитали, что конец Вселенной наступит не позднее чем через 103,5 млрд лет, а с 95,4% вероятностью - через 16,7 млрд. Другими словами, в худшем случае Вселенная уже прожила около половины своей жизни, и через 16,7 млрд лет ее буквально разорвет в клочья.

Наблюдения показывают, что параметр W в будущем скорее всего будет меньше, чем -1, а, значит, конец неизбежен. Если это так, появляется еще один интересный вопрос: что случится с гравитационно связанными объектами, такими как галактики и звезды? К сожалению, судьба даже крупных объектов печальна: гравитационное отталкивание темной энергии будет постоянно увеличиваться и в итоге она преодолеет все силы, удерживающие звезды и планеты вместе. Ни один объект, будь то супергалактика или небольшой астероид не избежит апокалипсиса и будет уничтожен. Например, в худшем сценарии (через 16,7 млрд. лет) Млечный Путь разорвет за 32,9 млн. лет до нового Большого взрыва. Земля вырвется за пределы Солнечной системы за 2 месяца до конца света, Луна покинет наше небо за 5 дней, а за 16 минут до гибели Вселенной наша планета взорвется.

Другие интересные новости:

▪ Нетбук UbiSurfer

▪ Вам звонят ваши таблетки

▪ Электронная книга Sony Reader Daily Edition

▪ SSD-накопители SK Hynix Gold S31

▪ Неувязающие сапоги

Лента новостей науки и техники, новинок электроники

 

Интересные материалы Бесплатной технической библиотеки:

▪ раздел сайта Звонки и аудио-имитаторы. Подборка статей

▪ статья Передача электроэнергии на большие расстояния. История изобретения и производства

▪ статья В каком популярном виде спорта женщины могут соревноваться вместе с мужчинами? Подробный ответ

▪ статья Люффа. Легенды, выращивание, способы применения

▪ статья Стеклопластиковая... YAGI! Энциклопедия радиоэлектроники и электротехники

▪ статья Торфяные электроустановки. Защита. Энциклопедия радиоэлектроники и электротехники

Оставьте свой комментарий к этой статье:

Имя:


E-mail (не обязательно):


Комментарий:





Главная страница | Библиотека | Статьи | Карта сайта | Отзывы о сайте

www.diagram.com.ua

www.diagram.com.ua
2000-2026