Menu Home

Бесплатная техническая библиотека для любителей и профессионалов Бесплатная техническая библиотека


Генератор сигналов частотой 60 кГц...108 МГц. Энциклопедия радиоэлектроники и электротехники

Бесплатная техническая библиотека

Энциклопедия радиоэлектроники и электротехники / Гражданская радиосвязь

Комментарии к статье Комментарии к статье

Высокочастотный генератор сигналов необходим при ремонте и настройке радиоприемных устройств и потому довольно востребован. Имеющиеся на рынке лабораторные генераторы еще советского производства имеют хорошие характеристики, как правило, избыточные для любительских целей, но стоят они довольно дорого и зачастую перед использованием требуют ремонта. Несложные генераторы иностранных производителей стоят еще дороже и при этом не отличаются высокими параметрами. Это вынуждает радиолюбителей изготавливать такие устройства самостоятельно.

Генератор разработан как альтернатива простым промышленным приборам, аналогичным GRG-450B [1]. Он работает во всех радиовещательных диапазонах, его изготовление не требует намотки катушек индуктивности и трудоемкого налаживания. В приборе реализованы растянутые КВ-диапазоны, что позволило отказаться от сложного механического верньера, встроенный милливольтметр выходного сигнала, частотная модуляция. Изготавливается устройство из дешевых распространенных деталей, которые найдутся у любого радиолюбителя, занимающегося ремонтом радиоприемников.

Анализ множества любительских конструкций подобных генераторов выявил ряд общих характерных для них недостатков: ограниченный диапазон частот (большинство перекрывают только диапазоны ДВ, СВ и КВ); значительное перекрытие частоты на высокочастотных диапазонах затрудняет ее точную установку и приводит к необходимости изготовления верньера. Зачастую требуется намотка катушек индуктивности с отводами. К тому же описания этих конструкций слишком краткие, а нередко вообще отсутствуют.

Было принято решение самостоятельно сконструировать высокочастотный генератор сигналов, удовлетворяющий следующим требованиям: предельно простая схема и конструкция, катушки индуктивности без отводов, отсутствие самостоятельно изготавливаемых механических узлов, работа во всех вещательных диапазонах, включая УКВ, растянутые диапазоны и электрический верньер. Желателен 50-омный коаксиальный выход.

Таблица

Диапазон Частота, МГц Напряжение1), мВ
ДВ1 0,058...0,214 40...70
ДВ2 0,185...0,726
СВ 0,56...2,33 53...120
КВ1 2,05...3,4 110...150
КВ2 2,9...4,8
КВЗ 4,8...8,3
КВ4 7...12
КВБ 11.9 ...20.7
КВ6 17,7...32
35,5...38,52)
УКВ1 37...57,5
65...722)
150...210
УКВ2 70...82
94...1082)

1) На коаксиальном выходе при сопротивлении нагрузки 50 Ом, аффективное значение.
2)
При отключенном конденсаторе переменной емкости и напряжении на варикапе 0...5 В.

В результате проверки множества технических решений и неоднократных доработок появился описанный ниже прибор. Диапазоны генерируемых им частот указаны в таблице. Точность установки частоты генератора - не хуже ±2 кГц на частоте 10 МГц и ±10 кГц на частоте 100 МГц. Ее уход за час работы (после часового прогрева) не превышает 0,2 кГц на частоте 10 МГц и 10 кГц на частоте 100 МГц. В той же таблице приведены максимальные эффективные значения выходного напряжения в каждом диапазоне. Нелинейность шкалы милливольтметра - не более 20 %. Напряжение питания - 7,5...15 В. Схема генератора сигналов представлена на рис. 1.

Генератор сигналов частотой 60 кГц...108 МГц
Рис. 1. Схема генератора сигналов (нажмите для увеличения)

Как правило, генераторы с двухточечным подключением колебательного контура, способные работать на частоте более 100 МГц, в средневолновом диапазоне генерируют скорее искаженный меандр, чем синусоиду. Для уменьшения искажений требуется значительное изменение режимов работы активных элементов генератора в зависимости от частоты. Сигнал примененного в описываемом устройстве задающего генератора с включенными последовательно по постоянному току полевым и биполярным транзисторами [2] имеет гораздо меньшие искажения. Их можно снижать, регулируя режим работы лишь биполярного транзистора.

На низкочастотных диапазонах режим работы транзистора VT2 задан включенными последовательно резисторами R1 и R9. С переходом на высокочастотные диапазоны переключатель SA1.2 замыкает резистор R1. Для увеличения крутизны характеристики полевого транзистора VT1 на его затвор подано постоянное смещение, равное половине напряжения питания. Напряжение питания задающего генератора стабилизировано интегральным стабилизатором DA1. Резистор R10 служит минимальной нагрузкой стабилизатора, без которой его выходное напряжение засорено шумом.

В качестве катушек индуктивности L1-L10 задающего генератора использованы дроссели промышленного производства. Их коммутирует переключатель SA1.1. В диапазоне УКВ2 индуктивностью L11 служит отрезок провода длиной около 75 мм, соединяющий переключатель с печатной платой.

Отклонение фактической индуктивности дросселя от номинальной может быть довольно значительным, поэтому границы диапазонов выбраны с некоторым перекрытием, чтобы исключить их трудоемкую укладку. Указанные в таблице границы диапазонов получены без какого-либо подбора дросселей. Предпочтительно применять дроссели большого размера, стабильность индуктивности которых (следовательно, и генерируемой частоты) выше, чем у малогабаритных.

Для перестройки частоты в приборе использован трехсекционный конденсатор переменной емкости с редуктором, применявшийся в радиоприемниках "Океан", радиолах "Мелодия" и многих других. Чтобы его корпус не имел электрического контакта с корпусом прибора, он закреплен внутри него через изолирующую прокладку. Это дало возможность включить одну секцию конденсатора последовательно с двумя другими соединенными параллельно. Так реализованы растянутые КВ-диапазоны. В диапазонах ДВ, СВ1 и СВ2, где требуется большое перекрытие по частоте, переключатель SA1.2 соединяет корпус переменного конденсатора с общим проводом. В диапазонах КВ6, УКВ1 и УКВ2 предусмотрено отключение конденсатора переменной емкости выключателем SA2. Когда выключатель замкнут, частота устойчивой генерации не превышает 37 МГц.

Параллельно переменному конденсатору подключена цепь из варикапной матрицы VD1, конденсаторов C6, C9 и резистора R6, служащая частотным модулятором, электрическим верньером, а при отключенном переменном конденсаторе - основным элементом настройки. Поскольку амплитуда высокочастотного напряжения на колебательном контуре достигает нескольких вольт, соединенные встречно-последовательно варикапы матрицы вносят гораздо меньшие искажения, чем вносил бы одиночный варикап. Напряжение настройки на варикапы матрицы VD1 поступает с переменного резистора R5. Резистор R2 несколько линеаризует шкалу настройки.

Сигнал частотной модуляции генератора подают на разъем XS1 от любого внешнего источника. При настройке и проверке АМ-радиоприемника преобразование частотной модуляции в амплитудную происходит в нем самом за счет неравномерности частотной характеристики додетекторной части приемного тракта. Наблюдать АМ-сигнал можно на последнем контуре ПЧ приемника с помощью осциллографа. Такое решение не всегда приемлемо, но применяемые в любительских конструкциях измерительных генераторов простые амплитудные модуляторы создают сильную паразитную частотную модуляцию даже на низкочастотных КВ-диапазонах, из-за чего применять их по назначению практически невозможно. На разъем XS2 при использовании прибора в качестве генератора качающейся частоты подают пилообразное напряжение.

Задающий генератор связан с выходным повторителем на транзисторе VT4 через конденсатор C12, предельно малая емкость которого уменьшает влияние нагрузки на генерируемую частоту и снижение амплитуды выходного напряжения на частоте выше 30 МГц. Для частичного устранения снижения амплитуды на низкой частоте конденсатор C12 зашунтирован цепью R11C14. Простой эмиттерный повторитель с высоким выходным сопротивлением на биполярном транзисторе оказался наиболее подходящим решением для такого широкополосного прибора. Влияние нагрузки на частоту сравнимо с истоковым повторителем на полевом транзисторе, а зависимость амплитуды от частоты гораздо меньше. Применение дополнительных буферных ступеней только ухудшало развязку. Для обеспечения хорошей развязки в диапазонах ДВ-КВ транзистор VT4 должен иметь высокий коэффициент передачи тока, а в диапазонах УКВ - предельно малые межэлектродные емкости.

Выход повторителя соединен с зажимом XT1.4, предназначенным в основном для подключения частотомера, что приводит к некоторому снижению выходного напряжения. Внутреннее сопротивление этого выхода на КВ-диапазонах - около 120 Ом, выходное напряжение более 1 В. На диодахVD2, VD3, транзисторе VT3 и светодиоде HL1 реализован индикатор наличия ВЧ-напряжения на выходе повторителя.

С движка переменного резистора R18, служащего регулятором выходного напряжения, сигнал поступает на делитель R19R20, который, помимо дополнительной развязки генератора и нагрузки, обеспечивает выходное сопротивление коаксиального выхода (разъем XW1) на КВ-диапазонах, близкое к 50 Ом. На УКВ оно снижается до 20 Ом.

Уход частоты при изменении положения движка R18 из верхнего по схеме положения в нижнее достигает 70...100 кГц на частоте 100 МГц без нагрузки, а при подключенной нагрузке 50 Ом - не более 2 кГц (на той же частоте).

Для измерения выходного напряжения на разъеме XW1 предусмотрен детектор, выполненный на резисторах R15, R17, диоде VD4 и конденсаторе C17. Вместе с внешним цифровым вольтметром или мультиметром в режиме вольтметра, подключенным к контактам XT 1.3 (плюс) и XT1.1 (минус), он образует милливольтметр эффективного значения выходного напряжения генератора. Для получения более линейной шкалы на диод VD4 подано постоянное напряжение смещения 1 В, которое устанавливают многооборотным подстроечным резистором R17.

Внешний вольтметр должен иметь предел измерения 2 В. В этом случае в старшем разряде его индикатора будет постоянно выведена единица, а в младших разрядах - измеренное выходное напряжение в милливольтах. Минимальное измеряемое напряжение - около 20 мВ. Выше 100 мВ показания будут несколько завышены. При напряжении 200 мВ погрешность доходит до 20 %.

Питают генератор от стабилизированного источника постоянного напряжения 7...15 В либо от аккумуляторной батареи. При нестабилизированном блоке питания генерируемый высокочастотный сигнал неизбежно будет модулирован частотой 100 Гц.

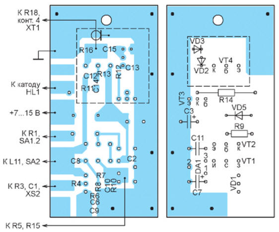
К монтажу генератора следует подойти очень тщательно, от этого зависит стабильность его параметров. Большинство деталей установлены на печатной плате из фольгированного с двух сторон изоляционного материала, изображенной на рис. 2.

Генератор сигналов частотой 60 кГц...108 МГц
Рис. 2. Печатная плата из фольгированного с двух сторон изоляционного материала

Генератор сигналов частотой 60 кГц...108 МГц
Рис. 3. Расположение деталей на плате

Расположение деталей на плате показано на рис. 3. Площадки фольги общего провода с двух сторон платы соединяют между собой проволочными перемычками, впаянными в отверстия, которые показаны залитыми. Элементы выходного повторителя после монтажа закрывают с двух сторон платы металлическими экранами, контуры которых показаны штриховыми линиями. Эти экраны должны быть надежно, пайкой по периметру, соединены с фольгой общего провода. В экране, находящемся со стороны печатных проводников, над контактной площадкой, с которой соединен эмиттер транзистора VT4, сделано отверстие, сквозь которое проходит припаянный к этой площадке медный штырь. В дальнейшем к нему припаивают центральную жилу коаксиального кабеля, идущего к переменному резистору R18 и конденсатору C18. Оплетку кабеля соединяют с экраном повторителя.

В генераторе применены в основном постоянные резисторы и конденсаторы для поверхностного монтажа типоразмера 0805. Резисторы R19 и R20 - МЛТ-0,125. Конденсатор C3 - оксидный с низким ЭПС, C7 - оксидный танталовый К53-19 или аналогичный. Катушки индуктивности L1-L10 - стандартные дроссели, предпочтительно отечественные серий ДПМ, ДП2. По сравнению с импортными, они имеют значительно меньшее отклонение индуктивности от номинальной и большую добротность.

При отсутствии дросселя нужного номинала катушку L10 можно изготовить самостоятельно, намотав восемь витков провода диаметром 0,08 мм на резистор МЛТ-0,125 сопротивлением не менее 1 МОм. В качестве индуктивности L11 применен отрезок жесткого центрального провода от коаксиального кабеля длиной около 75 мм.

Трехсекционные конденсаторы переменной емкости с редуктором чрезвычайно распространены, но если такой отсутствует, можно применить и двухсекционный. В этом случае корпус конденсатора соединяют с корпусом прибора, а каждую секцию подключают через отдельный выключатель, причем одну из секций - через растягивающий конденсатор. Управлять прибором с таким переменным конденсатором заметно сложнее.

Переключатель SA1 - ПМ 11П2Н, также применимы аналогичные переключатели серии ПГ3 или П2Г3. Выключатель SA2 - МТ1. Переменный резистор R18 - СП3-9б, причем заменять его переменным резистором другого типа не рекомендуется. Если переменного резистора указанного на схеме номинала не нашлось, то можно заменить его имеющим меньший номинал, но при этом нужно увеличить сопротивление резистора R16 так, чтобы общее сопротивление параллельно соединенных резисторов R16 и R18 осталось неизменным. Переменный резистор R5 - любого типа, R17 - импортный многооборотный подстроечный 3296.

Диоды ГД407А можно заменить на Д311, Д18, а диод 1 N4007 - на любой выпрямительный. Вместо варикапной матрицы КВС111А допускается применить КВС111Б, вместо 3AR4UC10 - любой светодиод красного свечения.

Задающий генератор малочувствителен к типам примененных транзисторов. Полевой транзистор КП303И может быть заменен на КП303Г- КП303Ж, КП307А-КП307Ж, а с корректировкой печатной платы - на BF410B-BF410D, КП305Ж. Для транзисторов с начальным током более 7 мА резистор R7 не требуется. Биполярный транзистор КТ3126А можно заменить любым СВЧ-транзистором структуры p-n-p с минимальными межэлектродными емкостями. В качестве замены транзистора КТ368АМ можно рекомендовать SS9018I.

Разъем XW1 - типа F. В него легко заделывается любой кабель, а при необходимости можно просто вставить провод. Зажимная колодкаXT1 - WP4-7 для подключения акустических систем. Разъемы XS1 и XS2 - стандартные монофонические гнезда под штекер диаметром 3,5 мм.

Генератор собран в корпусе от компьютерного блока питания. Его монтаж показан на фотоснимке рис. 4. Решетку вентилятора удалите, а сторону корпуса, где она находилась, закройте пластиной из листовой стали с отверстиями для разъемов и элементов управления. Для крепления пластины следует использовать все имеющиеся в корпусе отверстия под винты.

Генератор сигналов частотой 60 кГц...108 МГц
Рис. 4. Монтаж генератора

Плату закрепите на латунной стойке высотой 30 мм, рядом с переключателем SA1, вверх печатными проводниками. Место контакта стойки с корпусом залудите и подложите под нее контактный лепесток, который соедините с экраном выходного повторителя. По возможности избегайте образования больших замкнутых контуров протекания высокочастотного тока по общему проводу, приводящих к снижению выходного напряжения на УКВ-диапазонах.

Переменный резистор R18 поместите в дополнительный металлический экран, зажав его под фланец резистора. Монтаж резисторов R19 и R20 - навесной. Их общую точку соедините с разъемом XW1 коаксиальным кабелем. Элементы детектора милливольтметра установите на небольшой монтажной плате, которую закрепите непосредственно на разъеме XW1.

Конденсатор переменной емкости C4 установите в корпусе через изолирующие прокладки. Желательно сделать диэлектрический удлинитель оси конденсатора, на который будет надета ручка настройки. Но это не обязательно, допустимо надеть ее и на ось самого конденсатора. Соединение переменного конденсатора с выключателем SA2 и с платой выполните жесткой центральной жилой от коаксиального кабеля. Конденсатор C5 установите и соедините с корпусом рядом с конденсатором C4.

Перед установкой в прибор галетного переключателя SA1 смонтируйте на нем катушки индуктивности L1-L10 и резистор R1. Оси соседних катушек должны быть взаимно перпендикулярны, иначе не избежать их взаимного влияния. Особенно это касается низкочастотных диапазонов. Удобно чередовать катушки с аксиальными и радиальными выводами. Общий провод к галете SA1.1 подключите жгутом из десяти и более проводов МГТФ. Отдельным проводом соедините с общим проводом резистор R1 и подвижный контакт галеты SA1.2.

С помощью шприца с укороченной иглой нанесите на переднюю панель подкрашенным цапон-лаком все необходимые надписи. Разъем входа пилообразного напряжения XS2 установите на задней панели, чтобы исключить случайное подключение к нему. Туда же выведите шнур питания. Он дублирован контактами XT1.1 (минус) и XT1.2 (плюс), от которых можно питать другие измерительные приборы или настраиваемое устройство. Все лишние отверстия в корпусе закройте припаянными к нему стальными пластинами.

Собранный, согласно рекомендациям, прибор должен заработать сразу. Следует измерить постоянное напряжение на эмиттере транзистора VT4. При верхнем (по схеме) положении движка переменного резистора R18 оно не должно быть менее 2 В, иначе нужно уменьшить сопротивление резистора R13. Далее нужно проверить работу генератора на всех диапазонах. На УКВ при большой введенной емкости переменного конденсатора (если он включен) происходит срыв колебаний, что видно по снижению яркости свечения светодиода HL1.

Если переменный резистор R5 включен, как показано на схеме, то полоса перестройки на УКВ-диапазонах не превысит 15 МГц, и может потребоваться укладка этих диапазонов в пределы вещательных. Прежде всего сделайте это в диапазоне УКВ1 (65,9...74 МГц) с помощью подстроечного конденсатора C9 при разомкнутом выключателе SA2. Далее переведите переключатель SA1 в положение УКВ2 и, изменяя длину отрезка провода, служащего индуктивностью L11, добейтесь перекрытия вещательного диапазона 87,5...108 МГц. Если нужно сильно увеличить частоту, отрезок провода можно заменить полоской медной фольги или расплющенной оплеткой коаксиального кабеля. Пределы перестройки частоты варикапом можно значительно увеличить, если питать переменный резистор R5 напряжением со входа, а не с выхода интегрального стабилизатора DA1. Но это приведет к заметному ухудшению стабильности частоты.

Регулировка детектора милливольтметра заключается в установке подстроечным резистором R17 напряжения 1010 мВ на подключенном к выходу детектора мультиметре при нулевом выходном напряжении генератора (движок переменного резистора R18 в нижнем по схеме положении). Далее, увеличив переменным резистором размах выходного напряжения до 280 мВ (контролируют осциллографом), подстраивают R17 так, чтобы мультиметр показал 1100 мВ. Это соответствует эффективному значению выходного напряжения 100 мВ. Следует учитывать, что ВЧ-напряжение менее 20 мВ этим милливольтметром измерять нельзя (мертвая зона), а при напряжении более 100 мВ его показания будут сильно завышенными.

Рекомендуется включать генератор за час до начала измерений. После его прогрева долговременная стабильность частоты существенно повысится.

Файл печатной платы в формате Sprint Layout 6.0 можно скачать с ftp://ftp.radio.ru/pub/2016/01/gener.zip.

Литература

  1. Генератор сигналов высокочастотный GRG-450B. - URL: printsip.ru/ cgi/download/instr/GW_instek/generatori_ gw/grg-450b.pdf.
  2. Коротковолновый ГИР (За рубежом). - Радио, 2006, № 11, с. 72, 73.

Автор: Г. Бондаренко

Смотрите другие статьи раздела Гражданская радиосвязь.

Читайте и пишите полезные комментарии к этой статье.

<< Назад

<< Назад

Последние новости науки и техники, новинки электроники:

Хорошо управляемые луга могут компенсировать выбросы от скота 15.02.2026

Животноводство, особенно разведение крупного рогатого скота, часто обвиняют в значительном вкладе в глобальное потепление из-за мощного парникового газа - метана, который выделяется при пищеварении у жвачных животных. Это вызывает острые политические споры и призывы к сокращению потребления мяса. Однако ученые напоминают, что полная картина климатического воздействия отрасли не ограничивается только выбросами от животных: огромную роль играет окружающая экосистема - пастбища, почва и растительность, которые способны активно поглощать углекислый газ из атмосферы. Исследователи из Университета Небраски-Линкольна решили глубже изучить этот баланс. Группа под руководством профессора Галена Эриксона сосредоточилась на том, как правильно организованные пастбища накапливают углерод в растениях и грунте благодаря естественным процессам, стимулируемым выпасом скота. Ученые подчеркивают, что при достаточном уровне осадков и грамотном управлении такие луга превращаются в мощные природные погло ...>>

NASA тестирует инновационную технологию крыла 15.02.2026

Коммерческая авиация ежегодно расходует колоссальные объемы керосина, что сказывается не только на бюджете авиакомпаний, но и на состоянии окружающей среды. В 2024 году глобальные затраты на авиационное топливо достигли 291 миллиарда долларов, и эта сумма продолжает расти. Чтобы справиться с этими вызовами, NASA активно работает над технологиями, способными заметно повысить аэродинамическую эффективность самолетов. Одним из самых перспективных направлений стало создание специальной конструкции крыла, которая максимизирует естественный ламинарный поток воздуха и минимизирует сопротивление. В январе 2026 года специалисты NASA Armstrong Flight Research Center успешно провели важный этап наземных испытаний концепции Crossflow Attenuated Natural Laminar Flow (CATNLF). Для эксперимента под фюзеляж исследовательского самолета F-15B закрепили вертикально ориентированную масштабную модель высотой около 0,9 м (3 фута), напоминающую узкий киль. Такая компоновка позволила подвергнуть прототип р ...>>

Забота о внуках очень полезна для здоровья мозга 14.02.2026

Общение между поколениями приносит радость всей семье, но мало кто задумывается, насколько активно бабушки и дедушки, заботящиеся о внуках, поддерживают свою умственную форму. Регулярное взаимодействие с детьми стимулирует мозг пожилых людей, помогая сохранять память, скорость мышления и общую когнитивную активность. Новые научные данные подтверждают, что такая добровольная помощь не только важна для общества, но и может замедлять возрастные изменения в мозге. Исследователи из Тилбургского университета в Нидерландах провели анализ, чтобы понять, приносит ли уход за внуками реальную пользу здоровью пожилых людей. Ведущий автор работы Флавия Черечес отметила, что многие бабушки и дедушки регулярно присматривают за детьми, и оставался открытым вопрос, насколько это положительно сказывается на их собственном благополучии, особенно в плане когнитивных функций. Ученые поставили цель выяснить, способен ли регулярный уход за внуками замедлить снижение памяти и других умственных способ ...>>

Случайная новость из Архива

Max Space: орбитальный дом за один старт 03.01.2026

Человечество привыкло к тому, что создание орбитальных станций - это долгий и сложный процесс, растянутый на годы и десятки запусков. Однако в последние годы частные космические компании все активнее предлагают альтернативные сценарии, призванные удешевить и ускорить освоение низкой околоземной орбиты. Один из самых амбициозных таких проектов представил стартап Max Space из Флориды, предложив концепцию станции, которая полностью разворачивается в космосе после всего одного запуска.

Речь идет о коммерческой орбитальной платформе Thunderbird Station, рассчитанной на выведение на орбиту одной ракетой без последующего монтажного строительства. По замыслу разработчиков, станция доставляется в компактном виде, а затем разворачивается до внутреннего объема около 350 кубических метров, что составляет примерно треть объема Международной космической станции, равного 1 005 кубическим метрам. Такой подход позволяет резко сократить число космических полетов и, как следствие, снизить общую стоимость проекта.

В полностью развернутом состоянии Thunderbird Station сможет постоянно принимать до четырех членов экипажа или до восьми астронавтов при краткосрочных миссиях. Внутреннее пространство спроектировано с учетом длительного проживания: индивидуальные каюты обеспечивают приватность, а общая зона может использоваться как для выполнения рабочих задач, так и для отдыха. Кроме того, станция оснащена двумя стыковочными портами, предназначенными для приема посещающих космических аппаратов.

С научной и прикладной точки зрения платформа также выглядит многообещающе. На первом этапе станция будет располагать более чем 60 ячейками для полезной нагрузки и получит полностью переконфигурируемую архитектуру. В распоряжении экипажа окажутся герметичная перчаточная камера, микроскопы, камеры для выращивания растений и другое оборудование, необходимое для исследований, производственных процессов и фармацевтических экспериментов. Для формирования комфортной и функциональной жилой среды к проекту была привлечена бывшая астронавтка NASA Николь Стотт, которая, по словам генерального директора Салима Мияна, сыграла ключевую роль в проработке внутреннего дизайна станции.

До недавнего времени Max Space не рассматривала создание собственной орбитальной станции как приоритет. В апреле 2024 года компания вышла из режима секретности, представив технологию развертываемых модулей, которую планировала предлагать другим игрокам рынка, в том числе для строительства станций и орбитальных хранилищ топлива. Разработчики подчеркивали, что их подход отличается от классических надувных модулей и обеспечивает более предсказуемые запасы прочности и лучшую масштабируемость. Однако пересмотр стратегии NASA по программе Commercial Low Earth Orbit Destinations, объявленный в августе, стал стимулом для запуска собственной станции.

Как отметил Салим Миян, участие в программе CLD позволило компании продемонстрировать, что ее модули пригодны не только для технических задач, но и для полноценного проживания людей. Именно это подтолкнуло Max Space к стратегическому пересмотру дорожной карты и ускорению работ над Thunderbird Station. Важным элементом концепции стала ориентация на запуск с помощью ракеты Falcon 9, тогда как конкурирующие проекты требуют либо нескольких запусков, либо использования сверхтяжелых носителей, таких как Starship от SpaceX.

Ключ к такой гибкости кроется в так называемой "морфической внутренней структуре", использующей мягкие материалы и допускающей переконфигурацию пространства самими астронавтами. По словам Мияна, это позволяет одновременно создавать персонализированные жилые зоны, полезный объем для научных задач и значительное пространство для потенциального крупномасштабного производства на орбите. Дополнительную экспертизу проекту обеспечивает Картик Шетх, бывший заместитель главного ученого NASA, который помогает согласовывать развитие станции с потребностями как агентства, так и США в целом. Интерес к Thunderbird Station уже проявляют не только участники программы CLD, но и клиенты, заинтересованные в продолжении экспериментов МКС, а также в производстве полупроводников и волоконной оптики в условиях микрогравитации.

В практическом плане Max Space уже работает над маломасштабным прототипом Mission Evolution, запуск которого намечен на начало 2027 года в рамках совместной миссии SpaceX. Основная цель этого этапа - испытание системы защиты от орбитального мусора в реальных космических условиях, поскольку пока она проходила лишь наземные стресс-тесты. Запуск полноразмерного модуля предварительно запланирован на 2029 год, также с использованием ракеты Falcon 9. Если проект окажется успешным, технология развертываемых модулей может быть адаптирована не только для орбитальных станций, но и для будущих миссий к Луне и даже Марсу, открывая новый этап в архитектуре обитаемого космоса.

Другие интересные новости:

▪ Зарядка имплантов ультразвуком

▪ Регуляторы VIPER26K со встроенным MOSFET 1050 В

▪ Самая большая в мире аккумуляторная батарея

▪ Городской пылесос

▪ LOG114 - новый логарифмический усилитель

Лента новостей науки и техники, новинок электроники

 

Интересные материалы Бесплатной технической библиотеки:

▪ раздел сайта Компьютерные устройства. Подборка статей

▪ статья Алистер Кроули. Знаменитые афоризмы

▪ статья Что такое моллюск? Подробный ответ

▪ статья Ракитник. Легенды, выращивание, способы применения

▪ статья Самый простой измеритель угла ЗСК. Энциклопедия радиоэлектроники и электротехники

▪ статья Регулятор мощности для паяльника. Энциклопедия радиоэлектроники и электротехники

Оставьте свой комментарий к этой статье:

Имя:


E-mail (не обязательно):


Комментарий:





Главная страница | Библиотека | Статьи | Карта сайта | Отзывы о сайте

www.diagram.com.ua

www.diagram.com.ua
2000-2026