Menu Home

Бесплатная техническая библиотека для любителей и профессионалов Бесплатная техническая библиотека


Приемники прямого преобразования АМ и ЧМ сигналов. Энциклопедия радиоэлектроники и электротехники

Бесплатная техническая библиотека

Энциклопедия радиоэлектроники и электротехники / Радиоприем

Комментарии к статье Комментарии к статье

Для приема телеграфных и однополосных сигналов радиолюбители-коротковолновики в последние годы часто используют так называемые приемники прямого преобразования. В отличие от супергетеродинов, в них нет тракта ПЧ и детектора - имеется лишь преобразователь частоты, переносящий спектр принимаемого сигнала высокой частоты непосредственно в область звуковых частот (иначе говоря, фильтрация и основное усиление сигнала происходят на низких частотах). Благодаря этому приемник прямого преобразования оказывается намного проще супергетеродинного как в изготовлении, так и в налаживании. Высокие чувствительность и селективность, свойственные супергетеродинам, легко получаются при использовании современных малошумящнх транзисторов (уровень создаваемых ими шумов, приведенный ко входу усилителя НЧ, может составлять 0,1...0,2 мкВ) и достаточно простых, но эффективных фильтров нижних частот (ФНЧ). К этому добавляется "естественная" селективность человеческого слуха, телефонов (громкоговорителей), чувствительность которых падает с ростом частоты. Указанные достоинства приемников прямого преобразования все чаще привлекают к себе внимание конструкторов радиовещательной аппаратуры.

Однако обычный приемник прямого преобразования не может демодулировать AM и ЧМ сигналы. Дело в том, что его смеситель не детектирует принятых колебаний, а преобразует их частоту. Поэтому при настройке, например, на частоту радиостанции, ведущей передачу с AM, вначале слышен свист (биения несущей с колебаниями гетеродина), тон которого понижается по мере уменьшения разности частот сигнала и гетеродина. Разобрать передачу в этих условиях почти невозможно. При более точной настройке тон биений с частотой F становится очень низким, неслышимым, однако передачи сопровождается периодическими изменениями громкости с частотой 2F. Происходит это оттого, что фазе колебаний гетеродина непрерывно изменяется относительно фазы принятого сигнала. При совпадении фаз громкость передачи нормальная, при разности их 90° или 270° - она падает до нуля, при сдвиге на 180° - сигнал возникает вновь, но полярность его меняется на обратную. Дело здесь в биениях двух боковых полос AM сигнала, которые, будучи преобразованы в звуковую частоту, то складываются, то вычитаются на выходе смесителя.

При частотной модуляции частота сигнала изменяется в такт со звуковыми колебаниями в пределах от fс-Δf до fс+Δf (fс - частота несущей, Δf - девиация частоты передатчика). Частота биений F на выходе смесителя приемника прямого преобразования в этом случае даже при точной настройке не остается постоянной - она изменяется от 0 до Δf. - поэтому разобрать передачу вообще невозможно.

Хорошее качество приема AM и ЧМ сигналов получается при синхронизации колебания гетеродина с несущей частотой сигнала, что можно сделать несколькими способами. Проще всего - использовать явление захвата колебаний гетеродина несущей сигнала. Для этого часть напряжения сигнала из входной цепи или с выхода усилителя ВЧ вводят в контур гетеродина. Полосу захвата определяют по формуле 2Δfз=fcUc/QUг (fс - частота сигнала, совпадающая с частотой гетеродина, Uc - вводимое напряжение сигнала, Q - добротность контура гетеродина, Uг - напряжение на нем). Устанавливать ее (регулируя вводимое в контур напряжение сигнала) следует минимально необходимой для уверенной синхронизации (примерно 200...400 Гц). Это повышает помехоустойчивость приемника, уменьшая вероятность проникания помех через цепь синхронизации. При добротности контура Q = 35, напряжении Uг = 0,1 В и полосе захвата 2Δfз = 400 Гц напряжение синхронизации в диапазоне СВ (на частоте 1400 кГц) составляет около 1 мВ, в диапазоне KB (14 МГц) - около 100 мкВ.

Более сложные и совершенные синхронные приемники содержат систему фазовой автоподстройки частоты (ФАПЧ). Описанию таких приемников были посвящены статьи [1,2].

Существуют и другие способы приема модулированных сигналов с помощью приемника прямого преобразования Предложены они давно, но, вероятно, из-за малой известности распространения пока не получили. Цель настоящей статьи - привлечь внимание энтузиастов народной лаборатории к асинхронным приемникам с тем, чтобы на практике решить проблему их применения в любительской радиосвязи и для радиовещательного приема.

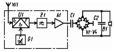
Простейший способ детектирования AM колебаний в приемнике прямого преобразования сводится к тому, что его расстраивают на 2...3 кГц относительно несущей, а на выходе включают двухполупериодный детектор, как показано на рис. 1. Здесь U1 - смеситель, G1 - гетеродин, Z1 - ФНЧ, А1 - усилитель НЧ. На выходе последнего образуется сигнал биений частоты 2...3 кГц. модулированный по амплитуде передаваемой информацией. Через разделительный конденсатор С1 этот сигнал поступает на детектор (V1 - V4). На его выходе выделяется пульсирующее с удвоенной частотой биений напряжение, огибающая которого изменяется по закону модуляции принимаемого сигнала. В результате в головных телефонах слышны и радиопередача, и непрерывный свист с удвоенной частотой биений (4...6 кГц), несколько ослабленный блокировочным конденсатором С2. Избавиться от этой помехи можно, включив между выходом детектора и телефонами ФНЧ с частотой среза около 3 кГц.

Приемники прямого преобразования АМ и ЧМ сигналов
Рис. 1

Приемник по рассмотренной функциональной схеме (по существу, супергетеродин с очень низкой - равной частоте биений - ПЧ) пригоден дли экспериментов, но не годится для радиовещательного приема, так как из-за большой расстройки, которая не может быть менее 1,6 кГц, полоса пропускания тракта не совпадает со спектром сигнала, а это ухудшает помехоустойчивость и приводит к искажениям. Задача приема AM сигналов, как теперь ясно, состоит в том. чтобы выделить огибающую при очень низкой, лежащей в звуковом диапазоне, частоте "несущей", причем колебания последней необходимо подавить. Такое возможно в приемнике с двумя так называемыми квадратурными каналами НЧ, сигналы в которых сдвинуты по фазе на 90°. В этом случае после двухполупериодного детектирования квадратурных сигналов получатся одинаковые пульсирующие (также с удвоенной частотой) напряжения, но сами пульсации окажутся противофазными (при удвоении частоты фазовый сдвиг также удваивается), и от них можно избавиться простым суммированием продетектированных сигналов.

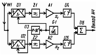
Структурная схема такого приемника AM сигналов приведена на рис. 2 [3]. Он содержит две смесителя - U1 и U2. Напряжение гетеродина G1 подводится к ним через высокочастотный фазовращатель U3, создающий сдвиг фаз 90°. В каждом канале приемника имеется ФНЧ (Z1 и Z2), усилитель НЧ (A1 и А2) и двухполупериодный детектор - квадратор (двухполупериодный детектор, работающий в режиме квадратичного детектирования, выполняет операцию возведения в квадрат, поэтому его еще называют квадратором) U4 и U5. Сигналы с выходов детекторов поступают в суммирующее устройство U6.

Приемники прямого преобразования АМ и ЧМ сигналов
Рис. 2

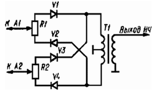
Часть приемника, состоящую из детекторов U4, U5 и сумматора U6, можно выполнить по схеме, показанной на рис. 3. Балансируют детекторы (добиваются подавления биений частотой F = fc-fг) подстроечными резисторами R1 и R2. Продетектированные сигналы складываются в первичной обмотке трансформатора Т1, который при желании можно заменить ОУ.

Приемники прямого преобразования АМ и ЧМ сигналов
Рис. 3

Степень подавления сигнала частотой 2F зависит от балансировка каналов и погрешности установки фазового сдвига. При разбалансе усиления в каналах +-1 % и ошибке в установке фазового сдвига +-1° оно достигает 40 дБ. Такое подавление достаточно для радиосвязи и радиовещательного приема а условиях слабых сигналов или помех Для высококачественного же приема оно должно быть не менее 60 дБ, что, естественно, требует уменьшения погрешности регулировки на порядок.

Простейший способ приема ЧМ сигналов по существу, не отличается от описанного для AM сигналов (см. рис. 1). Разница лишь в том, что емкость разделительного конденсаторе С1 в данном случае должна быть небольшой (чтобы обеспечить дифференцирование сигнала перед детектированием). При этом условии продетектированное напряжение будет пропорционально частоте биений между принимаемым сигналом и колебаниями гетеродина. Подобный способ приема ЧМ сигналов использован в известных устройствах с низкой ПЧ и детектором, работающим по принципу счетчика импульсов |4| Недостаток способа - наличие низкочастотного зеркального канала, что расширяет полосу приемника вдвое по сравнению с необходимой.

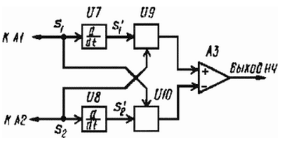
Асинхронный приемник ЧМ сигналов с квадратурными каналами [5] содержит ту же входную часть, что и устройство для приема AM колебаний, но сигналы с выходов усилителей НЧ А1 и А2 подаются на устройство обработки, структурная схема которого изображена на рис. 4. Оно состоит из дифференцирующих цепей U7 и U8, перемножителей U9, U10 и вычитающего устройства A3 (нумерация элементов схемы продолжает начатую на рис. 2). Полосу пропускания фильтров Z1, Z2 берут в этом случае соответствующей максимальной девиации Δfmax ЧМ сигнала (50 кГц - в радиовещании и 6...12 кГц - в радиосвязи) или несколько большей. Постоянную времени дифференцирующих цепей выбирают из тех же соображений: RC=(0,5....0,7)/ 2πΔfmax. В качестве перемножителей можно использовать кольцевые диодные смесители или интегральные микросхемы, в качестве вычитающего устройства - дифференциальный усилитель.

Приемники прямого преобразования АМ и ЧМ сигналов
Рис. 4

Рассмотрим работу приемника. Предположим, что сигнал S2 отстает от сигнала S1, на 90°. В этом случае продифференцированный сигнал S'2 совпадает по фазе с сигналом S1, а его амплитуда пропорциональна частоте F. На выходе перемножителя U10 появляются положительное напряжение, пропорциональное этой частоте, и ее вторая гармоники. Аналогичные процессы протекают и в перемножителе U9, но так как продифференцированный сигнал и сигнал S2 противофазны, на его выходе появляется напряжение отрицательной полярности. В вычитающем устройстве A3 вторые гармоники взаимно компенсируются. Изменение знака расстройки частоты сигнала относительно частоты колебаний гетеродине изменяет фазу сигнала S2 на 180° при fc>fг фаза сигнала S2 равна -90° (в смесителе U2 частота и фаза колебаний гетеродина вычитаются соответственно из частоты и фазы сигнала), а при fc<fг составляет +90°. При этом, естественно, изменяется полярность напряжений на выходах перемножителей, а следовательно, и знак выходного напряжения.

Дискриминационная кривая приемника (зависимость выходного напряжения от расстройки) показана на рис. 5. Ее "нуль" соответствует точной настройке гетеродина на частоту несущей сигнала. Обеспечить хорошее подавление биений с частотой F и ее гармоник в рассматриваемом приемнике легче, так как помеха может прослушиваться лишь при F<Fв (эта область на рис. 5 заштрихована), когда выходное напряжение меньше максимального в число раз, рваное Δfmax/Fв. Во столько же раз возрастает и подавление помехи по сравнению с приемником AM сигналов при одинаковой точности балансировки.

Приемники прямого преобразования АМ и ЧМ сигналов
Рис. 5

Асинхронные приемники прямого преобразования с квадратурными каналами имеют определенные преимущества по сравнению с супергетеродинами. В них, например, легко достигается высокая селективность - эффект, эквивалентный применению трех контурного ФСС в тракте ПЧ супергетеродина, обеспечивается простым П-образным ФНЧ, состоящим из одной катушки и двух конденсаторов. Если же для фильтрации применить активные RC-фильтры, то число катушек в приемнике вообще можно свести к минимуму. Главное же достоинство таких приемников а том, что все усиление и вся обработка сигнала происходят на низких частотах, где можно широко использовать интегральные микросхемы, не принимая каких-либо особых мер по экранированию и развязке каскадов. К недостаткам следует отнести некоторую сложность схем (впрочем, идут же на двойное усложнение тракта в стереофонических системах!) и, возможно, несколько худшее, чем при традиционных способах, качество приема при недостаточно тщательной балансировке каналов.

В заключение интересно отметить, что добавление к приемнику AM сигналов (рис. 2) устройства, выполненного по структурной схеме на рис. 4, превращает его в устройство для приема сигналов как с AM, так и с ЧМ, а введение дополнительного низкочастотного фазовращателя - в однополосный приемник [6].

Литература

  1. Любарский С. Синхронный AM детектор. - Радио. 1979, М 10. с. 31.
  2. Поляков В. ЧМ детектор с ФАПЧ приемника прямого преобразования - Радио, 1978, № 11, с. 41.
  3. Патент США: класс 329.50, № 3792364 от 12.02. 1974 г.
  4. Терентьев Р. Транзисторный УКВ блок. - Радио. 1971, № 2, с. 47.
  5. Патент Великобритании: класс Н3А. № 1173977 от 23.11.1966 г.
  6. Патент США: класс 329.50, № 2943193 от 13.06.1960 г.

Автор: В.Поляков, г.Москва

Смотрите другие статьи раздела Радиоприем.

Читайте и пишите полезные комментарии к этой статье.

<< Назад

<< Назад

Последние новости науки и техники, новинки электроники:

Канада планирует построить космодром 06.04.2026

Развитие космической инфраструктуры все чаще становится вопросом не только науки и технологий, но и национальной безопасности. Многие государства стремятся получить независимый доступ к космическим запускам, чтобы не зависеть от внешних партнеров и укреплять собственный технологический суверенитет. На этом фоне Канада объявила о запуске масштабного проекта по созданию собственного космодрома. Министр обороны Канады Дэвид Мак-Гинти сообщил, что правительство страны инвестирует 200 млн канадских долларов, что составляет около 150 млн долларов США, в строительство национального космодрома. Эти средства станут частью долгосрочной программы развития суверенных возможностей космических запусков. По словам Мак-Гинти, Министерство обороны подписало 10-летнее соглашение с компанией MLS на сумму 200 млн долларов. В рамках этого контракта планируется строительство стартовой площадки, которая будет использоваться не только военными структурами, включая Министерство обороны и Вооруженные силы ...>>

Обновленные телевизоры Xiaomi S Mini LED TV 2026 06.04.2026

Компания Xiaomi представила обновленную серию телевизоров S Mini LED TV 2026, которая заметно отличается от версии, недавно вышедшей на европейский рынок. Новое поколение ориентировано на расширенные возможности отображения и более гибкую конфигурацию экранов, что делает линейку более универсальной для разных сценариев использования. В обновленной серии Xiaomi S Mini LED TV 2026 предлагается сразу пять диагоналей, начиная от 55 дюймов и заканчивая внушительными 100 дюймами. Флагманская модель оснащена 1920 зонами локального затемнения, способна достигать пиковой яркости до 2000 нит и поддерживает частоту обновления изображения до 288 Гц, что делает ее особенно привлекательной для динамичного контента и игр. Младшая модель в линейке отличается в первую очередь количеством зон локального затемнения, которых здесь 576, однако остальные ключевые характеристики остаются на уровне старших версий. Это позволяет сохранить высокое качество изображения даже в более доступном сегменте, не ж ...>>

Беспилотный грузовой самолет с двигателем AEP100 05.04.2026

Авиационная отрасль стоит перед масштабной задачей перехода к экологически чистым технологиям, и одним из наиболее перспективных направлений считается использование водорода в качестве топлива. Этот элемент рассматривается как потенциальная альтернатива традиционным видам авиационного топлива благодаря своей энергоэффективности и отсутствию углеродных выбросов при использовании. На этом фоне Китай сообщил об успешном испытании беспилотного грузового самолета, оснащенного турбовинтовым двигателем AEP100 мегаваттного класса, работающим на водороде. Это событие стало важным этапом в развитии авиационных технологий, так как позволило протестировать двигатель в реальных условиях полета, а не только в лабораторной среде. Испытательный полет был проведен в субботу, 4 апреля, в городе Чжучжоу, расположенном в китайской провинции Хунань. Именно там впервые в реальных условиях был задействован водородный авиационный двигатель подобной мощности, что дало возможность оценить его стабильность ...>>

Случайная новость из Архива

Сверхпластичные шины для космических исследований 30.09.2025

В истории освоения космоса колеса играют не меньшую роль, чем ракеты. Именно они позволяют исследовательским роверам продвигаться по лунной пыли и марсианскому камню, доставляя ученым бесценные данные. Но традиционные резиновые шины для таких условий слишком хрупки: повреждение на другой планете почти невозможно устранить. Поэтому специалисты NASA в последние годы сосредоточились на создании принципиально нового типа колес, которые способны выдерживать нагрузки, недоступные для обычных материалов.

Основой этих разработок стали сплавы с эффектом памяти формы, прежде всего никель-титановые соединения, известные как NiTinol. Они позволяют создавать шины, которые не рвутся и не трескаются при сильной деформации, а после экстремальных нагрузок возвращаются к исходному состоянию. Это свойство особенно ценно в условиях внеземных миссий, где надежность каждого элемента техники определяет успех всей экспедиции.

Эксперименты в исследовательском центре NASA имени Глена показали, что такие конструкции выдерживают изгибы и давления, которые уничтожили бы любые резиновые покрышки. Шина Superelastic, разработанная на базе NiTinol, способна выдерживать до 10% деформации и при этом полностью восстанавливаться, тогда как традиционная резина выходит из строя уже при 0,5%. Кроме того, новые шины не нуждаются в воздухе, что исключает проколы и проблемы с давлением.

Применение инноваций не ограничивается космосом. В NASA отмечают, что сверхэластичные шины могут найти место и на Земле. Они обеспечивают сцепление не хуже, а порой даже лучше, чем традиционные пневматики, повышают безопасность движения и экономию топлива. Благодаря отсутствию внутреннего каркаса и воздуха конструкция становится легче и проще в интеграции.

Первые шаги к коммерческому использованию уже сделаны. SMART Tire Company запустила на платформе Kickstarter проект велосипедных шин METL, изготовленных из никель-титановых пружин, напоминающих знаменитую игрушку-"слинки". Такие спирали обвивают всю шину, создавая прочную и гибкую основу. Однако переход от велосипедных моделей к автомобильным пока осложняется высокой стоимостью сплавов и необходимостью адаптации конструкции.

Тем не менее, инженеры не останавливаются. Новые модели - от пружинных шин METL до гладких Superelastic - проходят испытания на каменистой местности, имитирующей марсианский ландшафт. Результаты впечатляют: колеса выдерживают долгие нагрузки, остаются упругими и демонстрируют долговечность, о которой производители резиновых покрышек могут лишь мечтать.

Главное преимущество этой технологии в ее универсальности. Такие шины можно настроить под разные покрытия, будь то пыль Луны, острые марсианские камни или разбитый асфальт на земных улицах. Они способны выдерживать десятилетия эксплуатации, при этом оставаясь устойчивыми к износу и внешним условиям.

Другие интересные новости:

▪ Создан паучий шелк с помощью фотосинтезирующих бактерий

▪ Круглая соль

▪ Синтезировано естественное обезболивающее вещество

▪ Автономная охлаждающая ткань

▪ Водяной велосипед

Лента новостей науки и техники, новинок электроники

 

Интересные материалы Бесплатной технической библиотеки:

▪ раздел сайта Опыты по физике. Подборка статей

▪ статья Тит Макций Плавт. Знаменитые афоризмы

▪ статья Как спаривают самца и самку охотничьих соколов, считающих своим половым партнером разводчика? Подробный ответ

▪ статья Порядок обучения руководителей и специалистов

▪ статья Цифровой измеритель емкости и внутреннего сопротивления аккумуляторов. Энциклопедия радиоэлектроники и электротехники

▪ статья Необыкновенный узел. Секрет фокуса

Оставьте свой комментарий к этой статье:

Имя:


E-mail (не обязательно):


Комментарий:





Главная страница | Библиотека | Статьи | Карта сайта | Отзывы о сайте

www.diagram.com.ua

www.diagram.com.ua
2000-2026